WIKA
| Aineen kanssa kosketuksissa olevien osien materiaali | Ruostumaton teräs 316L |
|---|---|
| Hyväksynnät | RoHS, UL |
| IP-luokka | IP65 |
| Kytkinkotelon materiaali | Ruostumaton teräs 316L |
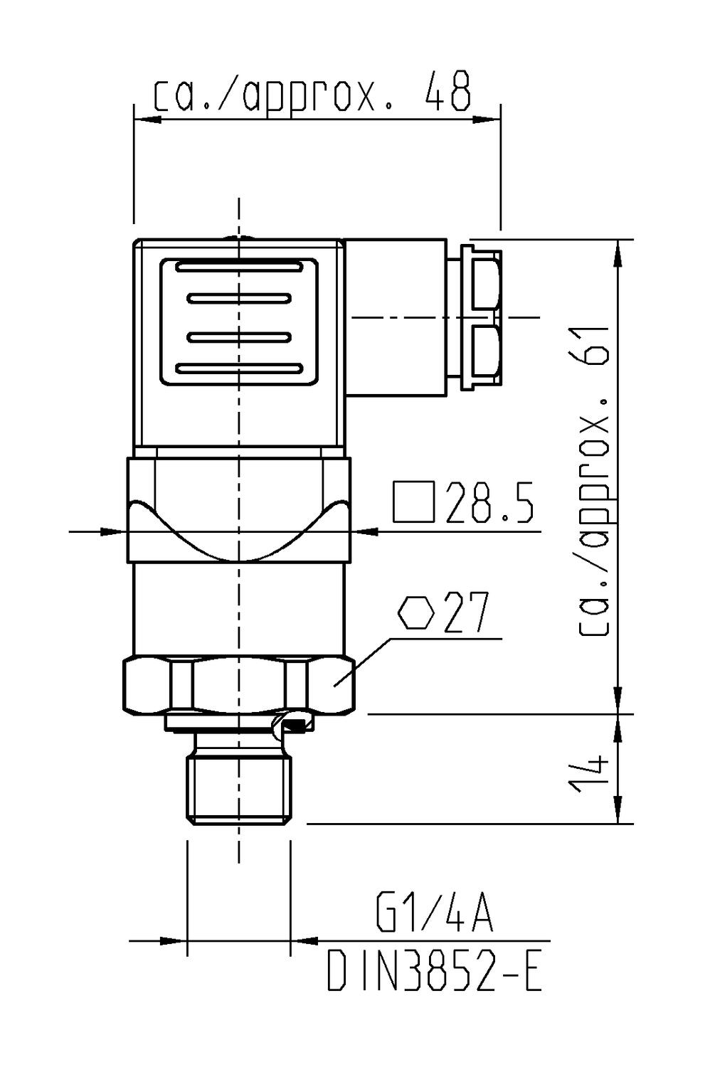
| Liitäntä | G1/4 |
| Liitäntäkierre | Ulkoinen |
| Max. käyttölämpötila | 80 °C |
| Max. paine | 0,05 bar |
| Max. syöttöjännite DC | 30 V DC |
| Min. käyttölämpötila | 0 °C |
|---|---|
| Min. painealue | 0 bar |
| Min. syöttöjännite DC | 14 V DC |
| Paino | 80 g |
| Signaalityyppi | 0-10 V |
| Sähköinen liitäntä | DIN-A (175301-803) |
| Tiivisteen materiaali | NBR |
A-10-painelähettimellä on kansainväliset cULus ja GOST-R -sertifikaatit. Lukuisat paineyksiköt ja prosessiliitännät tarvittaviin käyttöympäristöihin ovat nopeasti saatavilla.
WIKA:n painemittarit ja painelähettimet tarjoavat luotettavat ratkaisut hygieniavaatimuksiltaan korkeisiin tiloihin, joissa laatuvaatimukset ovat erittäin tiukat. Lue lisää!
Maailman johtava mekaanisten painekytkimien valmistaja SUCO on laajentanut tuotevalikoimaansa entisestään uusilla paineantureilla. Valikoimasta löytyy monenlaista paineanturia sovelluksen ja mitattavan aineen mukaan.
Anturivalmistaja ESI:n uusin, edeltäjäänsä nopeampi, USB-paineanturi.
iguksen ainutlaatuinen DNV GL -hyväksyntäjärjestelmä elektroniikkakaapeleille tarjoaa käyttäjälle monenlaisia etuja.
Kaapeleiden valmistuksessa on olemassa useampia erilaisia tapoja jolla jolla johtimet kierretään. Datakaapeleiden valmistuksessa käytetään kolme erilaista tapaa : kerroksittain kierretyt johtimet, parikierretyt johtimet (twisted pair) sekä nelikierre (star-quad).
Olemme mukana Pohjoinen Teollisuus -messuilla! Tule juttelemaan ja tutustumaan uutuuksiin osastolle 849!
|
|
|
|
|
|
||
|---|---|---|---|---|---|---|
|
|
|
|
|
|
||
|
|
|
|
|
|
||
|
|
|
|
|
|
||
|
|
|
|
|
|
||
|
|
|
|
|
|
||
|
|
|
|
|
|
| Suosikit | Tilausnumero: | Max. käyttölämpötila | Max. paine | Max. ympäristön lämpötila | Min. käyttölämpötila | Min. syöttöjännite DC | Min. ympäristön lämpötila | Signaalityyppi | Sähköinen liitäntä | Tiivisteen materiaali | Hinta | |
|---|---|---|---|---|---|---|---|---|---|---|---|---|
|
Paineanturi 0..0,05 bar, 0-10V, G1/4, DIN-A 80°
Tuotenumero:
A10-14182737
Kopioitu!
|
80 °C
|
0,05 bar
|
|
0 °C
|
14 V DC
|
|
0-10 V
|
DIN-A (175301-803)
|
NBR
|
|
||
|
Paineanturi 0..0,05 bar, 0-10V, G1/4, M12 80°
Tuotenumero:
A10-14252511
Kopioitu!
|
80 °C
|
0,05 bar
|
|
0 °C
|
14 V DC
|
|
0-10 V
|
M12 x 1 (4-pin)
|
NBR
|
|
||
|
Paineanturi 0..0,05 bar, 4-20mA, G1/4, DIN-A 80°
Tuotenumero:
A10-14182731
Kopioitu!
|
80 °C
|
0,05 bar
|
|
0 °C
|
8 V DC
|
|
4-20 mA
|
DIN-A (175301-803)
|
NBR
|
|
||
|
Paineanturi 0..0,05 bar, 4-20mA, G1/4, M12 80°
Tuotenumero:
A10-45796643
Kopioitu!
|
80 °C
|
0,05 bar
|
|
0 °C
|
8 V DC
|
|
4-20 mA
|
M12 x 1 (4-pin)
|
NBR
|
|
||
|
Paineanturi 0..0,1 bar, 0-10V, G1/4, DIN-A 80°
Tuotenumero:
A10-14182738
Kopioitu!
|
80 °C
|
0,1 bar
|
|
0 °C
|
14 V DC
|
|
0-10 V
|
DIN-A (175301-803)
|
NBR
|
|
||
|
Paineanturi 0..0,1 bar, 0-10V, G1/4, M12 80°
Tuotenumero:
A10-14252519
Kopioitu!
|
80 °C
|
0,1 bar
|
|
0 °C
|
14 V DC
|
|
0-10 V
|
M12 x 1 (4-pin)
|
NBR
|
|
||
|
Paineanturi 0..0,1 bar, 4-20mA, G1/4, DIN-A 80°
Tuotenumero:
A10-14182732
Kopioitu!
|
80 °C
|
0,1 bar
|
|
0 °C
|
8 V DC
|
|
4-20 mA
|
DIN-A (175301-803)
|
NBR
|
|
||
|
Paineanturi 0..0,1 bar, 4-20mA, G1/4, M12 80°
Tuotenumero:
A10-35128314
Kopioitu!
|
80 °C
|
0,1 bar
|
|
0 °C
|
8 V DC
|
|
4-20 mA
|
M12 x 1 (4-pin)
|
NBR
|
|
||
|
Paineanturi 0..0,16 bar, 0-10V, G1/4, DIN-A 80°
Tuotenumero:
A10-14182739
Kopioitu!
|
80 °C
|
0,16 bar
|
|
0 °C
|
14 V DC
|
|
0-10 V
|
DIN-A (175301-803)
|
NBR
|
|
||
|
Paineanturi 0..0,16 bar, 0-10V, G1/4, M12 80°
Tuotenumero:
A10-14252520
Kopioitu!
|
80 °C
|
0,16 bar
|
|
0 °C
|
14 V DC
|
|
0-10 V
|
M12 x 1 (4-pin)
|
NBR
|
|
||
|
Paineanturi 0..0,16 bar, 4-20mA, G1/4, DIN-A 80°
Tuotenumero:
A10-14182733
Kopioitu!
|
80 °C
|
0,16 bar
|
|
0 °C
|
8 V DC
|
|
4-20 mA
|
DIN-A (175301-803)
|
NBR
|
|
||
|
Paineanturi 0..0,16 bar, 4-20mA, G1/4, M12 80°
Tuotenumero:
A10-14252508
Kopioitu!
|
80 °C
|
0,16 bar
|
|
0 °C
|
8 V DC
|
|
4-20 mA
|
M12 x 1 (4-pin)
|
NBR
|
|
||
|
Paineanturi 0..0,25 bar, 0-10V, G1/4, DIN-A 80°
Tuotenumero:
A10-14182740
Kopioitu!
|
80 °C
|
0,25 bar
|
|
0 °C
|
14 V DC
|
|
0-10 V
|
DIN-A (175301-803)
|
NBR
|
|
||
|
Paineanturi 0..0,25 bar, 0-10V, G1/4, M12 80°
Tuotenumero:
A10-14252523
Kopioitu!
|
80 °C
|
0,25 bar
|
|
0 °C
|
14 V DC
|
|
0-10 V
|
M12 x 1 (4-pin)
|
NBR
|
|
||
|
Paineanturi 0..0,25 bar, 4-20mA, G1/4, DIN-A 80°
Tuotenumero:
A10-14182734
Kopioitu!
|
80 °C
|
0,25 bar
|
|
0 °C
|
8 V DC
|
|
4-20 mA
|
DIN-A (175301-803)
|
NBR
|
|
||
|
Paineanturi 0..0,25 bar, 4-20mA, G1/4, M12 80°
Tuotenumero:
A10-14252509
Kopioitu!
|
80 °C
|
0,25 bar
|
|
0 °C
|
8 V DC
|
|
4-20 mA
|
M12 x 1 (4-pin)
|
NBR
|
|
||
|
Paineanturi 0..0,4 bar, 0-10V, G1/4, DIN-A 80°
Tuotenumero:
A10-14182741
Kopioitu!
|
80 °C
|
0,4 bar
|
|
0 °C
|
14 V DC
|
|
0-10 V
|
DIN-A (175301-803)
|
NBR
|
|
||
|
Paineanturi 0..0,4 bar, 0-10V, G1/4, M12 80°
Tuotenumero:
A10-14252524
Kopioitu!
|
80 °C
|
0,4 bar
|
|
0 °C
|
14 V DC
|
|
0-10 V
|
M12 x 1 (4-pin)
|
NBR
|
|
||
|
Paineanturi 0..0,4 bar, 4-20mA, G1/4, DIN-A 80°
Tuotenumero:
A10-14182736
Kopioitu!
|
80 °C
|
0,4 bar
|
|
0 °C
|
8 V DC
|
|
4-20 mA
|
DIN-A (175301-803)
|
NBR
|
|
||
|
Paineanturi 0..0,4 bar, 4-20mA, G1/4, M12 80°
Tuotenumero:
A10-14252510
Kopioitu!
|
80 °C
|
0,4 bar
|
|
0 °C
|
8 V DC
|
|
4-20 mA
|
M12 x 1 (4-pin)
|
NBR
|
|
||
|
Paineanturi 0..0,6 bar, 0-10V, G1/4, DIN-A 80°
Tuotenumero:
A10-14116248
Kopioitu!
|
80 °C
|
0,6 bar
|
|
0 °C
|
14 V DC
|
|
0-10 V
|
DIN-A (175301-803)
|
NBR
|
|
||
|
Paineanturi 0..0,6 bar, 0-10V, G1/4, M12 80°
Tuotenumero:
A10-14063267
Kopioitu!
|
80 °C
|
0,6 bar
|
|
0 °C
|
14 V DC
|
|
0-10 V
|
M12 x 1 (4-pin)
|
NBR
|
|
||
|
Paineanturi 0..0,6 bar, 4-20mA, G1/4, DIN-A 80°
Tuotenumero:
A10-14116790
Kopioitu!
|
80 °C
|
0,6 bar
|
|
0 °C
|
8 V DC
|
|
4-20 mA
|
DIN-A (175301-803)
|
NBR
|
|
||
|
Paineanturi 0..0,6 bar, 4-20mA, G1/4, M12 80°
Tuotenumero:
A10-14126782
Kopioitu!
|
80 °C
|
0,6 bar
|
|
0 °C
|
8 V DC
|
|
4-20 mA
|
M12 x 1 (4-pin)
|
NBR
|
|
||
|
Paineanturi 0..1 bar, 0-10V, G1/4, DIN-A 80°
Tuotenumero:
A10-12852822
Kopioitu!
|
80 °C
|
1 bar
|
|
0 °C
|
14 V DC
|
|
0-10 V
|
DIN-A (175301-803)
|
NBR
|
|
||
|
Paineanturi 0..1 bar, 0-10V, G1/4, M12 80°
Tuotenumero:
A10-12797902
Kopioitu!
|
80 °C
|
1 bar
|
|
0 °C
|
14 V DC
|
|
0-10 V
|
M12 x 1 (4-pin)
|
NBR
|
|
||
|
Paineanturi 0..1 bar, 4-20mA, G1/4, DIN-A 80°
Tuotenumero:
A10-12719049
Kopioitu!
|
80 °C
|
1 bar
|
|
0 °C
|
8 V DC
|
|
4-20 mA
|
DIN-A (175301-803)
|
NBR
|
|
||
|
Paineanturi 0..1 bar, 4-20mA, G1/4, M12 80°
Tuotenumero:
A10-13002830
Kopioitu!
|
80 °C
|
1 bar
|
|
0 °C
|
8 V DC
|
|
4-20 mA
|
M12 x 1 (4-pin)
|
NBR
|
|
||
|
Paineanturi 0..1,6 bar, 0-10V, G1/4, DIN-A 80°
Tuotenumero:
A10-12963446
Kopioitu!
|
80 °C
|
1,6 bar
|
|
0 °C
|
14 V DC
|
|
0-10 V
|
DIN-A (175301-803)
|
NBR
|
|
||
|
Paineanturi 0..1,6 bar, 0-10V, G1/4, M12 80°
Tuotenumero:
A10-14126594
Kopioitu!
|
80 °C
|
1,6 bar
|
|
0 °C
|
14 V DC
|
|
0-10 V
|
M12 x 1 (4-pin)
|
NBR
|
|
||
|
Paineanturi 0..1,6 bar, 4-20mA, G1/4, DIN-A 80°
Tuotenumero:
A10-12719405
Kopioitu!
|
80 °C
|
1,6 bar
|
|
0 °C
|
8 V DC
|
|
4-20 mA
|
DIN-A (175301-803)
|
NBR
|
|
||
|
Paineanturi 0..1,6 bar, 4-20mA, G1/4, M12 80°
Tuotenumero:
A10-12809455
Kopioitu!
|
80 °C
|
1,6 bar
|
|
0 °C
|
8 V DC
|
|
4-20 mA
|
M12 x 1 (4-pin)
|
NBR
|
|
||
|
Paineanturi 0..2,5 bar, 0-10V, G1/4, DIN-A 80°
Tuotenumero:
A10-12909913
Kopioitu!
|
80 °C
|
2,5 bar
|
|
0 °C
|
14 V DC
|
|
0-10 V
|
DIN-A (175301-803)
|
NBR
|
|
||
|
Paineanturi 0..2,5 bar, 0-10V, G1/4, M12 80°
Tuotenumero:
A10-14011272
Kopioitu!
|
80 °C
|
2,5 bar
|
|
0 °C
|
14 V DC
|
|
0-10 V
|
M12 x 1 (4-pin)
|
NBR
|
|
||
|
Paineanturi 0..2,5 bar, 4-20mA, G1/4, DIN-A 80°
Tuotenumero:
A10-12719243
Kopioitu!
|
80 °C
|
2,5 bar
|
|
0 °C
|
8 V DC
|
|
4-20 mA
|
DIN-A (175301-803)
|
NBR
|
|
||
|
Paineanturi 0..2,5 bar, 4-20mA, G1/4, M12 80°
Tuotenumero:
A10-12742423
Kopioitu!
|
80 °C
|
2,5 bar
|
|
0 °C
|
8 V DC
|
|
4-20 mA
|
M12 x 1 (4-pin)
|
|
|
||
|
Paineanturi 0..4 bar, 0-10V, G1/4, DIN-A 80°
Tuotenumero:
A10-12725421
Kopioitu!
|
80 °C
|
4 bar
|
|
0 °C
|
14 V DC
|
|
0-10 V
|
DIN-A (175301-803)
|
NBR
|
|
||
|
Paineanturi 0..4 bar, 0-10V, G1/4, M12 80°
Tuotenumero:
A10-14006333
Kopioitu!
|
80 °C
|
4 bar
|
|
0 °C
|
14 V DC
|
|
0-10 V
|
M12 x 1 (4-pin)
|
NBR
|
|
||
|
Paineanturi 0..4 bar, 4-20mA, G1/4, DIN-A 80°
Tuotenumero:
A10-12719251
Kopioitu!
|
80 °C
|
4 bar
|
|
0 °C
|
8 V DC
|
|
4-20 mA
|
DIN-A (175301-803)
|
NBR
|
|
||
|
Paineanturi 0..4 bar, 4-20mA, G1/4, M12 80°
Tuotenumero:
A10-12809447
Kopioitu!
|
80 °C
|
4 bar
|
|
0 °C
|
8 V DC
|
|
4-20 mA
|
M12 x 1 (4-pin)
|
NBR
|
|
||
|
Paineanturi 0..6 bar, 0-10V, G1/4, DIN-A 80°
Tuotenumero:
A10-12824837
Kopioitu!
|
80 °C
|
6 bar
|
|
0 °C
|
14 V DC
|
|
0-10 V
|
DIN-A (175301-803)
|
NBR
|
|
||
|
Paineanturi 0..6 bar, 0-10V, G1/4, M12 80°
Tuotenumero:
A10-12797881
Kopioitu!
|
80 °C
|
6 bar
|
|
0 °C
|
14 V DC
|
|
0-10 V
|
M12 x 1 (4-pin)
|
NBR
|
|
||
|
Paineanturi 0..6 bar, 4-20mA, G1/4, DIN-A 80°
Tuotenumero:
A10-12719391
Kopioitu!
|
80 °C
|
6 bar
|
|
0 °C
|
8 V DC
|
|
4-20 mA
|
DIN-A (175301-803)
|
NBR
|
|
||
|
Paineanturi 0..6 bar, 4-20mA, G1/4, M12 80°
Tuotenumero:
A10-12966224
Kopioitu!
|
80 °C
|
6 bar
|
|
0 °C
|
8 V DC
|
|
4-20 mA
|
M12 x 1 (4-pin)
|
NBR
|
|
||
|
Paineanturi 0..10 bar, 0-10V, G1/4, DIN-A 80°
Tuotenumero:
A10-12725057
Kopioitu!
|
80 °C
|
10 bar
|
|
0 °C
|
14 V DC
|
|
0-10 V
|
DIN-A (175301-803)
|
NBR
|
|
||
|
Paineanturi 0..10 bar, 0-10V, G1/4, M12 80°
Tuotenumero:
A10-12797864
Kopioitu!
|
80 °C
|
10 bar
|
|
0 °C
|
14 V DC
|
|
0-10 V
|
M12 x 1 (4-pin)
|
NBR
|
|
||
|
Paineanturi 0..10 bar, 4-20mA, G1/4, DIN-A 80°
Tuotenumero:
A10-12719260
Kopioitu!
|
80 °C
|
10 bar
|
|
0 °C
|
8 V DC
|
|
4-20 mA
|
DIN-A (175301-803)
|
NBR
|
|
||
|
Paineanturi 0..10 bar, 4-20mA, G1/4, M12 80°
Tuotenumero:
A10-12762831
Kopioitu!
|
80 °C
|
10 bar
|
|
0 °C
|
8 V DC
|
|
4-20 mA
|
M12 x 1 (4-pin)
|
NBR
|
|
||
|
Paineanturi 0..16 bar, 0-10V, G1/4, DIN-A 80°
Tuotenumero:
A10-12784720
Kopioitu!
|
80 °C
|
16 bar
|
|
0 °C
|
14 V DC
|
|
0-10 V
|
DIN-A (175301-803)
|
NBR
|
|
||
|
Paineanturi 0..16 bar, 0-10V, G1/4, M12 80°
Tuotenumero:
A10-12797848
Kopioitu!
|
80 °C
|
16 bar
|
|
0 °C
|
14 V DC
|
|
0-10 V
|
M12 x 1 (4-pin)
|
NBR
|
|
||
|
Paineanturi 0..16 bar, 4-20mA, G1/4, DIN-A 80°
Tuotenumero:
A10-12719286
Kopioitu!
|
80 °C
|
16 bar
|
|
0 °C
|
8 V DC
|
|
4-20 mA
|
DIN-A (175301-803)
|
NBR
|
|
||
|
Paineanturi 0..16 bar, 4-20mA, G1/4, M12 80°
Tuotenumero:
A10-12777588
Kopioitu!
|
80 °C
|
16 bar
|
|
0 °C
|
8 V DC
|
|
4-20 mA
|
M12 x 1 (4-pin)
|
NBR
|
|
||
|
Paineanturi 0..25 bar, 0-10V, G1/4, DIN-A 80°
Tuotenumero:
A10-12873315
Kopioitu!
|
80 °C
|
25 bar
|
|
0 °C
|
14 V DC
|
|
0-10 V
|
DIN-A (175301-803)
|
NBR
|
|
||
|
Paineanturi 0..25 bar, 0-10V, G1/4, M12 80°
Tuotenumero:
A10-13328906
Kopioitu!
|
80 °C
|
25 bar
|
|
0 °C
|
14 V DC
|
|
0-10 V
|
M12 x 1 (4-pin)
|
NBR
|
|
||
|
Paineanturi 0..25 bar, 4-20mA, G1/4, DIN-A 80°
Tuotenumero:
A10-12719308
Kopioitu!
|
80 °C
|
25 bar
|
|
0 °C
|
8 V DC
|
|
4-20 mA
|
DIN-A (175301-803)
|
NBR
|
|
||
|
Paineanturi 0..25 bar, 4-20mA, G1/4, M12 80°
Tuotenumero:
A10-12778908
Kopioitu!
|
80 °C
|
25 bar
|
|
0 °C
|
8 V DC
|
|
4-20 mA
|
M12 x 1 (4-pin)
|
NBR
|
|
||
|
Paineanturi 0..40 bar, 0-10V, G1/4, DIN-A 80°
Tuotenumero:
A10-12910903
Kopioitu!
|
80 °C
|
40 bar
|
|
0 °C
|
14 V DC
|
|
0-10 V
|
DIN-A (175301-803)
|
NBR
|
|
||
|
Paineanturi 0..40 bar, 0-10V, G1/4, M12 80°
Tuotenumero:
A10-14002240
Kopioitu!
|
80 °C
|
40 bar
|
|
0 °C
|
14 V DC
|
|
0-10 V
|
M12 x 1 (4-pin)
|
NBR
|
|
||
|
Paineanturi 0..40 bar, 4-20mA, G1/4, DIN-A 80°
Tuotenumero:
A10-12719316
Kopioitu!
|
80 °C
|
40 bar
|
|
0 °C
|
8 V DC
|
|
4-20 mA
|
DIN-A (175301-803)
|
NBR
|
|
||
|
Paineanturi 0..40 bar, 4-20mA, G1/4, M12 80°
Tuotenumero:
A10-12762858
Kopioitu!
|
80 °C
|
40 bar
|
|
0 °C
|
8 V DC
|
|
4-20 mA
|
M12 x 1 (4-pin)
|
NBR
|
|
||
|
Paineanturi 0..60 bar, 0-10V, G1/4, DIN-A 80°
Tuotenumero:
A10-12725448
Kopioitu!
|
80 °C
|
60 bar
|
|
0 °C
|
14 V DC
|
|
0-10 V
|
DIN-A (175301-803)
|
NBR
|
|
||
|
Paineanturi 0..60 bar, 0-10V, G1/4, M12 80°
Tuotenumero:
A10-13258606
Kopioitu!
|
80 °C
|
60 bar
|
|
0 °C
|
14 V DC
|
|
0-10 V
|
M12 x 1 (4-pin)
|
NBR
|
|
||
|
Paineanturi 0..60 bar, 4-20mA, G1/4, DIN-A 80°
Tuotenumero:
A10-12719324
Kopioitu!
|
80 °C
|
60 bar
|
|
0 °C
|
8 V DC
|
|
4-20 mA
|
DIN-A (175301-803)
|
NBR
|
|
||
|
Paineanturi 0..60 bar, 4-20mA, G1/4, M12 80°
Tuotenumero:
A10-12809331
Kopioitu!
|
80 °C
|
60 bar
|
|
0 °C
|
8 V DC
|
|
4-20 mA
|
M12 x 1 (4-pin)
|
NBR
|
|
||
|
Paineanturi 0..100 bar, 0-10V, G1/4, DIN-A 80°
Tuotenumero:
A10-12850838
Kopioitu!
|
80 °C
|
100 bar
|
|
0 °C
|
14 V DC
|
|
0-10 V
|
DIN-A (175301-803)
|
NBR
|
|
||
|
Paineanturi 0..100 bar, 0-10V, G1/4, M12 80°
Tuotenumero:
A10-13099729
Kopioitu!
|
80 °C
|
100 bar
|
|
0 °C
|
14 V DC
|
|
0-10 V
|
M12 x 1 (4-pin)
|
NBR
|
|
||
|
Paineanturi 0..100 bar, 4-20mA, G1/4, DIN-A 80°
Tuotenumero:
A10-12719383
Kopioitu!
|
80 °C
|
100 bar
|
|
0 °C
|
8 V DC
|
|
4-20 mA
|
DIN-A (175301-803)
|
NBR
|
|
||
|
Paineanturi 0..100 bar, 4-20mA, G1/4, M12 80°
Tuotenumero:
A10-12890449
Kopioitu!
|
80 °C
|
100 bar
|
|
0 °C
|
8 V DC
|
|
4-20 mA
|
M12 x 1 (4-pin)
|
NBR
|
|
||
|
Paineanturi 0..160 bar, 0-10V, G1/4, DIN-A 80°
Tuotenumero:
A10-12887430
Kopioitu!
|
80 °C
|
160 bar
|
100 °C
|
0 °C
|
14 V DC
|
-30 °C
|
0-10 V
|
DIN-A (175301-803)
|
NBR
|
|
||
|
Paineanturi 0..160 bar, 0-10V, G1/4, M12 80°
Tuotenumero:
A10-14004998
Kopioitu!
|
80 °C
|
160 bar
|
|
0 °C
|
14 V DC
|
|
0-10 V
|
M12 x 1 (4-pin)
|
NBR
|
|
||
|
Paineanturi 0..160 bar, 4-20mA, G1/4, DIN-A 80°
Tuotenumero:
A10-12719375
Kopioitu!
|
80 °C
|
160 bar
|
|
0 °C
|
8 V DC
|
|
4-20 mA
|
DIN-A (175301-803)
|
NBR
|
|
||
|
Paineanturi 0..160 bar, 4-20mA, G1/4, M12 80°
Tuotenumero:
A10-13002856
Kopioitu!
|
80 °C
|
160 bar
|
|
0 °C
|
8 V DC
|
|
4-20 mA
|
M12 x 1 (4-pin)
|
NBR
|
|
||
|
Paineanturi 0..250 bar, 0-10V, G1/4, DIN-A 80°
Tuotenumero:
A10-12725111
Kopioitu!
|
80 °C
|
250 bar
|
|
0 °C
|
14 V DC
|
|
0-10 V
|
DIN-A (175301-803)
|
NBR
|
|
||
|
Paineanturi 0..250 bar, 0-10V, G1/4, M12 80°
Tuotenumero:
A10-12889726
Kopioitu!
|
80 °C
|
250 bar
|
|
0 °C
|
14 V DC
|
|
0-10 V
|
M12 x 1 (4-pin)
|
NBR
|
|
||
|
Paineanturi 0..250 bar, 4-20mA, G1/4, DIN-A 80°
Tuotenumero:
A10-12719332
Kopioitu!
|
80 °C
|
250 bar
|
|
0 °C
|
8 V DC
|
|
4-20 mA
|
DIN-A (175301-803)
|
NBR
|
|
||
|
Paineanturi 0..250 bar, 4-20mA, G1/4, M12 80°
Tuotenumero:
A10-12724859
Kopioitu!
|
80 °C
|
250 bar
|
|
0 °C
|
8 V DC
|
|
4-20 mA
|
M12 x 1 (4-pin)
|
NBR
|
|
||
|
Paineanturi 0..400 bar, 0-10V, G1/4, DIN-A 80°
Tuotenumero:
A10-12725102
Kopioitu!
|
80 °C
|
400 bar
|
|
0 °C
|
14 V DC
|
|
0-10 V
|
DIN-A (175301-803)
|
NBR
|
|
||
|
Paineanturi 0..400 bar, 0-10V, G1/4, M12 80°
Tuotenumero:
A10-12696839
Kopioitu!
|
80 °C
|
400 bar
|
|
0 °C
|
14 V DC
|
|
0-10 V
|
M12 x 1 (4-pin)
|
NBR
|
|
||
|
Paineanturi 0..400 bar, 4-20mA, G1/4, DIN-A 80°
Tuotenumero:
A10-12719341
Kopioitu!
|
80 °C
|
400 bar
|
|
0 °C
|
8 V DC
|
|
4-20 mA
|
DIN-A (175301-803)
|
NBR
|
|
||
|
Paineanturi 0..400 bar, 4-20mA, G1/4, M12 80°
Tuotenumero:
A10-12751198
Kopioitu!
|
80 °C
|
400 bar
|
|
0 °C
|
8 V DC
|
|
4-20 mA
|
M12 x 1 (4-pin)
|
NBR
|
|
||
|
Paineanturi 0..600 bar, 0-10V, G1/4, DIN-A 80°
Tuotenumero:
A10-12850781
Kopioitu!
|
80 °C
|
600 bar
|
|
0 °C
|
14 V DC
|
|
0-10 V
|
DIN-A (175301-803)
|
NBR
|
|
||
|
Paineanturi 0..600 bar, 0-10V, G1/4, M12 80°
Tuotenumero:
A10-12812880
Kopioitu!
|
80 °C
|
600 bar
|
|
0 °C
|
14 V DC
|
|
0-10 V
|
M12 x 1 (4-pin)
|
NBR
|
|
||
|
Paineanturi 0..600 bar, 4-20mA, G1/4, DIN-A 80°
Tuotenumero:
A10-12719367
Kopioitu!
|
80 °C
|
600 bar
|
100 °C
|
0 °C
|
8 V DC
|
-30 °C
|
4-20 mA
|
DIN-A (175301-803)
|
NBR
|
|
||
|
Paineanturi 0..600 bar, 4-20mA, G1/4, M12 80°
Tuotenumero:
A10-12786943
Kopioitu!
|
80 °C
|
600 bar
|
|
0 °C
|
8 V DC
|
|
4-20 mA
|
M12 x 1 (4-pin)
|
NBR
|
|
||
|
Paineanturi 0..1000 bar, 0-10V, G1/4, DIN-A 80°
Tuotenumero:
A10-14059245
Kopioitu!
|
0 °C
|
1000 bar
|
|
80 °C
|
14 V DC
|
|
0-10 V
|
DIN-A (175301-803)
|
NBR
|
|
||
|
Paineanturi 0..1000 bar, 4-20mA, G1/4, DIN-A 80°
Tuotenumero:
A10-45702091
Kopioitu!
|
80 °C
|
1000 bar
|
|
0 °C
|
8 V DC
|
|
4-20 mA
|
DIN-A (175301-803)
|
NBR
|
|
||
|
Paineanturi 0..1000 bar, 4-20mA, G1/4, M12 80°
Tuotenumero:
A10-45711994
Kopioitu!
|
80 °C
|
1000 bar
|
|
0 °C
|
8 V DC
|
|
4-20 mA
|
M12 x 1 (4-pin)
|
NBR
|
|
Valitse tuote listalta.