| Ilman paine-ero maksimi | 10 bar |
|---|---|
| IP-luokka | IP65 |
| Istukan tiivisteen materiaali | FPM |
| Jousen materiaali | Ruostumaton teräs |
| Jännite AC | 230 V |
| Kelan materiaali | Epoksi |
| Kv arvo | 0,45 |
| Liitäntä, portti 1-2 | G1/4 |
| Liitäntä, portti 3 | G1/4 |
| Liukuputken materiaali | PTFE |
| Läpikulku | 5,7 mm |
| Max. aineen lämpötila | 120 °C |
| Max. käyttölämpötila | 55 °C |
| Max. virtaus | 7,5 l/min |
| Max. viskositeetti | 65 cSt |
| Min. aineen lämpötila | -20 °C |
|---|---|
| Min. käyttölämpötila | -40 °C |
| Männän materiaali | Ruostumaton teräs |
| Paine-ero maksimi | 10 bar |
| Paine-ero minimi | 0 bar |
| Paino | 0,95 kg |
| Rungon materiaali | Messinki |
| Tehonkulutus | 10 W |
| Tiivisteen materiaali | FPM |
| Toiminta 1 | 3/2 |
| Toiminta 2 | Universaali |
| Vasteaika | 100 ms |
| Veden paine-ero maksimi | 10 bar |
| Venttiilin malli | Solenoidiventtiili |
327-sarja on suuren virtauksen suoratoiminen Poppet-typpinen venttiili. Saatavilla ATEX ja SIL hyväksynnöillä.
Huoltoseisokkien lähestyessä on oikea hetki suunnata katse järjestelmäsi pulssiventtiileihin. Huollon yhteydessä on hyvä varmistaa, että pulssiventtiilit toimivat luotettavasti ja tehokkaasti.
Aventics on julkaissut uuden XV-magneettiventtiiterminaalin koneenrakentajille. Venttiiliterminaalin moderni venttiilitekniikka tehostaa paineilman käyttöä ja optimoi pneumaattisten järjestelmien suorituskykyä.
Kaapeleiden valmistuksessa on olemassa useampia erilaisia tapoja jolla jolla johtimet kierretään. Datakaapeleiden valmistuksessa käytetään kolme erilaista tapaa : kerroksittain kierretyt johtimet, parikierretyt johtimet (twisted pair) sekä nelikierre (star-quad).
Olemme mukana Pohjoinen Teollisuus -messuilla! Tule juttelemaan ja tutustumaan uutuuksiin osastolle 849!
Tutustu koneturvallisuuden keskeisiin komponentteihin, kuten turva-aitoihin, valoverhoihin ja turvalaserskannereihin. Löydä oikeat ratkaisut meiltä!
Mikä oikeastaan on servo- ja moottorikaapelin välinen ero? Voiko servokaapelia käyttää tavallisen kolmivaihemoottorin liittämiseen?
|
|
|
|
|
|
||
|---|---|---|---|---|---|---|
|
|
|
|
|
|
||
|
|
|
|
|
|
||
|
|
|
|
|
|
||
|
|
|
|
|
|
||
|
|
|
|
|
|
||
|
|
|
|
|
|
| Suosikit | Tilausnumero: | Istukan tiivisteen materiaali | Jännite AC | Jännite DC | Kv arvo | Liitäntä, portti 1-2 | Liitäntä, portti 3 | Läpikulku | Max. aineen lämpötila | Max. käyttölämpötila | Max. virtaus | Min. aineen lämpötila | Paine-ero maksimi | Paino | Rungon materiaali | Tehonkulutus | Tiivisteen materiaali | Veden paine-ero maksimi | Hinta | |
|---|---|---|---|---|---|---|---|---|---|---|---|---|---|---|---|---|---|---|---|---|
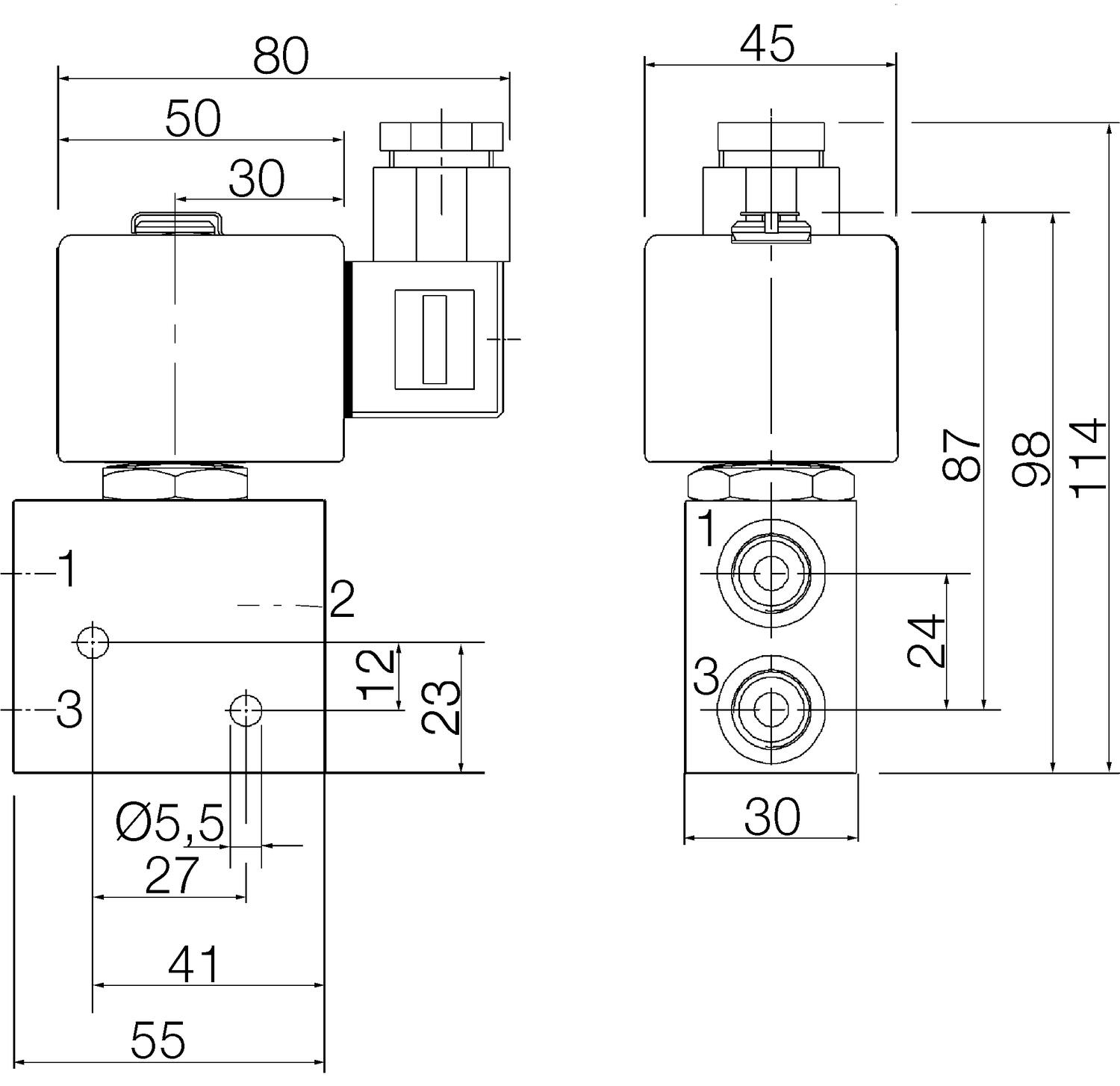
Magneettiventtiili 3/2 U 1/4", 230VAC 50Hz 10W, Ø5,7mm, messinkiä FPM
Tuotenumero:
SCG327B001
Kopioitu!
|
FPM
|
230 V
|
|
0,45
|
G1/4
|
G1/4
|
5,7 mm
|
120 °C
|
55 °C
|
7,5 l/min
|
-20 °C
|
10 bar
|
0,95 kg
|
Messinki
|
10 W
|
FPM
|
10 bar
|
|
||
Magneettiventtiili 3/2 U 1/4", 24VDC 11,2W, Ø5,7mm, messinkiä FPM
Tuotenumero:
SCG327B001S3
Kopioitu!
|
FPM
|
|
24 V
|
0,45
|
G1/4
|
G1/4
|
5,7 mm
|
120 °C
|
55 °C
|
7,5 l/min
|
-20 °C
|
10 bar
|
0,95 kg
|
Messinki
|
11,2 W
|
FPM
|
10 bar
|
|
||
Magneettiventtiili 3/2 U 1/4", 230VAC 50Hz 10W, Ø5,7mm, rosteria FPM
Tuotenumero:
SCG327B002
Kopioitu!
|
FPM
|
230 V
|
|
0,45
|
G1/4
|
G1/4
|
5,7 mm
|
120 °C
|
55 °C
|
7,5 l/min
|
-20 °C
|
10 bar
|
0,95 kg
|
Ruostumaton teräs 316L
|
10 W
|
FPM
|
10 bar
|
|
||
Magneettiventtiili 3/2 U 1/2", 230VAC 50Hz 10W, Ø12mm, messinkiä FPM
Tuotenumero:
SCG327A609
Kopioitu!
|
FPM
|
230 V
|
|
1,5
|
G1/2"
|
G1/2"
|
12 mm
|
90 °C
|
90 °C
|
25 l/min
|
-10 °C
|
|
1,6 kg
|
Messinki
|
14,1 W
|
FPM
|
|
|
||
Magneettiventtiili 3/2 U 1/4", 24VDC 14W, Ø12mm, messinkiä FPM
Tuotenumero:
SCG327A609S3
Kopioitu!
|
FPM
|
|
24 V
|
1,5
|
G1/2"
|
G1/2"
|
12 mm
|
90 °C
|
90 °C
|
25 l/min
|
-10 °C
|
|
1,6 kg
|
Messinki
|
14 W
|
FPM
|
|
|
||
Magneettiventtiili 3/2 U 1/2", 230VAC 50Hz 10W, Ø12mm, rosteria FPM
Tuotenumero:
SCG327A610
Kopioitu!
|
FPM
|
230 V
|
|
1,5
|
G1/2"
|
G1/2"
|
12 mm
|
90 °C
|
90 °C
|
25 l/min
|
-10 °C
|
|
1,6 kg
|
Ruostumaton teräs 316L
|
14,1 W
|
FPM
|
|
|
||
Magneettiventtiili 3/2 U 1/2", 24VDC 14W, Ø12mm, rosteria FPM
Tuotenumero:
SCG327A610S3
Kopioitu!
|
FPM
|
|
24 V
|
1,5
|
G1/2"
|
G1/2"
|
12 mm
|
90 °C
|
90 °C
|
25 l/min
|
-10 °C
|
|
1,6 kg
|
Ruostumaton teräs 316L
|
14 W
|
FPM
|
|
|
||
Magneettiventtiili 3/2 U 1/4", 230VAC 50Hz 10W, Ø12mm, messinkiä FPM
Tuotenumero:
SCG327A647
Kopioitu!
|
NBR
|
230 V
|
|
1,5
|
G1/4
|
G1/4
|
12 mm
|
60 °C
|
60 °C
|
25 l/min
|
-25 °C
|
10 bar
|
1,6 kg
|
Messinki
|
10 W
|
NBR
|
|
|
||
Magneettiventtiili 3/2 U 1/4", 24VDC 10W, Ø12mm, messinkiä FPM
Tuotenumero:
SCG327A647S3
Kopioitu!
|
NBR
|
|
24 V
|
1,5
|
G1/4
|
G1/4
|
12 mm
|
60 °C
|
60 °C
|
25 l/min
|
-25 °C
|
10 bar
|
1,6 kg
|
Messinki
|
10 W
|
NBR
|
|
|
||
Magneettiventtiili 3/2 U 1/4", 230VAC 50Hz 10W, Ø12mm, rosteria FPM
Tuotenumero:
SCG327A648
Kopioitu!
|
NBR
|
230 V
|
|
1,5
|
G1/4
|
G1/4
|
12 mm
|
60 °C
|
60 °C
|
25 l/min
|
-25 °C
|
10 bar
|
1,6 kg
|
Ruostumaton teräs 316L
|
10 W
|
NBR
|
|
|
||
Magneettiventtiili 3/2 U 1/4", 24VDC 10W, Ø12mm, rosteria FPM
Tuotenumero:
SCG327A648S3
Kopioitu!
|
NBR
|
|
24 V
|
1,5
|
G1/4
|
G1/4
|
12 mm
|
60 °C
|
60 °C
|
25 l/min
|
-25 °C
|
10 bar
|
1,6 kg
|
Ruostumaton teräs 316L
|
10 W
|
NBR
|
|
|
||
Magneettiventtiili 3/2 U 1/2", 230VAC 50Hz 10W, Ø12mm, messinkiä FPM
Tuotenumero:
SCG327A607
Kopioitu!
|
NBR
|
230 V
|
|
1,5
|
G1/2"
|
G1/2"
|
12 mm
|
60 °C
|
60 °C
|
25 l/min
|
-25 °C
|
|
1,6 kg
|
Messinki
|
10 W
|
NBR
|
|
|
||
Magneettiventtiili 3/2 U 1/2", 24VDC 10W, Ø12mm, messinkiä FPM
Tuotenumero:
SCG327A607S3
Kopioitu!
|
NBR
|
|
24 V
|
1,5
|
G1/2"
|
G1/2"
|
12 mm
|
60 °C
|
60 °C
|
25 l/min
|
-25 °C
|
|
1,6 kg
|
Messinki
|
10 W
|
NBR
|
|
|
||
Magneettiventtiili 3/2 U 1/2", 230VAC 50Hz 10W, Ø12mm, rosteria FPM
Tuotenumero:
SCG327A608
Kopioitu!
|
NBR
|
230 V
|
|
1,5
|
G1/2"
|
G1/2"
|
12 mm
|
60 °C
|
60 °C
|
25 l/min
|
-25 °C
|
|
1,6 kg
|
Ruostumaton teräs 316L
|
10 W
|
NBR
|
|
|
||
Magneettiventtiili 3/2 U 1/2", 24VDC 10W, Ø12mm, rosteria FPM
Tuotenumero:
SCG327A608S3
Kopioitu!
|
NBR
|
|
24 V
|
1,5
|
G1/2"
|
G1/2"
|
12 mm
|
60 °C
|
60 °C
|
25 l/min
|
-25 °C
|
|
1,6 kg
|
Ruostumaton teräs 316L
|
10 W
|
NBR
|
|
|
Valitse tuote listalta.