| Herkkyys | <1% |
|---|---|
| Ilman paine-ero maksimi | 8 bar |
| IP-luokka | IP65 |
| Istukan materiaali | Messinki |
| Istukan tiivisteen materiaali | FPM |
| Jousen materiaali | Ruostumaton teräs |
| Jännite DC | 24 V |
| Kelan materiaali | Epoksi |
| Kv arvo | 0,05 |
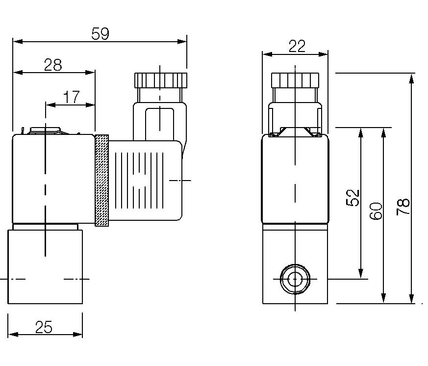
| Liitäntä | 1/8" BSP |
| Liukuputken materiaali | PTFE |
| Läpikulku | 1,2 mm |
| Max. aineen lämpötila | 50 °C |
| Max. käyttölämpötila | 40 °C |
| Max. paine | 35 bar |
| Max. virtaus | 0,7 l/min |
|---|---|
| Max. viskositeetti | 50 cSt |
| Min. aineen lämpötila | 0 °C |
| Min. käyttölämpötila | 0 °C |
| Männän materiaali | Ruostumaton teräs |
| Paine-ero maksimi alipaine | 1 bar |
| Paine-ero minimi | 0 bar |
| Paino | 0,2 kg |
| Rungon materiaali | Ruostumaton teräs 303 |
| Tehonkulutus | 6,3 W |
| Toiminta 1 | 2/2 |
| Toiminta 2 | Normaalisti kiinni |
| Veden paine-ero maksimi | 5 bar |
| Öljyn paine-ero maksimi | 5 bar |
ASCO 202 Posiflow magneettiventtiilit on suunniteltu proportionaaliseen virtauksen säätöön ilmalle ja neutraaleille kaasuille. Venttiilin suuri virtausaukkokoko tekee tästä venttiilistä erittäin monipuolisesti käytettävän venttiilin usean biotieteen sovelluksiin kuten hengityshoito, kaasukromatografia, verenpaineen seuranta ja anestesiaannostelulaitteet.
Posiflow-venttiilien kompakti, kitkaton rakenne on tilaa säästävä ja joka on tärkeä ominaisuus erityisesti analyyttisissa ja lääketieteellisissä instrumenteissa.
Huoltoseisokkien lähestyessä on oikea hetki suunnata katse järjestelmäsi pulssiventtiileihin. Huollon yhteydessä on hyvä varmistaa, että pulssiventtiilit toimivat luotettavasti ja tehokkaasti.
Aventics on julkaissut uuden XV-magneettiventtiiterminaalin koneenrakentajille. Venttiiliterminaalin moderni venttiilitekniikka tehostaa paineilman käyttöä ja optimoi pneumaattisten järjestelmien suorituskykyä.
Olemme laajentaneet tuotevalikoimaamme ja aloittaneet yhteistyön NTF Aalborg A/S:n kanssa. Lue lisää!
Turun Eläinsuojeluyhdistys auttaa Turun sekä lähialueiden kodittomia lemmikkejä sekä luonnonvaraisia eläimiä.
Teollisuusympäristöissä tapahtuvat räjähdykset voivat aiheuttaa vakavia vahinkoja sekä ihmisille että omaisuudelle. ATEX varmistaa, että sekä laitteet että työprosessit on suunniteltu minimoimaan nämä riskit ja luomaan turvallinen työympäristö.
Yli 70 vuoden kokemuksellaan Akapp-Stemmann (Wabtec Netherlands) on yksi maailman tunnetuimmista virtakiskostojen valmistajista.
|
|
|
|
|
|
||
|---|---|---|---|---|---|---|
|
|
|
|
|
|
||
|
|
|
|
|
|
||
|
|
|
|
|
|
||
|
|
|
|
|
|
||
|
|
|
|
|
|
||
|
|
|
|
|
|
| Suosikit | Tilausnumero: | Ilman paine-ero maksimi | Istukan materiaali | Kv arvo | Läpikulku | Max. virtaus | Rungon materiaali | Veden paine-ero maksimi | Öljyn paine-ero maksimi | Hinta | |
|---|---|---|---|---|---|---|---|---|---|---|---|
|
Proportionaalinen venttiili virtauksen hallintaan. 2/2 NC 1/8, Ø1,2, 24V DC
Tuotenumero:
SCG202A201VS3
Kopioitu!
|
8 bar
|
Messinki
|
0,05
|
1,2 mm
|
0,7 l/min
|
Messinki
|
5 bar
|
5 bar
|
| ||
|
Proportionaalinen venttiili virtauksen hallintaan. 2/2 NC 1/8, Ø1,6, 24V DC
Tuotenumero:
SCG202A202VS3
Kopioitu!
|
8 bar
|
Messinki
|
0,07
|
1,6 mm
|
1,1 l/min
|
Messinki
|
4 bar
|
4 bar
|
| ||
|
Proportionaalinen venttiili virtauksen hallintaan. 2/2 NC 1/8, Ø2,4, 24V DC
Tuotenumero:
SCG202A203VS3
Kopioitu!
|
4 bar
|
Messinki
|
0,13
|
2,4 mm
|
2,2 l/min
|
Messinki
|
3 bar
|
3 bar
|
| ||
|
Proportionaalinen venttiili virtauksen hallintaan. 2/2 NC 1/8, Ø3,2, 24V DC
Tuotenumero:
SCG202A204VS3
Kopioitu!
|
2,5 bar
|
Messinki
|
0,18
|
3,2 mm
|
2,9 l/min
|
Messinki
|
2,5 bar
|
2,5 bar
|
| ||
|
Proportionaalinen venttiili virtauksen hallintaan. 2/2 NC 1/8, Ø1,2, 24V DC, s.s.
Tuotenumero:
SCG202A205VS3
Kopioitu!
|
8 bar
|
Messinki
|
0,05
|
1,2 mm
|
0,7 l/min
|
Ruostumaton teräs 303
|
5 bar
|
5 bar
|
| ||
|
Proportionaalinen venttiili virtauksen hallintaan. 2/2 NC 1/8, Ø1,6, 24V DC, s.s.
Tuotenumero:
SCG202A206VS3
Kopioitu!
|
8 bar
|
Ruostumaton teräs
|
0,07
|
1,6 mm
|
1,1 l/min
|
Ruostumaton teräs 303
|
4 bar
|
4 bar
|
| ||
|
Proportionaalinen venttiili virtauksen hallintaan. 2/2 NC 1/8, Ø2,4, 24V DC, s.s.
Tuotenumero:
SCG202A207VS3
Kopioitu!
|
4 bar
|
Ruostumaton teräs
|
0,13
|
2,4 mm
|
2,2 l/min
|
Ruostumaton teräs 303
|
3 bar
|
3 bar
|
| ||
|
Proportionaalinen venttiili virtauksen hallintaan. 2/2 NC 1/8, Ø3,2, 24V DC, s.s.
Tuotenumero:
SCG202A208VS3
Kopioitu!
|
2,5 bar
|
Ruostumaton teräs
|
0,18
|
3,2 mm
|
2,9 l/min
|
Ruostumaton teräs 303
|
2,5 bar
|
2,5 bar
|
|
Valitse tuote listalta.
Thomas Weckström