SENSECA

Virtausanturi öljylle

VHS-sarja

Ruuvitoiminen virtausanturi öljylle. Sopii suurille virtausmäärille tai aineen korkealle viskositeettille.
  • Aineille, joilla korkea viskositeetti, max. 40 000 cSt
  • Virtausalue jopa 2500 l/min
  • Paineenkesto jopa 350 bar
  • Kompakti koko

Valitse tuote

Valitse tuote

Valitse tuote

Tekniset tiedot

IP-luokka IP67
Liittimen materiaali Alumiini
Max. aineen lämpötila 80 °C
Max. jännite DC 30 V
Max. paine 160 bar
Max. virtaus 200 l/min
Max. virtausalue 140 l/min
Max. viskositeetti 40000 cSt
Min. aineen lämpötila -25 °C
Min. jännite DC 10 V
Min. virtausalue 1,4 l/min
Paino 3,44 kg
Toistotarkkuus 0,25 %
Virrankulutus 19 mA

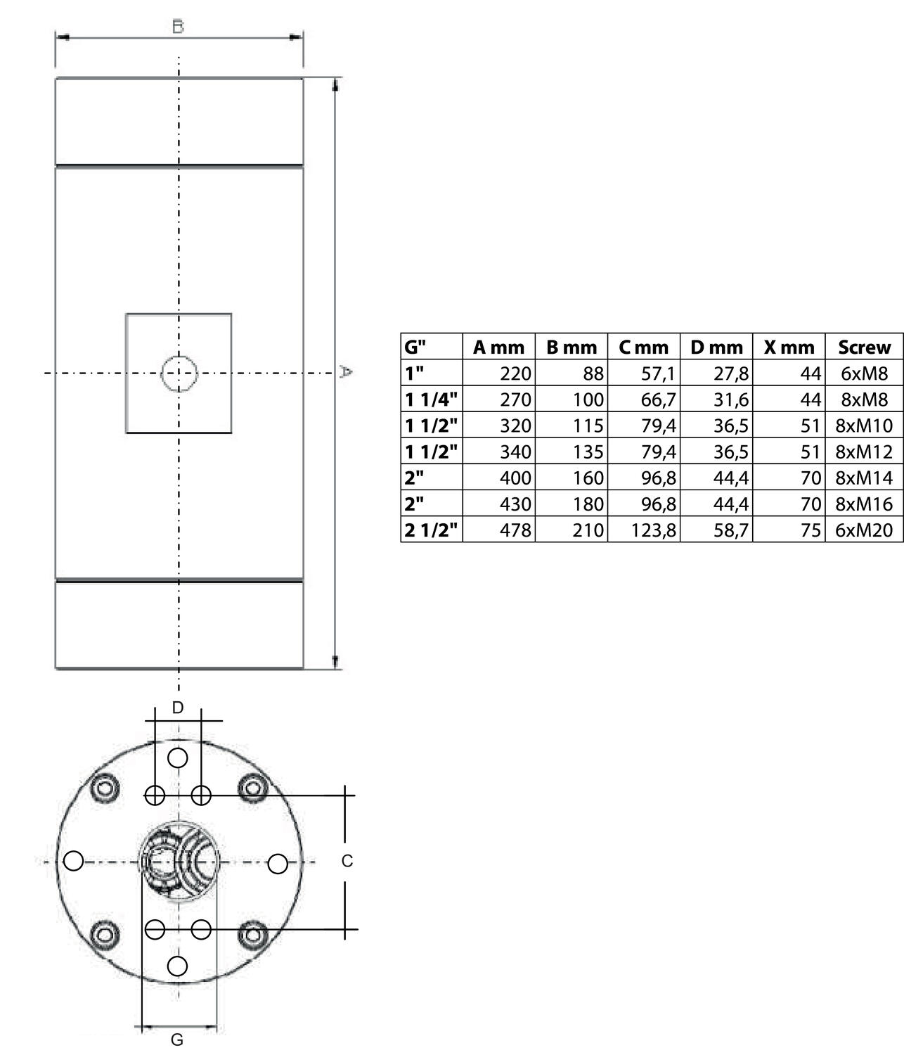
Mitat ja kytkennät

Tuotekuvaus

Honsberg VHS on ruuvitoiminen virtausanturi öljylle. Suuri virtausmäärä tai aineen korkea viskositeetti ei haittaa laitteen toimintaa. Anturin voi asentaa paikoilleen mihin asentoon tahansa eikä myöskään virtaussuunnalla on merkitystä anturin toimintaan. Ainutlaatuinen ominaisuus on myös siinä että anturiosan voi irrottaa rungosta kesken prosessia vaikka järjestelmä on paineistettu. Huoltaminen on turvallista. Anturin saa erilaisillla kiinnitystavoilla ja lähdöillä.  

Erikoismallit

  • PNP/NPN taajuuslähtö
  • Ruostumattomalla SAE laipalla varustettu malli, paineenkesto jopa 350 bar
  • Lämpötilan kesto jopa 150 °C
  • Yhdistelmä Flex- tai Omni-näytöllä tai erikoismalli OMNI-VHS vaativiin olosuhteisiin

 

Virtausanturi öljylle

Virtausanturi öljylle

Virtausanturi öljylle

Virtausanturi öljylle

VHS PNP/NPN lähdöllä

FLEX-VHS

OMNI-VHS

OMNI-VHS vaativiin olosuhteisiin

 

Tarvikkeet



Äänitiedostot

Lisää luettavaa

Suosikit Tilausnumero: Max. virtaus Max. virtausalue Min. virtausalue Paino Hinta
200 l/min
140 l/min
1,4 l/min
3,44 kg
500 l/min
350 l/min
3,5 l/min
6,35 kg
1200 l/min
800 l/min
8 l/min
14,2 kg
2200 l/min
1500 l/min
15 l/min
25 kg
3800 l/min
2500 l/min
25 l/min
42,7 kg
200 l/min
140 l/min
1,4 l/min
3,44 kg
500 l/min
350 l/min
3,5 l/min
6,35 kg
1200 l/min
800 l/min
8 l/min
14,2 kg
2200 l/min
1500 l/min
15 l/min
25 kg
3800 l/min
2500 l/min
25 l/min
42,7 kg

Valittu tuote

Valitse tuote listalta.

Teknisiä neuvoja

Rami Raekangas

Tuotepäällikkö

Asiakaspalvelu
Asiakaspalvelumme vastaa kysymyksiin ja etsii ratkaisut ongelmiin. Heille voit jättää myös tilauksesi.
FAQ
+ Miten tullaan asiakkaaksenne?
+ Olen sopinut puskurivarastosta, voinko tilata verkkokaupan kautta?
+ Voiko samalla tilillä olla useita käyttäjiä?
+ Voiko samassa tilauksessa olla useampia toimituspäiviä?
+ Voiko tilauksen toimittaa väliaikaiseen toimitusosoitteeseen?
Chatti
Tarvitsetko apua?
Logo

Evästeet oem.fi sivustolla

Evästeiden avulla voimme palvella sinua paremmin ja varmistamme sivuston sujuvan toiminnan. Voit hallinnoida evästeasetuksia koska tahansa.

Toiminnalliset evästeet

Nämä evästeet ovat välttämättömiä verkkosivuston toimimiseksi, eikä niitä voi poistaa käytöstä järjestelmissämme. Niitä käytetään yleensä vain vastauksena toimiin, jotka olet tehnyt palvelupyynnön yhteydessä, esimerkiksi henkilökohtaisten asetusten määrittämisen, kirjautumisen tai lomakkeen täyttämisen yhteydessä.

Tilastolliset evästeet

Tilastollisten evästeiden avulla seuraamme verkkosivustomme kävijöiden toimintaa ja teemme analyyseja, joiden avulla voimme optimoida verkkosivustoamme. Tämä tarkoittaa, että voimme kehittää sivustoamme toimivammaksi ja palvelemaan kävijöitä paremmin. Jos et hyväksy näitä evästeitä, emme tiedä, milloin olet käynyt sivustollamme. Voit kuitenkin käyttää sivustoamme normaalisti.

Markkinointievästeet

Markkinointievästeiden avulla voimme kohdentaa sinulle mainoksia eri verkkosivustoilla tai sisältöä sosiaalisessa mediassa. Näitä evästeitä asettavat kolmannen osapuolen mainonta- ja kohdistustyökalut. Evästeiden kautta nämä toimijat voivat muodostaa profiilin kiinnostuksesi kohteista. Jos et hyväksy näitä evästeitä, et näe kohdennettua markkinointia etkä mahdollisesti voi käyttää sosiaalisen median jakotyökaluja.