HYDRA-CELL

Hydra-Cell kalvopumput P500

Annostelupumppu

Ainutlaatuinen monikalvorakenne lineaariselle ja pulssittomalle virtaukselle.
  • Virtaus 7 - 1600 l/h
  • Paine max. 172 bar
  • Metallirakenne
  • Tiivisteetön rakenne

Valitse tuote

Valitse tuote

Valitse tuote

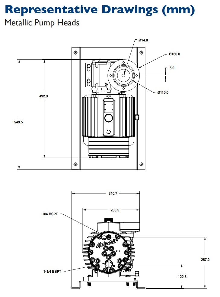
Tekniset tiedot

1098_Particle size (mm) Max. 0,5mm
Akselimitta Ontto akseli 28 mm
Hydrauliöljyn määrä 2,1 l
Jousipidikkeen materiaali Hastelloy C
Kalvon materiaali FKM
Liitännän sisääntulo BSPT 1 1/4"
Liitännän ulostulo BSPT 3/4"
Max. järjestelmän paine 34 bar
Max. käyttölämpötila 120 °C
Max. paine 172 bar
Max. virtaus 402 l/h
Max. viskositeetti 1500 cP
Paino 88,5 kg
Pohjalevyn materiaali Epoksi-lakattua terästä
Pumpun materiaali SS 316L
Pyörimissuunta Valinnainen
Venttiilien materiaali Nitronic 50
Venttiilin istukan materiaali SS 316L
Venttiilin jousen materiaali Elgiloy
Välityssuhde 10:1 - IEC 112-B14

Tuotekuvaus

Hydra-Cell Metering Solutions P500 -pumpuissa käytetään viittä kalvoa yhdessä pumppupäässä. Tämän ainutlaatuisen rakenteen ansiosta Hydra-Cell tuottaa käytännössä "pulssittoman" virtauksen ilman että, on tarvetta käyttää kalliita pulsaationvaimentimia.

Tarvikkeet

Saatat olla kiinnostunut näistä



Äänitiedostot

Lisää luettavaa

Suosikit Tilausnumero: Akselimitta Max. virtaus Välityssuhde Hinta
Ontto akseli 19 mm
267 l/h
15:1 - IEC 80-B5
Ontto akseli 28 mm
402 l/h
10:1 - IEC 112-B14

Valittu tuote

Valitse tuote listalta.

Teknisiä neuvoja

Jonne Kaarela

Tuotepäällikkö

Asiakaspalvelu
Asiakaspalvelumme vastaa kysymyksiin ja etsii ratkaisut ongelmiin. Heille voit jättää myös tilauksesi.
FAQ
+ Miten tullaan asiakkaaksenne?
+ Olen sopinut puskurivarastosta, voinko tilata verkkokaupan kautta?
+ Voiko samalla tilillä olla useita käyttäjiä?
+ Voiko samassa tilauksessa olla useampia toimituspäiviä?
+ Voiko tilauksen toimittaa väliaikaiseen toimitusosoitteeseen?
Chatti
Tarvitsetko apua?
Logo

Evästeet oem.fi sivustolla

Evästeiden avulla voimme palvella sinua paremmin ja varmistamme sivuston sujuvan toiminnan. Voit hallinnoida evästeasetuksia koska tahansa.

Toiminnalliset evästeet

Nämä evästeet ovat välttämättömiä verkkosivuston toimimiseksi, eikä niitä voi poistaa käytöstä järjestelmissämme. Niitä käytetään yleensä vain vastauksena toimiin, jotka olet tehnyt palvelupyynnön yhteydessä, esimerkiksi henkilökohtaisten asetusten määrittämisen, kirjautumisen tai lomakkeen täyttämisen yhteydessä.

Tilastolliset evästeet

Tilastollisten evästeiden avulla seuraamme verkkosivustomme kävijöiden toimintaa ja teemme analyyseja, joiden avulla voimme optimoida verkkosivustoamme. Tämä tarkoittaa, että voimme kehittää sivustoamme toimivammaksi ja palvelemaan kävijöitä paremmin. Jos et hyväksy näitä evästeitä, emme tiedä, milloin olet käynyt sivustollamme. Voit kuitenkin käyttää sivustoamme normaalisti.

Markkinointievästeet

Markkinointievästeiden avulla voimme kohdentaa sinulle mainoksia eri verkkosivustoilla tai sisältöä sosiaalisessa mediassa. Näitä evästeitä asettavat kolmannen osapuolen mainonta- ja kohdistustyökalut. Evästeiden kautta nämä toimijat voivat muodostaa profiilin kiinnostuksesi kohteista. Jos et hyväksy näitä evästeitä, et näe kohdennettua markkinointia etkä mahdollisesti voi käyttää sosiaalisen median jakotyökaluja.