HYDRA-CELL

Hydra-Cell kalvopumput P600

Annostelupumppu

Ainutlaatuinen monikalvorakenne lineaariselle ja pulssittomalle virtaukselle.
  • Virtaus 15 - 3300 l/h
  • Paine max. 70 bar
  • Muovi- ja metallirakenne
  • Tiivisteetön rakenne

Valitse tuote

Hydra-Cell kalvopumput P600 annostelupumppu

Kalvopumppu P600

Tuotenumero:

Valitse tuote

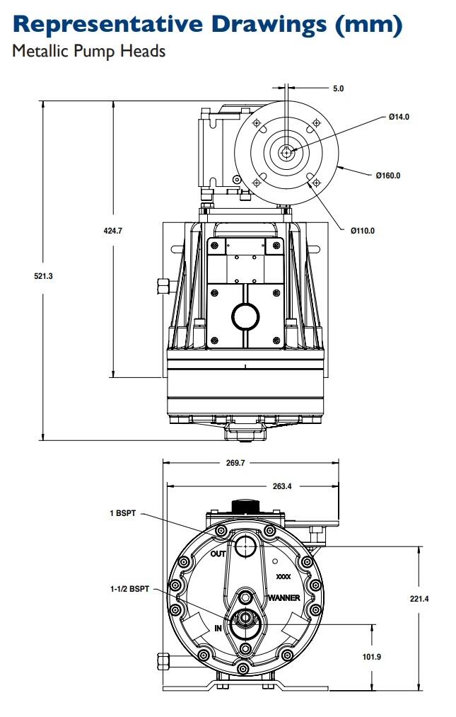
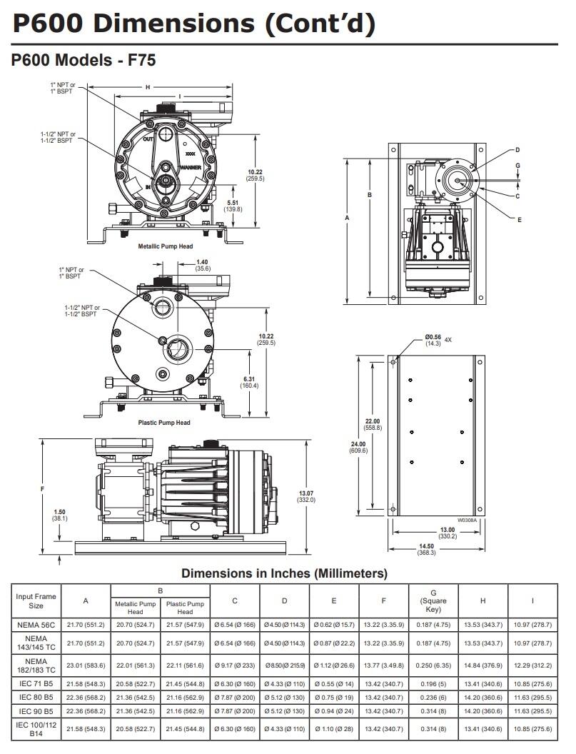
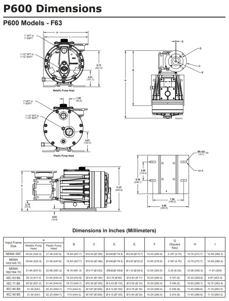
Tekniset tiedot

1098_Particle size (mm) Max. 0,8mm
Akselimitta Ontto akseli 19 mm
Hydrauliöljyn määrä 3,1 l
Jousipidikkeen materiaali Hastelloy C
Kalvon materiaali EPDM
Liitännän sisääntulo BSPT 1 1/2"
Liitännän ulostulo BSPT 1"
Max. järjestelmän paine 17 bar
Max. käyttölämpötila 120 °C
Max. paine 69 bar
Max. virtaus 1120 l/h
Max. viskositeetti 4000 cP
Paino 66 kg
Pohjalevyn materiaali Epoksi-lakattua terästä
Pumpun materiaali SS 316L
Pyörimissuunta Valinnainen
Venttiilien materiaali Hastelloy C
Venttiilin istukan materiaali Hastelloy C
Venttiilin jousen materiaali Hastelloy C
Välityssuhde 7,5:1 - IEC 80-B5

Tuotekuvaus

Hydra-Cell Metering Solutions P600 -pumpuissa käytetään kolmea kalvoa yhdessä pumppupäässä. Tämän ainutlaatuisen rakenteen ansiosta Hydra-Cell tuottaa käytännössä "pulssittoman" virtauksen ilman että, on tarvetta käyttää kalliita pulsaationvaimentimia.

Tarvikkeet

Saatat olla kiinnostunut näistä



Äänitiedostot

Lisää luettavaa

Teknisiä neuvoja

Jonne Kaarela

Tuotepäällikkö

Asiakaspalvelu
Asiakaspalvelumme vastaa kysymyksiin ja etsii ratkaisut ongelmiin. Heille voit jättää myös tilauksesi.
FAQ
+ Miten tullaan asiakkaaksenne?
+ Olen sopinut puskurivarastosta, voinko tilata verkkokaupan kautta?
+ Voiko samalla tilillä olla useita käyttäjiä?
+ Voiko samassa tilauksessa olla useampia toimituspäiviä?
+ Voiko tilauksen toimittaa väliaikaiseen toimitusosoitteeseen?
Chatti
Tarvitsetko apua?
Logo

Evästeet oem.fi sivustolla

Evästeiden avulla voimme palvella sinua paremmin ja varmistamme sivuston sujuvan toiminnan. Voit hallinnoida evästeasetuksia koska tahansa.

Toiminnalliset evästeet

Nämä evästeet ovat välttämättömiä verkkosivuston toimimiseksi, eikä niitä voi poistaa käytöstä järjestelmissämme. Niitä käytetään yleensä vain vastauksena toimiin, jotka olet tehnyt palvelupyynnön yhteydessä, esimerkiksi henkilökohtaisten asetusten määrittämisen, kirjautumisen tai lomakkeen täyttämisen yhteydessä.

Tilastolliset evästeet

Tilastollisten evästeiden avulla seuraamme verkkosivustomme kävijöiden toimintaa ja teemme analyyseja, joiden avulla voimme optimoida verkkosivustoamme. Tämä tarkoittaa, että voimme kehittää sivustoamme toimivammaksi ja palvelemaan kävijöitä paremmin. Jos et hyväksy näitä evästeitä, emme tiedä, milloin olet käynyt sivustollamme. Voit kuitenkin käyttää sivustoamme normaalisti.

Markkinointievästeet

Markkinointievästeiden avulla voimme kohdentaa sinulle mainoksia eri verkkosivustoilla tai sisältöä sosiaalisessa mediassa. Näitä evästeitä asettavat kolmannen osapuolen mainonta- ja kohdistustyökalut. Evästeiden kautta nämä toimijat voivat muodostaa profiilin kiinnostuksesi kohteista. Jos et hyväksy näitä evästeitä, et näe kohdennettua markkinointia etkä mahdollisesti voi käyttää sosiaalisen median jakotyökaluja.