MARCO

UP/E 12/24 VDC -sarja

Tiivisteellinen hammaspyöräpumppu

Hammaspyöräpumppu on tarkoitettu pumpattaville aineille, joiden viskositeetti on max. 20 cst.
  • Max. 40 l/min, max. 5 bar
  • Soveltuvat erityisesti automaattisiin juomavesijärjestelmiin
  • Sisäänrakennettu takaiskuventtiili ja elektroninen paineensäätö
  • Kompakti, itseimevä pumppu pulsaatiovapaalla virtauksella

Valitse tuote

Valitse tuote

Valitse tuote

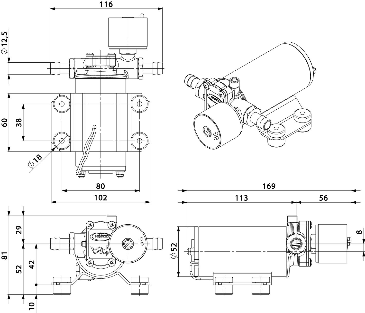
Tekniset tiedot

Akselin materiaali SS 316
Akselitiiviste materiaali FKM
IP-luokka IP67
Jännite 12-24 V DC
Liitäntä Letkuliitäntä 12 mm, BSPP 3/8"
Max. aineen lämpötila 40 °C
Max. imukorkeus 1,5 m
Max. paine 2 bar
Max. virtaus 12 l/min
Max. ympäristön lämpötila 60 °C
Min. aineen lämpötila 0 °C
Min. ympäristön lämpötila -10 °C
Moottorityyppi 90 W
O-renkaan materiaali NBR
Paino 1,3 kg
Pumpun koko UP2/E
Pumpun materiaali Nikkelöity messinki
Vaihdepyörän materiaali PTFE
Virrankulutus 3 A
Viskositeetti 20 cSt

Tuotekuvaus

Marcon UP/E-hammaspyöräpumppu on tarkoitettu pumpattaville aineille, joiden viskositeetti on max. 20 cst. Pumppu soveltuu esimerkiksi veneiden ja kesämökkien automaattisiin juomavesijärjestelmiin.

 

Elektronisesti ohjatulla pumpulla on useampia toimintoja jotka pidentävät sekä pumpun

että ympäröivien varusteiden käyttöikää:

 

  • Jatkuvatoiminen paineen, virrankulutuksen ja jännitteen valvonta.
  • Moottori säätyy virtauksen mukaiseksi, jonka ansiosta virrankulutus on pienempi ja akun käyttöikä pitenee.
  • Ei tarvetta erilliselle paineakulle, koska pumpun elektroniikka huolehtii painetasosta kierroslukua säätämällä.
  • Virhetilanteissa elektroniikka yrittää käynnistää moottorin 4 kertaa ennen kuin sen virheenetsintä käynnistyy.
  • Suhteellinen riippuvuus äänentason,virrankulutuksen ja kulumisen suhteen.
  • Pumppu on oikosulku- ja ylikourmitussuojattu, joten ei tarvetta muille sulakkeille.
  • Pumpun punainen LED-lamppu indikoi pumpun toimintaa.
  • Pumpun sininen LED-lamppu indikoi tyhjää tankkia tai säiliötä.

Tarvikkeet

Saatat olla kiinnostunut näistä



Äänitiedostot

Lisää luettavaa

Suosikit Tilausnumero: Jännite Liitäntä Max. imukorkeus Max. paine Max. virtaus Moottorityyppi Paino Pumpun koko Virrankulutus Hinta
12-24 V DC
Letkuliitäntä 12 mm, BSPP 3/8"
1,5 m
2 bar
12 l/min
90 W
1,3 kg
UP2/E
3 A
12-24 V DC
Letkuliitäntä 12 mm, BSPP 3/8"
1,5 m
2,5 bar
15 l/min
150 W
2 kg
UP3/E
6 A
12-24 V DC
Letkuliitäntä 16 mm, BSPP 3/8"
1,5 m
2,5 bar
26 l/min
180 W
2 kg
UP6/E
10 A
12-24 V DC
3/8" BSP, Letkuliitäntä 13 mm
1,5 m
4,5 bar
12 l/min
180 W
3,3 kg
UP9/E
5 A
12-24 V DC
Letkuliitäntä 13 mm, BSPP 3/8"
3 m
6 bar
18 l/min
360 W
4,3 kg
UP10/E
11 A
24 V
Letkuliitäntä 16 mm, BSPP 1/2"
3 m
3,5 bar
36 l/min
360 W
4,9 kg
UP12/E
7 A

Valittu tuote

Valitse tuote listalta.

Teknisiä neuvoja

Eric Mustalammi

Tuotepäällikkö

Asiakaspalvelu
Asiakaspalvelumme vastaa kysymyksiin ja etsii ratkaisut ongelmiin. Heille voit jättää myös tilauksesi.
FAQ
+ Miten tullaan asiakkaaksenne?
+ Olen sopinut puskurivarastosta, voinko tilata verkkokaupan kautta?
+ Voiko samalla tilillä olla useita käyttäjiä?
+ Voiko samassa tilauksessa olla useampia toimituspäiviä?
+ Voiko tilauksen toimittaa väliaikaiseen toimitusosoitteeseen?
Chatti
Tarvitsetko apua?
Logo

Evästeet oem.fi sivustolla

Evästeiden avulla voimme palvella sinua paremmin ja varmistamme sivuston sujuvan toiminnan. Voit hallinnoida evästeasetuksia koska tahansa.

Toiminnalliset evästeet

Nämä evästeet ovat välttämättömiä verkkosivuston toimimiseksi, eikä niitä voi poistaa käytöstä järjestelmissämme. Niitä käytetään yleensä vain vastauksena toimiin, jotka olet tehnyt palvelupyynnön yhteydessä, esimerkiksi henkilökohtaisten asetusten määrittämisen, kirjautumisen tai lomakkeen täyttämisen yhteydessä.

Tilastolliset evästeet

Tilastollisten evästeiden avulla seuraamme verkkosivustomme kävijöiden toimintaa ja teemme analyyseja, joiden avulla voimme optimoida verkkosivustoamme. Tämä tarkoittaa, että voimme kehittää sivustoamme toimivammaksi ja palvelemaan kävijöitä paremmin. Jos et hyväksy näitä evästeitä, emme tiedä, milloin olet käynyt sivustollamme. Voit kuitenkin käyttää sivustoamme normaalisti.

Markkinointievästeet

Markkinointievästeiden avulla voimme kohdentaa sinulle mainoksia eri verkkosivustoilla tai sisältöä sosiaalisessa mediassa. Näitä evästeitä asettavat kolmannen osapuolen mainonta- ja kohdistustyökalut. Evästeiden kautta nämä toimijat voivat muodostaa profiilin kiinnostuksesi kohteista. Jos et hyväksy näitä evästeitä, et näe kohdennettua markkinointia etkä mahdollisesti voi käyttää sosiaalisen median jakotyökaluja.