VICTOR PUMPS
| Akselitiiviste materiaali | Grafiitti, SIC, Viton |
|---|---|
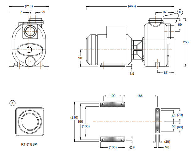
| BSP-liitin | 1 1/2" |
| Differentiaalipaine | 14 |
| Juoksupyörän materiaali | Pronssi, SS 316 |
| Jännite | 230/400V |
| Kulutuslevy materiaali | Pronssi, SS 316 |
| Materiaali | Valurauta sinkkianodilla |
| Max. käyttölämpötila | 70 °C |
| Max. virtaus | 22,5 m³/h |
|---|---|
| Nopeus | 2800 rpm |
| Particle size | 20 |
| Pumpun materiaali | Valurauta sinkkianodilla |
| Teho (P2) | 1,1 kW |
| Tiivisteen materiaali | Kuitu, NBR |
| Viskositeetti | 50 cSt |
Victorin S-sarjan keskipakopumppu on paitsi itseimevä, mutta sen lisäksi se kykenee erottamaan ilman pumpattavasta nesteestä.
Pumpussa on avoin juoksupyörä ja vaihdettava kulutuslevy, jolloin se pystyy käsittelemään kuluttavia ja kiinteitä partikkeleita sisältäviä nesteitä, mutta myös korroosiota aiheuttavia ja ympäristölle vaarallisia nesteitä.
Victorin keskipakopumput sopivat moniin pumppauskohteisiin, kuten esimerkiksi jäteveden, liuottimien, kalkkimaidon, biomassan, bensiinin & dieselin ja lannoiteaineiden pumppaamiseen.
Victor S-sarjan toiminta
| Ennen kuin pumppu otetaan ensimmäistä kertaa käyttöön, täytyy pumppupesä täyttää manuaalisesti pumpattavalla nesteellä (siemenvesi). Jatkossa pumppu säilyttää siemenveden ja sitä ei tarvitse enää lisätä.
Itseimevä keskipakopumppu voidaan asentaa normaalista, nestepinnan alapuolisesta asennustavasta poiketen, joko pumpattavan nesteen kanssa samalle tasolle tai vaihtoehtoisesti nestepinnan yläpuolelle. Näissä kahdessa jälkimmäisessä asennustapauksessa pumppuun tuleva neste sisältää aluksi runsaasti ilmaa. gravitaatioon perustuva konstruktio erotta nesteen ja ilman toisistaan. Erotuksen jälkeen ilma poistuu painepuolen putkistoon, jonka jälkeen pumppaus jatkuu pelkällä nesteellä. Pumpun imupuolelle on asennettu takaiskuventtiili joka estää nesteen takaisinkierron, sekä vähentää pumppauksen aloittamisessa kuluvaa nesteen nostoaikaa. |
|
|
|
Pumppupesä | Valurauta sinkkianodilla |
Juoksupyörä | Ruostumaton teräs SS316 tai Alumiinipronssi |
Kulutuslevy | Ruostumaton teräs SS316 tai Alumiinipronssi |
Akselisuojus | Ruostumaton teräs 1.4401 |
Tiivisteet | NBR/Kuitutiiviste (vakio), Viton®/Kuitutiiviste |
Akselitiivisteet | Kovametalli/Keraaminen/Viton® tiivistekammiolla (vakio), myös paljon muita vaihtoehtoja/materiaaleja pyynnöstä. |
Lämpötila | Max. +70 °C (kompaktit pumput), +130 °C (vapaalla akselilla), +90 °C (ATEX) |
Viskositeetti | Max. 50 cSt |
Paineluokka | Max. 6 baaria |
Moottori | Sähkömoottori valinnaisella jännitteellä ja koteloinnilla. Pumppu voidaan varustaa myös ATEX, bensiini-, diesel- tai hydraulimoottorilla |
Liitännät | Sisäpuolinen BSP-kierre, Laippaliitäntä DIN/ANSI |
Pyörimissuunta | Vastapäivään pumpun imuliitännästä katsottuna |
ATEX* | EEx II 2G IIC T4 |
*Erikoismalli, ota yhteyttä meihin.
Packon hygieeniset keskipakopumput soveltuvat meijeriteollisuuteen, elintarvike- ja lääketeollisuuteen, sekä erityisesti panimo- ja virvoitusjuomateollisuuteen.
Olemme mukana Teknologia-messuilla, osastolla 6d60! Tule haistelemaan messutunnelmaa ja juttelemaan. Nähdään Helsingissä 4.–6.11.2025!
Jabscon kumisiipipumput nousevat ykkösvalinnaksi, kun tarvitaan luotettavaa, tehokasta ja monikäyttöistä ratkaisua nesteiden siirtoon. Lue lisää!
Jung Process Systems on erikoistunut hygienisiin ruostumattomasta teräksestä valmistettuihin kaksoisruuvipumppuihin.
Packon lohkoroottoripumput ovat hellävaraisia pumpattavalle aineelle ja soveltuvat erityisesti nesteiden pumppaamiseen, joissa on pehmeitä partikkeleita.
Vety, tuo maailmankaikkeuden yleisin alkuaine, on noussut yhdeksi tulevaisuuden lupaavimmista energiamuodoista. Vaikka sen potentiaali on tunnustettu jo vuosikymmeniä, viimeaikaiset teknologiset edistysaskeleet ja kasvavat ympäristövaatimukset ovat nostaneet vedyn maailmanlaajuisen energiamurroksen ytimeen. Mutta mikä tekee vedystä niin erityisen ja miten se voi edistää kestävää tulevaisuutta?
|
|
|
|
|
|
||
|---|---|---|---|---|---|---|
|
|
|
|
|
|
||
|
|
|
|
|
|
||
|
|
|
|
|
|
||
|
|
|
|
|
|
||
|
|
|
|
|
|
||
|
|
|
|
|
|
| Suosikit | Tilausnumero: | Akselitiiviste materiaali | ANSI-laippaliitos | BSP-liitin | Differentiaalipaine | DIN-laippaliitos | Juoksupyörän materiaali | Jännite | Kulutuslevy materiaali | Materiaali | Max. käyttölämpötila | Max. virtaus | Nopeus | Particle size | Teho (P2) | Hinta | |
|---|---|---|---|---|---|---|---|---|---|---|---|---|---|---|---|---|---|
Keskipakopumppu 1,1kW 2900rpm
Tuotenumero:
S40Q30T
Kopioitu!
|
Grafiitti, SIC, Viton
|
|
1 1/2"
|
14
|
|
Pronssi, SS 316
|
230/400V
|
Pronssi, SS 316
|
Valurauta sinkkianodilla
|
70 °C
|
22,5 m³/h
|
2800 rpm
|
20
|
1,1 kW
|
| ||
Keskipakopumppu 1,1kW 2900rpm
Tuotenumero:
S40Q30T+F
Kopioitu!
|
Grafiitti, SIC, Viton
|
ASA125 1 1/2"
|
|
14
|
DN40 PN16
|
Pronssi, SS 316
|
230/400V
|
Pronssi, SS 316
|
Valurauta sinkkianodilla
|
70 °C
|
22,5 m³/h
|
2800 rpm
|
20
|
1,1 kW
|
| ||
Keskipakopumppu 1,1kW 2900rpm
Tuotenumero:
S40Q30BBT
Kopioitu!
|
Keraaminen, SIC, Viton
|
|
1 1/2"
|
0,1
|
|
Valurauta
|
230/400V
|
Teräs
|
Valurauta
|
130 °C
|
22,5 m³/h
|
2900 rpm
|
20mm
|
1,1 kW
|
| ||
Keskipakopumppu 1,1kW 2900rpm
Tuotenumero:
S40Q30BBT+F
Kopioitu!
|
Keraaminen, SIC, Viton
|
ASA125 1 1/2"
|
|
0,1
|
DN40
|
Valurauta
|
230/400V
|
Teräs
|
Valurauta
|
130 °C
|
22,5 m³/h
|
2900 rpm
|
20mm
|
1,1 kW
|
| ||
Keskipakopumppu 1,1kW 2900rpm
Tuotenumero:
S40Q30M
Kopioitu!
|
Grafiitti, SIC, Viton
|
|
1 1/2"
|
14
|
|
Pronssi, SS 316
|
230/400V
|
Pronssi, SS 316
|
Valurauta sinkkianodilla
|
70 °C
|
22,5 m³/h
|
2900 rpm
|
20
|
1,1 kW
|
| ||
Keskipakopumppu 1,1kW 2900rpm
Tuotenumero:
S40Q30M+SG
Kopioitu!
|
Grafiitti, SIC, Viton
|
|
1 1/2"
|
14
|
|
Pronssi, SS 316
|
230/400V
|
Pronssi, SS 316
|
Valurauta sinkkianodilla
|
70 °C
|
22,5 m³/h
|
2900 rpm
|
20
|
1,1 kW
|
| ||
Keskipakopumppu 2,2kW 2900rpm
Tuotenumero:
S45Q30BBT
Kopioitu!
|
Grafiitti, SIC, Viton
|
|
1 1/2"
|
30
|
|
Pronssi, SS 316
|
230/400V
|
Pronssi, SS 316
|
Valurauta sinkkianodilla
|
130 °C
|
24 m³/h
|
2900 rpm
|
15
|
2,2 kW
|
| ||
Keskipakopumppu 2,2kW 2900rpm
Tuotenumero:
S45Q30BBT+F
Kopioitu!
|
Grafiitti, SIC, Viton
|
ASA125 1 1/2"
|
|
30
|
DN40 PN16
|
Pronssi, SS 316
|
230/400V
|
Pronssi, SS 316
|
Valurauta sinkkianodilla
|
130 °C
|
24 m³/h
|
2900 rpm
|
15
|
2,2 kW
|
| ||
Keskipakopumppu 2,2kW 2900rpm
Tuotenumero:
S50Q30T
Kopioitu!
|
Grafiitti, SIC, Viton
|
|
2"
|
16,5
|
|
Pronssi, SS 316
|
230/400V
|
Pronssi, SS 316
|
Valurauta sinkkianodilla
|
70 °C
|
40 m³/h
|
2900 rpm
|
25
|
2,2 kW
|
| ||
Keskipakopumppu 2,2kW 2900rpm
Tuotenumero:
S50Q30T+F
Kopioitu!
|
Grafiitti, SIC, Viton
|
ASA125 2"
|
|
16,5
|
DN50 PN16
|
Pronssi, SS 316
|
230/400V
|
Pronssi, SS 316
|
Valurauta sinkkianodilla
|
70 °C
|
40 m³/h
|
2900 rpm
|
25
|
2,2 kW
|
| ||
Keskipakopumppu 2,2kW 2900rpm
Tuotenumero:
S50Q30BBT
Kopioitu!
|
Grafiitti, SIC, Viton
|
|
2"
|
16,5
|
|
Pronssi, SS 316
|
230/400V
|
Pronssi, SS 316
|
Valurauta sinkkianodilla
|
130 °C
|
40 m³/h
|
2900 rpm
|
25
|
2,2 kW
|
| ||
Keskipakopumppu 2,2kW 2900rpm
Tuotenumero:
S50Q30BBT+F
Kopioitu!
|
Grafiitti, SIC, Viton
|
ASA125 2"
|
|
16,5
|
DN50 PN16
|
Pronssi, SS 316
|
230/400V
|
Pronssi, SS 316
|
Valurauta sinkkianodilla
|
130 °C
|
40 m³/h
|
2900 rpm
|
25
|
2,2 kW
|
| ||
Keskipakopumppu 4kW 2900rpm
Tuotenumero:
S60Q30T
Kopioitu!
|
Grafiitti, SIC, Viton
|
|
2"
|
31,5
|
|
Pronssi, SS 316
|
400/690V
|
Pronssi, SS 316
|
Valurauta sinkkianodilla
|
70 °C
|
45 m³/h
|
2900 rpm
|
17
|
4 kW
|
| ||
Keskipakopumppu 4kW 2900rpm
Tuotenumero:
S60Q30T+F
Kopioitu!
|
Grafiitti, SIC, Viton
|
ASA125 2"
|
|
31,5
|
DN50 PN16
|
Pronssi, SS 316
|
400/690V
|
Pronssi, SS 316
|
Valurauta sinkkianodilla
|
70 °C
|
45 m³/h
|
2900 rpm
|
17
|
4 kW
|
| ||
Keskipakopumppu 4kW 2900rpm
Tuotenumero:
S60Q30BBT
Kopioitu!
|
Grafiitti, SIC, Viton
|
|
2"
|
31,5
|
|
Pronssi, SS 316
|
400/690V
|
Pronssi, SS 316
|
Valurauta sinkkianodilla
|
130 °C
|
45 m³/h
|
2900 rpm
|
17
|
4 kW
|
| ||
Keskipakopumppu 4kW 2900rpm
Tuotenumero:
S60Q30BBT+F
Kopioitu!
|
Grafiitti, SIC, Viton
|
ASA125 2"
|
|
13,5
|
DN50 PN16
|
Pronssi, SS 316
|
400/690V
|
Pronssi, SS 316
|
Valurauta sinkkianodilla
|
130 °C
|
45 m³/h
|
2900 rpm
|
17
|
4 kW
|
| ||
Keskipakopumppu 7,5kW 2900rpm
Tuotenumero:
S63Q30T
Kopioitu!
|
Grafiitti, SIC, Viton
|
|
2"
|
48
|
|
Pronssi, SS 316
|
400/690
|
Pronssi, SS 316
|
Valurauta sinkkianodilla
|
70 °C
|
48 m³/h
|
2900 rpm
|
22
|
7,5 kW
|
| ||
Keskipakopumppu 7,5kW 2900rpm
Tuotenumero:
S63Q30T+F
Kopioitu!
|
Grafiitti, SIC, Viton
|
ASA125 2"
|
|
48
|
DN50 PN16
|
Pronssi, SS 316
|
400/690
|
Pronssi, SS 316
|
Valurauta sinkkianodilla
|
70 °C
|
48 m³/h
|
2900 rpm
|
22
|
7,5 kW
|
| ||
Keskipakopumppu 7,5kW 2900rpm
Tuotenumero:
S63Q30BBT
Kopioitu!
|
Grafiitti, SIC, Viton
|
|
2"
|
48
|
|
Pronssi, SS 316
|
400/690
|
Pronssi, SS 316
|
Valurauta sinkkianodilla
|
130 °C
|
48 m³/h
|
2900 rpm
|
22
|
7,5 kW
|
| ||
Keskipakopumppu 7,5kW 2900rpm
Tuotenumero:
S63Q30BBT+F
Kopioitu!
|
Grafiitti, SIC, Viton
|
ASA125 2"
|
|
48
|
DN50 PN16
|
Pronssi, SS 316
|
400/690
|
Pronssi, SS 316
|
Valurauta sinkkianodilla
|
130 °C
|
48 m³/h
|
2900 rpm
|
22
|
7,5 kW
|
| ||
Keskipakopumppu 2,2kW 1450rpm
Tuotenumero:
S65Q30T
Kopioitu!
|
Grafiitti, SIC, Viton
|
|
2"
|
14
|
|
Pronssi, SS 316
|
230/400V
|
Pronssi, SS 316
|
Valurauta sinkkianodilla
|
70 °C
|
40 m³/h
|
1450 rpm
|
25
|
2,2 kW
|
| ||
Keskipakopumppu 2,2kW 1450rpm
Tuotenumero:
S65Q30T+F
Kopioitu!
|
Grafiitti, SIC, Viton
|
ASA125 2"
|
|
14
|
DN50 PN16
|
Pronssi, SS 316
|
230/400V
|
Pronssi, SS 316
|
Valurauta sinkkianodilla
|
70 °C
|
40 m³/h
|
1450 rpm
|
25
|
2,2 kW
|
| ||
Keskipakopumppu 2,2kW 1450rpm
Tuotenumero:
S65Q30BBT
Kopioitu!
|
Grafiitti, SIC, Viton
|
|
2"
|
14
|
|
Pronssi, SS 316
|
230/400V
|
Pronssi, SS 316
|
Valurauta sinkkianodilla
|
130 °C
|
40 m³/h
|
1450 rpm
|
25
|
2,2 kW
|
| ||
Keskipakopumppu 2,2kW 1450rpm
Tuotenumero:
S65Q30BBT+F
Kopioitu!
|
Grafiitti, SIC, Viton
|
ASA125 2"
|
|
14
|
DN50 PN16
|
Pronssi, SS 316
|
230/400V
|
Pronssi, SS 316
|
Valurauta sinkkianodilla
|
130 °C
|
40 m³/h
|
1450 rpm
|
25
|
2,2 kW
|
| ||
Keskipakopumppu 11kW 2900rpm
Tuotenumero:
S68Q30T
Kopioitu!
|
Grafiitti, SIC, Viton
|
|
2"
|
60
|
|
Pronssi, SS 316
|
400/690
|
Pronssi, SS 316
|
Valurauta sinkkianodilla
|
70 °C
|
57 m³/h
|
2900 rpm
|
25
|
11 kW
|
| ||
Keskipakopumppu 11kW 2900rpm
Tuotenumero:
S68Q30T+F
Kopioitu!
|
Grafiitti, SIC, Viton
|
ASA125 2"
|
|
60
|
DN50 PN16
|
Pronssi, SS 316
|
400/690
|
Pronssi, SS 316
|
Valurauta sinkkianodilla
|
70 °C
|
57 m³/h
|
2900 rpm
|
25
|
11 kW
|
| ||
Keskipakopumppu 11kW 2900rpm
Tuotenumero:
S68Q30BBT
Kopioitu!
|
Grafiitti, SIC, Viton
|
|
2"
|
60
|
|
Pronssi, SS 316
|
400/690
|
Pronssi, SS 316
|
Valurauta sinkkianodilla
|
130 °C
|
57 m³/h
|
2900 rpm
|
25
|
11 kW
|
| ||
Keskipakopumppu 11kW 2900rpm
Tuotenumero:
S68Q30BBT+F
Kopioitu!
|
Grafiitti, SIC, Viton
|
ASA125 2"
|
|
60
|
DN50 PN16
|
Pronssi, SS 316
|
400/690
|
Pronssi, SS 316
|
Valurauta sinkkianodilla
|
130 °C
|
57 m³/h
|
2900 rpm
|
25
|
11 kW
|
| ||
Keskipakopumppu 4kW 2900rpm
Tuotenumero:
S80Q30T
Kopioitu!
|
Grafiitti, SIC, Viton
|
|
3"
|
20
|
|
Pronssi, SS 316
|
400/690V
|
Pronssi, SS 316
|
Valurauta sinkkianodilla
|
70 °C
|
72 m³/h
|
2900 rpm
|
32
|
4 kW
|
| ||
Keskipakopumppu 4kW 2900rpm
Tuotenumero:
S80Q30T+F
Kopioitu!
|
Grafiitti, SIC, Viton
|
ASA125 3"
|
|
20
|
DN80 PN16
|
Pronssi, SS 316
|
400/690V
|
Pronssi, SS 316
|
Valurauta sinkkianodilla
|
70 °C
|
72 m³/h
|
2900 rpm
|
32
|
4 kW
|
| ||
Keskipakopumppu 4kW 2900rpm
Tuotenumero:
S80Q30BBT
Kopioitu!
|
Grafiitti, SIC, Viton
|
|
3"
|
20
|
|
Pronssi, SS 316
|
400/690V
|
Pronssi, SS 316
|
Valurauta sinkkianodilla
|
130 °C
|
72 m³/h
|
2900 rpm
|
32
|
4 kW
|
| ||
Keskipakopumppu 4kW 2900rpm
Tuotenumero:
S80Q30BBT+F
Kopioitu!
|
Grafiitti, SIC, Viton
|
ASA125 3"
|
|
20
|
DN80 PN16
|
Pronssi, SS 316
|
400/690V
|
Pronssi, SS 316
|
Valurauta sinkkianodilla
|
130 °C
|
72 m³/h
|
2900 rpm
|
32
|
4 kW
|
| ||
Keskipakopumppu 7,5kW 2900rpm
Tuotenumero:
S83Q30T
Kopioitu!
|
Grafiitti, SIC, Viton
|
|
3"
|
35
|
|
Pronssi, SS 316
|
400/690V
|
Pronssi, SS 316
|
Valurauta sinkkianodilla
|
70 °C
|
85 m³/h
|
2900 rpm
|
27
|
7,5 kW
|
| ||
Keskipakopumppu 7,5kW 2900rpm
Tuotenumero:
S83Q30T+F
Kopioitu!
|
Grafiitti, SIC, Viton
|
ASA125 3"
|
|
35
|
DN80 PN16
|
Pronssi, SS 316
|
400/690V
|
Pronssi, SS 316
|
Valurauta sinkkianodilla
|
70 °C
|
85 m³/h
|
2900 rpm
|
27
|
7,5 kW
|
| ||
Keskipakopumppu 7,5kW 2900rpm
Tuotenumero:
S83Q30BBT
Kopioitu!
|
Grafiitti, SIC, Viton
|
|
3"
|
35
|
|
Pronssi, SS 316
|
400/690V
|
Pronssi, SS 316
|
Valurauta sinkkianodilla
|
130 °C
|
85 m³/h
|
2900 rpm
|
27
|
7,5 kW
|
| ||
Keskipakopumppu 7,5kW 2900rpm
Tuotenumero:
S83Q30BBT+F
Kopioitu!
|
Grafiitti, SIC, Viton
|
ASA125 3"
|
|
35
|
DN80 PN16
|
Pronssi, SS 316
|
400/690V
|
Pronssi, SS 316
|
Valurauta sinkkianodilla
|
130 °C
|
85 m³/h
|
2900 rpm
|
27
|
7,5 kW
|
| ||
Keskipakopumppu 4kW 1450rpm
Tuotenumero:
S85Q30T
Kopioitu!
|
Grafiitti, SIC, Viton
|
|
3"
|
14,5
|
|
Pronssi, SS 316
|
400/690V
|
Pronssi, SS 316
|
Valurauta sinkkianodilla
|
70 °C
|
80 m³/h
|
1450 rpm
|
40
|
4 kW
|
| ||
Keskipakopumppu 4kW 1450rpm
Tuotenumero:
S85Q30T+F
Kopioitu!
|
Grafiitti, SIC, Viton
|
ASA125 3"
|
|
14,5
|
DN80 PN16
|
Pronssi, SS 316
|
400/690V
|
Pronssi, SS 316
|
Valurauta sinkkianodilla
|
70 °C
|
80 m³/h
|
1450 rpm
|
40
|
4 kW
|
| ||
Keskipakopumppu 2,2kW 1450rpm
Tuotenumero:
S85Q30BBT
Kopioitu!
|
Grafiitti, SIC, Viton
|
|
3"
|
14,5
|
|
Pronssi, SS 316
|
400/690V
|
Pronssi, SS 316
|
Valurauta sinkkianodilla
|
130 °C
|
80 m³/h
|
1450 rpm
|
40
|
4 kW
|
| ||
Keskipakopumppu 2,2kW 1450rpm
Tuotenumero:
S85Q30BBT+F
Kopioitu!
|
Grafiitti, SIC, Viton
|
ASA125 3"
|
|
14,5
|
DN80 PN16
|
Pronssi, SS 316
|
400/690V
|
Pronssi, SS 316
|
Valurauta sinkkianodilla
|
130 °C
|
80 m³/h
|
1450 rpm
|
40
|
4 kW
|
| ||
Keskipakopumppu 15kW 2900rpm
Tuotenumero:
S88Q30T
Kopioitu!
|
Grafiitti, SIC, Viton
|
|
3"
|
52
|
|
Pronssi, SS 316
|
400/690V
|
Pronssi, SS 316
|
Valurauta sinkkianodilla
|
70 °C
|
100 m³/h
|
2900 rpm
|
35
|
15 kW
|
| ||
Keskipakopumppu 15kW 2900rpm
Tuotenumero:
S88Q30T+F
Kopioitu!
|
Grafiitti, SIC, Viton
|
ASA125 3"
|
|
52
|
DN80 PN16
|
Pronssi, SS 316
|
400/690V
|
Pronssi, SS 316
|
Valurauta sinkkianodilla
|
70 °C
|
100 m³/h
|
2900 rpm
|
35
|
15 kW
|
| ||
Keskipakopumppu 15kW 2900rpm
Tuotenumero:
S88Q30BBT
Kopioitu!
|
Grafiitti, SIC, Viton
|
|
3"
|
52
|
|
Pronssi, SS 316
|
400/690V
|
Pronssi, SS 316
|
Valurauta sinkkianodilla
|
130 °C
|
100 m³/h
|
2900 rpm
|
35
|
15 kW
|
| ||
Keskipakopumppu 15kW 2900rpm
Tuotenumero:
S88Q30BBT+F
Kopioitu!
|
Grafiitti, SIC, Viton
|
ASA125 3"
|
|
52
|
DN80 PN16
|
Pronssi, SS 316
|
400/690V
|
Pronssi, SS 316
|
Valurauta sinkkianodilla
|
130 °C
|
100 m³/h
|
2900 rpm
|
35
|
15 kW
|
| ||
Keskipakopumppu 4kW 1450rpm
Tuotenumero:
S91Q30T
Kopioitu!
|
Grafiitti, SIC, Viton
|
|
3"
|
24
|
|
Pronssi, SS 316
|
400/690V
|
Pronssi, SS 316
|
Valurauta sinkkianodilla
|
70 °C
|
80 m³/h
|
1450 rpm
|
40
|
4 kW
|
| ||
Keskipakopumppu 4kW 1450rpm
Tuotenumero:
S91Q30T+F
Kopioitu!
|
Grafiitti, SIC, Viton
|
ASA125 3"
|
|
24
|
DN80 PN16
|
Pronssi, SS 316
|
400/690V
|
Pronssi, SS 316
|
Valurauta sinkkianodilla
|
70 °C
|
80 m³/h
|
1450 rpm
|
40
|
4 kW
|
| ||
Keskipakopumppu 4kW 1450rpm
Tuotenumero:
S91Q30BBT
Kopioitu!
|
Grafiitti, SIC, Viton
|
|
3"
|
24
|
|
Pronssi, SS 316
|
400/690V
|
Pronssi, SS 316
|
Valurauta sinkkianodilla
|
130 °C
|
80 m³/h
|
1450 rpm
|
40
|
4 kW
|
| ||
Keskipakopumppu 4kW 1450rpm
Tuotenumero:
S91Q30BBT+F
Kopioitu!
|
Grafiitti, SIC, Viton
|
ASA125 3"
|
|
24
|
DN80 PN16
|
Pronssi, SS 316
|
400/690V
|
Pronssi, SS 316
|
Valurauta sinkkianodilla
|
130 °C
|
80 m³/h
|
1450 rpm
|
40
|
4 kW
|
| ||
Keskipakopumppu 5,5kW 1450rpm
Tuotenumero:
S105Q30T
Kopioitu!
|
Grafiitti, SIC, Viton
|
|
4"
|
13,5
|
|
Pronssi, SS 316
|
400/690V
|
Pronssi, SS 316
|
Valurauta sinkkianodilla
|
70 °C
|
140 m³/h
|
1450 rpm
|
45mm
|
5,5 kW
|
| ||
Keskipakopumppu 5,5kW 1450rpm
Tuotenumero:
S105Q30T+F
Kopioitu!
|
Grafiitti, SIC, Viton
|
ASA125 4"
|
|
13,5
|
DN100 PN16
|
Pronssi, SS 316
|
400/690V
|
Pronssi, SS 316
|
Valurauta sinkkianodilla
|
70 °C
|
140 m³/h
|
1450 rpm
|
45mm
|
5,5 kW
|
| ||
Keskipakopumppu 5,5kW 1450rpm
Tuotenumero:
S105Q30BBT
Kopioitu!
|
Grafiitti, SIC, Viton
|
|
4"
|
13,5
|
|
Pronssi, SS 316
|
400/690V
|
Pronssi, SS 316
|
Valurauta sinkkianodilla
|
130 °C
|
140 m³/h
|
1450 rpm
|
45mm
|
5,5 kW
|
| ||
Keskipakopumppu 5,5kW 1450rpm
Tuotenumero:
S105Q30BBT+F
Kopioitu!
|
Grafiitti, SIC, Viton
|
ASA125 4"
|
|
13,5
|
DN100 PN16
|
Pronssi, SS 316
|
400/690V
|
Pronssi, SS 316
|
Valurauta sinkkianodilla
|
130 °C
|
140 m³/h
|
1450 rpm
|
45mm
|
5,5 kW
|
| ||
Keskipakopumppu 18,5kW 2900rpm
Tuotenumero:
S108Q30BBT
Kopioitu!
|
Grafiitti, SIC, Viton
|
|
4"
|
0,1
|
|
Pronssi, SS 316
|
400/690V
|
Pronssi, SS 316
|
Valurauta sinkkianodilla
|
130 °C
|
135 m³/h
|
2900 rpm
|
35mm
|
18,5 kW
|
| ||
Keskipakopumppu 18,5kW 2900rpm
Tuotenumero:
S108Q30BBT+F
Kopioitu!
|
Grafiitti, SIC, Viton
|
ASA125 4"
|
|
47
|
DN100 PN16
|
Pronssi, SS 316
|
400/690V
|
Pronssi, SS 316
|
Valurauta sinkkianodilla
|
130 °C
|
135 m³/h
|
2900 rpm
|
35mm
|
18,5 kW
|
| ||
Keskipakopumppu 11kW 1450rpm
Tuotenumero:
S121Q30T
Kopioitu!
|
Grafiitti, SIC, Viton
|
|
4"
|
23,8
|
|
Pronssi, SS 316
|
400/690V
|
Pronssi, SS 316
|
Valurauta sinkkianodilla
|
70 °C
|
180 m³/h
|
1450 rpm
|
45mm
|
11 kW
|
| ||
Keskipakopumppu 11kW 1450rpm
Tuotenumero:
S121Q30T+F
Kopioitu!
|
Grafiitti, SIC, Viton
|
ASA125 4"
|
|
23,8
|
DN100 PN16
|
Pronssi, SS 316
|
400/690V
|
Pronssi, SS 316
|
Valurauta sinkkianodilla
|
70 °C
|
180 m³/h
|
1450 rpm
|
45mm
|
11 kW
|
| ||
Keskipakopumppu 11kW 1450rpm
Tuotenumero:
S121Q30BBT
Kopioitu!
|
Grafiitti, SIC, Viton
|
|
4"
|
23,8
|
|
Pronssi, SS 316
|
400/690V
|
Pronssi, SS 316
|
Valurauta sinkkianodilla
|
130 °C
|
180 m³/h
|
1450 rpm
|
45
|
11 kW
|
| ||
Keskipakopumppu 11kW 1450rpm
Tuotenumero:
S121Q30BBT+F
Kopioitu!
|
Grafiitti, SIC, Viton
|
|
4"
|
23,8
|
|
Pronssi, SS 316
|
400/690V
|
Pronssi, SS 316
|
Valurauta sinkkianodilla
|
130 °C
|
180 m³/h
|
1450 rpm
|
45
|
11 kW
|
| ||
Keskipakopumppu 11kW 1450rpm
Tuotenumero:
S150Q30T
Kopioitu!
|
Grafiitti, SIC, Viton
|
|
6"
|
13
|
|
Pronssi, SS 316
|
400/690V
|
Pronssi, SS 316
|
Valurauta sinkkianodilla
|
70 °C
|
260 m³/h
|
1450 rpm
|
50mm
|
11 kW
|
| ||
Keskipakopumppu 11kW 1450rpm
Tuotenumero:
S150Q30T+F
Kopioitu!
|
Grafiitti, SIC, Viton
|
ASA125 6"
|
|
13
|
DN150 PN16
|
Pronssi, SS 316
|
400/690V
|
Pronssi, SS 316
|
Valurauta sinkkianodilla
|
70 °C
|
260 m³/h
|
1450 rpm
|
50mm
|
11 kW
|
| ||
Keskipakopumppu 11kW 1450rpm
Tuotenumero:
S150Q30BBT
Kopioitu!
|
Grafiitti, SIC, Viton
|
|
6"
|
13
|
|
Pronssi, SS 316
|
400/690V
|
Pronssi, SS 316
|
Valurauta sinkkianodilla
|
130 °C
|
260 m³/h
|
1450 rpm
|
50mm
|
11 kW
|
| ||
Keskipakopumppu 11kW 1450rpm
Tuotenumero:
S150Q30BBT+F
Kopioitu!
|
Grafiitti, SIC, Viton
|
ASA125 6"
|
|
13
|
DN150 PN16
|
Pronssi, SS 316
|
400/690V
|
Pronssi, SS 316
|
Valurauta sinkkianodilla
|
130 °C
|
260 m³/h
|
1450 rpm
|
50mm
|
11 kW
|
| ||
Keskipakopumppu 18,5kW 1450rpm
Tuotenumero:
S161Q30T
Kopioitu!
|
Grafiitti, SIC, Viton
|
|
6"
|
20,2
|
|
Pronssi, SS 316
|
400/690V
|
Pronssi, SS 316
|
Valurauta sinkkianodilla
|
70 °C
|
350 m³/h
|
1450 rpm
|
54
|
18,5 kW
|
| ||
Keskipakopumppu 18,5kW 1450rpm
Tuotenumero:
S161Q30T+F
Kopioitu!
|
Grafiitti, SIC, Viton
|
ASA125 6"
|
|
20,2
|
DN150 PN16
|
Pronssi, SS 316
|
400/690V
|
Pronssi, SS 316
|
Valurauta sinkkianodilla
|
70 °C
|
350 m³/h
|
1450 rpm
|
54
|
18,5 kW
|
| ||
Keskipakopumppu 18,5kW 1450rpm
Tuotenumero:
S161Q30BBT
Kopioitu!
|
Grafiitti, SIC, Viton
|
|
6"
|
20,2
|
|
Pronssi, SS 316
|
400/690V
|
Pronssi, SS 316
|
Valurauta sinkkianodilla
|
130 °C
|
350 m³/h
|
1450 rpm
|
54
|
18,5 kW
|
| ||
Keskipakopumppu 18,5kW 1450rpm
Tuotenumero:
S161Q30BBT+F
Kopioitu!
|
Grafiitti, SIC, Viton
|
ASA125 6"
|
|
20,2
|
DN150 PN16
|
Pronssi, SS 316
|
400/690V
|
Pronssi, SS 316
|
Valurauta sinkkianodilla
|
130 °C
|
350 m³/h
|
1450 rpm
|
54
|
18,5 kW
|
|
Valitse tuote listalta.
Jonne Kaarela