FLOJET

RLFP-kalvopumppu

Moottorikäyttöinen kalvopumppu

Flojetin RLFP-sarja on kompaktikokoinen kalvopumppu koneenrakennuskohteisiin.
  • Max. virtaus 3,8 l/min
  • Max paine 2,8 bar
  • Itseimevä, kuivakäynti sallittu
  • Jaksottainen käyttö
  • Pumppupesä polypropyleeni

Valitse tuote

Valitse tuote

Valitse tuote

Tekniset tiedot

Tiedot

Liitäntä Letkuliitäntä 3/8"
Ohitus Ei
Virtaus 3,8 l/min
Kalvon materiaali Santoprene
Pumpun materiaali Polypropyleeni
Venttiilien materiaali EPDM
Normaalisti varastossa oleva tuote Kyllä
Jännite 24 V

*Invisible Heading*

Max. imukorkeus 1,8 m
Virrankulutus 2 A
Min. käyttölämpötila 2 °C
Max. käyttölämpötila 43 °C
Max. paine 2,4 bar
Painekykin 2,4 bar
Paino 0,5 kg

Tuotekuvaus

Flojetin RLFP-sarja on kompaktikokoinen kalvopumppu koneenrakennuskohteisiin. Pienestä koostaan huolimatta pumpulla on kuitenkin hyvät virtaus- ja paineominaisuudet.


Kalvopumppu on tarkoitettu
 jaksottaiseen käyttöön. Siinä on integroitu painekytkin joka automaattisesti käynnistää/pysäyttää pumpun kun painejohto avataan tai suljetaan. Moottorit on varustettu lämpösuojalla ylikuormituksen varalle.

 

 

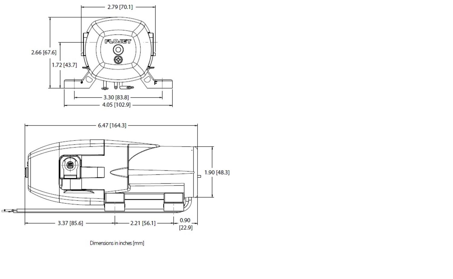
Kalvopumppu tekninen kuva

Kalvopumppu tekninen kuva 2

Kalvopumppu tekninen kuva 3

Pumpun rakenne luo alipaineen

pumpun sisään, jolloin se imee

nestettä ilman manuaalista ilmausta

Yhdistetty imu- ja poistopuolen vent-

tiilirakenne on kiinnitetty pyörivään mäntään. Neste imetään pumppuun imupuolen takaiskuventtiilin läpi, kun mäntä liikkuu venttiilistä poispäin

Männän liikkuessa takaisin kohti vent-

tiilirakennetta, neste pakotetaan pois

pumpusta, avautuvan poistopuolen takaiskuventtiilin läpi

 

 

 

Tilaustiedot

Pumppupesä

Polypropyleeni

Kalvot

Santopreeni

Venttiilit

EPDM tai Viton

Virtaus

max 3,8 l/min

Käyttölämpötila

max +43 °C

Paine

max 2,8 bar

Itseimevä

noin 1.8 m

Paino

noin 0,5 kg

Liitäntä

3/8" ID letku

 

Tarvikkeet



Äänitiedostot

Lisää luettavaa

Suosikit Tilausnumero: Virtaus Max. paine Kalvon materiaali Venttiilien materiaali Jännite Painekykin Ohitus Hinta
3,8 l/min
2,4 bar
Santoprene
EPDM
24 V
2,4 bar
Ei
3,8 l/min
2,4 bar
Santoprene
EPDM
12 V
2,4 bar
Ei
3,8 l/min
2,4 bar
Santoprene
Viton
12 V
2,4 bar
Ei
3,8 l/min
2,4 bar
Santoprene
EPDM
24 V
Ei
2,6 l/min
2,8 bar
Santoprene
EPDM
24 V
2,8 bar
Kyllä
3,8 l/min
2,4 bar
Santoprene
Viton
24 V
2,4 bar
Ei

Valittu tuote

Valitse tuote listalta.

Teknisiä neuvoja

Eric Mustalammi

Tuotepäällikkö

Asiakaspalvelu
Asiakaspalvelumme vastaa kysymyksiin ja etsii ratkaisut ongelmiin. Heille voit jättää myös tilauksesi.
FAQ
+ Miten tullaan asiakkaaksenne?
+ Olen sopinut puskurivarastosta, voinko tilata verkkokaupan kautta?
+ Voiko samalla tilillä olla useita käyttäjiä?
+ Voiko samassa tilauksessa olla useampia toimituspäiviä?
+ Voiko tilauksen toimittaa väliaikaiseen toimitusosoitteeseen?
Chatti
Tarvitsetko apua?
Logo

Evästeet oem.fi sivustolla

Evästeiden avulla voimme palvella sinua paremmin ja varmistamme sivuston sujuvan toiminnan. Voit hallinnoida evästeasetuksia koska tahansa.

Toiminnalliset evästeet

Nämä evästeet ovat välttämättömiä verkkosivuston toimimiseksi, eikä niitä voi poistaa käytöstä järjestelmissämme. Niitä käytetään yleensä vain vastauksena toimiin, jotka olet tehnyt palvelupyynnön yhteydessä, esimerkiksi henkilökohtaisten asetusten määrittämisen, kirjautumisen tai lomakkeen täyttämisen yhteydessä.

Tilastolliset evästeet

Tilastollisten evästeiden avulla seuraamme verkkosivustomme kävijöiden toimintaa ja teemme analyyseja, joiden avulla voimme optimoida verkkosivustoamme. Tämä tarkoittaa, että voimme kehittää sivustoamme toimivammaksi ja palvelemaan kävijöitä paremmin. Jos et hyväksy näitä evästeitä, emme tiedä, milloin olet käynyt sivustollamme. Voit kuitenkin käyttää sivustoamme normaalisti.

Markkinointievästeet

Markkinointievästeiden avulla voimme kohdentaa sinulle mainoksia eri verkkosivustoilla tai sisältöä sosiaalisessa mediassa. Näitä evästeitä asettavat kolmannen osapuolen mainonta- ja kohdistustyökalut. Evästeiden kautta nämä toimijat voivat muodostaa profiilin kiinnostuksesi kohteista. Jos et hyväksy näitä evästeitä, et näe kohdennettua markkinointia etkä mahdollisesti voi käyttää sosiaalisen median jakotyökaluja.