FLOJET
Tiedot |
|
|---|---|
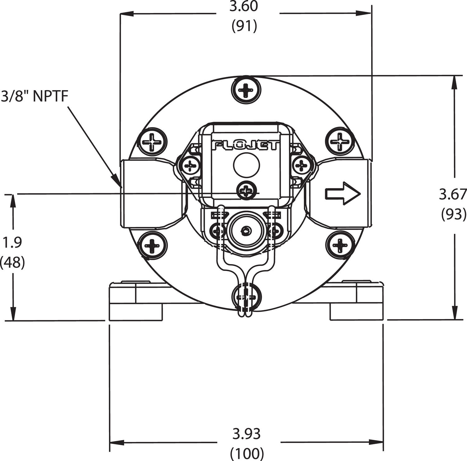
| Liitäntä | 3/8" NPTF |
| Ohitus | Kyllä |
| Virtaus | 5,3 l/min |
| Kalvon materiaali | Santoprene |
| Pumpun materiaali | Nylon |
| Venttiilien materiaali | Viton |
| Jännite | 12 V |
| Max. imukorkeus | 2,4 m |
*Invisible Heading* |
|
|---|---|
| Virrankulutus | 9 A |
| Min. käyttölämpötila | 4 °C |
| Max. käyttölämpötila | 60 °C |
| Max. paine | 6,9 bar |
| Painekykin | 6,9 bar |
| Paino | 3,5 kg |
Triplex hi-pressure on yksi Triplex-sarjan kolmesta mallista, joita on saatavissa monella eri materiaalivaihtoehdolla.
Triplex hi-pressure on markkinoiden voimakkaimpia pumppuja - se kehittää painetta jopa 10 bar:iin saakka. Triplex-pumppu on tarkoitettu jaksoittaiseen käyttöön. Sen kolmikammioisen rakenteen ansiosta virtaus on tasaista ja pumppu on hiljainen käyttää.
Pumppu on ihanteellinen muun muassa ruiskutus-, kostutus-, suodatus- ja jäähdytyssovelluksissa, joissa tarvitaan kuivakäyntivarmuutta, itseimukykyä sekä korkeaa painetta.
Triplex-mallit ovat varustettuja painkytkimellä, joka sammuttaa moottorin automaattisesti sen jälkeen kun pumppuun liitetyssä putkistossa oleva tietty painetaso saavutetaan, esim. putkistossa olevan venttiilin sulkeutuessa. Toisaalta, mikäli putkistossa oleva paine alenee tietystä arvosta, käynnistää painekytkin pumpun taas uudelleen.
|
|
|
Pumpun rakenteesta johtuen se kykenee luomaan alipaineen pumpun sisään, jolloin se imee nestettä ilman manuaalista ilmausta.
| Yhdistetty imu- ja poistopuolen venttiilirakenne on kiinnitetty epä- keskeisesti pyörivään akseliin, joka saa venttiilirakenteen keinumaan. Neste imetään pumppuun imu- puolen takaiskuventtiilin läpi, kun venttiilirakenne liikkuu pääty- rakenteesta poispäin. | Venttiilirakenteen liikkuessa takaisin kohti päätyirakennetta, neste pakotetaan pois pumpusta avautuvan poistopuolen takaiskuventtiilin läpi. |
Pumppupesä | Lasikuituvahvisteinen nylon |
Kalvot | Santoprene |
Venttiilit | EPDM tai Viton |
Virtaus | max 5,5 l/min |
Käyttölämpötila | min +4 °C / max +60 °C |
Paine | max 10,3 bar |
Itseimevä | noin 2,4 m |
Jännite | 12 V tai 24 V DC |
Paino | noin 3,5 kg |
Liittimet | 3/8" NPT sisäkierre |
Olemme mukana Teknologia-messuilla, osastolla 6d60! Tule haistelemaan messutunnelmaa ja juttelemaan. Nähdään Helsingissä 4.–6.11.2025!
Jabscon kumisiipipumput nousevat ykkösvalinnaksi, kun tarvitaan luotettavaa, tehokasta ja monikäyttöistä ratkaisua nesteiden siirtoon. Lue lisää!
Jung Process Systems on erikoistunut hygienisiin ruostumattomasta teräksestä valmistettuihin kaksoisruuvipumppuihin.
Packon lohkoroottoripumput ovat hellävaraisia pumpattavalle aineelle ja soveltuvat erityisesti nesteiden pumppaamiseen, joissa on pehmeitä partikkeleita.
Vety, tuo maailmankaikkeuden yleisin alkuaine, on noussut yhdeksi tulevaisuuden lupaavimmista energiamuodoista. Vaikka sen potentiaali on tunnustettu jo vuosikymmeniä, viimeaikaiset teknologiset edistysaskeleet ja kasvavat ympäristövaatimukset ovat nostaneet vedyn maailmanlaajuisen energiamurroksen ytimeen. Mutta mikä tekee vedystä niin erityisen ja miten se voi edistää kestävää tulevaisuutta?
Puun käsittelyssä sahalaitoksissa on monta eri vaihetta, joissa kaikissa on käytössä erilaisia laitteita ja komponentteja. Meiltä löydät etsimäsi tuotteet ja varaosat sahan eri työvaiheisiin.
|
|
|
|
|
|
||
|---|---|---|---|---|---|---|
|
|
|
|
|
|
||
|
|
|
|
|
|
||
|
|
|
|
|
|
||
|
|
|
|
|
|
||
|
|
|
|
|
|
||
|
|
|
|
|
|
| Suosikit | Tilausnumero: | Virtaus | Max. paine | Kalvon materiaali | Venttiilien materiaali | Jännite | Painekykin | Ohitus | Hinta | |
|---|---|---|---|---|---|---|---|---|---|---|
|
Triplex Hi-Pressure 12V S/V SW100 BP
Tuotenumero:
R3711133A
Kopioitu!
|
5,3 l/min
|
6,9 bar
|
Santoprene
|
Viton
|
12 V
|
6,9 bar
|
Kyllä
|
| ||
|
Triplex Hi-Pressure 12V S/E 3C SW100
Tuotenumero:
R3711143A
Kopioitu!
|
5,3 l/min
|
6,9 bar
|
Santoprene
|
EPDM
|
12 V
|
6,9 bar
|
Kyllä
|
| ||
|
Triplex Hi-Pressure 12V S/V 3C SW150 BP
Tuotenumero:
R3811133A
Kopioitu!
|
5,3 l/min
|
10,3 bar
|
Santoprene
|
Viton
|
12 V
|
10,3 bar
|
Ei
|
| ||
|
Triplex Hi-Pressure 12V S/E 3C SW150
Tuotenumero:
R3811143A
Kopioitu!
|
5,3 l/min
|
10,3 bar
|
Santoprene
|
EPDM
|
12 V
|
10,3 bar
|
Ei
|
| ||
|
Triplex Hi-Pressure 24V S/V 3C SW100 BP
Tuotenumero:
R3711333A
Kopioitu!
|
5,3 l/min
|
6,9 bar
|
Santoprene
|
Viton
|
24 V
|
6,9 bar
|
Kyllä
|
| ||
|
Triplex Hi-Pressure 24V S/E 3C SW100 BP
Tuotenumero:
R3711343A
Kopioitu!
|
5,3 l/min
|
6,9 bar
|
Santoprene
|
EPDM
|
24 V
|
6,9 bar
|
Kyllä
|
| ||
|
Triplex Hi-Pressure 24V S/V 3C SW150 BP
Tuotenumero:
R3811333A
Kopioitu!
|
5,3 l/min
|
10,3 bar
|
Santoprene
|
Viton
|
24 V
|
10,3 bar
|
Ei
|
| ||
|
Triplex Hi-Pressure 24V S/E 3C SW150 BP
Tuotenumero:
R3811343A
Kopioitu!
|
5,3 l/min
|
10,3 bar
|
Santoprene
|
EPDM
|
24 V
|
10,3 bar
|
Ei
|
| ||
|
Triplex Hi-Pressure 230V S/V SW100 BP
Tuotenumero:
R3711233A
Kopioitu!
|
5,3 l/min
|
6,9 bar
|
Santoprene
|
Viton
|
230 V
|
6,9 bar
|
Kyllä
|
| ||
|
Triplex Hi-Pressure 230V S/E 3C SW100 BP
Tuotenumero:
R3711243A
Kopioitu!
|
5,3 l/min
|
6,9 bar
|
Santoprene
|
EPDM
|
230 V
|
6,9 bar
|
Kyllä
|
| ||
|
Triplex Hi-Pressure 230V S/V 2.5C SW150
Tuotenumero:
R3811233A
Kopioitu!
|
5,3 l/min
|
10,3 bar
|
Santoprene
|
Viton
|
230 V
|
10,3 bar
|
Ei
|
| ||
|
Triplex Hi-Pressure 230V S/E 2.5C SW150
Tuotenumero:
R3811243A
Kopioitu!
|
5,3 l/min
|
10,3 bar
|
Santoprene
|
EPDM
|
230 V
|
10,3 bar
|
Ei
|
|
Valitse tuote listalta.
Eric Mustalammi