HYDRA-CELL

G03 - G13 -kalvopumput

Moottorikäyttöinen kalvopumppu

Hydra-Cell-kalvopumput soveltuvat erityisesti korkeapainesovelluksiin, sekä kemiallisesti vaikeille aineille.
  • Virtaus 0,01 - 11,3 l/min
  • Paine max. 103 bar
  • Kuluttavat aineet
  • Tiivisteetön rakenne

Valitse tuote

Valitse tuote

Valitse tuote

Tekniset tiedot

Hydrauliöljyn määrä 1 l
Pyörimissuunta Valinnainen
Max. järjestelmän paine 17 bar
Max. käyttölämpötila 60 °C
Max. viskositeetti 1000 cP
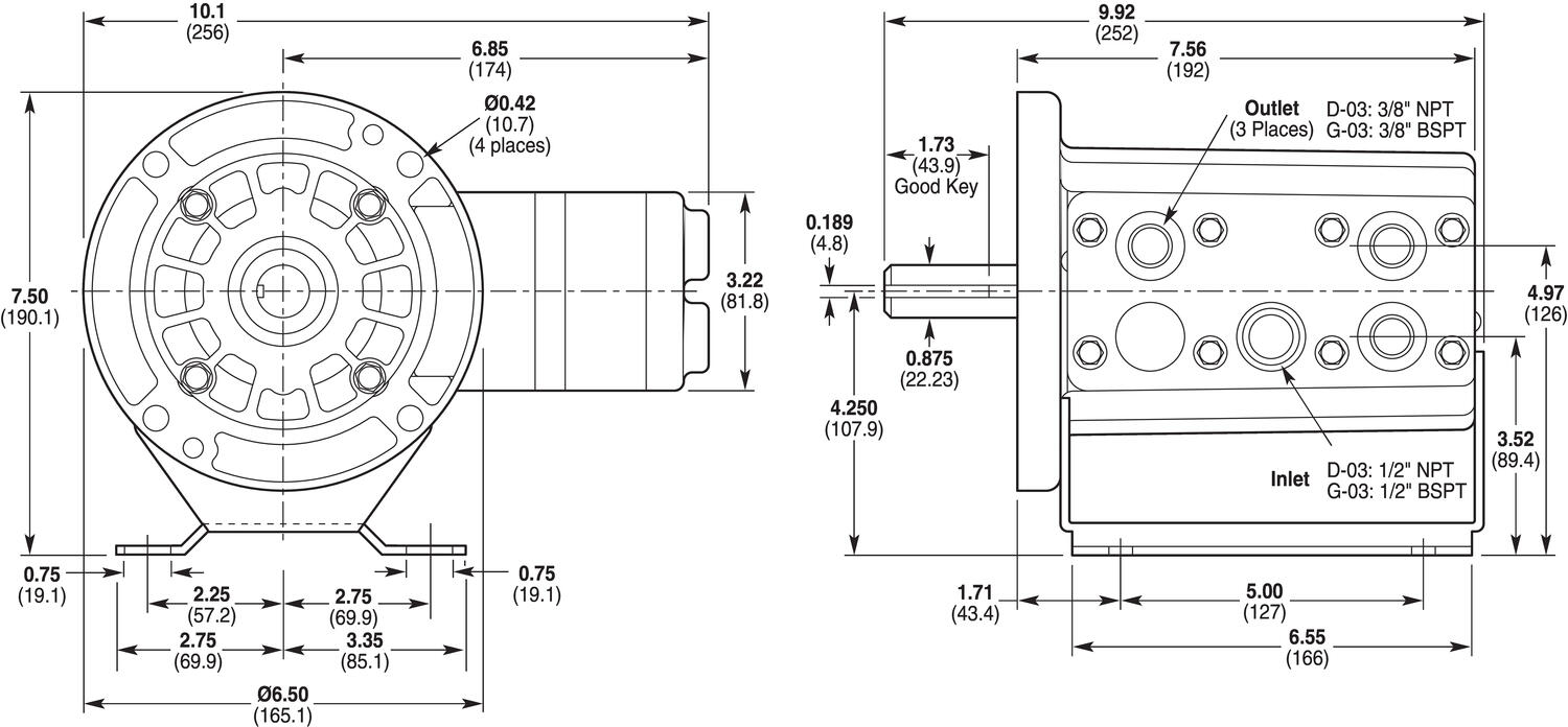
Liitännän sisääntulo BSPT 1/2"
Liitännän ulostulo BSPT 3/8"
Akselimitta 7/8" (22,225 mm)
Max. virtaus 11,7 l/min
Paino 13 kg
Pumpun materiaali SS 316L
Jousipidikkeen materiaali PVDF
Venttiilin istukan materiaali Ruostumaton teräs 17-4
Venttiilin jousen materiaali Elgiloy
Venttiilien materiaali Ruostumaton teräs 17-4
Max. paine 69 bar
Kalvon materiaali PTFE
Particle size Max. 0,2

Tuotekuvaus

Syrjäytyspumppuihin kuuluvat, tiivisteettömät ja erittäin pienen pulsaatiosykkeen omaavat Hydra-Cell-kalvopumput soveltuvat erityisesti korkeapainesovelluksiin, sekä kemiallisesti vaikeille aineille. Erilaiset syövyttävät, kuluttavat, aggressiiviset, ei voitelevat, ja korroosiota aiheuttavat aineet eivät tuota ongelmia Hydra-Cell -pumppujen rakenteille.

 

Pumppujen käyttöakseli ei kulje pumppupesän lävitse, jonka vuoksi pumpussa ei tarvita kallista ja huoltoa vaativaa päätiivistettä. Pumppupesässä sijaitsevat kalvot eristävät pumpattavan aineen pumpun muista rakenteista, ja ne ovat molemmilta puolilta hydraulisesti tasapainotettuja. Kalvojen tasapainotuksen ansiosta niiden käyttöikä muodostuu erittäin pitkäksi.

 

Energiatehokkaat Hydra-Cell – pumput ovat itseimeviä, eikä väliaineeton pumppaus (kuivakäynti) muodosta niille ongelmaa.

 

Hydra-Cell – pumppujen materiaalit valitaan aina tapauskohtaisesti pumppaussovelluksen mukaan. Normaalikohteiden lisäksi pumppuja on saatavissa myös räjähdysvaarallisiin tiloihin ATEX hyväksyttyinä (CE Ex II 2G&D T4).

 

Korkeapaineiset pesut, puhdistukset ja suodatukset:: Puhdistukset kuumilla tai kylmillä kemikaaleilla, puhdistusaineilla, liuottimilla tai vedellä, käänteinen osmoosisuodatus.

 

Kemian ja petrokemian teollisuus: Hapot ja emäksiset aineet, liuottimet, polymeerit, hartsit, kierrätysnesteet, hiilivedyt, kemikaalit, kuumat nesteet yms.

Konepajateollisuus: Leikkuunesteet, öljyt, jäähdytysaineet, puhdistusaineet.

Puu-, massa ja paperiteollisuus: Syövyttävät ja kuluttavat aineet, paperi- ja massakemikaalit, kierrätysnesteet, puhdistusaineet, liimat, lakat, paperin paineleikkaukset yms.

Kaivosteollisuus: Aggressiiviset ja kuluttavat kemikaalit, poran jäähdytysaineet, pölyn sitomiset, injektointiaineet, tiivistevesihuuhtelut yms.

 

Maaliteollisuus: Maalit, lakat, liuottimet, ruiskutus- ja pesusovellukset yms.

Lääketeollisuus: Lääkeaineiden valmistus, autoklaavipumput yms.

 

Öljy- ja kaasuteollisuus: Hapot, polymeerit, glykolit, suolavedet yms.

Meri- ja offshore – teollisuus: Kemikaalit, merivesipumppaukset (palon torjunta), suodatukset (käänteinen osmoosi), kaasujen pesut yms.

 

 

  

 

Tilaustiedot

Runko

SS 316L, Hastelloy C, Messinki

Kalvo

EPDM, FKM, PTFE, NBR, Neopreeni, Aflas

O-rengas

EPDM, FKM, PTFE, NBR, Neopreeni

Venttiilin istukka

Keraaminen, Volframikarbidi, SS 316L, SS 17-4, Hastelloy C

Venttiili

Keraaminen, Volframikarbidi, Nitronic 50, SS 17-4, Hastelloy C

Jousi

Elgiloy (korvaa SS 316L), Hastelloy C

Jousipidike

Celcon, Polypropeeni, PVDF, SS 17-7, Hastelloy C, Nylon

Virtaus

0,01-11,3 l/min

Lähtöpaine X

Max. 103 bar (G03), Max. 69 bar (G13)

Lähtöpaine S, E, B, G

Max. 83 bar (G03), Max. 69 bar (G13)

Tulopaine

Max. 17 bar

Lämpötilat*

Aflas:            10 - 121°C
Buna-N:       -10 - 121°C
Neopreeni: -10 - 70°C
EPDM:        -10 - 121°C
FKM:           -10 - 121°C
PTFE:         -10 - 93°C

Celcon:            -10 - 60°C
PVDF:            -10 - 60°C
Nylon:            -10 - 60°C
Polypropeeni:    -10 - 60°C
Elgiloy:            -10 - 121°C
Nitronic 50:      -10 - 121°C
Metall:            -10 - 121°C

Hiukkaskoko

Max. 0,2 mm

Viskositeetti

Max. 1000 cP (riippuu asennuksesta ja nopeudesta)

ATEX**

EEx II 2G k ia IIB T4 (max. aineen lämpötila. 90 °C, ympäristön lämpötila - 10 - 40 °C)

EEx II 3G k IIC T4 (max. aineen lämpötila. 90 °C, ympäristön lämpötila - 10 - 40 °C)

Liitännät (sisään/ulos)

1/2" BSPT / 3/8" BSPT (NPT-kierre tai laipat pyynnöstä)

Pyörimissuunta

Valittavissa

Akselimitat G03

G03 7/8" (22,225 mm)

Akselimitat G13

Reikäakseli 24 mm IEC90:lle tai 19 mm IEC80:lle adapterilla A04-130-1200

Hydrauliöljyn määrä

Noin 1 l ( öljynpinta tulisi olla noin 1cm säiliön ylärajan alapuolella)

Paino

13 kg

* Ota yhteyttä jos tuotetta aiotaan käyttää alle 10 tai yli 80°C lämpötiloissa.
** Ota yhteyttä jos tuotetta aiotaan käyttää räjähdysvaarallisessa tilassa.
 

 

 

Tarvikkeet

Saatat olla kiinnostunut näistä



Äänitiedostot

Lisää luettavaa

Suosikit Tilausnumero: Max. virtaus Max. paine Pumpun materiaali Kalvon materiaali Venttiilien materiaali Jousipidikkeen materiaali Nopeus Teho (P2) Asennus Hinta
4,6 l/min
22 bar
730 rpm
0,25 kW
Adapteri
6 l/min
41 bar
950 rpm
0,55 kW
Adapteri
4,6 l/min
55 bar
730 rpm
0,55 kW
Adapteri
9,3 l/min
35 bar
1450 rpm
0,75 kW
Adapteri
6 l/min
69 bar
950 rpm
1,1 kW
Adapteri
4,6 l/min
69 bar
730 rpm
1,1 kW
Adapteri
9,3 l/min
69 bar
1450 rpm
1,5 kW
Adapteri
11,7 l/min
69 bar
Adapteri
11,7 l/min
69 bar
Messinki
Buna-N-XS
Ruostumaton teräs 17-4
Celcon
11,7 l/min
69 bar
SS 316L
FKM-XT
Ruostumaton teräs 17-4
Celcon
11,7 l/min
69 bar
SS 316L
PTFE
Ruostumaton teräs 17-4
PVDF
1,8 l/min
62 bar
290 rpm
0,25 kW
Kompakti asennus
2,5 l/min
69 bar
394 rpm
0,55 kW
Kompakti asennus
2,5 l/min
69 bar
385 rpm
0,37 kW
Kompakti asennus
4,6 l/min
22 bar
730 rpm
0,25 kW
Kompakti asennus
6 l/min
41 bar
950 rpm
0,55 kW
Kompakti asennus
4,6 l/min
55 bar
730 rpm
0,55 kW
Kompakti asennus
9,3 l/min
35 bar
1450 rpm
0,75 kW
Kompakti asennus
6 l/min
69 bar
950 rpm
1,1 kW
Kompakti asennus
9,3 l/min
69 bar
1450 rpm
1,5 kW
Kompakti asennus
9,3 l/min
58 bar
1450 rpm
1,5 kW
Kompakti asennus
11,7 l/min
69 bar
Messinki
Buna-N-XS
Ruostumaton teräs 17-4
Celcon
11,7 l/min
69 bar
SS 316L
FKM-XT
Ruostumaton teräs 17-4
Celcon
11,7 l/min
69 bar
SS 316L
Buna-N-XS
Ruostumaton teräs 17-4
PVDF

Valittu tuote

Valitse tuote listalta.

Teknisiä neuvoja

Jonne Kaarela

Asiakaspalvelu
Asiakaspalvelumme vastaa kysymyksiin ja etsii ratkaisut ongelmiin. Heille voit jättää myös tilauksesi.
FAQ
+ Miten tullaan asiakkaaksenne?
+ Olen sopinut puskurivarastosta, voinko tilata verkkokaupan kautta?
+ Voiko samalla tilillä olla useita käyttäjiä?
+ Voiko samassa tilauksessa olla useampia toimituspäiviä?
+ Voiko tilauksen toimittaa väliaikaiseen toimitusosoitteeseen?
Chatti
Tarvitsetko apua?
Logo

Evästeet oem.fi sivustolla

Evästeiden avulla voimme palvella sinua paremmin ja varmistamme sivuston sujuvan toiminnan. Voit hallinnoida evästeasetuksia koska tahansa.

Toiminnalliset evästeet

Nämä evästeet ovat välttämättömiä verkkosivuston toimimiseksi, eikä niitä voi poistaa käytöstä järjestelmissämme. Niitä käytetään yleensä vain vastauksena toimiin, jotka olet tehnyt palvelupyynnön yhteydessä, esimerkiksi henkilökohtaisten asetusten määrittämisen, kirjautumisen tai lomakkeen täyttämisen yhteydessä.

Tilastolliset evästeet

Tilastollisten evästeiden avulla seuraamme verkkosivustomme kävijöiden toimintaa ja teemme analyyseja, joiden avulla voimme optimoida verkkosivustoamme. Tämä tarkoittaa, että voimme kehittää sivustoamme toimivammaksi ja palvelemaan kävijöitä paremmin. Jos et hyväksy näitä evästeitä, emme tiedä, milloin olet käynyt sivustollamme. Voit kuitenkin käyttää sivustoamme normaalisti.

Markkinointievästeet

Markkinointievästeiden avulla voimme kohdentaa sinulle mainoksia eri verkkosivustoilla tai sisältöä sosiaalisessa mediassa. Näitä evästeitä asettavat kolmannen osapuolen mainonta- ja kohdistustyökalut. Evästeiden kautta nämä toimijat voivat muodostaa profiilin kiinnostuksesi kohteista. Jos et hyväksy näitä evästeitä, et näe kohdennettua markkinointia etkä mahdollisesti voi käyttää sosiaalisen median jakotyökaluja.