HYDRA-CELL

G12-kalvopumppu

Moottorikäyttöinen kalvopumppu

Hydra-Cell-kalvopumput soveltuvat erityisesti korkeapainesovelluksiin, sekä kemiallisesti vaikeille aineille.
  • Virtaus 2 - 33,4l/min
  • Paine max. 103 bar
  • Kuluttavat aineet
  • Tiivisteetön rakenne
  • Asennus pystysuuntaan

Valitse tuote

Valitse tuote

Valitse tuote

Tekniset tiedot

Hydrauliöljyn määrä 1,4 l
Pyörimissuunta Valinnainen
Max. järjestelmän paine 17 bar
Max. käyttölämpötila 60 °C
Max. viskositeetti 3000 cP
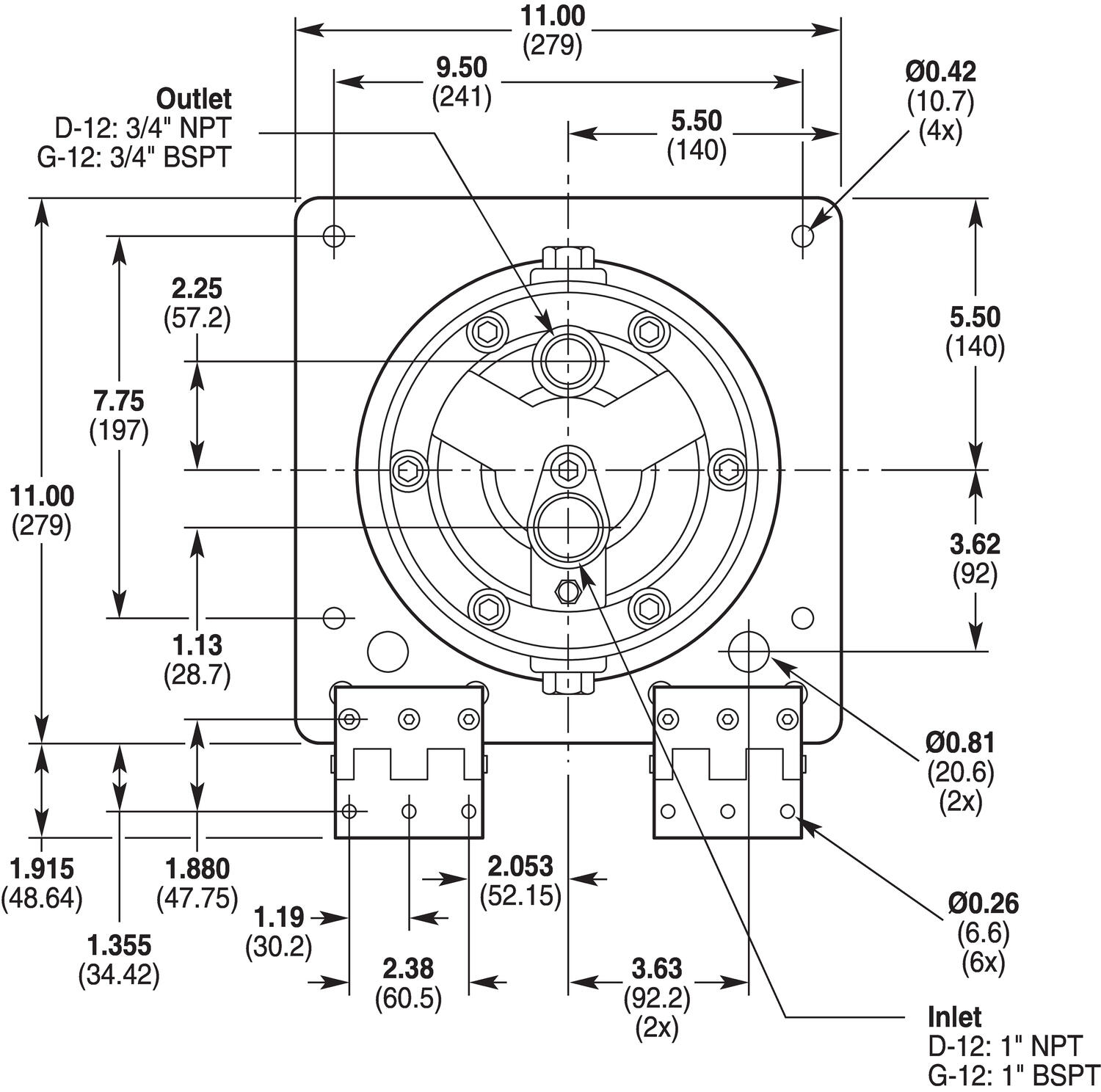
Liitännän sisääntulo BSPT 1"
Liitännän ulostulo BSPT 3/4"
Akselimitta 7/8" (22,225 mm)
Max. virtaus 33,4 l/min
Paino 29 kg
Pumpun materiaali Valurauta
Jousipidikkeen materiaali Celcon
Venttiilin istukan materiaali SS 316L
Venttiilin jousen materiaali Elgiloy
Venttiilien materiaali Ruostumaton teräs 17-4
Max. paine 103 bar
Kalvon materiaali Buna-N
1098_Particle size (mm) Max. 0,5 mm

Tuotekuvaus

Syrjäytyspumppuihin kuuluvat, tiivisteettömät ja erittäin pienen pulsaatiosykkeen omaavat Hydra-Cell-kalvopumput soveltuvat erityisesti korkeapainesovelluksiin, sekä kemiallisesti vaikeille aineille. Erilaiset syövyttävät, kuluttavat, aggressiiviset, ei voitelevat, ja korroosiota aiheuttavat aineet eivät tuota ongelmia Hydra-Cell -pumppujen rakenteille.

 

Pumppujen käyttöakseli ei kulje pumppupesän lävitse, jonka vuoksi pumpussa ei tarvita kallista ja huoltoa vaativaa päätiivistettä. Pumppupesässä sijaitsevat kalvot eristävät pumpattavan aineen pumpun muista rakenteista, ja ne ovat molemmilta puolilta hydraulisesti tasapainotettuja. Kalvojen tasapainotuksen ansiosta niiden käyttöikä muodostuu erittäin pitkäksi.

 

Energiatehokkaat Hydra-Cell – pumput ovat itseimeviä, eikä väliaineeton pumppaus (kuivakäynti) muodosta niille ongelmaa.

 

Hydra-Cell – pumppujen materiaalit valitaan aina tapauskohtaisesti pumppaussovelluksen mukaan. Normaalikohteiden lisäksi pumppuja on saatavissa myös räjähdysvaarallisiin tiloihin ATEX hyväksyttyinä (CE Ex II 2G&D T4).

 

Korkeapaineiset pesupuhdistukset ja suodatukset: Puhdistukset kuumilla tai kylmillä kemikaaleilla, puhdistusaineilla, liuottimilla tai vedellä, käänteinen osmoosisuodatus.

 

Kemian ja petrokemian teollisuus: Hapot ja emäksiset aineet, liuottimet, polymeerit, hartsit, kierrätysnesteet, hiilivedyt, kemikaalit, kuumat nesteet yms.

Konepajateollisuus: Leikkuunesteet, öljyt, jäähdytysaineet, puhdistusaineet.

Puu-, massa ja paperiteollisuus: Syövyttävät ja kuluttavat aineet, paperi- ja massakemikaalit, kierrätysnesteet, puhdistusaineet, liimat, lakat, paperin paineleikkaukset yms.

Kaivosteollisuus: Aggressiiviset ja kuluttavat kemikaalit, poran jäähdytysaineet, pölyn sitomiset, injektointiaineet, tiivistevesihuuhtelut yms.

 

Maaliteollisuus: Maalit, lakat, liuottimet, ruiskutus- ja pesusovellukset yms.

Lääketeollisuus: Lääkeaineiden valmistus, autoklaavipumput yms.

 

Öljy- ja kaasuteollisuus: Hapot, polymeerit, glykolit, suolavedet yms.

Meri- ja offshore – teollisuus: Kemikaalit, merivesipumppaukset (palon torjunta), suodatukset (käänteinen osmoosi), kaasujen pesut yms.

 

P200 kalvopumppu virtauskuva

 

  

 

Tilaustiedot

Runko

SS 316L, Valurauta, Messinki

Kalvo

EPDM, FKM, FFKM, PTFE, NBR, Neopreeni, Aflas

O-rengas

EPDM, FKM, FFKM, PTFE, NBR, Neopreeni

Venttiilin istukka

Keraaminen, Volframikarbidi, SS 316L, SS 17-4

Venttiili

Keraaminen, Volframikarbidi, Nitronic 50, SS 17-4

Jousi

Elgiloy (korvaa SS 316L)

Jousipidike

Celcon, Polypropeeni, PVDF, SS 17-7, Nylon

Virtaus

2 - 30 l/min

Lähtöpaine X

Max. 103 bar

Lähtöpaine E, S, I

Max. 69 bar

Tulopaine

Max. 17 bar

Lämpötilat*

Aflas:            10 - 121°C
Buna-N:       -10 - 121°C
Neopreeni:   -10 - 70°C
EPDM:        -10 - 121°C
FKM:           -10 - 121°C

FKKM:         10 - 121°C
PTFE:         -10 - 93°C

Celcon:            -10 - 60°C
PVDF:            -10 - 60°C
Nylon:            -10 - 60°C
Polypropeeni:    -10 - 60°C
Elgiloy:            -10 - 121°C
Nitronic 50:      -10 - 121°C
Metall:            -10 - 121°C

Hiukkaskoko

Max. 0,5 mm

Viskositeetti

Max. 3000 cP (riippuu asennuksesta ja nopeudesta)

Liitännät (sisään/ulos)

1" BSPT / 3/4" BSPT (NPT-kierre tai laipat pyynnöstä)

Pyörimissuunta

Valittavissa

Akselimitat

7/8" (22,225 mm)

Hydrauliöljyn määrä

Noin 1,4 l

Paino

29 kg

* Ota yhteyttä jos tuotetta aiotaan käyttää alle 10 tai yli 80°C lämpötiloissa.

 

 

 

 

Tarvikkeet

Saatat olla kiinnostunut näistä



Äänitiedostot

Lisää luettavaa

Suosikit Tilausnumero: Max. virtaus Max. paine Pumpun materiaali Kalvon materiaali Venttiilien materiaali Jousipidikkeen materiaali Nopeus Teho (P2) Asennus Hinta
15,4 l/min
32 bar
730 rpm
1,1 kW
Adapteri
20,3 l/min
33 bar
950 rpm
1,5 kW
Adapteri
15,4 l/min
45 bar
730 rpm
1,5 kW
Adapteri
20,3 l/min
51 bar
950 rpm
2,2 kW
Adapteri
30,6 l/min
46 bar
1450 rpm
3 kW
Adapteri
30,6 l/min
62 bar
1450 rpm
3 kW
Adapteri
33,4 l/min
103 bar
Valurauta
Buna-N
Ruostumaton teräs 17-4
Celcon

Valittu tuote

Valitse tuote listalta.

Teknisiä neuvoja

Jonne Kaarela

Tuotepäällikkö

Asiakaspalvelu
Asiakaspalvelumme vastaa kysymyksiin ja etsii ratkaisut ongelmiin. Heille voit jättää myös tilauksesi.
FAQ
+ Miten tullaan asiakkaaksenne?
+ Olen sopinut puskurivarastosta, voinko tilata verkkokaupan kautta?
+ Voiko samalla tilillä olla useita käyttäjiä?
+ Voiko samassa tilauksessa olla useampia toimituspäiviä?
+ Voiko tilauksen toimittaa väliaikaiseen toimitusosoitteeseen?
Chatti
Tarvitsetko apua?
Logo

Evästeet oem.fi sivustolla

Evästeiden avulla voimme palvella sinua paremmin ja varmistamme sivuston sujuvan toiminnan. Voit hallinnoida evästeasetuksia koska tahansa.

Toiminnalliset evästeet

Nämä evästeet ovat välttämättömiä verkkosivuston toimimiseksi, eikä niitä voi poistaa käytöstä järjestelmissämme. Niitä käytetään yleensä vain vastauksena toimiin, jotka olet tehnyt palvelupyynnön yhteydessä, esimerkiksi henkilökohtaisten asetusten määrittämisen, kirjautumisen tai lomakkeen täyttämisen yhteydessä.

Tilastolliset evästeet

Tilastollisten evästeiden avulla seuraamme verkkosivustomme kävijöiden toimintaa ja teemme analyyseja, joiden avulla voimme optimoida verkkosivustoamme. Tämä tarkoittaa, että voimme kehittää sivustoamme toimivammaksi ja palvelemaan kävijöitä paremmin. Jos et hyväksy näitä evästeitä, emme tiedä, milloin olet käynyt sivustollamme. Voit kuitenkin käyttää sivustoamme normaalisti.

Markkinointievästeet

Markkinointievästeiden avulla voimme kohdentaa sinulle mainoksia eri verkkosivustoilla tai sisältöä sosiaalisessa mediassa. Näitä evästeitä asettavat kolmannen osapuolen mainonta- ja kohdistustyökalut. Evästeiden kautta nämä toimijat voivat muodostaa profiilin kiinnostuksesi kohteista. Jos et hyväksy näitä evästeitä, et näe kohdennettua markkinointia etkä mahdollisesti voi käyttää sosiaalisen median jakotyökaluja.