HYDRA-CELL

G17-kalvopumppu

Moottorikäyttöinen kalvopumppu

Hydra-Cell-kalvopumput soveltuvat erityisesti korkeapainesovelluksiin, sekä kemiallisesti vaikeille aineille.
  • Virtaus 5 - 58,7 l/min
  • Paine max. 172 bar
  • Kuluttavat aineet
  • Tiivisteetön rakenne
  • Asennus pystysuuntaan

Valitse tuote

Valitse tuote

Valitse tuote

Tekniset tiedot

Teho (P2) 1,5 kW
Hydrauliöljyn määrä 2,1 l
Pyörimissuunta Valinnainen
Max. järjestelmän paine 34 bar
Nopeus 730 rpm
Max. viskositeetti 1500 cP
art-adapteri A04-041-1203
art-kokoonpano MONTAGE-816
art 3-vaiheinen moottori 112-8-150-B3/B5-*
art-pumppu G17X
art-akselikytkin 350283824282858
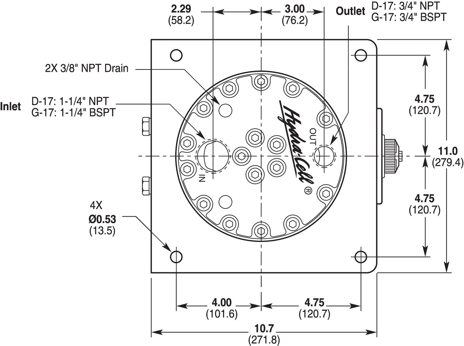
Liitännän sisääntulo BSPT 1 1/4"
Liitännän ulostulo BSPT 3/4"
Max. virtaus 24,2 l/min
Max. paine 17 bar
Asennus Adapteri
1098_Particle size (mm) 0,5

Tuotekuvaus

Syrjäytyspumppuihin kuuluvat, tiivisteettömät ja erittäin pienen pulsaatiosykkeen omaavat Hydra-Cell-kalvopumput soveltuvat erityisesti korkeapainesovelluksiin, sekä kemiallisesti vaikeille aineille. Erilaiset syövyttävät, kuluttavat, aggressiiviset, ei voitelevat, ja korroosiota aiheuttavat aineet eivät tuota ongelmia Hydra-Cell -pumppujen rakenteille.

 

Pumppujen käyttöakseli ei kulje pumppupesän lävitse, jonka vuoksi pumpussa ei tarvita kallista ja huoltoa vaativaa päätiivistettä. Pumppupesässä sijaitsevat kalvot eristävät pumpattavan aineen pumpun muista rakenteista, ja ne ovat molemmilta puolilta hydraulisesti tasapainotettuja. Kalvojen tasapainotuksen ansiosta niiden käyttöikä muodostuu erittäin pitkäksi.

 

Energiatehokkaat Hydra-Cell – pumput ovat itseimeviä, eikä väliaineeton pumppaus (kuivakäynti) muodosta niille ongelmaa.

 

Hydra-Cell – pumppujen materiaalit valitaan aina tapauskohtaisesti pumppaussovelluksen mukaan. Normaalikohteiden lisäksi pumppuja on saatavissa myös räjähdysvaarallisiin tiloihin ATEX hyväksyttyinä (CE Ex II 2G&D T4).

 

Korkeapaineiset pesupuhdistukset ja suodatukset: Puhdistukset kuumilla tai kylmillä kemikaaleilla, puhdistusaineilla, liuottimilla tai vedellä, käänteinen osmoosisuodatus.

 

Kemian ja petrokemian teollisuus: Hapot ja emäksiset aineet, liuottimet, polymeerit, hartsit, kierrätysnesteet, hiilivedyt, kemikaalit, kuumat nesteet yms.

Konepajateollisuus: Leikkuunesteet, öljyt, jäähdytysaineet, puhdistusaineet.

Puu-, massa ja paperiteollisuus: Syövyttävät ja kuluttavat aineet, paperi- ja massakemikaalit, kierrätysnesteet, puhdistusaineet, liimat, lakat, paperin paineleikkaukset yms.

Kaivosteollisuus: Aggressiiviset ja kuluttavat kemikaalit, poran jäähdytysaineet, pölyn sitomiset, injektointiaineet, tiivistevesihuuhtelut yms.

 

Maaliteollisuus: Maalit, lakat, liuottimet, ruiskutus- ja pesusovellukset yms.

Lääketeollisuus: Lääkeaineiden valmistus, autoklaavipumput yms.

 

Öljy- ja kaasuteollisuus: Hapot, polymeerit, glykolit, suolavedet yms.

Meri- ja offshore – teollisuus: Kemikaalit, merivesipumppaukset (palon torjunta), suodatukset (käänteinen osmoosi), kaasujen pesut yms.

 

 

 

Tilaustiedot

Runko

316L, Mässing

Kalvo

FKM, NBR, Aflas

O-rengas

FKM, NBR

Venttiilin istukka

Tungstenkarbid, Nitronic 50, 17-7

Venttiili

Tungstenkarbid, Nitronic 50, 17-7

Jousi

Elgiloy (överskrider 316L), Hastelloy C, 17-7

Jousipidike

Celcon, Polypropeeni, PVDF, 17-7, Nylon

Virtaus

5–58 l/min

Lähtöpaine X

172 bar (1150 rpm) 138 bar (1450 rpm)

Lähtöpaine E

138 bar (1450 rpm) 103 bar (1750 rpm)

Tulopaine

Max. 34 bar

Länpötilay*

Aflas:            10 - 121°C
Buna-N:       -10 - 121°C
FKM:            -10 - 121°C

Celcon:        -10 - 60°C
PVDF:           -10 - 60°C
Nylon:           -10 - 60°C
Polypropeeni:-10 - 60°C
Elgiloy:        -10 - 121°C
Nitronic 50:  -10 - 121°C
Metall:          -10 - 121°C

Hiukkaskoko

Max. 0,5 mm

Viskositeetti

Max. 1000 cP

Liitännät (sisään/ulos)

1 1/4” BSPT / 3/4” BSPT (NPT eller flänsar på förfrågan)

Pyörimissuunta

Valittavissa

Akselimitta

1 1/8" (28,575 mm)

Hydrauliöljyn määrä

Noin 2,1 l (öljynpinta tulisi olla noin 1cm säiliön ylärajan alapuolella)

Vikt

66 kg

* Ota yhteyttä, jos tuotetta aiotaan käyttää alle 10 tai yli 80°C lämpötiloissa.

Tarvikkeet

Saatat olla kiinnostunut näistä



Äänitiedostot

Lisää luettavaa

Suosikit Tilausnumero: Max. virtaus Max. paine Pumpun materiaali Kalvon materiaali Venttiilien materiaali Jousipidikkeen materiaali Nopeus Teho (P2) Asennus Hinta
24,2 l/min
17 bar
730 rpm
1,5 kW
Adapteri
31,8 l/min
20 bar
950 rpm
2,2 kW
Adapteri
24,2 l/min
48 bar
730 rpm
3 kW
Adapteri
48 l/min
28 bar
1450 rpm
4 kW
Adapteri
31,8 l/min
72 bar
950 rpm
5,5 kW
Adapteri
48 l/min
64 bar
1450 rpm
7,5 kW
Adapteri
24,2 l/min
136 bar
730 rpm
7,5 kW
Adapteri
31,8 l/min
152 bar
950 rpm
11 kW
Adapteri
24,2 l/min
172 bar
730 rpm
11 kW
Adapteri
48 l/min
137 bar
1450 rpm
15 kW
Adapteri
31,8 l/min
172 bar
950 rpm
15 kW
Adapteri
52,3 l/min
172 bar
SS 316L
FKM
Ruostumaton teräs 17-4
Celcon

Valittu tuote

Valitse tuote listalta.

Teknisiä neuvoja

Jonne Kaarela

Tuotepäällikkö

Asiakaspalvelu
Asiakaspalvelumme vastaa kysymyksiin ja etsii ratkaisut ongelmiin. Heille voit jättää myös tilauksesi.
FAQ
+ Miten tullaan asiakkaaksenne?
+ Olen sopinut puskurivarastosta, voinko tilata verkkokaupan kautta?
+ Voiko samalla tilillä olla useita käyttäjiä?
+ Voiko samassa tilauksessa olla useampia toimituspäiviä?
+ Voiko tilauksen toimittaa väliaikaiseen toimitusosoitteeseen?
Chatti
Tarvitsetko apua?
Logo

Evästeet oem.fi sivustolla

Evästeiden avulla voimme palvella sinua paremmin ja varmistamme sivuston sujuvan toiminnan. Voit hallinnoida evästeasetuksia koska tahansa.

Toiminnalliset evästeet

Nämä evästeet ovat välttämättömiä verkkosivuston toimimiseksi, eikä niitä voi poistaa käytöstä järjestelmissämme. Niitä käytetään yleensä vain vastauksena toimiin, jotka olet tehnyt palvelupyynnön yhteydessä, esimerkiksi henkilökohtaisten asetusten määrittämisen, kirjautumisen tai lomakkeen täyttämisen yhteydessä.

Tilastolliset evästeet

Tilastollisten evästeiden avulla seuraamme verkkosivustomme kävijöiden toimintaa ja teemme analyyseja, joiden avulla voimme optimoida verkkosivustoamme. Tämä tarkoittaa, että voimme kehittää sivustoamme toimivammaksi ja palvelemaan kävijöitä paremmin. Jos et hyväksy näitä evästeitä, emme tiedä, milloin olet käynyt sivustollamme. Voit kuitenkin käyttää sivustoamme normaalisti.

Markkinointievästeet

Markkinointievästeiden avulla voimme kohdentaa sinulle mainoksia eri verkkosivustoilla tai sisältöä sosiaalisessa mediassa. Näitä evästeitä asettavat kolmannen osapuolen mainonta- ja kohdistustyökalut. Evästeiden kautta nämä toimijat voivat muodostaa profiilin kiinnostuksesi kohteista. Jos et hyväksy näitä evästeitä, et näe kohdennettua markkinointia etkä mahdollisesti voi käyttää sosiaalisen median jakotyökaluja.