HYDRA-CELL

G25-kalvopumppu muovi

Moottorikäyttöinen kalvopumppu

Hydra-Cell-kalvopumput soveltuvat erityisesti korkeapainesovelluksiin, sekä kemiallisesti vaikeille aineille.
  • Virtaus 4 - 75,9 l/min
  • Paine max. 24 bar
  • Kuluttuvat aineet
  • Tiivisteetön rakenne

Valitse tuote

Valitse tuote

Valitse tuote

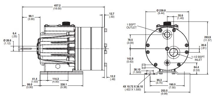
Tekniset tiedot

Hydrauliöljyn määrä 3,1 l
Pyörimissuunta Valinnainen
Max. järjestelmän paine 17 bar
Max. käyttölämpötila 49 °C
Max. viskositeetti 4000 cP
Liitännän sisääntulo BSPT 1 1/2"
Liitännän ulostulo BSPT 1"
Akselimitta 1 1/8" (28,575 mm)
Max. virtaus 75,7 l/min
Paino 41 kg
Pumpun materiaali PP
Jousipidikkeen materiaali PP
Venttiilin istukan materiaali Ruostumaton teräs 17-4
Venttiilin jousen materiaali Hastelloy C
Venttiilien materiaali Ruostumaton teräs 17-4
Max. paine 17 bar
Kalvon materiaali Buna-N
Particle size 0,8

Tuotekuvaus

Syrjäytyspumppuihin kuuluvat, tiivisteettömät ja erittäin pienen pulsaatiosykkeen omaavat Hydra-Cell-kalvopumput soveltuvat erityisesti korkeapainesovelluksiin, sekä kemiallisesti vaikeille aineille. Erilaiset syövyttävät, kuluttavat, aggressiiviset, ei voitelevat, ja korroosiota aiheuttavat aineet eivät tuota ongelmia Hydra-Cell -pumppujen rakenteille.

 

Pumppujen käyttöakseli ei kulje pumppupesän lävitse, jonka vuoksi pumpussa ei tarvita kallista ja huoltoa vaativaa päätiivistettä. Pumppupesässä sijaitsevat kalvot eristävät pumpattavan aineen pumpun muista rakenteista, ja ne ovat molemmilta puolilta hydraulisesti tasapainotettuja. Kalvojen tasapainotuksen ansiosta niiden käyttöikä muodostuu erittäin pitkäksi.

 

Energiatehokkaat Hydra-Cell – pumput ovat itseimeviä, eikä väliaineeton pumppaus (kuivakäynti) muodosta niille ongelmaa.

 

Hydra-Cell – pumppujen materiaalit valitaan aina tapauskohtaisesti pumppaussovelluksen mukaan. Normaalikohteiden lisäksi pumppuja on saatavissa myös räjähdysvaarallisiin tiloihin ATEX hyväksyttyinä (CE Ex II 2G&D T4).

 

Korkeapaineiset pesupuhdistukset ja suodatukset: Puhdistukset kuumilla tai kylmillä kemikaaleilla, puhdistusaineilla, liuottimilla tai vedellä, käänteinen osmoosisuodatus.

 

Kemian ja petrokemian teollisuus: Hapot ja emäksiset aineet, liuottimet, polymeerit, hartsit, kierrätysnesteet, hiilivedyt, kemikaalit, kuumat nesteet yms.

Konepajateollisuus: Leikkuunesteet, öljyt, jäähdytysaineet, puhdistusaineet.

Puu-, massa ja paperiteollisuus: Syövyttävät ja kuluttavat aineet, paperi- ja massakemikaalit, kierrätysnesteet, puhdistusaineet, liimat, lakat, paperin paineleikkaukset yms.

Kaivosteollisuus: Aggressiiviset ja kuluttavat kemikaalit, poran jäähdytysaineet, pölyn sitomiset, injektointiaineet, tiivistevesihuuhtelut yms.

 

Maaliteollisuus: Maalit, lakat, liuottimet, ruiskutus- ja pesusovellukset yms.

Lääketeollisuus: Lääkeaineiden valmistus, autoklaavipumput yms.

 

Öljy- ja kaasuteollisuus: Hapot, polymeerit, glykolit, suolavedet yms.

Meri- ja offshore – teollisuus: Kemikaalit, merivesipumppaukset (palon torjunta), suodatukset (käänteinen osmoosi), kaasujen pesut yms.

 

 

 

 

 

Tarvikkeet

Saatat olla kiinnostunut näistä



Äänitiedostot

Lisää luettavaa

Suosikit Tilausnumero: Max. virtaus Max. paine Pumpun materiaali Kalvon materiaali Venttiilien materiaali Jousipidikkeen materiaali Nopeus Teho (P2) Asennus Hinta
52,8 l/min
6 bar
PP
730 rpm
1,1 kW
Adapteri
69 l/min
6 bar
PP
950 rpm
1,5 kW
Adapteri
52,8 l/min
10 bar
PP
730 rpm
1,5 kW
Adapteri
69 l/min
12 bar
PP
950 rpm
2,2 kW
Adapteri
52,8 l/min
17 bar
PP
730 rpm
2,2 kW
Adapteri
69 l/min
17 bar
PP
950 rpm
3 kW
Adapteri
52,8 l/min
17 bar
PP
730 rpm
2,2 kW
Pohjalevy
69 l/min
17 bar
PP
950 rpm
3 kW
Pohjalevy
52,8 l/min
6 bar
PVDF
730 rpm
1,1 kW
Adapteri
69 l/min
6 bar
PVDF
950 rpm
1,5 kW
Adapteri
52,8 l/min
10 bar
PVDF
730 rpm
1,5 kW
Adapteri
69 l/min
12 bar
PVDF
950 rpm
2,2 kW
Adapteri
52,8 l/min
24 bar
PVDF
730 rpm
3 kW
Adapteri
69 l/min
24 bar
PVDF
950 rpm
4 kW
Adapteri
52,8 l/min
24 bar
PVDF
730 rpm
3 kW
Pohjalevy
69 l/min
24 bar
PVDF
950 rpm
4 kW
Pohjalevy
75,7 l/min
17 bar
PP
Buna-N-XS
Keraaminen
PP
75,7 l/min
17 bar
PP
Buna-N
Ruostumaton teräs 17-4
PP

Valittu tuote

Valitse tuote listalta.

Teknisiä neuvoja

Jonne Kaarela

Tuotepäällikkö

Asiakaspalvelu
Asiakaspalvelumme vastaa kysymyksiin ja etsii ratkaisut ongelmiin. Heille voit jättää myös tilauksesi.
FAQ
+ Miten tullaan asiakkaaksenne?
+ Olen sopinut puskurivarastosta, voinko tilata verkkokaupan kautta?
+ Voiko samalla tilillä olla useita käyttäjiä?
+ Voiko samassa tilauksessa olla useampia toimituspäiviä?
+ Voiko tilauksen toimittaa väliaikaiseen toimitusosoitteeseen?
Chatti
Tarvitsetko apua?
Logo

Evästeet oem.fi sivustolla

Evästeiden avulla voimme palvella sinua paremmin ja varmistamme sivuston sujuvan toiminnan. Voit hallinnoida evästeasetuksia koska tahansa.

Toiminnalliset evästeet

Nämä evästeet ovat välttämättömiä verkkosivuston toimimiseksi, eikä niitä voi poistaa käytöstä järjestelmissämme. Niitä käytetään yleensä vain vastauksena toimiin, jotka olet tehnyt palvelupyynnön yhteydessä, esimerkiksi henkilökohtaisten asetusten määrittämisen, kirjautumisen tai lomakkeen täyttämisen yhteydessä.

Tilastolliset evästeet

Tilastollisten evästeiden avulla seuraamme verkkosivustomme kävijöiden toimintaa ja teemme analyyseja, joiden avulla voimme optimoida verkkosivustoamme. Tämä tarkoittaa, että voimme kehittää sivustoamme toimivammaksi ja palvelemaan kävijöitä paremmin. Jos et hyväksy näitä evästeitä, emme tiedä, milloin olet käynyt sivustollamme. Voit kuitenkin käyttää sivustoamme normaalisti.

Markkinointievästeet

Markkinointievästeiden avulla voimme kohdentaa sinulle mainoksia eri verkkosivustoilla tai sisältöä sosiaalisessa mediassa. Näitä evästeitä asettavat kolmannen osapuolen mainonta- ja kohdistustyökalut. Evästeiden kautta nämä toimijat voivat muodostaa profiilin kiinnostuksesi kohteista. Jos et hyväksy näitä evästeitä, et näe kohdennettua markkinointia etkä mahdollisesti voi käyttää sosiaalisen median jakotyökaluja.