HYDRA-CELL

Q330-kalvopumppu Medium Pressure

Moottorikäyttöinen monikalvopumppu

Wanner Hydra-Cell on sarja erittäin kestäviä kalvopumppuja, jotka soveltuvat erityisesti korkeisiin paineisiin ja vaikeisiin pumppausaineisiin, jotka voivat olla myös hankaavia.
  • Virtaus 30-579 l/min
  • Maks. paine 214 Bar
  • Kestää hankaavia aineita
  • Tiivisteetön ja kestää kuivakäyntiä

Valitse tuote

Valitse tuote

Valitse tuote

Tekniset tiedot

Hydrauliöljyn määrä 104,1 l
Pyörimissuunta Valinnainen
Max. käyttölämpötila 82,2 °C
Nopeus 400 rpm
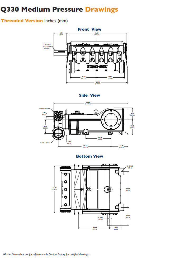
Liitännän sisääntulo 6"
Liitännän ulostulo 3"
Max. virtaus 514 l/min
Paino 2268 kg
Max. paine 241 bar
1098_Particle size (mm) 0,8

Tuotekuvaus

Wanner Hydra-Cell on sarja erittäin kestäviä kalvopumppuja, jotka soveltuvat erityisesti korkeisiin paineisiin ja vaikeisiin pumppausaineisiin, jotka voivat olla myös hankaavia. Pumpuissa ei ole läpiakselia joka vaatisi tiivisteen, eikä väliaine koskaan joudu kosketuksiin mekanismin kanssa. Kalvoihin luodaan tasainen paine koko pinnalla, mikä antaa niille erittäin pitkän käyttöiän.

 

Hydra-Cell-pumput, jotka toimivat syrjäytysperiaatteella, ovat lähes pulssittomia, kuivakäyntiturvallisia ja itseimeviä. Pumput ovat energiatehokkaita, ja niitä on saatavana useina eri materiaaliyhdistelminä tarpeidesi mukaan. Räjähdysvaarallisiin ympäristöihin, joissa on ATEX-vaatimuksia, pumput ovat saatavana tämän vaatimuksen mukaisina malleina.

 

Onko sinulla ongelmia nykyisten mäntäpumppujesi kulumisen kanssa?

Hydra-Cell-pumput voivat olla ratkaisu, joka vähentää huoltokustannuksiasi ja parantaa luotettavuuttasi. Niiden suorituskyky on vastaava ilman läpiakseleita, joissa on tiivistysongelmia, tai vuorauksia ja mäntiä, jotka kuluvat. Tämä tarkoittaa vähemmän suunnittelemattomia seisokkeja, halvempaa huoltoa ja vähemmän varaosia varastossa sekä turvallisempaa ja varmempaa käyttöä.

 

Tilaustiedot

Pumppupää

NAB (Nikkeli-Alumiini-Pronssi -seos)

Kalvot

FKM, Buna-N (NBR)

O-renkaat

FKM, Buna-N (NBR)

Venttilin istukka

SS 17-4, Nitronic 50, Hastelloy C

Venttiili

SS 17-4, Nitronic 50, Hastelloy C

Jouset

Elgiloy (ylittääSS 316L), Hastelloy C

Jousenpidikkeet

Hastelloy C

Virtaus

Iskun pituus K 10 – 579 l/min

Iskun pituus M 10 – 514 l/min

Paine

Iskun pituus K max. 207 bar

Iskun pituus M max. 241 bar

Lämpötila*

4 - 82 °C (vakio)

Tulopaine

Maks. 34 bar

Partikkelikoko

Maks. 0,8 mm

API 674

Iskun pituus K 40 – 400 rpm

Iskun pituus M 40 – 400 rpm

Liitännät imupuoli

6" ANSI 300 laippa, 6" NPT, 6" hitsattava liitos

Liitännät painepuoli

4" ANSI 2500 laippa, 4" NPT, 4" hitsattava liitos

Pyörimisuunta

Valittavissa

Akselin halkaisija

4" (101,6 mm)

Hydrauliöljyn määrä

104,1 l

Paino

2 268 kg

* Sovelluksissa näiden ulkopuolella, ota yhteyttä meihin.

 

Tarvikkeet



Äänitiedostot

Lisää luettavaa

Suosikit Tilausnumero: Max. virtaus Max. paine Nopeus Hinta
514 l/min
241 bar
400 rpm
579 l/min
207 bar
400 rpm

Valittu tuote

Valitse tuote listalta.

Teknisiä neuvoja

Jonne Kaarela

Tuotepäällikkö

Asiakaspalvelu
Asiakaspalvelumme vastaa kysymyksiin ja etsii ratkaisut ongelmiin. Heille voit jättää myös tilauksesi.
FAQ
+ Miten tullaan asiakkaaksenne?
+ Olen sopinut puskurivarastosta, voinko tilata verkkokaupan kautta?
+ Voiko samalla tilillä olla useita käyttäjiä?
+ Voiko samassa tilauksessa olla useampia toimituspäiviä?
+ Voiko tilauksen toimittaa väliaikaiseen toimitusosoitteeseen?
Chatti
Tarvitsetko apua?
Logo

Evästeet oem.fi sivustolla

Evästeiden avulla voimme palvella sinua paremmin ja varmistamme sivuston sujuvan toiminnan. Voit hallinnoida evästeasetuksia koska tahansa.

Toiminnalliset evästeet

Nämä evästeet ovat välttämättömiä verkkosivuston toimimiseksi, eikä niitä voi poistaa käytöstä järjestelmissämme. Niitä käytetään yleensä vain vastauksena toimiin, jotka olet tehnyt palvelupyynnön yhteydessä, esimerkiksi henkilökohtaisten asetusten määrittämisen, kirjautumisen tai lomakkeen täyttämisen yhteydessä.

Tilastolliset evästeet

Tilastollisten evästeiden avulla seuraamme verkkosivustomme kävijöiden toimintaa ja teemme analyyseja, joiden avulla voimme optimoida verkkosivustoamme. Tämä tarkoittaa, että voimme kehittää sivustoamme toimivammaksi ja palvelemaan kävijöitä paremmin. Jos et hyväksy näitä evästeitä, emme tiedä, milloin olet käynyt sivustollamme. Voit kuitenkin käyttää sivustoamme normaalisti.

Markkinointievästeet

Markkinointievästeiden avulla voimme kohdentaa sinulle mainoksia eri verkkosivustoilla tai sisältöä sosiaalisessa mediassa. Näitä evästeitä asettavat kolmannen osapuolen mainonta- ja kohdistustyökalut. Evästeiden kautta nämä toimijat voivat muodostaa profiilin kiinnostuksesi kohteista. Jos et hyväksy näitä evästeitä, et näe kohdennettua markkinointia etkä mahdollisesti voi käyttää sosiaalisen median jakotyökaluja.