 
                Tervetuloa syventymään aikareleiden toimintoihin ja kytkentöihin. Aikareleet mahdollistavat sähköpiirien tarkan ohjauksen määritellyn ajanjakson ajan. Niiden toimintaperiaate perustuu tarkan ajastuksen ja kytkennän mahdollistamiseen erilaisten signaalien avulla. Tämä tekee niistä välttämättömiä komponentteja esimerkiksi teollisuuden automaatiojärjestelmissä. Monipuoliset toiminnot ja kytkennät tekevät niistä välttämättömiä erilaisissa sovelluksissa.
Tuki
 
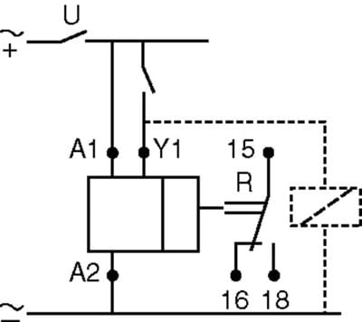
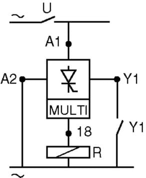
                      Vetohidas
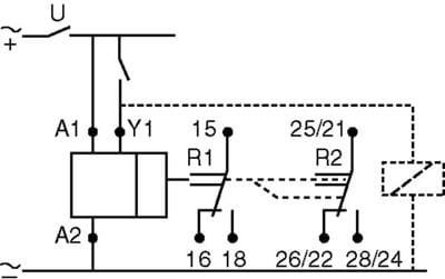
Ajanlaskenta alkaa syöttöjännitteen A1-A2 kytkennästä.
Säädetyn ajan T jälkeen lähtörele R vaihtaa tilasta 15-16 tilaan 15-18.
Rele jää vetäneeksi, kunnes syöttöjännite katkeaa.
 
                       
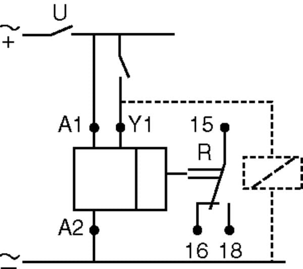
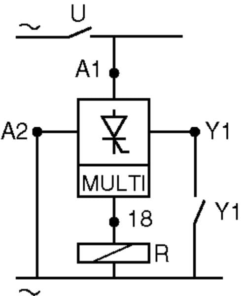
                      Veto-/päästöhidas
Kytketään ensiksi syöttöjännite A1-A2.
Ohjauksen Y1 kytkennästä alkaa ensimmäinen ajanlaskenta T.
Kun aseteltu aika T saavutetaan vaihtaa lähtörele R tilasta 15-16 tilaan 15-18.
Kun ohjaus Y1 kytketään pois alkaa toinen ajanlaskenta T ja rele palaa tilaan 15-16, kun aika T on kulunut.
Aika T on molemmissa tilanteissa sama.
 
                       
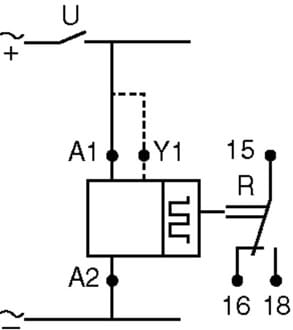
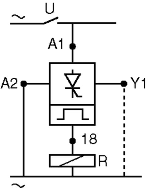
                      Vetohidas erillisellä ohjauksella
Kytketään ensiksi syöttöjännite A1-A2. Ohjauksen Y1 kytkennästä alkaa ajanlaskenta T. 
Ajanlaskenta on riippumaton ohjaussignaalin pituudesta.
Kun aseteltu aika T saavutetaan vaihtaa lähtörele R tilasta 15-16 tilaan 15-18.
Rele jää vetäneeksi, kunnes syöttöjännite katkeaa tai tulee uusi ohjaus Y1:een.
 
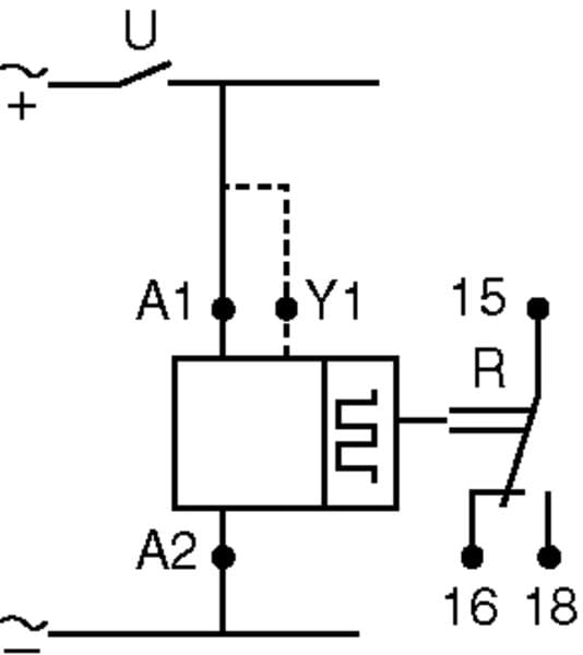
                      Yksijaksoinen Flip-Flop (ei resetoitava)
Kytketään ensiksi syöttöjännite A1-A2. Ohjauksen Y1 kytkennästä alkaa ajanlaskenta T.
Asetetun ajan T jälkeen vaihtaa lähtörele R tilasta 15-16 tilaan 15-18 ja pysyy siinä ajan T, jonka jälkeen palaa tilaan 15-16.
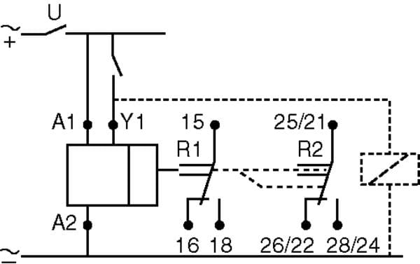
Kaksikärkisissä releissä on kaksi ajastettua kärkeä tai 2. vaihtokärki heti toimivana.
 
                       
                       
                       
                      Säädettävä pulssiaika
Kytketään ensiksi syöttöjännite A1-A2. Ajanlaskenta alkaa ohjauksen Y1 kytkeytyessä ja lähtö R vaihtaa tilasta 15-16 tilaan 15-18.
Asetellun ajan T jälkeen lähtö palaa tilaan 15-16 vaikka ohjaus Y1 olisi edelleen päällä.
Kaksikärkisissä releissä on kaksi ajastettua kärkeä tai 2. vaihtokärki heti toimivana.
 
                       
                      Kytketään ensin syöttöjännite A1-A2.
Rele R vaihtaa tilasta 15-16 tilaan 15-18 kun ohjaus Y1 joko sulkeutuu tai avautuu. Asetellun ajan T rele palautuu tilaan 15-16.
Kaksikärkisissä releissä on kaksi ajastettua kärkeä tai 2. vaihtokärki heti toimivana.
 
                       
                      Päästöhidas
Kytketään ensiksi syöttöjännite A1-A2. 
Ohjauksesta Y1 lähtö vaihtaa tilasta 15-16 tilaan 15-18.
Ajan T laskenta alkaa vasta kun ohjaus Y1 katkeaa. 
Ajan T kuluttua lähtö R vaihtaa takaisin tilaan 15-16. Jos ohjaus Y1 kytketään päälle ajanlaskennan T aikana, niin ajan T laskenta alkaa alusta.
Kaksikärkisissä releissä on kaksi ajastettua kärkeä tai 2. vaihtokärki heti toimivana.
 
                       
                       
                       
                       
                       
                      Käänteinen vetohidas
Kun syöttöjännite A1-A2 kytketään vaihtaa lähtörele tilasta 15-16 tilaan 15-18 välittömästi. Säädetyn ajan T jälkeen lähtörele palautuu tilaan 15-16 ja jää siihen kunnes syöttöjännite A1-A2 katkeaa.
Kaksikärkisissä releissä on kaksi ajastettua kärkeä tai 2. vaihtokärki heti toimivana.
 
                       
                       
                       
                       
                       
                       
                       
                      Säädetyn viiveen jälkeen 500 ms pulssi
Ajanlaskenta alkaa syöttöjännitteen A1-A2 kytkennästä. Säädetyn ajan T jälkeen lähtörele R vaihtaa tilasta 15-16 tilaan 15-18 500 ms ajaksi.
 
                      Pt - Säädetyn viiveen jälkeen 500 ms pulssi ( + salpa )
Ajanlaskenta alkaa syöttöjännitteen A1-A2 kytkennästä. Laskenta voidaan keskeyttää (=salpa) Y1:llä. 
Säädetyn ajan T ( = t1 + t2 +...) jälkeen lähtörele R vaihtaa tilasta 15-16 tilaan 15-18, 500 ms ajaksi.
 
                      Tähti-kolmio (Y-D)
Ajanlaskenta T alkaa syöttöjännitteen A1-A2 kytkennästä. 
Ajan T jälkeen seuraa ”viive” Ti (ei kontaktia), joka on säädettävissä välillä 20-140 ms. Tämän vaihtoviiveen jälkeen rele vaihtaa tilaan 15-18.
 
                       
                      Sysäystoiminta ajastuksella
Ohjauksella Y1 lähtörele R vaihtaa tilasta 15-16 tilaan 15-18.
Säädetyn ajan T kuluttua lähtörele palaa tilaan 15-16.
Jos ohjaus Y1 annetaan ennen ajan T loppumista rele palaa tilaan 15-16.
 
                       
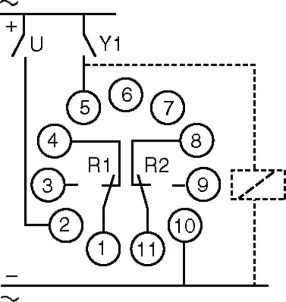
                      Monitoimi U
 
                      L/Li (A1-Y1 linkitetty L-toiminnolle)
 
                      Q-toiminto (Y/D)
 
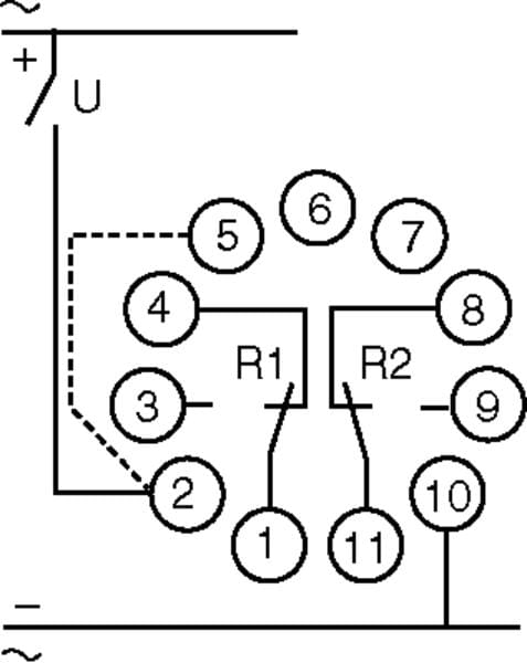
                      Monitoimi U
 
                      A/H
 
                      L/Li (A2-Y1 linkitetty L-toiminnolle)
 
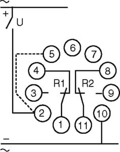
                      Monitoimi U
 
                      K-toiminto
 
                      Monitoimi U
 
                      L/Li (2-5 linkitetään L-toiminnolle)
 
            
        Jouni Pulli