DIS SENSORS

QG40-kallistusanturi, 2-akselia

Perusmalli kahdella akselilla

QG-sarjan kulma-antureilla voidaan mitata kulmaa yhdellä tai kahdella akselilla
  • Kaksi akselia
  • ±10°, ±30° tai ±90°, myös muita kulmia saatavana
  • Ulostulo 0,5-4,5 V, 4-20 mA
  • IP67

Valitse tuote

Valitse tuote

Valitse tuote

Tekniset tiedot

Tiedot

Tunnistusetäisyys ±10°
Akselien määrä 2 kpl
Ulostulo 0,5-4,5 V
Liitäntä M12
Max. jännite DC 30 V
Min. jännite DC 10 V
IP-luokka IP67
Kotelon materiaali Muovi
Leveys 40 mm

*Invisible Heading*

Pituus 40 mm
Korkeus 24,7 mm
Tarkkuus 0,3 °
Resoluutio 0,03 °
Lämpötilan vaikutus 0,01 °/K
Min. käyttölämpötila -25 °C
Max. käyttölämpötila 85 °C
Hyväksynnät CE

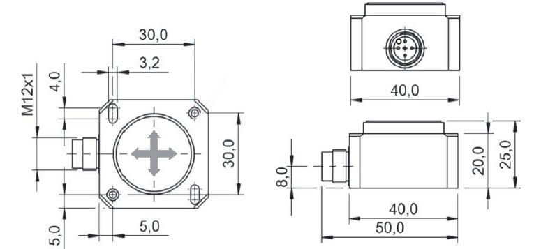
Mitat ja kytkennät

Tekniset kuvat

Tuotekuvaus

QG-sarjan kulma-antureilla voidaan mitata kulmaa yhdellä tai kahdella akselilla. Anturi hyödyntää MEMS-teknologiaa, joka perustuu kahden pinnan välimatkan muutokseen. Kahden pinnan välinen kapasitanssi, siis varauksen varastointikyky, riippuu niiden etäisyydestä ja päällekkäisen alueen pinta-alasta. Tämä tieto muutetaan analogiseen muotoon mikropiirissä. Tekniikka mahdollistaa anturin pienen koon ja toiminnan myös todella vaativissa olosuhteissa.


Kallistusantureita käytetään kohteissa missä vaaditaan tarkkaa paikoitusta tai jatkuvaa kulman mittausta verrattuna maanvetovoiman suuntaan. Kiihtyvyysantureita käytetään kohteissa missä halutaan mitata nopeita liikkeitä ja kiihtyvyyksiä. Käyttökohteita ovat mm. nosto- ja siirtolaitteet, maanviljelys- ja metsäkoneet, lastauslaitteet, tasojen valvonta, liikennevälineet, tuulimyllyt ja tärinän mittaus esim. ennakoivassa kunnossapidossa.

Kotelointivaihtoehtoina ovat muovi-, alumiini- tai ruostumatonteräskotelo.  

 

Tekniset tiedot

 

 Kallistusanturit, yksiakselinen

 ±10°, ±30°, ±90°, 360°, saadaan myös ohjelmoituna halutulle kulmalle  

 Kallistusanturit, kaksiakselinen

 ±10°, ±30°, ±90°, saadaan myös ohjelmoituna halutulle kulmalle

Kiihtyvyysanturit

±0,26 G...±16 G

 Käyttöjännite

 5 V DC tai 10-30 V DC, kysy 5V:n tyypit anturiosastoltamme

 Ulostulo

 0,5-4,5V tai 4-20 mA, PNP/NPN, CANopen, kysy PNP/NPN tyypit anturiosastoltamme

 Tarkkuus

 Parhaimmillaan 0,003 G

 Kotelointiluokka

 IP67

 

 

Anturin toiminta-asento

QGseries_InclinationSensorHorisontal.tif

Produktbild LBX212500

 

Tarvikkeet

Saatat olla kiinnostunut näistä



Äänitiedostot

Lisää luettavaa

Suosikit Tilausnumero: Tunnistusetäisyys Akselien määrä Ulostulo Liitäntä Max. jännite DC Min. jännite DC IP-luokka Kotelon materiaali Leveys Pituus Korkeus Tarkkuus Resoluutio Lämpötilan vaikutus Min. käyttölämpötila Max. käyttölämpötila Hyväksynnät Hinta
±10°
2 kpl
0,5-4,5 V
M12
30 V
10 V
IP67
Muovi
40 mm
40 mm
24,7 mm
0,3 °
0,03 °
0,01 °/K
-25 °C
85 °C
CE
±10°
2 kpl
4-20 mA
M12
30 V
10 V
IP67
Muovi
40 mm
40 mm
24,7 mm
0,3 °
0,03 °
0,01 °/K
-25 °C
85 °C
CE
±30°
2 kpl
0,5-4,5 V
M12
30 V
10 V
IP67
Muovi
40 mm
40 mm
24,7 mm
0,6 °
0,03 °
0,01 °/K
-25 °C
85 °C
CE
±30°
2 kpl
4-20 mA
M12
30 V
10 V
IP67
Muovi
40 mm
40 mm
24,7 mm
0,6 °
0,03 °
0,01 °/K
-25 °C
85 °C
CE
±90°
2 kpl
0,5-4,5 V
M12
30 V
10 V
IP67
Muovi
40 mm
40 mm
24,7 mm
0,9 °
0,03 °
0,01 °/K
-25 °C
85 °C
CE
±90°
2 kpl
4-20 mA
M12
30 V
10 V
IP67
Muovi
40 mm
40 mm
24,7 mm
0,9 °
0,03 °
0,01 °/K
-25 °C
85 °C
CE
±360°
1 kpl
4-20 mA
M12
30 V
10 V
IP67
Muovi
40 mm
40 mm
24,7 mm
0,5 °
0,1 °
0,04 °/K
-25 °C
85 °C
CE

Valittu tuote

Valitse tuote listalta.

Teknisiä neuvoja

Riku Eerola

Tuotepäällikkö

Asiakaspalvelu
Asiakaspalvelumme vastaa kysymyksiin ja etsii ratkaisut ongelmiin. Heille voit jättää myös tilauksesi.
FAQ
+ Miten tullaan asiakkaaksenne?
+ Olen sopinut puskurivarastosta, voinko tilata verkkokaupan kautta?
+ Voiko samalla tilillä olla useita käyttäjiä?
+ Voiko samassa tilauksessa olla useampia toimituspäiviä?
+ Voiko tilauksen toimittaa väliaikaiseen toimitusosoitteeseen?
Chatti
Tarvitsetko apua?
Logo

Evästeet oem.fi sivustolla

Evästeiden avulla voimme palvella sinua paremmin ja varmistamme sivuston sujuvan toiminnan. Voit hallinnoida evästeasetuksia koska tahansa.

Toiminnalliset evästeet

Nämä evästeet ovat välttämättömiä verkkosivuston toimimiseksi, eikä niitä voi poistaa käytöstä järjestelmissämme. Niitä käytetään yleensä vain vastauksena toimiin, jotka olet tehnyt palvelupyynnön yhteydessä, esimerkiksi henkilökohtaisten asetusten määrittämisen, kirjautumisen tai lomakkeen täyttämisen yhteydessä.

Tilastolliset evästeet

Tilastollisten evästeiden avulla seuraamme verkkosivustomme kävijöiden toimintaa ja teemme analyyseja, joiden avulla voimme optimoida verkkosivustoamme. Tämä tarkoittaa, että voimme kehittää sivustoamme toimivammaksi ja palvelemaan kävijöitä paremmin. Jos et hyväksy näitä evästeitä, emme tiedä, milloin olet käynyt sivustollamme. Voit kuitenkin käyttää sivustoamme normaalisti.

Markkinointievästeet

Markkinointievästeiden avulla voimme kohdentaa sinulle mainoksia eri verkkosivustoilla tai sisältöä sosiaalisessa mediassa. Näitä evästeitä asettavat kolmannen osapuolen mainonta- ja kohdistustyökalut. Evästeiden kautta nämä toimijat voivat muodostaa profiilin kiinnostuksesi kohteista. Jos et hyväksy näitä evästeitä, et näe kohdennettua markkinointia etkä mahdollisesti voi käyttää sosiaalisen median jakotyökaluja.