CASTELL

Castell pysähtymisvahti BEMF

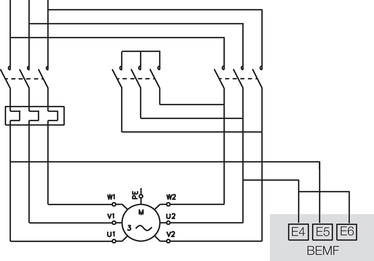
Castell BEMF pysähtymisvahtia käytetään, kun koneen pysähtymisaikaa ei tiedetä.

BEMF pysähtymisvahti valvoo 1- tai 3-vaihe moottorin pysähtymistä ilman ylimääräisiä antureita.

 

Kääntämällä koodattu avain "RUN" asennosta "OFF" asentoon, BEMF:n mikroprosessorit valvovat moottorin vaiheiden välistä jännitettä. Kun moottori pysähtyy, aktivoituu solenoidi ja avaimen voi kääntää "OFF" asennosta "KEY FREE" asentoon ja vapauttaa.

 

Normaali tilassa koodattu avain on lukittuna kytkimeen. Ainoastaan, kun moottori on pysähtynyt, voidaan avain vapauttaa ja sillä voidaan avata esim. MAI-ovilukko.

 

 

Lue lisää
  • 1- ja 3 vaihemoottoreille
  • AC tai DC moottoreille 600 V asti
  • 2 NC + 2 PNP ulostulot

Valitse tuote

Castell pysähtymisvahti BEMF

Tuotenumero:

Valitse tuote

Tekniset tiedot

Hyväksynnät UL
IP-luokka IP65
Kotelon materiaali Maalattu levy
Liitäntä 2xM20
Lukon materiaali Messinki
Max. kytkentäjännite 250 V
Max. kytkentävirta 8 A
Max. käyttölämpötila 55 °C
Max. moottorijännite 600 V
Min. käyttölämpötila -5 °C
Paino 5 kg
Tehonkulutus 18 W
Turvaluokka PLe

Tuotekuvaus

Castell BEMF pysähtymisvahtia käytetään, kun koneen pysähtymisaikaa ei tiedetä.

BEMF pysähtymisvahti valvoo 1- tai 3-vaihe moottorin pysähtymistä ilman ylimääräisiä antureita.

 

Kääntämällä koodattu avain "RUN" asennosta "OFF" asentoon, BEMF:n mikroprosessorit valvovat moottorin vaiheiden välistä jännitettä. Kun moottori pysähtyy, aktivoituu solenoidi ja avaimen voi kääntää "OFF" asennosta "KEY FREE" asentoon ja vapauttaa.

 

Normaali tilassa koodattu avain on lukittuna kytkimeen. Ainoastaan, kun moottori on pysähtynyt, voidaan avain vapauttaa ja sillä voidaan avata esim. MAI-ovilukko.

 

 

Tilaustiedot

Tilausavain:

 

Tarvikkeet

Saatat olla kiinnostunut näistä



Äänitiedostot

Lisää luettavaa

Teknisiä neuvoja

Tony Tarr

Tuotepäällikkö

Asiakaspalvelu
Asiakaspalvelumme vastaa kysymyksiin ja etsii ratkaisut ongelmiin. Heille voit jättää myös tilauksesi.
FAQ
+ Miten tullaan asiakkaaksenne?
+ Olen sopinut puskurivarastosta, voinko tilata verkkokaupan kautta?
+ Voiko samalla tilillä olla useita käyttäjiä?
+ Voiko samassa tilauksessa olla useampia toimituspäiviä?
+ Voiko tilauksen toimittaa väliaikaiseen toimitusosoitteeseen?
Chatti
Tarvitsetko apua?
Logo

Evästeet oem.fi sivustolla

Evästeiden avulla voimme palvella sinua paremmin ja varmistamme sivuston sujuvan toiminnan. Voit hallinnoida evästeasetuksia koska tahansa.

Toiminnalliset evästeet

Nämä evästeet ovat välttämättömiä verkkosivuston toimimiseksi, eikä niitä voi poistaa käytöstä järjestelmissämme. Niitä käytetään yleensä vain vastauksena toimiin, jotka olet tehnyt palvelupyynnön yhteydessä, esimerkiksi henkilökohtaisten asetusten määrittämisen, kirjautumisen tai lomakkeen täyttämisen yhteydessä.

Tilastolliset evästeet

Tilastollisten evästeiden avulla seuraamme verkkosivustomme kävijöiden toimintaa ja teemme analyyseja, joiden avulla voimme optimoida verkkosivustoamme. Tämä tarkoittaa, että voimme kehittää sivustoamme toimivammaksi ja palvelemaan kävijöitä paremmin. Jos et hyväksy näitä evästeitä, emme tiedä, milloin olet käynyt sivustollamme. Voit kuitenkin käyttää sivustoamme normaalisti.

Markkinointievästeet

Markkinointievästeiden avulla voimme kohdentaa sinulle mainoksia eri verkkosivustoilla tai sisältöä sosiaalisessa mediassa. Näitä evästeitä asettavat kolmannen osapuolen mainonta- ja kohdistustyökalut. Evästeiden kautta nämä toimijat voivat muodostaa profiilin kiinnostuksesi kohteista. Jos et hyväksy näitä evästeitä, et näe kohdennettua markkinointia etkä mahdollisesti voi käyttää sosiaalisen median jakotyökaluja.