CASTELL
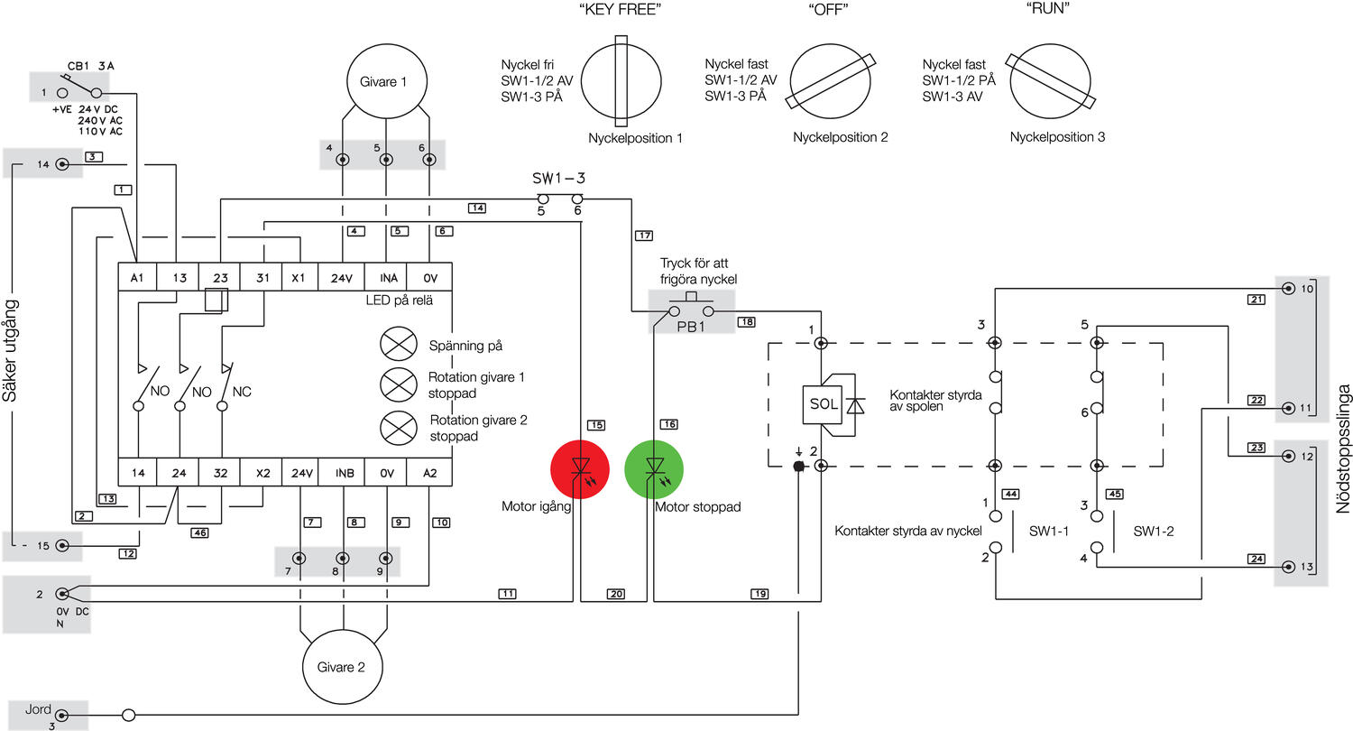
Castell MSI pysähtymisvahtia käytetään, kun koneen pysähtymisaikaa ei tiedetä.
Valvonta suoritetaan suoraan liikkuvasta osasta (esim. moottorista), kahden anturin avulla. Kääntämällä koodattu avain "RUN" asennosta "OFF" asentoon, MSI:n mikroprosessori valvoo liikkuvan/pyörivän osan pysähtymisen.
Kun liike on pysähtynyt, aktivoituu solenoidi ja avaimen voi kääntää "OFF" asennosta "KEY FREE" asentoon ja vapauttaa.
Normaali tilassa koodattu avain on lukittuna kytkimeen. Ainoastaan, kun liike on pysähtynyt, voidaan avain vapauttaa ja sillä voidaan avata esim. MAI ovilukko.

| Asennus | 4xM8 |
|---|---|
| Hyväksynnät | CE |
| IP-luokka | IP65 |
| Kotelon materiaali | Maalattu levy |
| Liitäntä | 2xM20 |
| Lukon materiaali | Messinki |
| Max. kytkentäjännite | 250 V |
| Max. kytkentävirta | 6 A |
|---|---|
| Max. ympäristön lämpötila | 55 °C |
| Min. ympäristön lämpötila | -5 °C |
| Paino | 5 kg |
| Tehonkulutus | 18 W |
| Turvaluokka | PLe |
Castell MSI pysähtymisvahtia käytetään, kun koneen pysähtymisaikaa ei tiedetä.
Valvonta suoritetaan suoraan liikkuvasta osasta (esim. moottorista), kahden anturin avulla. Kääntämällä koodattu avain "RUN" asennosta "OFF" asentoon, MSI:n mikroprosessori valvoo liikkuvan/pyörivän osan pysähtymisen.
Kun liike on pysähtynyt, aktivoituu solenoidi ja avaimen voi kääntää "OFF" asennosta "KEY FREE" asentoon ja vapauttaa.
Normaali tilassa koodattu avain on lukittuna kytkimeen. Ainoastaan, kun liike on pysähtynyt, voidaan avain vapauttaa ja sillä voidaan avata esim. MAI ovilukko.

Tilausavain:

Olemme laajentaneet tuotevalikoimaamme ja aloittaneet yhteistyön NTF Aalborg A/S:n kanssa. Lue lisää!
Turun Eläinsuojeluyhdistys auttaa Turun sekä lähialueiden kodittomia lemmikkejä sekä luonnonvaraisia eläimiä.
Teollisuusympäristöissä tapahtuvat räjähdykset voivat aiheuttaa vakavia vahinkoja sekä ihmisille että omaisuudelle. ATEX varmistaa, että sekä laitteet että työprosessit on suunniteltu minimoimaan nämä riskit ja luomaan turvallinen työympäristö.
Yli 70 vuoden kokemuksellaan Akapp-Stemmann (Wabtec Netherlands) on yksi maailman tunnetuimmista virtakiskostojen valmistajista.
OEM:n järjestää ensiapukoulutuksen kolmen vuoden välein ryhmälle työntekijöitä eri puolita organisaatiota.
Tunnustus myönnettiin ansiokkaasta ja pitkäjänteisestä yhteistyöstä ammattiopisto Spesian kanssa.
Tony Tarr