BERNSTEIN
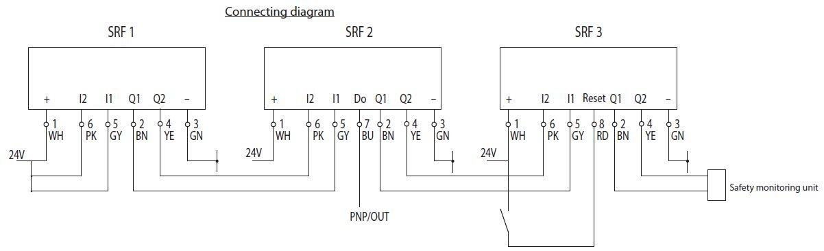
SRF (Safety RFID)
Kosketukseton turva-anturi, jolla voidaan valvoa
esim. ovien ja luukkujen tilaa.

Kytkimen ominaisuudet |
|
|---|---|
| Liitäntä | 8-napainen M12-liitin |
| Asennus | 2 x Ø4,5mm |
| IP-luokka | IP69 |
| Min. käyttölämpötila | -25 °C |
| Max. käyttölämpötila | 70 °C |
| Tunnistusetäisyys | 13 mm |
| Syöttöjännite | 24 V DC |
*Invisible Heading* |
|
|---|---|
| PL | PLe, EN ISO 13849-1 mukaan |
| SIL CL | 3 |
| Turvaluokka | 4, EN ISO 13849-1 mukaan |
| Turvaulostulot | 2 x OSSD |
| Hyväksynnät | CE, CSA US, TÜV NORD |
SRF (Safety RFID)
Kosketukseton turva-anturi, jolla voidaan valvoa
esim. ovien ja luukkujen tilaa.

Yli 70 vuoden kokemuksellaan Akapp-Stemmann (Wabtec Netherlands) on yksi maailman tunnetuimmista virtakiskostojen valmistajista.
OEM:n järjestää ensiapukoulutuksen kolmen vuoden välein ryhmälle työntekijöitä eri puolita organisaatiota.
Tunnustus myönnettiin ansiokkaasta ja pitkäjänteisestä yhteistyöstä ammattiopisto Spesian kanssa.
Laadukas valaistus ei ole pelkästään riittävä määrä valoa, vaan siihen liittyy useita teknisiä ja kokemuksellisia tekijöitä, kuten mm. värintoisto, häikäisy, energiatehokkuus ja käyttöikä.
Olemme mukana Teknologia-messuilla, osastolla 6d60! Tule haistelemaan messutunnelmaa ja juttelemaan. Nähdään Helsingissä 4.–6.11.2025!
SNR:n ruostumattomasta teräksestä valmistettu yksikönlaakeri on täytetty elintarvikehyväksytyllä LUBSOLID “Full Pack” -voiteluaineella. Yksiköitä on saatavana joko ruostumattomalla tai muovisella laakeripesällä, ja myös sisälaakerit ovat saatavilla erikseen.
|
|
|
|
|
|
||
|---|---|---|---|---|---|---|
|
|
|
|
|
|
||
|
|
|
|
|
|
||
|
|
|
|
|
|
||
|
|
|
|
|
|
||
|
|
|
|
|
|
||
|
|
|
|
|
|
| Suosikit | Tilausnumero: | Liitäntä | Asennus | IP-luokka | Min. käyttölämpötila | Max. käyttölämpötila | Tunnistusetäisyys | Syöttöjännite | PL | SIL CL | Turvaluokka | Turvaulostulot | Hyväksynnät | Hinta | |
|---|---|---|---|---|---|---|---|---|---|---|---|---|---|---|---|
|
SRF turvaraja, RFID, 2xOSSD, M12 5-nap, matalatason koodaus
Tuotenumero:
607.5685.121
Kopioitu!
|
5-napainen M12-liitin
|
2 x Ø4,5mm
|
IP69
|
-25 °C
|
70 °C
|
13 mm
|
24 V DC
|
PLe, EN ISO 13849-1 mukaan
|
3
|
4, EN ISO 13849-1 mukaan
|
2 x OSSD
|
CE, CSA US, TÜV NORD
|
| ||
|
SRF turvaraja, RFID, 2xOSSD, M12 5-nap, korkeatason koodaus
Tuotenumero:
607.5685.120
Kopioitu!
|
5-napainen M12-liitin
|
2 x Ø4,5mm
|
IP69
|
-25 °C
|
70 °C
|
13 mm
|
24 V DC
|
PLe, EN ISO 13849-1 mukaan
|
3
|
4, EN ISO 13849-1 mukaan
|
2 x OSSD
|
CE, CSA US, TÜV NORD
|
| ||
|
SRF turvaraja, RFID, 2xOSSD, 2m kaapeli, 5-nap, matalatason koodaus
Tuotenumero:
607.5685.118
Kopioitu!
|
5-napainen M12-liitin
|
2 x Ø4,5mm
|
IP69
|
-25 °C
|
70 °C
|
13 mm
|
24 V DC
|
PLe, EN ISO 13849-1 mukaan
|
3
|
4, EN ISO 13849-1 mukaan
|
2 x OSSD
|
CE, CSA US, TÜV NORD
|
| ||
|
SRF turvaraja, RFID, 2xOSSD, 2m kaapeli, 5-nap, korkeatason koodaus
Tuotenumero:
607.5685.079
Kopioitu!
|
5-napainen M12-liitin
|
2 x Ø4,5mm
|
IP69
|
-25 °C
|
70 °C
|
13 mm
|
24 V DC
|
PLe, EN ISO 13849-1 mukaan
|
3
|
4, EN ISO 13849-1 mukaan
|
2 x OSSD
|
CE, CSA US, TÜV NORD
|
| ||
|
SRF turvaraja, RFID, 2xOSSD, M12 8-nap, sarjaankytkettävä, matalatason koodaus
Tuotenumero:
607.5685.096
Kopioitu!
|
8-napainen M12-liitin
|
2 x Ø4,5mm
|
IP69
|
-25 °C
|
70 °C
|
13 mm
|
24 V DC
|
PLe, EN ISO 13849-1 mukaan
|
3
|
4, EN ISO 13849-1 mukaan
|
2 x OSSD
|
CE, CSA US, TÜV NORD
|
| ||
|
SRF turvaraja, RFID, 2xOSSD, M12 8-nap, sarjaankytkettävä, korkeatason koodaus
Tuotenumero:
607.5685.095
Kopioitu!
|
8-napainen M12-liitin
|
2 x Ø4,5mm
|
IP69
|
-25 °C
|
70 °C
|
13 mm
|
24 V DC
|
PLe, EN ISO 13849-1 mukaan
|
3
|
4, EN ISO 13849-1 mukaan
|
2 x OSSD
|
CE, CSA US, TÜV NORD
|
| ||
|
SRF turvaraja, RFID, 2xOSSD, M12 8-nap, sarjaankytkettävä, matalatason koodaus, DCD
Tuotenumero:
607.5685.102
Kopioitu!
|
8-napainen M12-liitin
|
2 x Ø4,5mm
|
IP69
|
-25 °C
|
70 °C
|
13 mm
|
24 V DC
|
PLe, EN ISO 13849-1 mukaan
|
3
|
4, EN ISO 13849-1 mukaan
|
2 x OSSD
|
CE, CSA US, TÜV NORD
|
| ||
|
SRF turvaraja, RFID, 2xOSSD, M12 8-nap, sarjaankytkettävä, korkeatason koodaus, DCD
Tuotenumero:
607.5685.101
Kopioitu!
|
8-napainen M12-liitin
|
2 x Ø4,5mm
|
IP69
|
-25 °C
|
70 °C
|
13 mm
|
24 V DC
|
PLe, EN ISO 13849-1 mukaan
|
3
|
4, EN ISO 13849-1 mukaan
|
2 x OSSD
|
CE, CSA US, TÜV NORD
|
| ||
|
SRF turvarajakytkimen vastakappale
Tuotenumero:
607.5687.078
Kopioitu!
|
|
|
|
|
|
|
|
|
|
|
|
|
| ||
|
SRF turvarajakytkimen vastakappale, pieni
Tuotenumero:
607.5687.144
Kopioitu!
|
|
|
|
|
|
|
|
|
|
|
|
|
|
Valitse tuote listalta.
Joni Henninen