BEI SENSORS

AHM3 magneettinen analogia-anturi

Pienoisanturi

Yksikierrosanturi analogia ulostulolla.
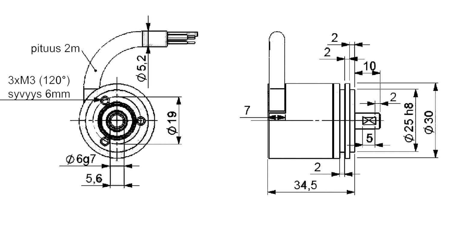
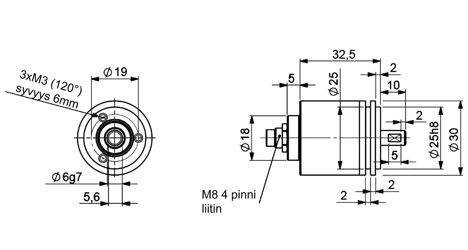
  • Halkaisija 30 mm, 6 mm akselilla
  • Resoluutio max. 12 bit
  • Ulostulo 0-10 V, 0,5-4,5 V, 0-20 mA tai 4-20 mA
  • IP65, optiot IP67 ja IP69K
  • 2 m kaapeli tai M8-liitin

Valitse tuote

Valitse tuote

Valitse tuote

Tekniset tiedot

Tiedot

Anturin tyyppi Absoluuttianturi
Kotelon halkaisija 30 mm
Akselin halkaisija 6 mm
Resoluutio Max. 12 bit
Liitäntä M8
IP-luokka IP65
Max. pyörimisnopeus 6000 rpm

*Invisible Heading*

Min. syöttöjännite DC 10 V DC
Max. syöttöjännite DC 30 V DC
Min. käyttölämpötila -40 °C
Max. käyttölämpötila 85 °C
Ulostulo 0-10 V
Versio Yksikierros

Mitat ja kytkennät

Tekniset kuvat

Tuotekuvaus

BEI Sensorin magneettianturi koostuu magneetista ja mikropiiristä, joka sisältää Hall-anturin.
Magneettianturi on suunniteltu vaativaan ympäristöön; optiona käyttölämpötila-alue -40ºC...+125ºC, hyvä iskun- ja tärinän kesto ja kotelointiluokka jopa IP69K.

Soveltuu myös kohteisiin, joissa on voimakas ulkopuolinen magneettikenttä.
Anturi antaa kierroksen aikana analogiaviestin, vaihtoehtona 0-10 V, 0,5-4,5 V, 0-20 mA tai 4-20 mA.
Käyttökohteina mm. metsäkoneet, maansiirtokoneet, maatalouskoneet ja materiaalinkäsittelykoneet.

 

Tarvikkeet

Saatat olla kiinnostunut näistä



Äänitiedostot

Lisää luettavaa

Suosikit Tilausnumero: Anturin tyyppi Kotelon halkaisija Akselin halkaisija Resoluutio Liitäntä IP-luokka Max. pyörimisnopeus Min. syöttöjännite DC Max. syöttöjännite DC Min. käyttölämpötila Max. käyttölämpötila Ulostulo Versio Hinta
Absoluuttianturi
30 mm
6 mm
Max. 12 bit
M8
IP65
6000 rpm
10 V DC
30 V DC
-40 °C
85 °C
0-10 V
Yksikierros
Absoluuttianturi
30 mm
6 mm
Max. 12 bit
M8
IP65
6000 rpm
10 V DC
30 V DC
-40 °C
85 °C
4-20 mA
Yksikierros

Valittu tuote

Valitse tuote listalta.

Teknisiä neuvoja

Riku Eerola

Tuotepäällikkö

Asiakaspalvelu
Asiakaspalvelumme vastaa kysymyksiin ja etsii ratkaisut ongelmiin. Heille voit jättää myös tilauksesi.
FAQ
+ Miten tullaan asiakkaaksenne?
+ Olen sopinut puskurivarastosta, voinko tilata verkkokaupan kautta?
+ Voiko samalla tilillä olla useita käyttäjiä?
+ Voiko samassa tilauksessa olla useampia toimituspäiviä?
+ Voiko tilauksen toimittaa väliaikaiseen toimitusosoitteeseen?
Chatti
Tarvitsetko apua?
Logo

Evästeet oem.fi sivustolla

Evästeiden avulla voimme palvella sinua paremmin ja varmistamme sivuston sujuvan toiminnan. Voit hallinnoida evästeasetuksia koska tahansa.

Toiminnalliset evästeet

Nämä evästeet ovat välttämättömiä verkkosivuston toimimiseksi, eikä niitä voi poistaa käytöstä järjestelmissämme. Niitä käytetään yleensä vain vastauksena toimiin, jotka olet tehnyt palvelupyynnön yhteydessä, esimerkiksi henkilökohtaisten asetusten määrittämisen, kirjautumisen tai lomakkeen täyttämisen yhteydessä.

Tilastolliset evästeet

Tilastollisten evästeiden avulla seuraamme verkkosivustomme kävijöiden toimintaa ja teemme analyyseja, joiden avulla voimme optimoida verkkosivustoamme. Tämä tarkoittaa, että voimme kehittää sivustoamme toimivammaksi ja palvelemaan kävijöitä paremmin. Jos et hyväksy näitä evästeitä, emme tiedä, milloin olet käynyt sivustollamme. Voit kuitenkin käyttää sivustoamme normaalisti.

Markkinointievästeet

Markkinointievästeiden avulla voimme kohdentaa sinulle mainoksia eri verkkosivustoilla tai sisältöä sosiaalisessa mediassa. Näitä evästeitä asettavat kolmannen osapuolen mainonta- ja kohdistustyökalut. Evästeiden kautta nämä toimijat voivat muodostaa profiilin kiinnostuksesi kohteista. Jos et hyväksy näitä evästeitä, et näe kohdennettua markkinointia etkä mahdollisesti voi käyttää sosiaalisen median jakotyökaluja.