BEI SENSORS

ACW4 - kosketukseton CANopen-absoluuttianturi, yksikierros

CanOpen yksikierros

ACW4 perustuu magneettitekniikkaan ja vaatii magneetin anturin vastapuolelle, mitään mekaanista kontaktia ei tarvita.
  • Kosketukseton yksikierros CANopen-absoluuttianturi magneettitekniikalla
  • Resoluutio 12 bit
  • Vankka rakenne kestää hyvin tärinää ja iskuja
  • IP67, optio IP69K

Valitse tuote

Kosketukseton absoluuttianturi, CANopen

Kosketukseton absoluuttianturi, CANopen

Tuotenumero:

Valitse tuote

Tekniset tiedot

Tiedot

Anturin tyyppi Absoluuttianturi
Kotelon halkaisija 52 mm
Resoluutio Max. 12 bit
Liitäntä Kaapeli
IP-luokka IP67
Min. syöttöjännite DC 5 V DC

*Invisible Heading*

Max. syöttöjännite DC 30 V DC
Min. käyttölämpötila -40 °C
Max. käyttölämpötila 85 °C
Ulostulo CANopen
Versio Yksikierros

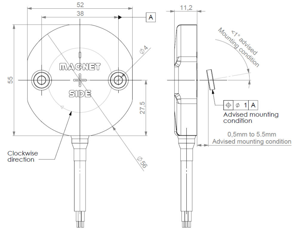
Mitat ja kytkennät

Tekniset kuvat

Tuotekuvaus

Kosketuksettomat anturit perustuvat magneettitekniikkaan ja vaativat vain magneetin anturin vastapuolelle, mitään mekaanista kontaktia ei enää tarvita.

Anturia on saatavissa normaalilla pulssiulostulolla (max. 1024 p/k) tai absoluuttisena, yksi- tai monikierroksisena, CANopen tai SSI-ulostulolla.

 

Magneettianturi koostuu kahdesta osasta; polarisoidusta magneetista ja mikropiiristä, joka sisältää Hall-anturin.

Kun magneetti pyörii mikropiirin yläpuolella saadaan ulostulona sini/kosini aaltoa.
Tämän jälkeen sini/kosini aalto muutetaan absoluuttiseksi kulma tiedoksi.

 

Magneettianturit ovat suunniteltu vaativiin ympäristöihin, osoituksena tästä:

- käyttölämpötila alue jopa –40…+125 °C

- hyvä iskun ja tärinän kesto

- suojattu pölyltä ja kosteudelta, IP67 (optio IP69K)

 

Tilaustiedot

Tilausnumerot

Tilauskoodi

 

Tyyppi

Käyttöjännite

Ulostulo

Koodi

Resoluutio

Kytkentä

Kaapeli

ACW4:
Absoluutti yksikierros

00:
Modulaarinen

P: :
5...30 V DC

BB:
CANopen

B :
Binääri

12:
4096 pulssia/kierros (12-bit.)
(2
12 )

BB:
PVC kaapeli+
DB9 CANopen

R020 :
2 m kaapeli

Esim. ACW4_

00 //

P

BB

V

// 12 //

BB

R020

 

 

 

Tarvikkeet

Saatat olla kiinnostunut näistä



Äänitiedostot

Lisää luettavaa

Teknisiä neuvoja

Riku Eerola

Tuotepäällikkö

Asiakaspalvelu
Asiakaspalvelumme vastaa kysymyksiin ja etsii ratkaisut ongelmiin. Heille voit jättää myös tilauksesi.
FAQ
+ Miten tullaan asiakkaaksenne?
+ Olen sopinut puskurivarastosta, voinko tilata verkkokaupan kautta?
+ Voiko samalla tilillä olla useita käyttäjiä?
+ Voiko samassa tilauksessa olla useampia toimituspäiviä?
+ Voiko tilauksen toimittaa väliaikaiseen toimitusosoitteeseen?
Chatti
Tarvitsetko apua?
Logo

Evästeet oem.fi sivustolla

Evästeiden avulla voimme palvella sinua paremmin ja varmistamme sivuston sujuvan toiminnan. Voit hallinnoida evästeasetuksia koska tahansa.

Toiminnalliset evästeet

Nämä evästeet ovat välttämättömiä verkkosivuston toimimiseksi, eikä niitä voi poistaa käytöstä järjestelmissämme. Niitä käytetään yleensä vain vastauksena toimiin, jotka olet tehnyt palvelupyynnön yhteydessä, esimerkiksi henkilökohtaisten asetusten määrittämisen, kirjautumisen tai lomakkeen täyttämisen yhteydessä.

Tilastolliset evästeet

Tilastollisten evästeiden avulla seuraamme verkkosivustomme kävijöiden toimintaa ja teemme analyyseja, joiden avulla voimme optimoida verkkosivustoamme. Tämä tarkoittaa, että voimme kehittää sivustoamme toimivammaksi ja palvelemaan kävijöitä paremmin. Jos et hyväksy näitä evästeitä, emme tiedä, milloin olet käynyt sivustollamme. Voit kuitenkin käyttää sivustoamme normaalisti.

Markkinointievästeet

Markkinointievästeiden avulla voimme kohdentaa sinulle mainoksia eri verkkosivustoilla tai sisältöä sosiaalisessa mediassa. Näitä evästeitä asettavat kolmannen osapuolen mainonta- ja kohdistustyökalut. Evästeiden kautta nämä toimijat voivat muodostaa profiilin kiinnostuksesi kohteista. Jos et hyväksy näitä evästeitä, et näe kohdennettua markkinointia etkä mahdollisesti voi käyttää sosiaalisen median jakotyökaluja.