BEI SENSORS

IO-link-anturi, monikierrosabsoluutti, kosketukseton

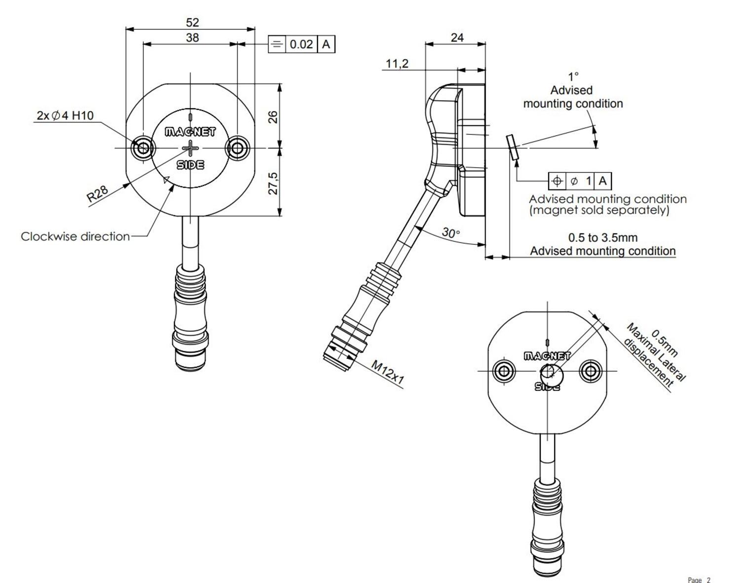
IO-link monikierros

Perustuu magneettitekniikkaan ja vaatii magneetin anturin vastapuolelle, mitään mekaanista kontaktia ei tarvita.
  • Kosketukseton monikierrosabsoluuttianturi magneettitekniikalla
  • 12-bit resoluutiolle ja 16-bit kierroksille
  • Vankka rakenne kestää hyvin tärinää ja iskuja
  • IP65, optio IP69K
  • Ohjelmoitavat parametrit: resoluutio, laskentasuunta ja nollapisteen paikka.

Valitse tuote

AHM5

Tuotenumero:

Valitse tuote

Tekniset tiedot

Tiedot

Anturin tyyppi Absoluuttianturi
Kotelon halkaisija 52 mm
Resoluutio Max. 12 bit resoluutiolle ja 16 bit kierroksille
Liitäntä Kaapeli, M12
IP-luokka IP65
Min. syöttöjännite DC 18 V DC

*Invisible Heading*

Max. syöttöjännite DC 30 V DC
Min. käyttölämpötila -40 °C
Max. käyttölämpötila 85 °C
Ulostulo IO-Link
Versio Monikierros

Tuotekuvaus

BEI Sensorsin kosketukseton vaihtoehto IO-link-väylään.
Anturisarja on suunniteltu kovaan teollisuuskäyttöön.
Antureissa on käyttölämpötila-alue on -20…+85C ja kotelointiluokka IP65.
Maksimi resoluutio on 12-bit.
Ohjelmoitavat parametrit ovat: resoluutio, laskentasuunta ja nollapisteen paikka.
Ohjelmointi tapahtuu helposti I/O-link-työkalulla.
Anturista saa myös käyttöaika- ja lämpötilatiedot.

 

Tarvikkeet

Saatat olla kiinnostunut näistä



Äänitiedostot

Lisää luettavaa

Teknisiä neuvoja

Riku Eerola

Tuotepäällikkö

Asiakaspalvelu
Asiakaspalvelumme vastaa kysymyksiin ja etsii ratkaisut ongelmiin. Heille voit jättää myös tilauksesi.
FAQ
+ Miten tullaan asiakkaaksenne?
+ Olen sopinut puskurivarastosta, voinko tilata verkkokaupan kautta?
+ Voiko samalla tilillä olla useita käyttäjiä?
+ Voiko samassa tilauksessa olla useampia toimituspäiviä?
+ Voiko tilauksen toimittaa väliaikaiseen toimitusosoitteeseen?
Chatti
Tarvitsetko apua?
Logo

Evästeet oem.fi sivustolla

Evästeiden avulla voimme palvella sinua paremmin ja varmistamme sivuston sujuvan toiminnan. Voit hallinnoida evästeasetuksia koska tahansa.

Toiminnalliset evästeet

Nämä evästeet ovat välttämättömiä verkkosivuston toimimiseksi, eikä niitä voi poistaa käytöstä järjestelmissämme. Niitä käytetään yleensä vain vastauksena toimiin, jotka olet tehnyt palvelupyynnön yhteydessä, esimerkiksi henkilökohtaisten asetusten määrittämisen, kirjautumisen tai lomakkeen täyttämisen yhteydessä.

Tilastolliset evästeet

Tilastollisten evästeiden avulla seuraamme verkkosivustomme kävijöiden toimintaa ja teemme analyyseja, joiden avulla voimme optimoida verkkosivustoamme. Tämä tarkoittaa, että voimme kehittää sivustoamme toimivammaksi ja palvelemaan kävijöitä paremmin. Jos et hyväksy näitä evästeitä, emme tiedä, milloin olet käynyt sivustollamme. Voit kuitenkin käyttää sivustoamme normaalisti.

Markkinointievästeet

Markkinointievästeiden avulla voimme kohdentaa sinulle mainoksia eri verkkosivustoilla tai sisältöä sosiaalisessa mediassa. Näitä evästeitä asettavat kolmannen osapuolen mainonta- ja kohdistustyökalut. Evästeiden kautta nämä toimijat voivat muodostaa profiilin kiinnostuksesi kohteista. Jos et hyväksy näitä evästeitä, et näe kohdennettua markkinointia etkä mahdollisesti voi käyttää sosiaalisen median jakotyökaluja.