Tiedot |
|
|---|---|
| Anturin tyyppi | Inkrementtianturi |
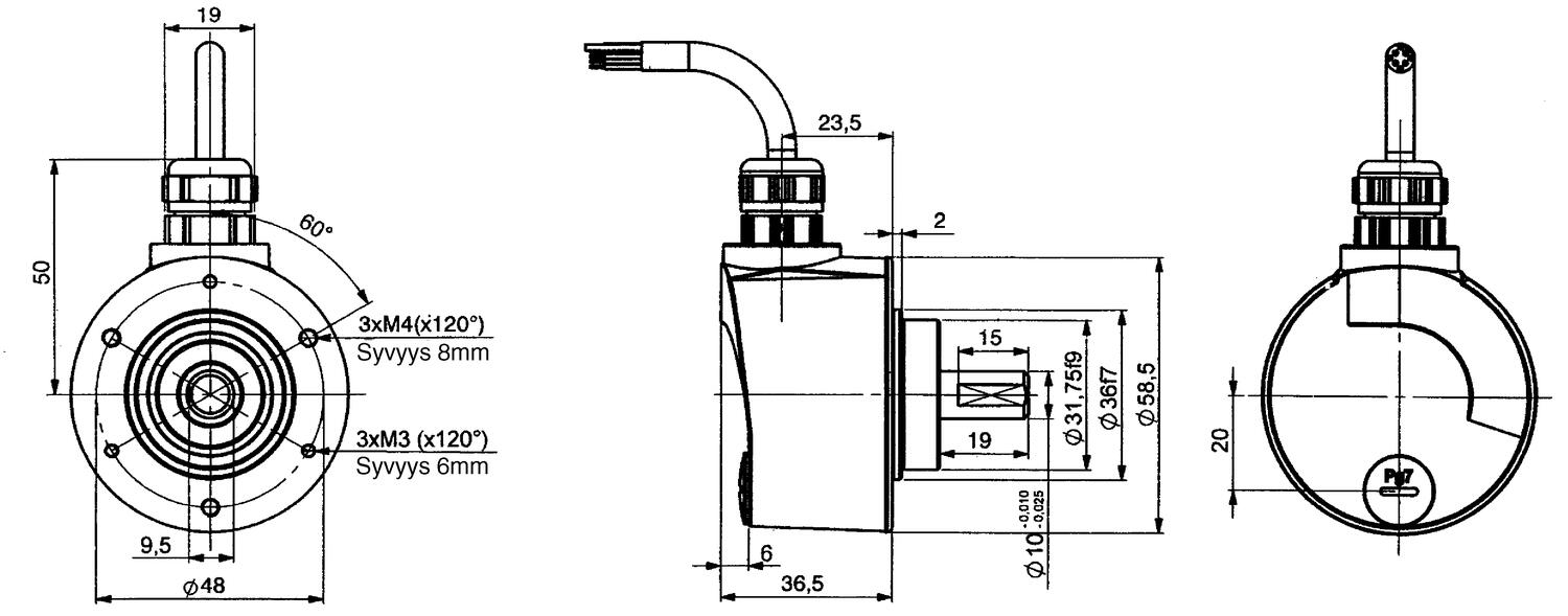
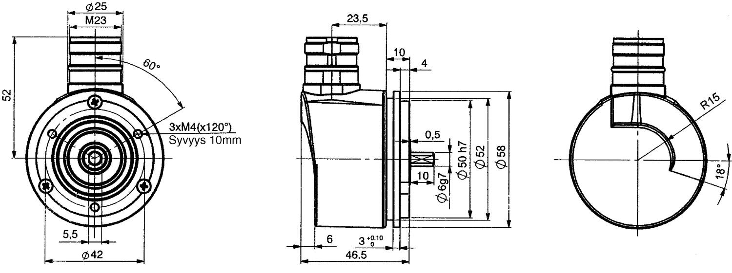
| Kotelon halkaisija | 58 mm |
| Akselin halkaisija | 10 mm |
| Resoluutio | 100 P/R |
| Liitäntä | Kaapeli |
| IP-luokka | IP65 |
| Max. pyörimisnopeus | 12000 rpm |
*Invisible Heading* |
|
|---|---|
| Min. syöttöjännite DC | 4,75 V DC |
| Max. syöttöjännite DC | 30 V DC |
| Min. käyttölämpötila | -30 °C |
| Max. käyttölämpötila | 100 °C |
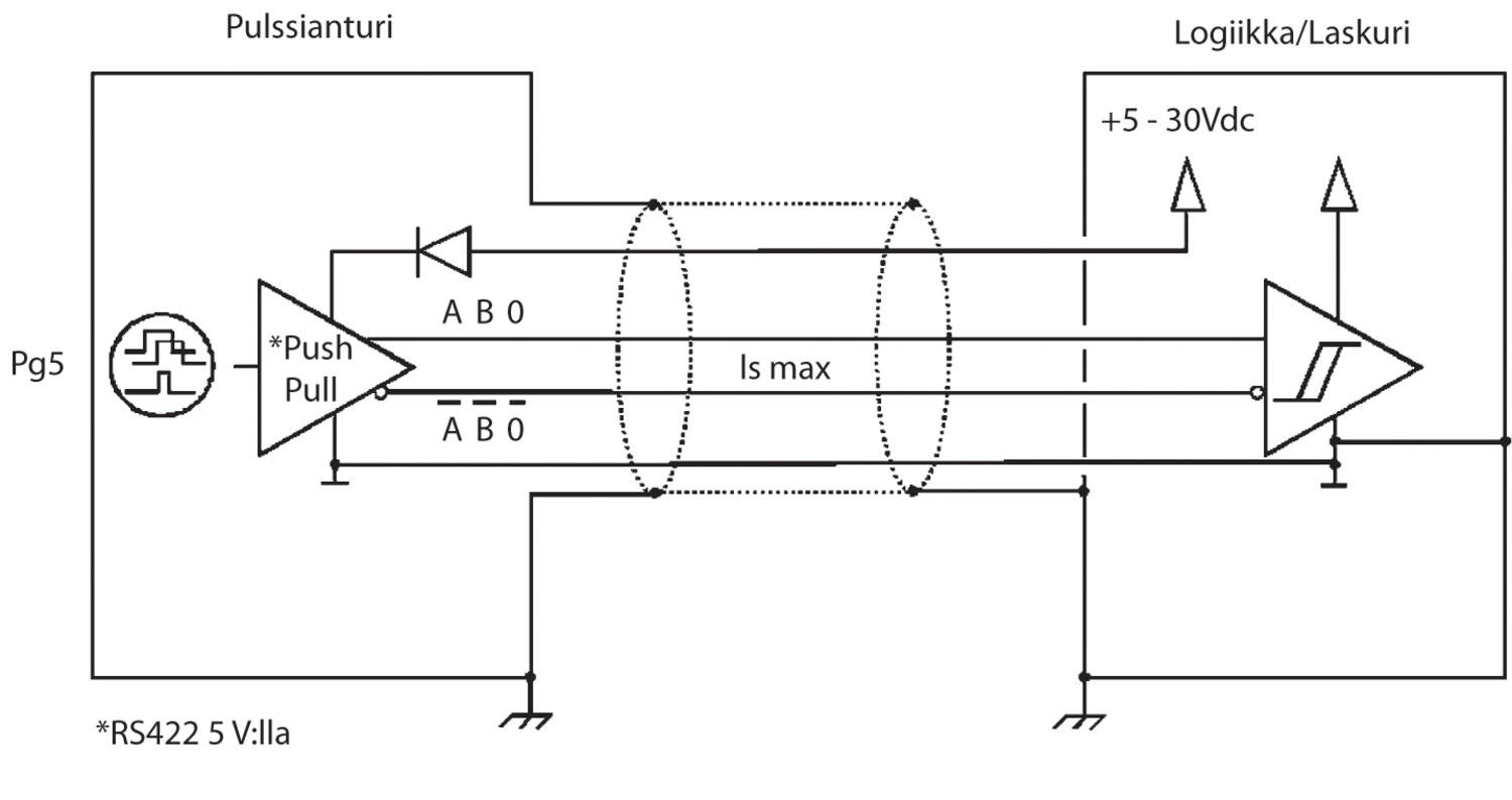
| Ulostulo | Push/Pull |
Tämä tuotesarja on rakennettu vankalle ja luotettavalle mekaaniselle ja sähköiselle alustalle ja se rakennettiin alusta alkane olemaan luotettava ja kestävä. Sähköinen suojaus on sisäänrakennettu vähentämään "ensimmäisen asennuksen" virheitä. Mekaanisesti erittäin tarkasti tiivistetyt laakerit takaavat pitkän käyttöiän myös ankarissa olosuhteissa. Tuote on testattu toimimaan -40°C - +100°C ympäristöissä. Tämä on paras 58mm pulssianturi raskaaseen teolliseen käyttöön.
OEM Finland on aloittanut yhteistyön uuden, ainutlaatuisen anturiratkaisujen toimittajan Lika Electronicin kanssa! Lika Electronic kehittää huippuluokan pulssi-, absoluutti- ja lineaariantureita teollisuuden tarpeisiin.
Tarjoamme ratkaisuja sekä laajan valikoiman komponentteja, jotta voit automatisoida ja turvata sahalaitoksen koneet.
Mitä ovat pulssianturit, magneettianturit ja absoluuttianturit? Miten ja mihin niitä käytetään? Lue ja opi!
Ohjelmoitava pulssianturi soveltuu mm. kunnossapidon tarpeisiin. Etenkin silloin kun resoluutio poikkeaa valtavirrasta ja kiire on kova. Lue lisää!
BEI Sensors tuo markkinoille kaksi uutta I/O-link-anturia; Inkrementti- ja absoluuttianturit suosittuun 58 mm:n anturisarjaan.
Kaapeleiden valmistuksessa on olemassa useampia erilaisia tapoja jolla jolla johtimet kierretään. Datakaapeleiden valmistuksessa käytetään kolme erilaista tapaa : kerroksittain kierretyt johtimet, parikierretyt johtimet (twisted pair) sekä nelikierre (star-quad).
|
|
|
|
|
|
||
|---|---|---|---|---|---|---|
|
|
|
|
|
|
||
|
|
|
|
|
|
||
|
|
|
|
|
|
||
|
|
|
|
|
|
||
|
|
|
|
|
|
||
|
|
|
|
|
|
| Suosikit | Tilausnumero: | Anturin tyyppi | Kotelon halkaisija | Akselin halkaisija | Resoluutio | Liitäntä | IP-luokka | Max. pyörimisnopeus | Min. syöttöjännite DC | Max. syöttöjännite DC | Min. käyttölämpötila | Max. käyttölämpötila | Ulostulo | Hinta | |
|---|---|---|---|---|---|---|---|---|---|---|---|---|---|---|---|
|
Pulssianturi, ø58, ø10, 100 p/k, 2 m kaapeli
Tuotenumero:
DHM510PG5901003
Kopioitu!
|
Inkrementtianturi
|
58 mm
|
10 mm
|
100 P/R
|
Kaapeli
|
IP65
|
12000 rpm
|
4,75 V DC
|
30 V DC
|
-30 °C
|
100 °C
|
Push/Pull
|
|
||
|
Pulssianturi, ø58, ø10, 100 p/k, M23-liitin
Tuotenumero:
DHM510PG5901006
Kopioitu!
|
Inkrementtianturi
|
58 mm
|
10 mm
|
100 P/R
|
M23-liitin
|
IP65
|
12000 rpm
|
4,75 V DC
|
30 V DC
|
-30 °C
|
100 °C
|
Push/Pull
|
|
||
|
Pulssianturi, ø58, ø10, 250 p/k, 2 m kaapeli
Tuotenumero:
DHM510PG5902503
Kopioitu!
|
Inkrementtianturi
|
58 mm
|
10 mm
|
250 P/R
|
Kaapeli
|
IP65
|
12000 rpm
|
4,75 V DC
|
30 V DC
|
-30 °C
|
100 °C
|
Push/Pull
|
|
||
|
Pulssianturi, ø58, ø10, 250 p/k, M23-liitin
Tuotenumero:
DHM510PG5902506
Kopioitu!
|
Inkrementtianturi
|
58 mm
|
10 mm
|
250 P/R
|
M23-liitin
|
IP65
|
12000 rpm
|
4,75 V DC
|
30 V DC
|
-30 °C
|
100 °C
|
Push/Pull
|
|
||
|
Pulssianturi, ø58, ø10, 256 p/k, 2 m kaapeli
Tuotenumero:
DHM510PG5902563
Kopioitu!
|
Inkrementtianturi
|
58 mm
|
10 mm
|
256 P/R
|
Kaapeli
|
IP65
|
12000 rpm
|
4,75 V DC
|
30 V DC
|
-30 °C
|
100 °C
|
Push/Pull
|
|
||
|
Pulssianturi, ø58, ø10, 256 p/k, M23-liitin
Tuotenumero:
DHM510PG5902566
Kopioitu!
|
Inkrementtianturi
|
58 mm
|
10 mm
|
256 P/R
|
M23-liitin
|
IP65
|
12000 rpm
|
4,75 V DC
|
30 V DC
|
-30 °C
|
100 °C
|
Push/Pull
|
|
||
|
Pulssianturi, ø58, ø10, 360 p/k, 2 m kaapeli
Tuotenumero:
DHM510PG5903603
Kopioitu!
|
Inkrementtianturi
|
58 mm
|
10 mm
|
360 P/R
|
Kaapeli
|
IP65
|
12000 rpm
|
4,75 V DC
|
30 V DC
|
-30 °C
|
100 °C
|
Push/Pull
|
|
||
|
Pulssianturi, ø58, ø10, 360 p/k, M23-liitin
Tuotenumero:
DHM510PG5903606
Kopioitu!
|
Inkrementtianturi
|
58 mm
|
10 mm
|
360 P/R
|
M23-liitin
|
IP65
|
12000 rpm
|
4,75 V DC
|
30 V DC
|
-30 °C
|
100 °C
|
Push/Pull
|
|
||
|
Pulssianturi, ø58, ø10, 500 p/k, 2 m kaapeli
Tuotenumero:
DHM510PG5905003
Kopioitu!
|
Inkrementtianturi
|
58 mm
|
10 mm
|
500 P/R
|
Kaapeli
|
IP65
|
12000 rpm
|
4,75 V DC
|
30 V DC
|
-30 °C
|
100 °C
|
Push/Pull
|
|
||
|
Pulssianturi, ø58, ø10, 500 p/k, M23-liitin
Tuotenumero:
DHM510PG5905006
Kopioitu!
|
Inkrementtianturi
|
58 mm
|
10 mm
|
500 P/R
|
M23-liitin
|
IP65
|
12000 rpm
|
4,75 V DC
|
30 V DC
|
-30 °C
|
100 °C
|
Push/Pull
|
|
||
|
Pulssianturi, ø58, ø10, 1000 p/k, 2 m kaapeli
Tuotenumero:
DHM510PG5910003
Kopioitu!
|
Inkrementtianturi
|
58 mm
|
10 mm
|
1000 P/R
|
Kaapeli
|
IP65
|
12000 rpm
|
4,75 V DC
|
30 V DC
|
-30 °C
|
100 °C
|
Push/Pull
|
|
||
|
Pulssianturi, ø58, ø10, 1000 p/k, M23-liitin
Tuotenumero:
DHM510PG5910006
Kopioitu!
|
Inkrementtianturi
|
58 mm
|
10 mm
|
1000 P/R
|
M23-liitin
|
IP65
|
12000 rpm
|
4,75 V DC
|
30 V DC
|
-30 °C
|
100 °C
|
Push/Pull
|
|
||
|
Pulssianturi, ø58, ø10, 1024 p/k, 2 m kaapeli
Tuotenumero:
DHM510PG5910243
Kopioitu!
|
Inkrementtianturi
|
58 mm
|
10 mm
|
1024 P/R
|
Kaapeli
|
IP65
|
12000 rpm
|
4,75 V DC
|
30 V DC
|
-30 °C
|
100 °C
|
Push/Pull
|
|
||
|
Pulssianturi, ø58, ø10, 1024 p/k, M23-liitin
Tuotenumero:
DHM510PG5910246
Kopioitu!
|
Inkrementtianturi
|
58 mm
|
10 mm
|
1024 P/R
|
M23-liitin
|
IP65
|
12000 rpm
|
4,75 V DC
|
30 V DC
|
-30 °C
|
100 °C
|
Push/Pull
|
|
||
|
Pulssianturi, ø58, ø10, 2500 p/k, 2 m kaapeli
Tuotenumero:
DHM510PG5925003
Kopioitu!
|
Inkrementtianturi
|
58 mm
|
10 mm
|
2500 P/R
|
Kaapeli
|
IP65
|
12000 rpm
|
4,75 V DC
|
30 V DC
|
-30 °C
|
100 °C
|
Push/Pull
|
|
||
|
Pulssianturi, ø58, ø10, 2500 p/k, M23-liitin
Tuotenumero:
DHM510PG5925006
Kopioitu!
|
Inkrementtianturi
|
58 mm
|
10 mm
|
2500 P/R
|
M23-liitin
|
IP65
|
12000 rpm
|
4,75 V DC
|
30 V DC
|
-30 °C
|
100 °C
|
Push/Pull
|
|
||
|
Pulssianturi, ø58, ø10, 5000 p/k, 2 m kaapeli
Tuotenumero:
DHM510PG5950003
Kopioitu!
|
Inkrementtianturi
|
58 mm
|
10 mm
|
5000 P/R
|
Kaapeli
|
IP65
|
12000 rpm
|
4,75 V DC
|
30 V DC
|
-30 °C
|
100 °C
|
Push/Pull
|
|
||
|
Pulssianturi, ø58, ø10, 5000 p/k, M23-liitin
Tuotenumero:
DHM510PG5950006
Kopioitu!
|
Inkrementtianturi
|
58 mm
|
10 mm
|
5000 P/R
|
M23-liitin
|
IP65
|
12000 rpm
|
4,75 V DC
|
30 V DC
|
-30 °C
|
100 °C
|
Push/Pull
|
|
Valitse tuote listalta.