BEI SENSORS

DHM9-inkrementtianturi, vaativiin olosuhteisiin

90mm anturi raskaaseen käyttöön

90mm pulssianturi raskaaseen teolliseen käyttöön.
  • Teollisuuspulssianturi halkaisija 90 mm, 11 mm tai 12 mm akselilla
  • Resoluutio max. 80 000 P/K
  • IP66 tai IP67
  • Johdolla, liittimellä tai kytkentäkotelolla

Valitse tuote

Dhm9

Tuotenumero:

Valitse tuote

Tekniset tiedot

Tiedot

Anturin tyyppi Inkrementtianturi
Kotelon halkaisija 90 mm
Min. akselin halkaisija 11 mm
Max. akselin halkaisija 12 mm
Max. resoluutio 80000
Liitäntä Kaapeli, M23-liitin
IP-luokka IP66, IP67

*Invisible Heading*

Max. pyörimisnopeus 9000 rpm
Min. syöttöjännite DC 5 V DC
Max. syöttöjännite DC 30 V DC
Min. käyttölämpötila -40 °C
Max. käyttölämpötila 100 °C
Ulostulo Push/Pull

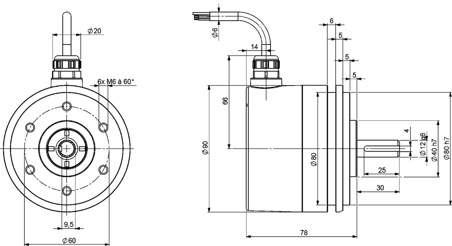
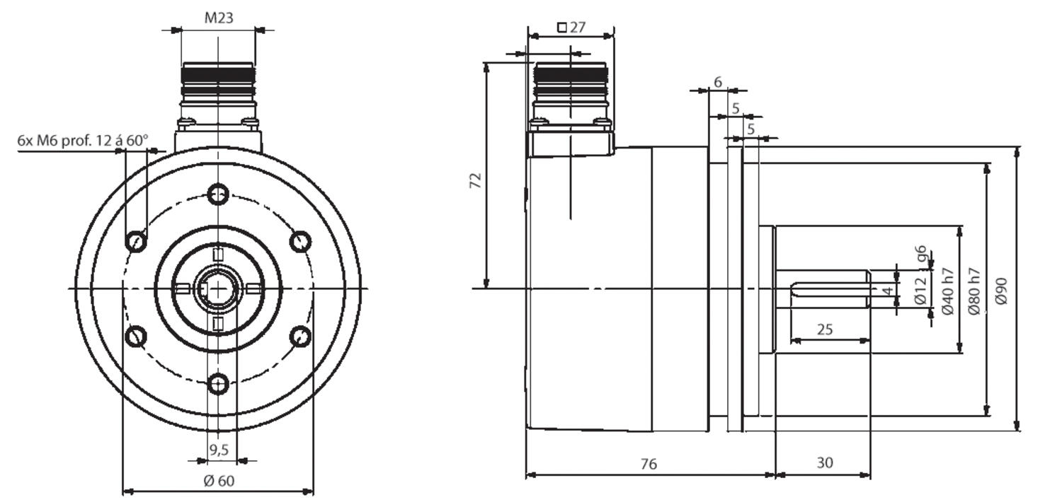
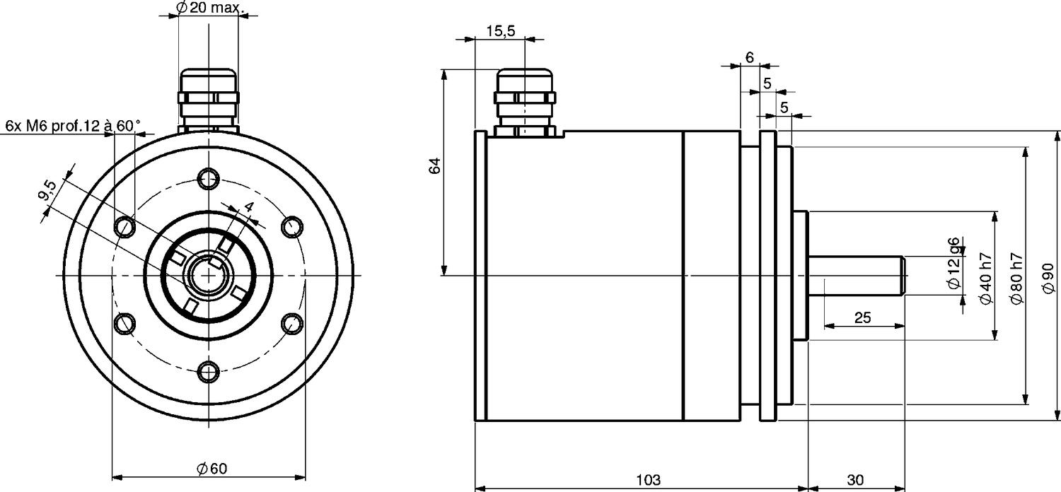
Mitat ja kytkennät

Tekniset kuvat

Tuotekuvaus

  • Erinomainen kestävyys iskuja/värinää ja äärimmäisiä aksiaalisia/radiaalisia kuormituksia vastaan
  • Korkea suorituskyky -30°C - 100°C (optio -40°C)
  • Korkea suojaustaso: IP65
  • 11 tai 12 mm kiinteä akseli
  • Käyttöjännite 4,75 - 30 Vdc
  • Korkeat resoluutiot: jopa 80 000 p/k (ohjelmoitavat resoluutiot)
  • Liitäntä liitäntäkoteloon, kaapeliin tai liitin lähtöön
  • Neliö- tai siniaalto saatavana
  • Mekaaninen ylinopeuskytkin vaihtoehto

 

Tarvikkeet

Saatat olla kiinnostunut näistä



Äänitiedostot

Lisää luettavaa

Teknisiä neuvoja

Riku Eerola

Tuotepäällikkö

Asiakaspalvelu
Asiakaspalvelumme vastaa kysymyksiin ja etsii ratkaisut ongelmiin. Heille voit jättää myös tilauksesi.
FAQ
+ Miten tullaan asiakkaaksenne?
+ Olen sopinut puskurivarastosta, voinko tilata verkkokaupan kautta?
+ Voiko samalla tilillä olla useita käyttäjiä?
+ Voiko samassa tilauksessa olla useampia toimituspäiviä?
+ Voiko tilauksen toimittaa väliaikaiseen toimitusosoitteeseen?
Chatti
Tarvitsetko apua?
Logo

Evästeet oem.fi sivustolla

Evästeiden avulla voimme palvella sinua paremmin ja varmistamme sivuston sujuvan toiminnan. Voit hallinnoida evästeasetuksia koska tahansa.

Toiminnalliset evästeet

Nämä evästeet ovat välttämättömiä verkkosivuston toimimiseksi, eikä niitä voi poistaa käytöstä järjestelmissämme. Niitä käytetään yleensä vain vastauksena toimiin, jotka olet tehnyt palvelupyynnön yhteydessä, esimerkiksi henkilökohtaisten asetusten määrittämisen, kirjautumisen tai lomakkeen täyttämisen yhteydessä.

Tilastolliset evästeet

Tilastollisten evästeiden avulla seuraamme verkkosivustomme kävijöiden toimintaa ja teemme analyyseja, joiden avulla voimme optimoida verkkosivustoamme. Tämä tarkoittaa, että voimme kehittää sivustoamme toimivammaksi ja palvelemaan kävijöitä paremmin. Jos et hyväksy näitä evästeitä, emme tiedä, milloin olet käynyt sivustollamme. Voit kuitenkin käyttää sivustoamme normaalisti.

Markkinointievästeet

Markkinointievästeiden avulla voimme kohdentaa sinulle mainoksia eri verkkosivustoilla tai sisältöä sosiaalisessa mediassa. Näitä evästeitä asettavat kolmannen osapuolen mainonta- ja kohdistustyökalut. Evästeiden kautta nämä toimijat voivat muodostaa profiilin kiinnostuksesi kohteista. Jos et hyväksy näitä evästeitä, et näe kohdennettua markkinointia etkä mahdollisesti voi käyttää sosiaalisen median jakotyökaluja.