Tiedot |
|
|---|---|
| Koskettimet | 1 NO, 1 NC |
| IP-luokka | IP66, IP67, IP69 |
| Kaapeli | 0,75 mm² |
| Kaapelin pituus | 1000 mm |
| Hyväksynnät | UL 50, UL 508 |
| Max. jännite AC | 250 V |
| Min. jännite | 10 V |
*Invisible Heading* |
|
|---|---|
| Min. virta | 0,1 A |
| Nimellisvirta 250 V AC | 3 A |
| Nimellisvirta, terminen | 10 A |
| Min. käyttölämpötila | -25 °C |
| Max. käyttölämpötila | 70 °C |
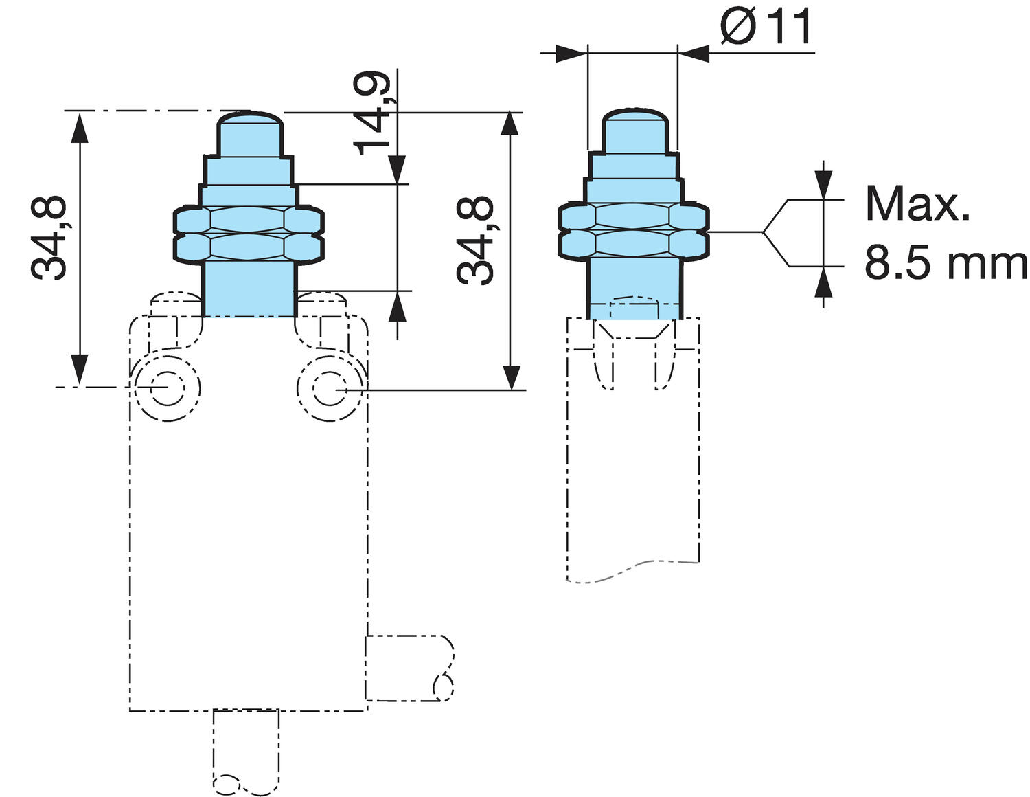
Valmiiksi johdotetut rajakytkimet metallikotelolla. Crouzetin rajakytkimet soveltuvat monenlaisiin sovelluksiin pienen kokonsa ja laajan toimipäävaihtoehtojen ansiosta. Älä myöskään unohda tehdasvalmisteisen johdotuksen mukavuutta ja suojaustasoa IP66/67/69. Saatavana kaapelilla tai M12-liittimellä.
TopWorx GO Switch tarjoaa huoltovapaan toimintavarmuuden, yksinkertaisen toimintaperiaatteen ja pettämättömän varmuuden olosuhteissa, joissa tavalliset rajakytkimet eivät enää riitä.
Tarjoamme laadukkaita Bernsteinin ja Comepin rajakytkimiä, jotka erottuvat innovatiivisilla ominaisuuksillaan ja lyhyillä toimitusajoilla. Lue lisää!
Ei paristoja, ei johtoja, ei rajoitteita. Sarjaan on saatavissa raja-, köysi- tai jalkakytkin sekä painonappi ja painonappikotelo. Toimilaite yhdistetään langattomasti releyksikköön, josta saadaan releulostulo. Yhteen releeseen voidaan yhdistää jopa 28 toimilaitetta.
Bernstein mekaanisten kytkimien ja jalkapolkimien kosketinvaihtoehdot. Tutustu!
Bernsteinin klassikkosarjat I88, ENK ja ENM2 siirtyvät historiaan. Tilalle tulevat IN65, IN73 ja MN78, joissa luku sarjan lopussa kertoo rungon korkeuden. Kaikissa sarjoissa on samat innovatiiviset ominaisuudet.
Bernstein esittelee uudet rajakytkinsarjat teollisuuskäyttöön. Muovi- ja metallirunkoiset sarjat täydentävät uudistuneen rajakytkinperheen, josta aiemmin on esitelty yleisrajakytkin IN65.
|
|
|
|
|
|
||
|---|---|---|---|---|---|---|
|
|
|
|
|
|
||
|
|
|
|
|
|
||
|
|
|
|
|
|
||
|
|
|
|
|
|
||
|
|
|
|
|
|
||
|
|
|
|
|
|
| Suosikit | Tilausnumero: | Koskettimet | IP-luokka | Kaapeli | Kaapelin pituus | Hyväksynnät | Max. jännite AC | Min. jännite | Min. virta | Nimellisvirta 250 V AC | Nimellisvirta, terminen | Min. käyttölämpötila | Max. käyttölämpötila | Hinta | |
|---|---|---|---|---|---|---|---|---|---|---|---|---|---|---|---|
Tappirajakytkin, 1 m kaapeli
Tuotenumero:
83870101
Kopioitu!
|
1 NO, 1 NC
|
IP66, IP67, IP69
|
0,75 mm²
|
1000 mm
|
UL 50, UL 508
|
250 V
|
10 V
|
0,1 A
|
3 A
|
10 A
|
-25 °C
|
70 °C
|
| ||
|
Rullatappirajakytkin, 1 m kaapeli
Tuotenumero:
83871101
Kopioitu!
|
1 NO, 1 NC
|
IP66, IP67, IP69
|
0,75 mm²
|
1000 mm
|
UL 50, UL 508
|
250 V
|
10 V
|
0,1 A
|
3 A
|
10 A
|
-25 °C
|
70 °C
|
| ||
|
Kierretappirajakytkin, 1 m kaapeli
Tuotenumero:
83874101
Kopioitu!
|
1 NO, 1 NC
|
IP66, IP67, IP69
|
0,75 mm²
|
1000 mm
|
UL 50, UL 508
|
250 V
|
10 V
|
0,1 A
|
3 A
|
10 A
|
-25 °C
|
70 °C
|
| ||
|
Kierrerullatappirajakytkin, 1 m kaapeli
Tuotenumero:
83872101
Kopioitu!
|
1 NO, 1 NC
|
IP66, IP67, IP69
|
0,75 mm²
|
1000 mm
|
UL 50, UL 508
|
250 V
|
10 V
|
0,1 A
|
3 A
|
10 A
|
-25 °C
|
70 °C
|
| ||
|
Rullavipurajakytkin, 1 m kaapeli
Tuotenumero:
83873101
Kopioitu!
|
1 NO, 1 NC
|
IP66, IP67, IP69
|
0,75 mm²
|
1000 mm
|
UL 50, UL 508
|
250 V
|
10 V
|
0,1 A
|
3 A
|
10 A
|
-25 °C
|
70 °C
|
|
Valitse tuote listalta.