Tiedot |
|
|---|---|
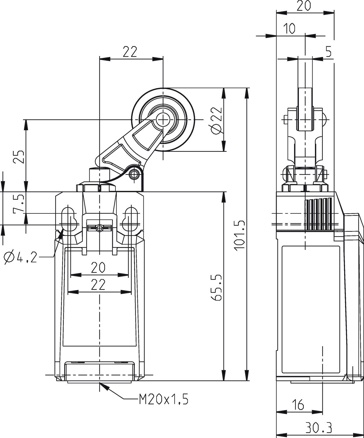
| Koskettimet | Momenttikosketin, 1 NO, 1 NC |
| IP-luokka | IP66, IP67 |
| Kaapelisisäänmeno | 1 x M20 x1,5 |
| Liitäntä | Ruuviliitin |
| Max. jännite AC | 240 V |
| Max. jännite DC | 24 V |
| Nimellisvirta, terminen | 5 A |
*Invisible Heading* |
|
|---|---|
| Min. käyttölämpötila | -30 °C |
| Max. käyttölämpötila | 75 °C |
| Rungon materiaali | Muovi |
| ATEX-hyväksytty | Ei |
| Valmistajan osanumero | 6083000261 |
Vakiomittojensa sekä laajan koskettimien ja toimilaitteiden ansiosta IN65-kytkimiä voidaan käyttää turvatiloissa ja asennonvalvontaan käytännössä kaikissa teollisissa sovelluksissa. Modulaarisuus mahdollistaa suuren joustavuuden mahdollistaen yksittäisten asiakasratkaisujen toteuttamisen. Metallisen toimilaitteen lukituksen ja kiinnityspidikkeen ansiosta tuote on erityisen tukeva. IN65 yhdistää ihanteellisesti muovirunkoisen kytkimen taloudelliset edut metallirunkoisen kytkimen tukevuuteen.
TopWorx GO Switch tarjoaa huoltovapaan toimintavarmuuden, yksinkertaisen toimintaperiaatteen ja pettämättömän varmuuden olosuhteissa, joissa tavalliset rajakytkimet eivät enää riitä.
Tarjoamme laadukkaita Bernsteinin ja Comepin rajakytkimiä, jotka erottuvat innovatiivisilla ominaisuuksillaan ja lyhyillä toimitusajoilla. Lue lisää!
Ei paristoja, ei johtoja, ei rajoitteita. Sarjaan on saatavissa raja-, köysi- tai jalkakytkin sekä painonappi ja painonappikotelo. Toimilaite yhdistetään langattomasti releyksikköön, josta saadaan releulostulo. Yhteen releeseen voidaan yhdistää jopa 28 toimilaitetta.
Bernstein mekaanisten kytkimien ja jalkapolkimien kosketinvaihtoehdot. Tutustu!
Bernsteinin klassikkosarjat I88, ENK ja ENM2 siirtyvät historiaan. Tilalle tulevat IN65, IN73 ja MN78, joissa luku sarjan lopussa kertoo rungon korkeuden. Kaikissa sarjoissa on samat innovatiiviset ominaisuudet.
Bernstein esittelee uudet rajakytkinsarjat teollisuuskäyttöön. Muovi- ja metallirunkoiset sarjat täydentävät uudistuneen rajakytkinperheen, josta aiemmin on esitelty yleisrajakytkin IN65.
|
|
|
|
|
|
||
|---|---|---|---|---|---|---|
|
|
|
|
|
|
||
|
|
|
|
|
|
||
|
|
|
|
|
|
||
|
|
|
|
|
|
||
|
|
|
|
|
|
||
|
|
|
|
|
|
| Suosikit | Tilausnumero: | Koskettimet | IP-luokka | Kaapelisisäänmeno | Liitäntä | Max. jännite AC | Max. jännite DC | Nimellisvirta, terminen | Min. käyttölämpötila | Max. käyttölämpötila | Rungon materiaali | ATEX-hyväksytty | Valmistajan osanumero | Hinta | |
|---|---|---|---|---|---|---|---|---|---|---|---|---|---|---|---|
|
Rajakytkin IN65-SU1Z SM, 1 NO+1 NC, muovi
Tuotenumero:
608.3000.207
Kopioitu!
|
Momenttikosketin, 1 NO, 1 NC
|
IP66, IP67
|
1 x M20 x1,5
|
Ruuviliitin
|
240 V
|
24 V
|
5 A
|
-30 °C
|
75 °C
|
Muovi
|
Ei
|
6083000207
|
| ||
|
Rajakytkin IN65-SA2Z SM, 2NC, muovi
Tuotenumero:
608.3000.209
Kopioitu!
|
Momenttikosketin, 2 NC
|
IP66, IP67
|
1 x M20 x1,5
|
Ruuviliitin
|
240 V
|
24 V
|
5 A
|
-30 °C
|
75 °C
|
Muovi
|
Ei
|
6083000209
|
| ||
|
Rajakytkin IN65-UV1Z SM, 1NO+1NC, muovi, hidaskosketin
Tuotenumero:
608.3000.213
Kopioitu!
|
Hidaskosketin, 1 NO, 1 NC
|
IP66, IP67
|
1 x M20 x1,5
|
Ruuviliitin
|
240 V
|
24 V
|
5 A
|
-30 °C
|
75 °C
|
Muovi
|
Ei
|
6083000213
|
| ||
|
Rajakytkin IN65-SU1Z RK, 1 NO+1 NC, muovi
Tuotenumero:
608.3000.214
Kopioitu!
|
Momenttikosketin, 1 NO, 1 NC
|
IP66, IP67
|
1 x M20 x1,5
|
Ruuviliitin
|
240 V
|
24 V
|
5 A
|
-30 °C
|
75 °C
|
Muovi
|
Ei
|
6083000214
|
| ||
|
Rajakytkin IN65-U1Z RK, 1NO+1NC, muovi, hidaskosketin
Tuotenumero:
608.3000.215
Kopioitu!
|
Hidaskosketin, 1 NO, 1 NC
|
IP66, IP67
|
1 x M20 x1,5
|
Ruuviliitin
|
240 V
|
24 V
|
5 A
|
-30 °C
|
75 °C
|
Muovi
|
Ei
|
6083000215
|
| ||
|
Rajakytkin IN65-SA2Z RK, 2 NC, muovi
Tuotenumero:
608.3000.216
Kopioitu!
|
Momenttikosketin, 2 NC
|
IP66, IP67
|
1 x M20 x1,5
|
Ruuviliitin
|
240 V
|
24 V
|
5 A
|
-30 °C
|
75 °C
|
Muovi
|
Ei
|
6083000216
|
| ||
|
Rajakytkin IN65-SU1Z HK, 1 NO+1 NC, muovi
Tuotenumero:
608.3000.221
Kopioitu!
|
Momenttikosketin, 1 NO, 1 NC
|
IP66, IP67
|
1 x M20 x1,5
|
Ruuviliitin
|
240 V
|
24 V
|
5 A
|
-30 °C
|
75 °C
|
Muovi
|
Ei
|
6083000221
|
| ||
|
Rajakytkin IN65-U1Z HK, 1NO+1NC, muovi, hidaskosketin
Tuotenumero:
608.3000.222
Kopioitu!
|
Hidaskosketin, 1 NO, 1 NC
|
IP66, IP67
|
1 x M20 x1,5
|
Ruuviliitin
|
240 V
|
24 V
|
5 A
|
-30 °C
|
75 °C
|
Muovi
|
Ei
|
6083000222
|
| ||
|
Rajakytkin IN65-SA2Z HK, 2NC, muovi
Tuotenumero:
608.3000.223
Kopioitu!
|
Momenttikosketin, 2 NC
|
IP66, IP67
|
1 x M20 x1,5
|
Ruuviliitin
|
240 V
|
24 V
|
5 A
|
-30 °C
|
75 °C
|
Muovi
|
Ei
|
6083000223
|
| ||
|
Rajakytkin IN65-A2Z HK, 2NC, muovi, hidaskosketin
Tuotenumero:
608.3000.224
Kopioitu!
|
Hidaskosketin, 2 NC
|
IP66, IP67
|
1 x M20 x1,5
|
Ruuviliitin
|
240 V
|
24 V
|
5 A
|
-30 °C
|
75 °C
|
Muovi
|
Ei
|
6083000224
|
| ||
|
Rajakytkin IN65-SE2 HK, 2NO, muovi
Tuotenumero:
608.3000.225
Kopioitu!
|
Momenttikosketin, 2 NO
|
IP66, IP67
|
1 x M20 x1,5
|
Ruuviliitin
|
240 V
|
24 V
|
5 A
|
-30 °C
|
75 °C
|
Muovi
|
Ei
|
6083000225
|
| ||
|
Rajakytkin IN65-UV1Z HK, 1 NO+1 NC, muovi, hidaskosketin
Tuotenumero:
608.3000.227
Kopioitu!
|
Hidaskosketin, 1 NO, 1 NC
|
IP66, IP67
|
1 x M20 x1,5
|
Ruuviliitin
|
240 V
|
24 V
|
5 A
|
-30 °C
|
75 °C
|
Muovi
|
Ei
|
6083000227
|
| ||
|
Rajakytkin IN65-SU1Z DGHK, 1NO+1NC, muovi
Tuotenumero:
608.3000.228
Kopioitu!
|
Momenttikosketin, 1 NO, 1 NC
|
IP66, IP67
|
1 x M20 x1,5
|
Ruuviliitin
|
240 V
|
24 V
|
5 A
|
-30 °C
|
75 °C
|
Muovi
|
Ei
|
6083000228
|
| ||
|
Rajakytkin IN65-U1Z DGHK, 1NO+1NC, muovi, hidaskosketin
Tuotenumero:
608.3000.229
Kopioitu!
|
Hidaskosketin, 1 NO, 1 NC
|
IP66, IP67
|
1 x M20 x1,5
|
Ruuviliitin
|
240 V
|
24 V
|
5 A
|
-30 °C
|
75 °C
|
Muovi
|
Ei
|
6083000229
|
| ||
|
Rajakytkin IN65-SA2Z DGHK, 2 NC, muovi
Tuotenumero:
608.3000.230
Kopioitu!
|
Momenttikosketin, 2 NC
|
IP66, IP67
|
1 x M20 x1,5
|
Ruuviliitin
|
240 V
|
24 V
|
5 A
|
-30 °C
|
75 °C
|
Muovi
|
Ei
|
6083000230
|
| ||
|
Rajakytkin IN65-A2Z DGHK, 2NC, muovi, hidaskosketin
Tuotenumero:
608.3000.231
Kopioitu!
|
Hidaskosketin, 2 NC
|
IP66, IP67
|
1 x M20 x1,5
|
Ruuviliitin
|
240 V
|
24 V
|
5 A
|
-30 °C
|
75 °C
|
Muovi
|
Ei
|
6083000231
|
| ||
|
Rajakytkin IN65-SU1Z AHK, 1NO+1NC, muovi
Tuotenumero:
608.3000.235
Kopioitu!
|
Momenttikosketin, 1 NO, 1 NC
|
IP66, IP67
|
1 x M20 x1,5
|
Ruuviliitin
|
240 V
|
24 V
|
5 A
|
-30 °C
|
75 °C
|
Muovi
|
Ei
|
6083000235
|
| ||
|
Rajakytkin IN65-U1Z AHK, 1NO+1NC, muovi, hidaskosketin
Tuotenumero:
608.3000.236
Kopioitu!
|
Hidaskosketin, 1 NO, 1 NC
|
IP66, IP67
|
1 x M20 x1,5
|
Ruuviliitin
|
240 V
|
24 V
|
5 A
|
-30 °C
|
75 °C
|
Muovi
|
Ei
|
6083000236
|
| ||
|
Rajakytkin IN65-SA2Z AHK, 2 NC, muovi
Tuotenumero:
608.3000.237
Kopioitu!
|
Momenttikosketin, 2 NC
|
IP66, IP67
|
1 x M20 x1,5
|
Ruuviliitin
|
240 V
|
24 V
|
5 A
|
-30 °C
|
75 °C
|
Muovi
|
Ei
|
6083000237
|
| ||
|
Rajakytkin, IN65-UV1Z, AHK 1NO+1NC, muovi, hidaskosketin
Tuotenumero:
608.3000.241
Kopioitu!
|
Hidaskosketin, 1 NO, 1 NC
|
IP66, IP67
|
1 x M20 x1,5
|
Ruuviliitin
|
240 V
|
24 V
|
5 A
|
-30 °C
|
75 °C
|
Muovi
|
Ei
|
6083000241
|
| ||
|
Rajakytkin IN65-SU1Z DGKK, 1NO+1NC, muovi
Tuotenumero:
608.3000.254
Kopioitu!
|
Momenttikosketin, 1 NO, 1 NC
|
IP66, IP67
|
1 x M20 x1,5
|
Ruuviliitin
|
240 V
|
24 V
|
5 A
|
-30 °C
|
75 °C
|
Muovi
|
Ei
|
6083000254
|
| ||
|
Rajakytkin IN65-U1Z DGKK, 1NO+1NC, muovi, hidaskosketin
Tuotenumero:
608.3000.255
Kopioitu!
|
Hidaskosketin, 1 NO, 1 NC
|
IP66, IP67
|
1 x M20 x1,5
|
Ruuviliitin
|
240 V
|
24 V
|
5 A
|
-30 °C
|
75 °C
|
Muovi
|
Ei
|
6083000255
|
| ||
|
Rajakytkin IN65-SA2Z DGKK, 2 NC, muovi
Tuotenumero:
608.3000.256
Kopioitu!
|
Momenttikosketin, 2 NC
|
IP66, IP67
|
1 x M20 x1,5
|
Ruuviliitin
|
240 V
|
24 V
|
5 A
|
-30 °C
|
75 °C
|
Muovi
|
Ei
|
6083000256
|
| ||
|
Rajakytkin IN65-SU1Z KNK, 1NO+1NC, muovi
Tuotenumero:
608.3000.261
Kopioitu!
|
Momenttikosketin, 1 NO, 1 NC
|
IP66, IP67
|
1 x M20 x1,5
|
Ruuviliitin
|
240 V
|
24 V
|
5 A
|
-30 °C
|
75 °C
|
Muovi
|
Ei
|
6083000261
|
| ||
|
Rajakytkin IN65-SA2Z KNK, 2 NC, muovi
Tuotenumero:
608.3000.263
Kopioitu!
|
Momenttikosketin, 2 NC
|
IP66, IP67
|
1 x M20 x1,5
|
Ruuviliitin
|
240 V
|
24 V
|
5 A
|
-30 °C
|
75 °C
|
Muovi
|
Ei
|
6083000263
|
| ||
|
Rajakytkin, IN65-A2Z KNK, 2NC, muovi, hidaskosketin
Tuotenumero:
608.3000.264
Kopioitu!
|
Hidaskosketin, 2 NC
|
IP66, IP67
|
1 x M20 x1,5
|
Ruuviliitin
|
240 V
|
24 V
|
5 A
|
-30 °C
|
75 °C
|
Muovi
|
Ei
|
6083000264
|
| ||
|
Rajakytkin IN65-SU1 AVK, 1NO+1NC, muovi
Tuotenumero:
608.3000.280
Kopioitu!
|
Momenttikosketin, 1 NO, 1 NC
|
IP66, IP67
|
1 x M20 x1,5
|
Ruuviliitin
|
240 V
|
24 V
|
5 A
|
-30 °C
|
75 °C
|
Muovi
|
Ei
|
6083000280
|
| ||
|
Rajakytkin IN65-U1 AVK, 1NO+1NC, muovi, hidaskosketin
Tuotenumero:
608.3000.284
Kopioitu!
|
Hidaskosketin, 1 NO, 1 NC
|
IP66, IP67
|
1 x M20 x1,5
|
Ruuviliitin
|
240 V
|
24 V
|
5 A
|
-30 °C
|
75 °C
|
Muovi
|
Ei
|
6083000284
|
| ||
|
Rajakytkin IN65-SU1Z AHSGU RO50, 1 NO+1 NC, muovi
Tuotenumero:
608.3000.300
Kopioitu!
|
Momenttikosketin, 1 NO, 1 NC
|
IP66, IP67
|
1 x M20 x1,5
|
Ruuviliitin
|
240 V
|
24 V
|
5 A
|
-30 °C
|
75 °C
|
Muovi
|
Ei
|
6083000300
|
| ||
|
Rajakytkin IN65-U1 AHDM, 1NO+1NC, muovi, hidaskosketin
Tuotenumero:
608.3000.303
Kopioitu!
|
Hidaskosketin, 1 NO, 1 NC
|
IP66, IP67
|
1 x M20 x1,5
|
Ruuviliitin
|
240 V
|
24 V
|
5 A
|
-30 °C
|
75 °C
|
Muovi
|
Ei
|
6083000303
|
| ||
|
Rajakytkin IN65-SU1 AHDM, 1NO+1NC, muovi
Tuotenumero:
608.3000.307
Kopioitu!
|
Momenttikosketin, 1 NO, 1 NC
|
IP66, IP67
|
1 x M20 x1,5
|
Ruuviliitin
|
240 V
|
24 V
|
5 A
|
-30 °C
|
75 °C
|
Muovi
|
Ei
|
6083000307
|
| ||
|
Rajakytkin IN65-SA2 AHDM, 2NC, muovi
Tuotenumero:
608.3000.308
Kopioitu!
|
Momenttikosketin, 2 NC
|
IP66, IP67
|
1 x M20 x1,5
|
Ruuviliitin
|
240 V
|
24 V
|
5 A
|
-30 °C
|
75 °C
|
Muovi
|
Ei
|
6083000308
|
| ||
Rajakytkin IN65-SU1 AF, 1NO+1NC, muovi
Tuotenumero:
608.3000.337
Kopioitu!
|
Momenttikosketin, 1 NO, 1 NC
|
IP66, IP67
|
1 x M20 x1,5
|
Ruuviliitin
|
240 V
|
24 V
|
5 A
|
-30 °C
|
75 °C
|
Muovi
|
Ei
|
6083000337
|
| ||
Rajakytkin IN65-U1 AF, 1NO+1NC, muovi, hidaskosketin
Tuotenumero:
608.3000.338
Kopioitu!
|
Hidaskosketin, 1 NO, 1 NC
|
IP66, IP67
|
1 x M20 x1,5
|
Ruuviliitin
|
240 V
|
24 V
|
5 A
|
-30 °C
|
75 °C
|
Muovi
|
Ei
|
6083000338
|
| ||
Rajakytkin IN65-SA2 AF, 2NC, muovi
Tuotenumero:
608.3000.339
Kopioitu!
|
Momenttikosketin, 2 NC
|
IP66, IP67
|
1 x M20 x1,5
|
Ruuviliitin
|
240 V
|
24 V
|
5 A
|
-30 °C
|
75 °C
|
Muovi
|
Ei
|
6083000339
|
| ||
Rajakytkin IN65-A2 AF, 2NC, muovi, hidaskosketin
Tuotenumero:
608.3000.340
Kopioitu!
|
Hidaskosketin, 2 NC
|
IP66, IP67
|
1 x M20 x1,5
|
Ruuviliitin
|
240 V
|
24 V
|
5 A
|
-30 °C
|
75 °C
|
Muovi
|
Ei
|
6083000340
|
| ||
Rajakytkin IN65-SE2 AF, 2NO, muovi
Tuotenumero:
608.3000.341
Kopioitu!
|
Momenttikosketin, 2 NO
|
IP66, IP67
|
1 x M20 x1,5
|
Ruuviliitin
|
240 V
|
24 V
|
5 A
|
-30 °C
|
75 °C
|
Muovi
|
Ei
|
6083000341
|
| ||
Rajakytkin IN65-E2 AF, 2NO, muovi, hidaskosketin
Tuotenumero:
608.3000.342
Kopioitu!
|
Hidaskosketin, 2 NO
|
IP66, IP67
|
1 x M20 x1,5
|
Ruuviliitin
|
240 V
|
24 V
|
5 A
|
-30 °C
|
75 °C
|
Muovi
|
Ei
|
6083000342
|
| ||
Rajakytkin, IN65-UV1 AF, 1NO+1NC, muovi, hidaskosketin
Tuotenumero:
608.3000.343
Kopioitu!
|
Hidaskosketin, 1 NO, 1 NC
|
IP66, IP67
|
1 x M20 x1,5
|
Ruuviliitin
|
240 V
|
24 V
|
5 A
|
-30 °C
|
75 °C
|
Muovi
|
Ei
|
6083000343
|
| ||
|
Rajakytkin IN65-SU1Z AHDB, 1NO+1NC, muovi
Tuotenumero:
608.3000.344
Kopioitu!
|
Momenttikosketin, 1 NO, 1 NC
|
IP66, IP67
|
1 x M20 x1,5
|
Ruuviliitin
|
240 V
|
24 V
|
5 A
|
-30 °C
|
75 °C
|
Muovi
|
Ei
|
6083000344
|
| ||
|
Rajakytkin IN65-U1Z AHDB, 1NO+1NC, muovi, hidaskosketin
Tuotenumero:
608.3000.345
Kopioitu!
|
Hidaskosketin, 1 NO, 1 NC
|
IP66, IP67
|
1 x M20 x1,5
|
Ruuviliitin
|
240 V
|
24 V
|
5 A
|
-30 °C
|
75 °C
|
Muovi
|
Ei
|
6083000345
|
| ||
|
Rajakytkin IN65-SA2Z AHDB, 2NC, muovi
Tuotenumero:
608.3000.346
Kopioitu!
|
Momenttikosketin, 2 NC
|
IP66, IP67
|
1 x M20 x1,5
|
Ruuviliitin
|
240 V
|
24 V
|
5 A
|
-30 °C
|
75 °C
|
Muovi
|
Ei
|
6083000346
|
| ||
|
Rajakytkin IN65-A2Z AHDB, 2NC, muovi, hidaskosketin
Tuotenumero:
608.3000.347
Kopioitu!
|
Hidaskosketin, 2 NC
|
IP66, IP67
|
1 x M20 x1,5
|
Ruuviliitin
|
240 V
|
24 V
|
5 A
|
-30 °C
|
75 °C
|
Muovi
|
Ei
|
6083000347
|
| ||
|
Rajakytkin IN65-SE2 AHDB, 2NO, muovi
Tuotenumero:
608.3000.348
Kopioitu!
|
Momenttikosketin, 2 NO
|
IP66, IP67
|
1 x M20 x1,5
|
Ruuviliitin
|
240 V
|
24 V
|
5 A
|
-30 °C
|
75 °C
|
Muovi
|
Ei
|
6083000348
|
| ||
|
Rajakytkin IN65-E2 AHDB, 2NO, muovi, hidaskosketin
Tuotenumero:
608.3000.349
Kopioitu!
|
Hidaskosketin, 2 NO
|
IP66, IP67
|
1 x M20 x1,5
|
Ruuviliitin
|
240 V
|
24 V
|
5 A
|
-30 °C
|
75 °C
|
Muovi
|
Ei
|
6083000349
|
| ||
|
Rajakytkin IN65-UV1Z AHDB, 1NO+1NC, muovi, hidaskosketin
Tuotenumero:
608.3000.350
Kopioitu!
|
Hidaskosketin, 1 NO, 1 NC
|
IP66, IP67
|
1 x M20 x1,5
|
Ruuviliitin
|
240 V
|
24 V
|
5 A
|
-30 °C
|
75 °C
|
Muovi
|
Ei
|
6083000350
|
|
Valitse tuote listalta.
Markus Vuoristo