BERNSTEIN
Tiedot |
|
---|---|
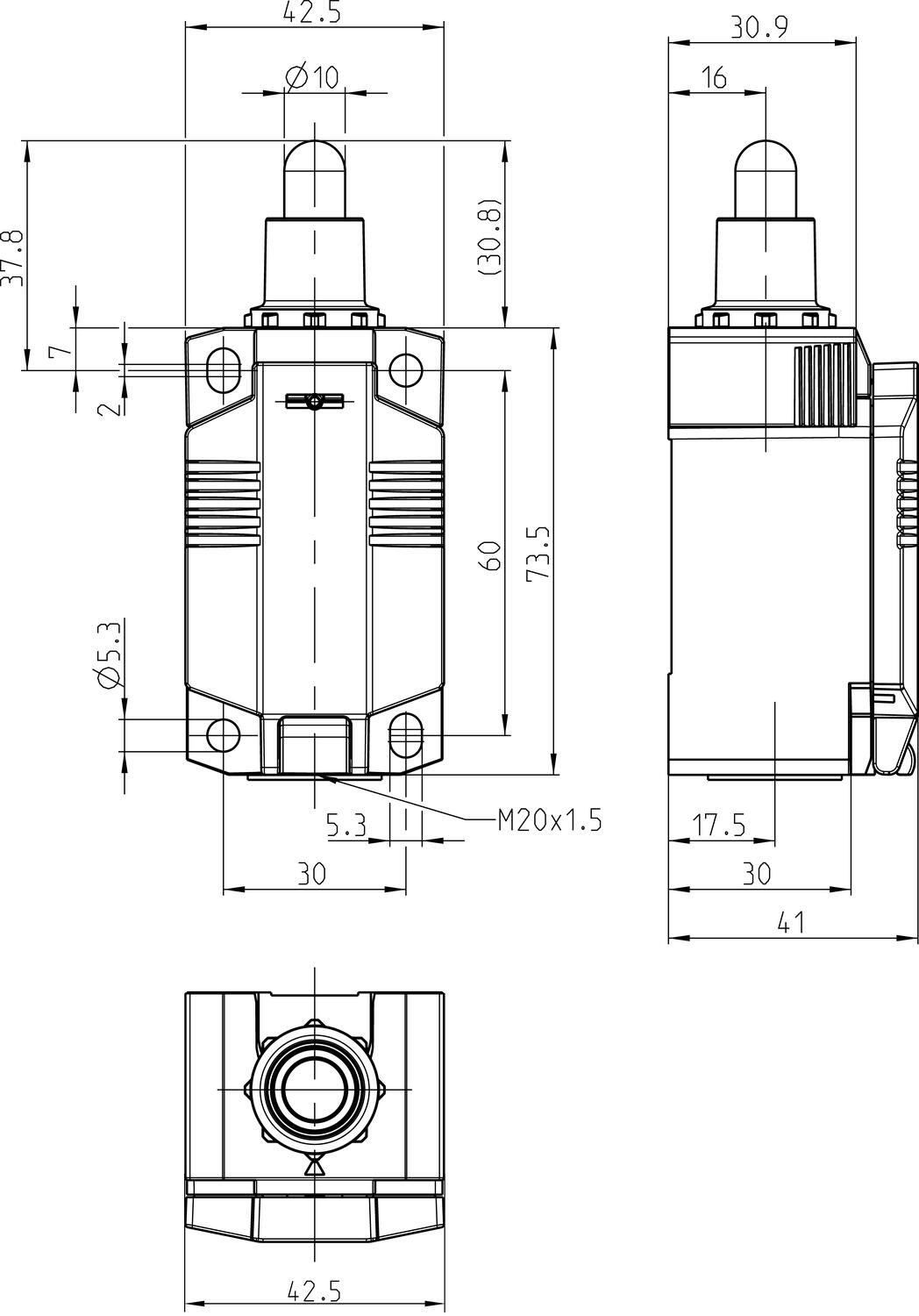
Koskettimet | Momenttikosketin, 1 NO, 1 NC |
IP-luokka | IP66, IP67 |
Kaapelisisäänmeno | 1 x M20 x1,5 |
Liitäntä | Ruuviliitin |
Max. jännite AC | 240 V |
Max. jännite DC | 24 V |
Nimellisvirta, terminen | 5 A |
*Invisible Heading* |
|
---|---|
Min. käyttölämpötila | -30 °C |
Max. käyttölämpötila | 75 °C |
Rungon materiaali | Muovi |
ATEX-hyväksytty | Ei |
Valmistajan osanumero | 6081000001 |
Rajakytkin sarja IN73 on onnistunut vastaus markkinoiden lisääntyneeseen kysyntään. Tämän uuden sarjan koskettimet on suunniteltu erityisesti pienten virtojen kytkemiseen.
IN73 on hybridi metalli- ja muoviosien hienostuneen fuusion ansiosta: Kaikki mekaanisesti rasitetut komponentit on lähes kokonaan valmistettu metallista. Kotelon alaosa on valmistettu lasikuituvahvisteisesta muovista, mikä tekee IN73:sta myös taloudellisesti houkuttelevan.
TopWorx GO Switch tarjoaa huoltovapaan toimintavarmuuden, yksinkertaisen toimintaperiaatteen ja pettämättömän varmuuden olosuhteissa, joissa tavalliset rajakytkimet eivät enää riitä.
Tarjoamme laadukkaita Bernsteinin ja Comepin rajakytkimiä, jotka erottuvat innovatiivisilla ominaisuuksillaan ja lyhyillä toimitusajoilla. Lue lisää!
Ei paristoja, ei johtoja, ei rajoitteita. Sarjaan on saatavissa raja-, köysi- tai jalkakytkin sekä painonappi ja painonappikotelo. Toimilaite yhdistetään langattomasti releyksikköön, josta saadaan releulostulo. Yhteen releeseen voidaan yhdistää jopa 28 toimilaitetta.
Bernstein mekaanisten kytkimien ja jalkapolkimien kosketinvaihtoehdot. Tutustu!
Bernsteinin klassikkosarjat I88, ENK ja ENM2 siirtyvät historiaan. Tilalle tulevat IN65, IN73 ja MN78, joissa luku sarjan lopussa kertoo rungon korkeuden. Kaikissa sarjoissa on samat innovatiiviset ominaisuudet.
Bernstein esittelee uudet rajakytkinsarjat teollisuuskäyttöön. Muovi- ja metallirunkoiset sarjat täydentävät uudistuneen rajakytkinperheen, josta aiemmin on esitelty yleisrajakytkin IN65.
|
|
|
|
|
||
---|---|---|---|---|---|---|
|
|
|
|
|
||
|
|
|
|
|
||
|
|
|
|
|
||
|
|
|
|
|
||
|
|
|
|
|
||
|
|
|
|
|
Suosikit | Tilausnumero: | Koskettimet | IP-luokka | Kaapelisisäänmeno | Liitäntä | Max. jännite AC | Max. jännite DC | Nimellisvirta, terminen | Min. käyttölämpötila | Max. käyttölämpötila | Rungon materiaali | ATEX-hyväksytty | Valmistajan osanumero | Hinta | |
---|---|---|---|---|---|---|---|---|---|---|---|---|---|---|---|
![]()
Tappirajakytkin, IN73-S11SM, 1NO+1NC
Tuotenumero:
608.1000.001
Kopioitu!
|
Momenttikosketin, 1 NO, 1 NC
|
IP66, IP67
|
1 x M20 x1,5
|
Ruuviliitin
|
240 V
|
24 V
|
5 A
|
-30 °C
|
75 °C
|
Muovi
|
Ei
|
6081000001
|
| ||
![]()
Tappirajakytkin, IN73-11SM, 1NO+1NC, hidaskosketin
Tuotenumero:
608.1000.002
Kopioitu!
|
Hidaskosketin, 1 NO, 1 NC
|
IP66, IP67
|
1 x M20 x1,5
|
Ruuviliitin
|
240 V
|
24 V
|
5 A
|
-30 °C
|
75 °C
|
Muovi
|
Ei
|
6081000002
|
| ||
![]()
Tappirajakytkin, IN73-S20SM, 2NC
Tuotenumero:
608.1000.003
Kopioitu!
|
Momenttikosketin, 2 NC
|
IP66, IP67
|
1 x M20 x1,5
|
Ruuviliitin
|
240 V
|
24 V
|
5 A
|
-30 °C
|
75 °C
|
Muovi
|
Ei
|
6081000003
|
| ||
![]()
Tappirajakytkin IN73-22 SM, 2NO+2NC, hidaskosketin
Tuotenumero:
608.1000.008
Kopioitu!
|
Hidaskosketin, 2 NO, 2 NC
|
IP66, IP67
|
1 x M20 x1,5
|
Ruuviliitin
|
240 V
|
24 V
|
5 A
|
-30 °C
|
75 °C
|
Muovi
|
Ei
|
6081000008
|
| ||
![]()
Rullatappirajakytkin IN73-S11RM, 1NO+1NC
Tuotenumero:
608.1000.013
Kopioitu!
|
Momenttikosketin, 1 NO, 1 NC
|
IP66, IP67
|
1 x M20 x1,5
|
Ruuviliitin
|
240 V
|
24 V
|
5 A
|
-30 °C
|
75 °C
|
Muovi
|
Ei
|
6081000013
|
| ||
![]()
Rullatappirajakytkin IN73-11RM, 1NO+1NC, hidaskosketin
Tuotenumero:
608.1000.014
Kopioitu!
|
Hidaskosketin, 1 NO, 1 NC
|
IP66, IP67
|
1 x M20 x1,5
|
Ruuviliitin
|
240 V
|
24 V
|
5 A
|
-30 °C
|
75 °C
|
Muovi
|
Ei
|
6081000014
|
| ||
![]()
Rullatappirajakytkin IN73-S20RM, 2NC
Tuotenumero:
608.1000.015
Kopioitu!
|
Momenttikosketin, 2 NC
|
IP66, IP67
|
1 x M20 x1,5
|
Ruuviliitin
|
240 V
|
24 V
|
5 A
|
-30 °C
|
75 °C
|
Muovi
|
Ei
|
6081000015
|
| ||
![]()
Rullatappirajakytkin IN73-20RM, 2NC, hidaskosketin
Tuotenumero:
608.1000.016
Kopioitu!
|
Hidaskosketin, 2 NC
|
IP66, IP67
|
1 x M20 x1,5
|
Ruuviliitin
|
240 V
|
24 V
|
5 A
|
-30 °C
|
75 °C
|
Muovi
|
Ei
|
6081000016
|
| ||
![]()
Nivelrullarajakytkin IN73-S11HK, 1NO+1NC
Tuotenumero:
608.1000.025
Kopioitu!
|
Momenttikosketin, 1 NO, 1 NC
|
IP66, IP67
|
1 x M20 x1,5
|
Ruuviliitin
|
240 V
|
24 V
|
5 A
|
-30 °C
|
75 °C
|
Muovi
|
Ei
|
6081000025
|
| ||
![]()
Nivelrullarajakytkin IN73-11HK, 1NO+1NC, hidaskosketin
Tuotenumero:
608.1000.026
Kopioitu!
|
Hidaskosketin, 1 NO, 1 NC
|
IP66, IP67
|
1 x M20 x1,5
|
Ruuviliitin
|
240 V
|
24 V
|
5 A
|
-30 °C
|
75 °C
|
Muovi
|
Ei
|
6081000026
|
| ||
![]()
Nivelrullarajakytkin IN73-S20HK, 2NC
Tuotenumero:
608.1000.027
Kopioitu!
|
Momenttikosketin, 2 NC
|
IP66, IP67
|
1 x M20 x1,5
|
Ruuviliitin
|
240 V
|
24 V
|
5 A
|
-30 °C
|
75 °C
|
Muovi
|
Ei
|
6081000027
|
| ||
![]()
Rullavarsirajakytkin IN73-S11DGHK, 1NO+1NC
Tuotenumero:
608.1000.037
Kopioitu!
|
Momenttikosketin, 1 NO, 1 NC
|
IP66, IP67
|
1 x M20 x1,5
|
Ruuviliitin
|
240 V
|
24 V
|
5 A
|
-30 °C
|
75 °C
|
Muovi
|
Ei
|
6081000037
|
| ||
![]()
Rullavarsirajakytkin IN73-S11DGKK, 1NO+1NC
Tuotenumero:
608.1000.049
Kopioitu!
|
Momenttikosketin, 1 NO, 1 NC
|
IP66, IP67
|
1 x M20 x1,5
|
Ruuviliitin
|
240 V
|
24 V
|
5 A
|
-30 °C
|
75 °C
|
Muovi
|
Ei
|
6081000049
|
| ||
![]()
Sivurullarajakytkin IN73-S11AHK, 1NO+1NC
Tuotenumero:
608.1000.061
Kopioitu!
|
Momenttikosketin, 1 NO, 1 NC
|
IP66, IP67
|
1 x M20 x1,5
|
Ruuviliitin
|
240 V
|
24 V
|
5 A
|
-30 °C
|
75 °C
|
Muovi
|
Ei
|
6081000061
|
| ||
![]()
Sivurullarajakytkin IN73-11AHK, 1NO+1NC, hidaskosketin
Tuotenumero:
608.1000.062
Kopioitu!
|
Hidaskosketin, 1 NO, 1 NC
|
IP66, IP67
|
1 x M20 x1,5
|
Ruuviliitin
|
240 V
|
24 V
|
5 A
|
-30 °C
|
75 °C
|
Muovi
|
Ei
|
6081000062
|
| ||
![]()
Sivurullarajakytkin IN73-S20AHK, 2NC
Tuotenumero:
608.1000.063
Kopioitu!
|
Momenttikosketin, 2 NC
|
IP66, IP67
|
1 x M20 x1,5
|
Ruuviliitin
|
240 V
|
24 V
|
5 A
|
-30 °C
|
75 °C
|
Muovi
|
Ei
|
6081000063
|
| ||
![]()
Sääd.rullarajakytkin IN73-S11AVK 1NO+1NC
Tuotenumero:
608.1000.073
Kopioitu!
|
Momenttikosketin, 1 NO, 1 NC
|
IP66, IP67
|
1 x M20 x1,5
|
Ruuviliitin
|
240 V
|
24 V
|
5 A
|
-30 °C
|
75 °C
|
Muovi
|
Ei
|
6081000073
|
| ||
![]()
Säädettävä rullarajakytkin IN73-11AVK, 1NO+1NC, hidaskosketin
Tuotenumero:
608.1000.074
Kopioitu!
|
Hidaskosketin, 1 NO, 1 NC
|
IP66, IP67
|
1 x M20 x1,5
|
Ruuviliitin
|
240 V
|
24 V
|
5 A
|
-30 °C
|
75 °C
|
Muovi
|
Ei
|
6081000074
|
| ||
![]()
Säädettävä rullarajakytkin, IN73-S20AVK, 2NC
Tuotenumero:
608.1000.075
Kopioitu!
|
Momenttikosketin, 2 NC
|
IP66, IP67
|
1 x M20 x1,5
|
Ruuviliitin
|
240 V
|
24 V
|
5 A
|
-30 °C
|
75 °C
|
Muovi
|
Ei
|
6081000075
|
| ||
![]()
Puikkorajakytkin IN73-S11AHDM, 1NO+1NC
Tuotenumero:
608.1000.085
Kopioitu!
|
Momenttikosketin, 1 NO, 1 NC
|
IP66, IP67
|
1 x M20 x1,5
|
Ruuviliitin
|
240 V
|
24 V
|
5 A
|
-30 °C
|
75 °C
|
Muovi
|
Ei
|
6081000085
|
| ||
![]()
Puikkorajakytkin IN73-11AHDM, 1NO+1NC, hidaskosketin
Tuotenumero:
608.1000.086
Kopioitu!
|
Hidaskosketin, 1 NO, 1 NC
|
IP66, IP67
|
1 x M20 x1,5
|
Ruuviliitin
|
240 V
|
24 V
|
5 A
|
-30 °C
|
75 °C
|
Muovi
|
Ei
|
6081000086
|
| ||
![]()
Puikkorajakytkin, IN73-S20AHDM, 2NC
Tuotenumero:
608.1000.087
Kopioitu!
|
Momenttikosketin, 2 NC
|
IP66, IP67
|
1 x M20 x1,5
|
Ruuviliitin
|
240 V
|
24 V
|
5 A
|
-30 °C
|
75 °C
|
Muovi
|
Ei
|
6081000087
|
| ||
![]()
Sääd.rulla, IN73-S11AVGU Ro50 1NO+1NC
Tuotenumero:
608.1000.104
Kopioitu!
|
Momenttikosketin, 1 NO, 1 NC
|
IP66, IP67
|
1 x M20 x1,5
|
Ruuviliitin
|
240 V
|
24 V
|
5 A
|
-30 °C
|
75 °C
|
Muovi
|
Ei
|
6081000104
|
| ||
![]()
Sivurullaraja IN73-S11 AHGU Ro50 1NO+1NC
Tuotenumero:
608.1000.108
Kopioitu!
|
Momenttikosketin, 1 NO, 1 NC
|
IP66, IP67
|
1 x M20 x1,5
|
Ruuviliitin
|
240 V
|
24 V
|
5 A
|
-30 °C
|
75 °C
|
Muovi
|
Ei
|
6081000108
|
| ||
![]()
Sivurullaraja IN73-11 AHGU Ro50 1NO+1NC, hidaskosketin
Tuotenumero:
608.1000.109
Kopioitu!
|
Hidaskosketin, 1 NO, 1 NC
|
IP66, IP67
|
1 x M20 x1,5
|
Ruuviliitin
|
240 V
|
24 V
|
5 A
|
-30 °C
|
75 °C
|
Muovi
|
Ei
|
6081000109
|
| ||
![]()
Sivurullaraja, IN73-20 AHGU Ro50, 2NC, hidaskosketin
Tuotenumero:
608.1000.110
Kopioitu!
|
Hidaskosketin, 2 NC
|
IP66, IP67
|
1 x M20 x1,5
|
Ruuviliitin
|
240 V
|
24 V
|
5 A
|
-30 °C
|
75 °C
|
Muovi
|
Ei
|
6081000110
|
|
Valitse tuote listalta.
Markus Vuoristo