COMEPI
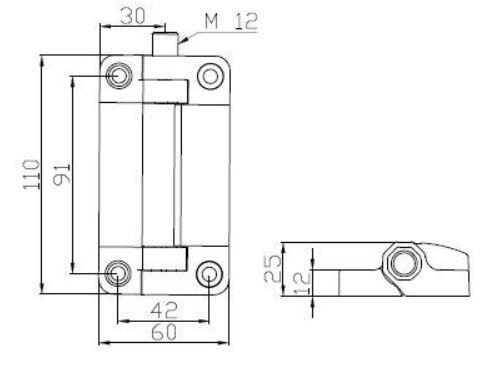
Comepin turvasaranakytkin SPH1 soveltuu hyvin luukkujen ja käyntiovien valvontaan. Turvasaranan kytkentäpiste on tehtaalla valmiiksi aseteltu.
Kestävän muovirungon ansiosta sekä IP67 kotelointi takaavat hyvän käytettävyyden esim. elintarviketeollisuuteen.
Turvasaranan parina on mahdollista hankkia myös sarana ilman turvarajatoimintaa.
Täydellisen kahdennuksen saavuttamiseksi voidaan asentaa molemmiksi saranoiksi turvarajalla varustettu sarana.
| Koskettimien toimintakaaviot | 
| X22C | 
|   | 
| 
 | 
| IP-luokka | IP67 | 
|---|---|
| Koskettimet | 2 x N/O & 2 x N/C | 
| Max. käyttölämpötila | 80 °C | 
| Min. käyttölämpötila | -20 °C | 
|---|
Comepin turvasaranakytkin SPH1 soveltuu hyvin luukkujen ja käyntiovien valvontaan. Turvasaranan kytkentäpiste on tehtaalla valmiiksi aseteltu.
Kestävän muovirungon ansiosta sekä IP67 kotelointi takaavat hyvän käytettävyyden esim. elintarviketeollisuuteen.
Turvasaranan parina on mahdollista hankkia myös sarana ilman turvarajatoimintaa.
Täydellisen kahdennuksen saavuttamiseksi voidaan asentaa molemmiksi saranoiksi turvarajalla varustettu sarana.
| Koskettimien toimintakaaviot | 
| X22C | 
|   | 
| 
 | 
 
              TopWorx GO Switch tarjoaa huoltovapaan toimintavarmuuden, yksinkertaisen toimintaperiaatteen ja pettämättömän varmuuden olosuhteissa, joissa tavalliset rajakytkimet eivät enää riitä.
 
              Tarjoamme laadukkaita Bernsteinin ja Comepin rajakytkimiä, jotka erottuvat innovatiivisilla ominaisuuksillaan ja lyhyillä toimitusajoilla. Lue lisää!
 
              
                  Ei paristoja, ei johtoja, ei rajoitteita. Sarjaan on saatavissa raja-, köysi- tai jalkakytkin sekä painonappi ja painonappikotelo. Toimilaite yhdistetään langattomasti releyksikköön, josta saadaan releulostulo. Yhteen releeseen voidaan yhdistää jopa 28 toimilaitetta.
                
 
              Bernstein mekaanisten kytkimien ja jalkapolkimien kosketinvaihtoehdot. Tutustu!
 
              Bernsteinin klassikkosarjat I88, ENK ja ENM2 siirtyvät historiaan. Tilalle tulevat IN65, IN73 ja MN78, joissa luku sarjan lopussa kertoo rungon korkeuden. Kaikissa sarjoissa on samat innovatiiviset ominaisuudet.
 
              Bernstein esittelee uudet rajakytkinsarjat teollisuuskäyttöön. Muovi- ja metallirunkoiset sarjat täydentävät uudistuneen rajakytkinperheen, josta aiemmin on esitelty yleisrajakytkin IN65.
|  |  |  |  |  | ||
|---|---|---|---|---|---|---|
|  |  |  |  |  | ||
|  |  |  |  |  | ||
|  |  |  |  |  | ||
|  |  |  |  |  | ||
|  |  |  |  |  | ||
|  |  |  |  |  | 
| Suosikit | Tilausnumero: | IP-luokka | Koskettimet | Hinta | |
|---|---|---|---|---|---|
|   
      
        Turvasaranakytkin SPH1, 2 NC+2 NO, M12-liitin
      
      
       
        Tuotenumero:
         
          
            SPH1X22CMC
          
          Kopioitu!
         | 
            IP67 
            
            
           | 
            2 x N/O & 2 x N/C 
            
            
           |  | ||
|   
      
        Turvasaranakytkin SPH1, 2 NC+2 NO, M12-liitin
      
      
       
        Tuotenumero:
         
          
            SPH1X22CMA
          
          Kopioitu!
         | 
            IP67 
            
            
           | 
            2 x N/O & 2 x N/C 
            
            
           |  | ||
|   
      
        Sarana SPH1, ilman kytkintä
      
      
       
        Tuotenumero:
         
          
            SPH1-COMP
          
          Kopioitu!
         |  |  |  | 
Valitse tuote listalta.
 
            
        Joni Henninen