Uutuus

DATASENSING

Ultraäänianturit UFT-sarja

Datasensingin UFT-sarjan ultraäänianturit tarjoavat luotettavuutta ja kestävyyttä vaativiin teollisuusympäristöihin, kuten ajoneuvoihin, robotiikkaan ja automaatioon. UFT-sarjan sensorit on valmistettu kokonaan ruostumattomasta teräksestä (M30-kotelo), mikä suojaa mekaaniselta kulumiselta, korroosiolta ja vaativilta olosuhteilta.

UFT-sensorit toimivat ultraääniaaltojen heijastumisen periaatteella ja mittaavat tarkasti etäisyyksiä myös pölyisissä tai kosteissa ympäristöissä, joissa esimerkiksi valokennot voivat olla epäluotettavia. Niissä on sekä digitaaliset että analogiset lähdöt, ja ne tukevat IO-Link-teknologiaa, mahdollistaen reaaliaikaisen seurannan ja viestinnän automaatiojärjestelmissä.

Keskeiset ominaisuudet:

  • Ruostumaton M30-kotelo

  • Digitaaliset/analogiset lähdöt, IO-Link-yhteensopivuus

  • Tarkka etäisyysmittaus (ultraäänellä yli 20 kHz)

  • Korkea resoluutio ja lämpötilakompensointi

  • Laaja mittausalue ja jännitealue

  • Korkea IP-suojaus pölyä ja vettä vastaan

  • Helppo asennus kierretyn rakenteen ansiosta

Lue lisää
  • 250-2500 tunnistusetäisyys
  • IP68, IP69K, ECOLAB
  • Runko täysin ruostumatonta terästä (myös tunnistuspää) AISI 316L
  • Ulostulot 0...10V, 4…20 mA, PNP, IO-Link

Valitse tuote

Valitse tuote

Valitse tuote

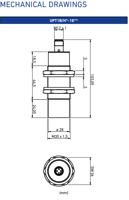
Tekniset tiedot

Anturin toimintaperiaate Diffuse Reflection
Anturin tyyppi Ultraääni
IP-luokka IP67, IP68, IP69K
Koko M30
Kotelon halkaisija 30 mm
Käyttöjännite 10-30 V DC
Liitäntätyyppi M12-liitin, 4-napainen
Materiaali Ruostumaton teräs 316L
Max. etäisyys 2500 mm
Max. käyttölämpötila 60 °C
Max. syöttöjännite DC 30 V DC
Min. etäisyys 250 mm
Min. käyttölämpötila -10 °C
Min. syöttöjännite DC 10 V DC
Napaluku 4
Toistotarkkuus 1%
Ulostulo 0-10 V, IO-Link

Mitat ja kytkennät

Tuotekuvaus

Datasensingin UFT-sarjan ultraäänianturit tarjoavat luotettavuutta ja kestävyyttä vaativiin teollisuusympäristöihin, kuten ajoneuvoihin, robotiikkaan ja automaatioon. UFT-sarjan sensorit on valmistettu kokonaan ruostumattomasta teräksestä (M30-kotelo), mikä suojaa mekaaniselta kulumiselta, korroosiolta ja vaativilta olosuhteilta.

UFT-sensorit toimivat ultraääniaaltojen heijastumisen periaatteella ja mittaavat tarkasti etäisyyksiä myös pölyisissä tai kosteissa ympäristöissä, joissa esimerkiksi valokennot voivat olla epäluotettavia. Niissä on sekä digitaaliset että analogiset lähdöt, ja ne tukevat IO-Link-teknologiaa, mahdollistaen reaaliaikaisen seurannan ja viestinnän automaatiojärjestelmissä.

Keskeiset ominaisuudet:

  • Ruostumaton M30-kotelo

  • Digitaaliset/analogiset lähdöt, IO-Link-yhteensopivuus

  • Tarkka etäisyysmittaus (ultraäänellä yli 20 kHz)

  • Korkea resoluutio ja lämpötilakompensointi

  • Laaja mittausalue ja jännitealue

  • Korkea IP-suojaus pölyä ja vettä vastaan

  • Helppo asennus kierretyn rakenteen ansiosta

Tarvikkeet

Lisää luettavaa

Suosikit Tilausnumero: Käyttöjännite Liitäntätyyppi Ulostulo Hinta
10-30 V DC
M12-liitin, 4-napainen
0-10 V, IO-Link
13-30 V DC
M12 plug cable exit
4-20 mA, IO-Link
13-30 V DC
M12 plug cable exit
PNP, 0-10 V, IO-Link
13-30 V DC
M12 plug cable exit
4-20 mA, PNP, IO-Link
13-30 V DC
M12 plug cable exit
2xPNP, IO-Link
13-30 V DC
M12 plug cable exit
PNP

Valittu tuote

Valitse tuote listalta.

Teknisiä neuvoja

Markus Vuoristo

Asiakaspalvelu
Asiakaspalvelumme vastaa kysymyksiin ja etsii ratkaisut ongelmiin. Heille voit jättää myös tilauksesi.
FAQ
+ Miten tullaan asiakkaaksenne?
+ Olen sopinut puskurivarastosta, voinko tilata verkkokaupan kautta?
+ Voiko samalla tilillä olla useita käyttäjiä?
+ Voiko samassa tilauksessa olla useampia toimituspäiviä?
+ Voiko tilauksen toimittaa väliaikaiseen toimitusosoitteeseen?
Chatti
Tarvitsetko apua?
Logo

Evästeet oem.fi sivustolla

Evästeiden avulla voimme palvella sinua paremmin ja varmistamme sivuston sujuvan toiminnan. Voit hallinnoida evästeasetuksia koska tahansa.

Toiminnalliset evästeet

Nämä evästeet ovat välttämättömiä verkkosivuston toimimiseksi, eikä niitä voi poistaa käytöstä järjestelmissämme. Niitä käytetään yleensä vain vastauksena toimiin, jotka olet tehnyt palvelupyynnön yhteydessä, esimerkiksi henkilökohtaisten asetusten määrittämisen, kirjautumisen tai lomakkeen täyttämisen yhteydessä.

Tilastolliset evästeet

Tilastollisten evästeiden avulla seuraamme verkkosivustomme kävijöiden toimintaa ja teemme analyyseja, joiden avulla voimme optimoida verkkosivustoamme. Tämä tarkoittaa, että voimme kehittää sivustoamme toimivammaksi ja palvelemaan kävijöitä paremmin. Jos et hyväksy näitä evästeitä, emme tiedä, milloin olet käynyt sivustollamme. Voit kuitenkin käyttää sivustoamme normaalisti.

Markkinointievästeet

Markkinointievästeiden avulla voimme kohdentaa sinulle mainoksia eri verkkosivustoilla tai sisältöä sosiaalisessa mediassa. Näitä evästeitä asettavat kolmannen osapuolen mainonta- ja kohdistustyökalut. Evästeiden kautta nämä toimijat voivat muodostaa profiilin kiinnostuksesi kohteista. Jos et hyväksy näitä evästeitä, et näe kohdennettua markkinointia etkä mahdollisesti voi käyttää sosiaalisen median jakotyökaluja.