FLEXA
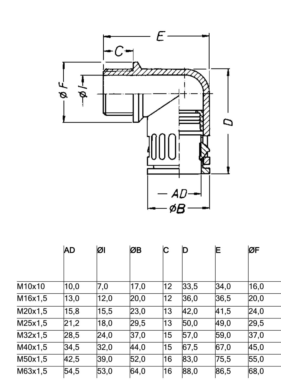
RQW letkuliittimet kuuluvat tiiveusluokkaan IP68. RQW-1 letkuliittimet kuuluvat tiiveysluokkaan IP66.
Liittimet ovat tehty polyamidista. Saatavana myös harmaana.
Tiedot |
|
|---|---|
| Letkun mitat AD | 10 |
| Kierre | M10x1,0 |
| Pakkauskoko | 50 kpl |
| IP-luokka | IP66 |
| Hyväksynnät | CSA 22.2, cRUus, Lloyd´s, UL, VDE |
| Väri | Musta |
*Invisible Heading* |
|
|---|---|
| Min. käyttölämpötila | -40 °C |
| Max. käyttölämpötila | 120 °C |
| Paino kg / 100 ± 10% | 0,4 |
| Materiaali | Polyamidi |
RQW letkuliittimet kuuluvat tiiveusluokkaan IP68. RQW-1 letkuliittimet kuuluvat tiiveysluokkaan IP66.
Liittimet ovat tehty polyamidista. Saatavana myös harmaana.
ROHRflex DUO on Flexan kehittämä kaksiosainen, uudelleensuljettava suojaletku, joka tarjoaa erinomaisen ratkaisun kaapeleiden suojaamiseen erityisesti jälkiasennuksissa ja korjauksissa.
AIRflex-KUW-EDU on innovatiivinen suojaletku, joka yhdistää joustavuuden, ilmatiiveyden ja erinomaisen kestävyyden vaativiin olosuhteisiin.
Flexan palosuojaletku on valmistettu kestävästä materiaalista ja soveltuu erityisen hyvin sovelluksiin, joissa on tarve suojata kaapelit ja hydrauliikka- ja jäähdytyspiirinletkut korkeita lämpötila vastaan.
Flexalta on saatavilla uusi monikerrossuojaletku, jolla on erinomaiset mekaaniset ominaisuudet. Suojaletkua suositellaan käytettäväksi erityisesti ulkotiloissa, joissa se pääsee oikeuksiinsa erinomaisilla vaihtelevilla taivutusominaisuuksilla jopa alhaisissa lämpötiloissa.
Suojaletkutoimittajamme Flexa on laajentanut PA12- mallistoaan. Uudessa tyypissä on UL-hyväksyntä ja se on saatavana myös oranssin värisenä.
Saksalainen toimittajamme Flexa tarjoaa täydellisen valikoiman muovi- ja metallisuojaletkuja kaapeleiden suojaukseen sekä laajan valikoiman liittimiä ja lisävarusteita.
|
|
|
|
|
|
||
|---|---|---|---|---|---|---|
|
|
|
|
|
|
||
|
|
|
|
|
|
||
|
|
|
|
|
|
||
|
|
|
|
|
|
||
|
|
|
|
|
|
||
|
|
|
|
|
|
| Suosikit | Tilausnumero: | Letkun mitat AD | Kierre | Pakkauskoko | IP-luokka | Hyväksynnät | Väri | Min. käyttölämpötila | Max. käyttölämpötila | Paino kg / 100 ± 10% | Materiaali | Hinta | |
|---|---|---|---|---|---|---|---|---|---|---|---|---|---|
RQW1-M AD10 M10x1,5 kulma musta
Tuotenumero:
5020.051.210
Kopioitu!
|
10
|
M10x1,0
|
50 kpl
|
IP66
|
CSA 22.2, cRUus, Lloyd´s, UL, VDE
|
Musta
|
-40 °C
|
120 °C
|
0,4
|
Polyamidi
|
|
||
RQW1-M AD13 M16x1,5 kulma musta
Tuotenumero:
5020.051.216
Kopioitu!
|
13
|
M16,1,5
|
50 kpl
|
IP66
|
CSA 22.2, cRUus, Lloyd´s, UL, VDE
|
Musta
|
-40 °C
|
120 °C
|
0,72
|
Polyamidi
|
|
||
RQW1-M AD15,8 M20x1,5 kulma musta
Tuotenumero:
5020.051.220
Kopioitu!
|
15,8
|
M20x1,5
|
50 kpl
|
IP66
|
CSA 22.2, cRUus, Lloyd´s, UL, VDE
|
Musta
|
-40 °C
|
120 °C
|
1,1
|
Polyamidi
|
|
||
RQW1-M AD21,2 M25x1,5 kulma musta
Tuotenumero:
5020.051.225
Kopioitu!
|
21,2
|
M25x1,5
|
50 kpl
|
IP66
|
CSA 22.2, cRUus, Lloyd´s, UL, VDE
|
Musta
|
-40 °C
|
120 °C
|
1,98
|
Polyamidi
|
|
||
RQW1-M AD28,5 M32x1,5 kulma musta
Tuotenumero:
5020.051.232
Kopioitu!
|
28,5
|
M32x1,5
|
25 kpl
|
IP66
|
CSA 22.2, cRUus, Lloyd´s, UL, VDE
|
Musta
|
-40 °C
|
120 °C
|
3,04
|
Polyamidi
|
|
||
RQW1-M AD34,5 M40x1,5 kulma musta
Tuotenumero:
5020.051.240
Kopioitu!
|
34,5
|
M40x1,5
|
10 kpl
|
IP66
|
CSA 22.2, cRUus, Lloyd´s, UL, VDE
|
Musta
|
-40 °C
|
120 °C
|
4,4
|
Polyamidi
|
|
||
RQW1-M AD42,5 M50x1,5 kulma musta
Tuotenumero:
5020.051.250
Kopioitu!
|
42,5
|
M50x1,5
|
10 kpl
|
IP66
|
CSA 22.2, cRUus, Lloyd´s, UL, VDE
|
Musta
|
-40 °C
|
120 °C
|
7,3
|
Polyamidi
|
|
||
RQW1-M AD54,5 M63x1,5 kulma musta
Tuotenumero:
5020.051.263
Kopioitu!
|
54,5
|
M63x1,5
|
5 kpl
|
IP66
|
CSA 22.2, cRUus, Lloyd´s, UL, VDE
|
Musta
|
-40 °C
|
120 °C
|
10,6
|
Polyamidi
|
|
||
RQW1-P AD10 PG7 kulma musta
Tuotenumero:
5020.050.207
Kopioitu!
|
10
|
PG 7
|
50 kpl
|
IP66
|
CSA 22.2, cRUus, Lloyd´s, UL, VDE
|
Musta
|
-40 °C
|
120 °C
|
0,56
|
Polyamidi
|
|
||
RQW1-P AD13 PG9 kulma musta
Tuotenumero:
5020.050.209
Kopioitu!
|
13
|
PG 9
|
50 kpl
|
IP66
|
CSA 22.2, cRUus, Lloyd´s, UL, VDE
|
Musta
|
-40 °C
|
120 °C
|
0,7
|
Polyamidi
|
|
||
RQW1-P AD15,8 PG11 kulma musta
Tuotenumero:
5020.050.211
Kopioitu!
|
15,8
|
PG 11
|
50 kpl
|
IP66
|
CSA 22.2, cRUus, Lloyd´s, UL, VDE
|
Musta
|
-40 °C
|
120 °C
|
1,04
|
Polyamidi
|
|
||
RQW1-P AD18,5 PG13,5 kulma musta
Tuotenumero:
5020.050.213
Kopioitu!
|
18,5
|
PG 13,5
|
50 kpl
|
IP66
|
CSA 22.2, cRUus, Lloyd´s, UL, VDE
|
Musta
|
-40 °C
|
120 °C
|
1,4
|
Polyamidi
|
|
||
RQW1-P AD21,2 PG16 kulma musta
Tuotenumero:
5020.050.216
Kopioitu!
|
21,2
|
PG 16
|
50 kpl
|
IP66
|
CSA 22.2, cRUus, Lloyd´s, UL, VDE
|
Musta
|
-40 °C
|
120 °C
|
1,86
|
Polyamidi
|
|
||
RQW1-P AD28,5 PG21 kulma musta
Tuotenumero:
5020.050.221
Kopioitu!
|
28,5
|
PG 21
|
25 kpl
|
IP66
|
CSA 22.2, cRUus, Lloyd´s, UL, VDE
|
Musta
|
-40 °C
|
120 °C
|
2,8
|
Polyamidi
|
|
||
RQW1-P AD34,5 PG29 kulma musta
Tuotenumero:
5020.050.229
Kopioitu!
|
34,5
|
PG 29
|
10 kpl
|
IP66
|
CSA 22.2, cRUus, Lloyd´s, UL, VDE
|
Musta
|
-40 °C
|
120 °C
|
4,2
|
Polyamidi
|
|
||
RQW1-P AD42,5 PG36 kulma musta
Tuotenumero:
5020.050.236
Kopioitu!
|
42,5
|
PG 36
|
10 kpl
|
IP66
|
CSA 22.2, cRUus, Lloyd´s, UL, VDE
|
Musta
|
-40 °C
|
120 °C
|
7,2
|
Polyamidi
|
|
||
RQW1-P AD54,5 PG48 kulma musta
Tuotenumero:
5020.050.248
Kopioitu!
|
54,5
|
PG 48
|
5 kpl
|
IP66
|
CSA 22.2, cRUus, Lloyd´s, UL, VDE
|
Musta
|
-40 °C
|
120 °C
|
10,2
|
Polyamidi
|
|
||
RQW-M AD10 M10x1,5 kulma musta
Tuotenumero:
5020.064.210
Kopioitu!
|
10
|
M10x1,0
|
50 kpl
|
IP68, IP69K
|
CSA 22.2, cRUus, DB, Lloyd´s, UL, VDE
|
Musta
|
-40 °C
|
120 °C
|
0,6
|
Polyamidi
|
|
||
RQW-M, black OD 34,5, M 32 x 1,5
Tuotenumero:
5020.064.232
Kopioitu!
|
34,5
|
M32x1,5
|
10 kpl
|
IP68, IP69K
|
CSA 22.2, cRUus, DB, Lloyd´s, UL, VDE
|
Musta
|
-40 °C
|
120 °C
|
4,8
|
Polyamidi
|
|
||
RQW-M AD13 M16x1,5 kulma musta
Tuotenumero:
5020.036.216
Kopioitu!
|
13
|
M16x1,5
|
50 kpl
|
IP68, IP69K
|
CSA 22.2, cRUus, DB, Lloyd´s, UL, VDE
|
Musta
|
-40 °C
|
120 °C
|
1,08
|
Polyamidi
|
|
||
RQW-M AD15,8 M20x1,5 kulma musta
Tuotenumero:
5020.036.220
Kopioitu!
|
15,8
|
M20x1,5
|
50 kpl
|
IP68, IP69K
|
CSA 22.2, cRUus, DB, Lloyd´s, UL, VDE
|
Musta
|
-40 °C
|
120 °C
|
1,06
|
Polyamidi
|
|
||
RQW-M AD21,2 M25x1,5 kulma musta
Tuotenumero:
5020.036.225
Kopioitu!
|
21,2
|
M25x1,5
|
50 kpl
|
IP68, IP69K
|
CSA 22.2, cRUus, DB, Lloyd´s, UL, VDE
|
Musta
|
-40 °C
|
120 °C
|
1,94
|
Polyamidi
|
|
||
RQW-M AD28,5 M32x1,5 kulma musta
Tuotenumero:
5020.036.232
Kopioitu!
|
28,5
|
M32x1,5
|
25 kpl
|
IP68, IP69K
|
CSA 22.2, cRUus, DB, Lloyd´s, UL, VDE
|
Musta
|
-40 °C
|
120 °C
|
3,04
|
Polyamidi
|
|
||
RQW-M AD34,5 M40x1,5 kulma musta
Tuotenumero:
5020.036.240
Kopioitu!
|
34,5
|
M40x1,5
|
10 kpl
|
IP68, IP69K
|
CSA 22.2, cRUus, DB, Lloyd´s, UL, VDE
|
Musta
|
-40 °C
|
120 °C
|
4,4
|
Polyamidi
|
|
||
RQW-M AD42,5 M50x1,5 kulma musta
Tuotenumero:
5020.036.250
Kopioitu!
|
42,5
|
M50x1,5
|
10 kpl
|
IP68, IP69K
|
CSA 22.2, cRUus, DB, Lloyd´s, UL, VDE
|
Musta
|
-40 °C
|
120 °C
|
7,3
|
Polyamidi
|
|
||
RQW-P AD42,5 PG36 kulma musta
Tuotenumero:
5020.028.236
Kopioitu!
|
42,5
|
PG 36
|
10 kpl
|
IP68, IP69K
|
CSA 22.2, cRUus, DB, Lloyd´s, UL, VDE
|
Musta
|
-40 °C
|
120 °C
|
7,2
|
Polyamidi
|
|
||
RQW-P AD10 PG7 kulma musta
Tuotenumero:
5020.028.207
Kopioitu!
|
10
|
PG 7
|
50 kpl
|
IP68, IP69K
|
CSA 22.2, cRUus, DB, Lloyd´s, UL, VDE
|
Musta
|
-40 °C
|
120 °C
|
0,56
|
Polyamidi
|
|
||
RQW-P AD13 PG9 kulma musta
Tuotenumero:
5020.028.209
Kopioitu!
|
13
|
PG 9
|
50 kpl
|
IP68
|
CSA 22.2, cRUus, DB, Lloyd´s, UL, VDE
|
Musta
|
-40 °C
|
120 °C
|
0,68
|
Polyamidi
|
|
||
RQW-P AD15,8 PG11 kulma musta
Tuotenumero:
5020.028.211
Kopioitu!
|
15,8
|
PG 11
|
50 kpl
|
IP68, IP69K
|
CSA 22.2, cRUus, DB, Lloyd´s, UL, VDE
|
Musta
|
-40 °C
|
120 °C
|
1
|
Polyamidi
|
|
||
RQW-P AD18,5 PG13,5 kulma musta
Tuotenumero:
5020.028.213
Kopioitu!
|
18,5
|
PG 13,5
|
50 kpl
|
IP68, IP69K
|
CSA 22.2, cRUus, DB, Lloyd´s, UL, VDE
|
Musta
|
-40 °C
|
120 °C
|
1,4
|
Polyamidi
|
|
||
RQW-P AD21,2 PG16 kulma musta
Tuotenumero:
5020.028.216
Kopioitu!
|
21,2
|
PG 16
|
50 kpl
|
IP68, IP69K
|
CSA 22.2, cRUus, DB, Lloyd´s, UL, VDE
|
Musta
|
-40 °C
|
120 °C
|
1,8
|
Polyamidi
|
|
||
RQW-P AD28,5 PG21 kulma musta
Tuotenumero:
5020.028.221
Kopioitu!
|
28,5
|
PG 21
|
25 kpl
|
IP68, IP69K
|
CSA 22.2, cRUus, DB, Lloyd´s, UL, VDE
|
Musta
|
-40 °C
|
120 °C
|
2,84
|
Polyamidi
|
|
||
RQW-P AD34,5 PG29 kulma musta
Tuotenumero:
5020.028.229
Kopioitu!
|
34,5
|
PG 29
|
10 kpl
|
IP68, IP69K
|
CSA 22.2, cRUus, DB, Lloyd´s, UL, VDE
|
Musta
|
-40 °C
|
120 °C
|
4,2
|
Polyamidi
|
|
||
RQW-P AD44,5 PG48 kulma musta
Tuotenumero:
5020.028.248
Kopioitu!
|
54,5
|
PG 48
|
5 kpl
|
IP68, IP69K
|
CSA 22.2, cRUus, DB, Lloyd´s, UL, VDE
|
Musta
|
-40 °C
|
120 °C
|
10,2
|
Polyamidi
|
|
Valitse tuote listalta.