FLEXA

ROHRflex® MULTI -GFP/MULTI-WFP laippaliitin

FLEXAquick-sarja

Yksiosainen suora letkuliitin Multi-sarjan suojaletkulle. Halogeenivapaa. Tuote on itsestäänsammuvasta materiaalista valmistettu. Kestää hyvin useimpia happoja ja liuottimia. Myydään yhden kappaleen pakkauksissa.

Lue lisää
  • Kestää liuottimia
  • Erikoistiiveisteillä saavutettavissa jopa IP69-luokitus
  • Helppo asentaa
  • Halogeenivapaa
  • Itsestäänsammuva

Valitse tuote

Valitse tuote

Valitse tuote

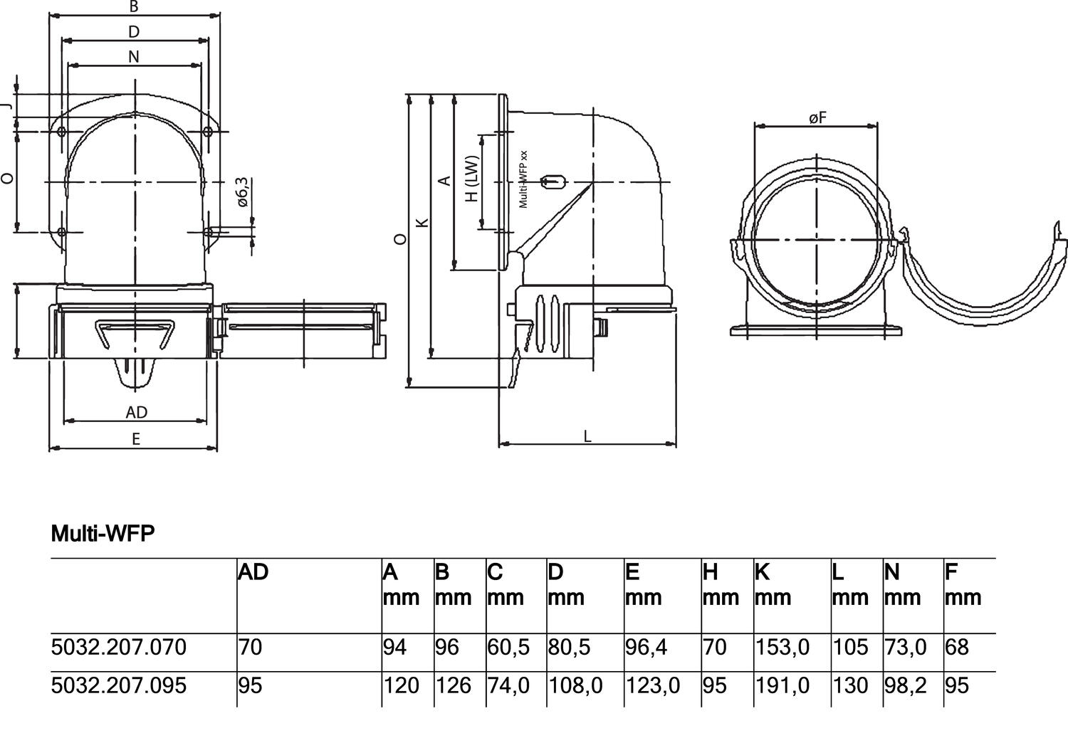
Tekniset tiedot

Tiedot

Letkun mitat AD 70
Väri Musta
Min. käyttölämpötila -40 °C

*Invisible Heading*

Max. käyttölämpötila 115 °C
Materiaali Polyamidi

Mitat ja kytkennät

Tuotekuvaus

Yksiosainen suora letkuliitin Multi-sarjan suojaletkulle. Halogeenivapaa. Tuote on itsestäänsammuvasta materiaalista valmistettu. Kestää hyvin useimpia happoja ja liuottimia. Myydään yhden kappaleen pakkauksissa.

Tarvikkeet



Äänitiedostot

Lisää luettavaa

Flexa ROHRflex DUO -suojaletku
Tuoteuutiset

ROHRflex DUO – Kaksiosainen suojaletku, joka säästää aikaa ja vaivaa

ROHRflex DUO on Flexan kehittämä kaksiosainen, uudelleensuljettava suojaletku, joka tarjoaa erinomaisen ratkaisun kaapeleiden suojaamiseen erityisesti jälkiasennuksissa ja korjauksissa.

Flexa AIRflex-KUW-EDU suojaletku
Tuoteuutiset

AIRflex-KUW-EDU suojaletku kestää ja joustaa

AIRflex-KUW-EDU on innovatiivinen suojaletku, joka yhdistää joustavuuden, ilmatiiveyden ja erinomaisen kestävyyden vaativiin olosuhteisiin.

FLEXhightemp palonsuojaletku lämmönsuojasovelluksiin
Tuoteuutiset

Palosuojaletku erityisiin lämmönsuojasovelluksiin

Flexan palosuojaletku on valmistettu kestävästä materiaalista ja soveltuu erityisen hyvin sovelluksiin, joissa on tarve suojata kaapelit ja hydrauliikka- ja jäähdytyspiirinletkut korkeita lämpötila vastaan.

Multilayer-suojaletku kierrätettävä.
Tuoteuutiset

Flexalta uusi innovatiivinen Multilayer-suojaletku

Flexalta on saatavilla uusi monikerrossuojaletku, jolla on erinomaiset mekaaniset ominaisuudet. Suojaletkua suositellaan käytettäväksi erityisesti ulkotiloissa, joissa se pääsee oikeuksiinsa erinomaisilla vaihtelevilla taivutusominaisuuksilla jopa alhaisissa lämpötiloissa.

oranssi suojaletku flexa
Tuoteuutiset

Ekonominen PA12-S suojaletku nyt oranssina!

Suojaletkutoimittajamme Flexa on laajentanut PA12- mallistoaan. Uudessa tyypissä on UL-hyväksyntä ja se on saatavana myös oranssin värisenä.

Kaapelien suojauksen edelläkävijä
Tuoteuutiset

Kaapelisuojauksen edelläkävijä

Saksalainen toimittajamme Flexa tarjoaa täydellisen valikoiman muovi- ja metallisuojaletkuja kaapeleiden suojaukseen sekä laajan valikoiman liittimiä ja lisävarusteita.

Suosikit Tilausnumero: Letkun mitat AD Väri Min. käyttölämpötila Max. käyttölämpötila Materiaali Hinta
70
Musta
-40 °C
115 °C
Polyamidi
95
Musta
-40 °C
115 °C
Polyamidi

Valittu tuote

Valitse tuote listalta.

Asiakaspalvelu
Asiakaspalvelumme vastaa kysymyksiin ja etsii ratkaisut ongelmiin. Heille voit jättää myös tilauksesi.
FAQ
+ Miten tullaan asiakkaaksenne?
+ Olen sopinut puskurivarastosta, voinko tilata verkkokaupan kautta?
+ Voiko samalla tilillä olla useita käyttäjiä?
+ Voiko samassa tilauksessa olla useampia toimituspäiviä?
+ Voiko tilauksen toimittaa väliaikaiseen toimitusosoitteeseen?
Chatti
Tarvitsetko apua?
Logo

Evästeet oem.fi sivustolla

Evästeiden avulla voimme palvella sinua paremmin ja varmistamme sivuston sujuvan toiminnan. Voit hallinnoida evästeasetuksia koska tahansa.

Toiminnalliset evästeet

Nämä evästeet ovat välttämättömiä verkkosivuston toimimiseksi, eikä niitä voi poistaa käytöstä järjestelmissämme. Niitä käytetään yleensä vain vastauksena toimiin, jotka olet tehnyt palvelupyynnön yhteydessä, esimerkiksi henkilökohtaisten asetusten määrittämisen, kirjautumisen tai lomakkeen täyttämisen yhteydessä.

Tilastolliset evästeet

Tilastollisten evästeiden avulla seuraamme verkkosivustomme kävijöiden toimintaa ja teemme analyyseja, joiden avulla voimme optimoida verkkosivustoamme. Tämä tarkoittaa, että voimme kehittää sivustoamme toimivammaksi ja palvelemaan kävijöitä paremmin. Jos et hyväksy näitä evästeitä, emme tiedä, milloin olet käynyt sivustollamme. Voit kuitenkin käyttää sivustoamme normaalisti.

Markkinointievästeet

Markkinointievästeiden avulla voimme kohdentaa sinulle mainoksia eri verkkosivustoilla tai sisältöä sosiaalisessa mediassa. Näitä evästeitä asettavat kolmannen osapuolen mainonta- ja kohdistustyökalut. Evästeiden kautta nämä toimijat voivat muodostaa profiilin kiinnostuksesi kohteista. Jos et hyväksy näitä evästeitä, et näe kohdennettua markkinointia etkä mahdollisesti voi käyttää sosiaalisen median jakotyökaluja.