FLEXA

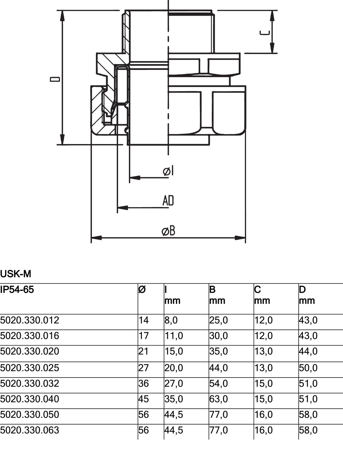
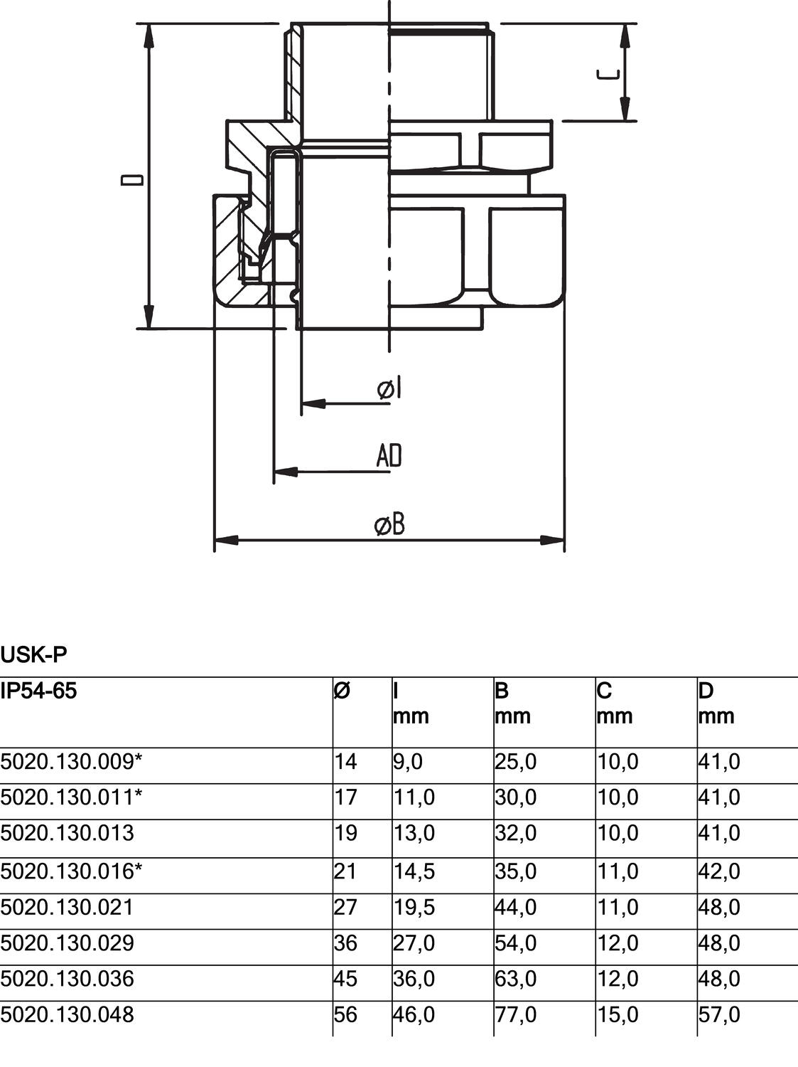
USK-M liitin

Muoviliitin

USK muoviliitin on valmistettu polypropyleenistä. Liitin on värähtelyn- ja jännityksenkestävä.

 

* NEMKO-hyväksyntä

Lue lisää
  • Metrinen ja PG-kierre
  • AIRflex® - KUW, -K letkuille ja -GRS letkuille.
  • IP 54

Valitse tuote

Valitse tuote

Valitse tuote

Tekniset tiedot

Tiedot

Halkaisija 14 mm
Kierre M12x1,5 met. EN 60423
Pakkauskoko 50 kpl
IP-luokka IP54
Hyväksynnät CSA 22.2, UL
Väri Harmaa
Min. käyttölämpötila -10 °C

*Invisible Heading*

Max. käyttölämpötila 110 °C
Paino kg / 100 ± 10% 0,66
Materiaali Polypropyleeni
Tyyppi USK-M
Soveltuu AIRFLEX KUW-PU-AS, AIRFLEX KUW-PVZ-AS

Tiedostot

Mitat ja kytkennät

Tuotekuvaus

USK muoviliitin on valmistettu polypropyleenistä. Liitin on värähtelyn- ja jännityksenkestävä.

 

* NEMKO-hyväksyntä

Tarvikkeet

Saatat olla kiinnostunut näistä



Äänitiedostot

Lisää luettavaa

Flexa ROHRflex DUO -suojaletku
Tuoteuutiset

ROHRflex DUO – Kaksiosainen suojaletku, joka säästää aikaa ja vaivaa

ROHRflex DUO on Flexan kehittämä kaksiosainen, uudelleensuljettava suojaletku, joka tarjoaa erinomaisen ratkaisun kaapeleiden suojaamiseen erityisesti jälkiasennuksissa ja korjauksissa.

Flexa AIRflex-KUW-EDU suojaletku
Tuoteuutiset

AIRflex-KUW-EDU suojaletku kestää ja joustaa

AIRflex-KUW-EDU on innovatiivinen suojaletku, joka yhdistää joustavuuden, ilmatiiveyden ja erinomaisen kestävyyden vaativiin olosuhteisiin.

FLEXhightemp palonsuojaletku lämmönsuojasovelluksiin
Tuoteuutiset

Palosuojaletku erityisiin lämmönsuojasovelluksiin

Flexan palosuojaletku on valmistettu kestävästä materiaalista ja soveltuu erityisen hyvin sovelluksiin, joissa on tarve suojata kaapelit ja hydrauliikka- ja jäähdytyspiirinletkut korkeita lämpötila vastaan.

Multilayer-suojaletku kierrätettävä.
Tuoteuutiset

Flexalta uusi innovatiivinen Multilayer-suojaletku

Flexalta on saatavilla uusi monikerrossuojaletku, jolla on erinomaiset mekaaniset ominaisuudet. Suojaletkua suositellaan käytettäväksi erityisesti ulkotiloissa, joissa se pääsee oikeuksiinsa erinomaisilla vaihtelevilla taivutusominaisuuksilla jopa alhaisissa lämpötiloissa.

oranssi suojaletku flexa
Tuoteuutiset

Ekonominen PA12-S suojaletku nyt oranssina!

Suojaletkutoimittajamme Flexa on laajentanut PA12- mallistoaan. Uudessa tyypissä on UL-hyväksyntä ja se on saatavana myös oranssin värisenä.

Kaapelien suojauksen edelläkävijä
Tuoteuutiset

Kaapelisuojauksen edelläkävijä

Saksalainen toimittajamme Flexa tarjoaa täydellisen valikoiman muovi- ja metallisuojaletkuja kaapeleiden suojaukseen sekä laajan valikoiman liittimiä ja lisävarusteita.

Suosikit Tilausnumero: Halkaisija Kierre Pakkauskoko IP-luokka Hyväksynnät Väri Min. käyttölämpötila Max. käyttölämpötila Paino kg / 100 ± 10% Materiaali Tyyppi Soveltuu Hinta
14 mm
M12x1,5 met. EN 60423
50 kpl
IP54
CSA 22.2, UL
Harmaa
-10 °C
110 °C
0,66
Polypropyleeni
USK-M
AIRFLEX KUW-PU-AS, AIRFLEX KUW-PVZ-AS
17 mm
M16x1,5
50 kpl
IP54
CSA 22.2, UL
Harmaa
-10 °C
110 °C
0,88
Polypropyleeni
USK-M
AIRFLEX KUW-PU-AS, AIRFLEX KUW-PVZ-AS
21 mm
M20x1,5
50 kpl
IP54
CSA 22.2, UL
Harmaa
-10 °C
110 °C
1,22
Polypropyleeni
USK-M
AIRFLEX KUW-PU-AS, AIRFLEX KUW-PVZ-AS
27 mm
M25x1,5
25 kpl
IP54
CSA 22.2, UL
Harmaa
-10 °C
110 °C
2,4
Polypropyleeni
USK-M
AIRFLEX KUW-PU-AS, AIRFLEX KUW-PVZ-AS
36 mm
M32x1,5
25 kpl
IP54
CSA 22.2, UL
Harmaa
-10 °C
110 °C
3,12
Polypropyleeni
USK-M
AIRFLEX KUW-PU-AS, AIRFLEX KUW-PVZ-AS
45 mm
M40x1,5
25 kpl
IP54
CSA 22.2, UL
Harmaa
-10 °C
110 °C
3,92
Polypropyleeni
USK-M
AIRFLEX KUW-PU-AS, AIRFLEX KUW-PVZ-AS
56 mm
M50x1,5
10 kpl
IP54
CSA 22.2, UL
Harmaa
-10 °C
110 °C
6,4
Polypropyleeni
USK-M
AIRFLEX KUW-PU-AS, AIRFLEX KUW-PVZ-AS
56 mm
M63x1,5
10 kpl
IP54
CSA 22.2, UL
Harmaa
-10 °C
110 °C
8,8
Polypropyleeni
USK-M
AIRFLEX KUW-PU-AS, AIRFLEX KUW-PVZ-AS
14 mm
PG 9
50 kpl
IP54
CSA 22.2, UL
Harmaa
-10 °C
110 °C
0,64
Polypropyleeni
USK-P
AIRFLEX KUW-PU-AS, AIRFLEX KUW-PVZ-AS
17 mm
PG 11
50 kpl
IP54
CSA 22.2, UL
Harmaa
-10 °C
110 °C
0,86
Polypropyleeni
USK-P
AIRFLEX KUW-PU-AS, AIRFLEX KUW-PVZ-AS
19 mm
PG 13,5
50 kpl
IP54
CSA 22.2, UL
Harmaa
-10 °C
110 °C
0,98
Polypropyleeni
US-P
AIRFLEX KUW-PU-AS, AIRFLEX KUW-PVZ-AS
27 mm
PG 21
25 kpl
IP54
CSA 22.2, UL
Harmaa
-10 °C
110 °C
2,24
Polypropyleeni
USK-P
AIRFLEX KUW-PU-AS, AIRFLEX KUW-PVZ-AS
36 mm
PG 29
25 kpl
IP54
CSA 22.2, UL
Harmaa
-10 °C
110 °C
3,12
Polypropyleeni
USK-P
AIRFLEX KUW-PU-AS, AIRFLEX KUW-PVZ-AS
45 mm
PG 36
25 kpl
IP54
CSA 22.2, UL
Harmaa
-10 °C
110 °C
4,04
Polypropyleeni
USK-P
AIRFLEX KUW-PU-AS, AIRFLEX KUW-PVZ-AS
56 mm
PG 48
10 kpl
IP54
CSA 22.2, UL
Harmaa
-10 °C
110 °C
6,6
Polypropyleeni
USK-P
AIRFLEX KUW-PU-AS, AIRFLEX KUW-PVZ-AS

Valittu tuote

Valitse tuote listalta.

Teknisiä neuvoja

Ville Paukkunen

Tuotepäällikkö

Asiakaspalvelu
Asiakaspalvelumme vastaa kysymyksiin ja etsii ratkaisut ongelmiin. Heille voit jättää myös tilauksesi.
FAQ
+ Miten tullaan asiakkaaksenne?
+ Olen sopinut puskurivarastosta, voinko tilata verkkokaupan kautta?
+ Voiko samalla tilillä olla useita käyttäjiä?
+ Voiko samassa tilauksessa olla useampia toimituspäiviä?
+ Voiko tilauksen toimittaa väliaikaiseen toimitusosoitteeseen?
Chatti
Tarvitsetko apua?
Logo

Evästeet oem.fi sivustolla

Evästeiden avulla voimme palvella sinua paremmin ja varmistamme sivuston sujuvan toiminnan. Voit hallinnoida evästeasetuksia koska tahansa.

Toiminnalliset evästeet

Nämä evästeet ovat välttämättömiä verkkosivuston toimimiseksi, eikä niitä voi poistaa käytöstä järjestelmissämme. Niitä käytetään yleensä vain vastauksena toimiin, jotka olet tehnyt palvelupyynnön yhteydessä, esimerkiksi henkilökohtaisten asetusten määrittämisen, kirjautumisen tai lomakkeen täyttämisen yhteydessä.

Tilastolliset evästeet

Tilastollisten evästeiden avulla seuraamme verkkosivustomme kävijöiden toimintaa ja teemme analyyseja, joiden avulla voimme optimoida verkkosivustoamme. Tämä tarkoittaa, että voimme kehittää sivustoamme toimivammaksi ja palvelemaan kävijöitä paremmin. Jos et hyväksy näitä evästeitä, emme tiedä, milloin olet käynyt sivustollamme. Voit kuitenkin käyttää sivustoamme normaalisti.

Markkinointievästeet

Markkinointievästeiden avulla voimme kohdentaa sinulle mainoksia eri verkkosivustoilla tai sisältöä sosiaalisessa mediassa. Näitä evästeitä asettavat kolmannen osapuolen mainonta- ja kohdistustyökalut. Evästeiden kautta nämä toimijat voivat muodostaa profiilin kiinnostuksesi kohteista. Jos et hyväksy näitä evästeitä, et näe kohdennettua markkinointia etkä mahdollisesti voi käyttää sosiaalisen median jakotyökaluja.