Mersen

Kahvasulake NH1, aM

500 V AC, 690 V AC

Mersen/Ferraz Shawmut "aM" tyypin NH-sulakkeet ovat osittaisen katkaisualueen sulakkeita, joita käytetään moottorien virtapiirien suojaukseen.

Ne pystyvät katkaisemaan virrat 6,3xIn:stä maksimi katkaisukykyyn asti ja siksi soveltuvat vain oikosulkusuojaukseen.

Ne on liitettävä muihin järjestelmiin ylikuormitussuojauksen toteuttamiseksi. Näiden sulakkeiden nimellisvirta voi olla sama kuin moottorin nimellisvirta.

 

Ominaisuudet

  • Mitat DIN 43 620 parts 1 to 4 mukaan
  • Eristämättömät kiinnityskorvakkeet
  • Kaksoisindikointi
  • Lyijyttömät liittimet

0 % kadmium

Lue lisää
  • Koko 1
  • Hopeoidut kuparikontaktit
  • Keraaminen runko
  • Katkaisukyky 80/120 kA

Valitse tuote

Valitse tuote

Valitse tuote

Tekniset tiedot

Hyväksynnät BV, CB, CE, DNV, KEMA KEUR, Lloyd´s, VDE
Indikointi Visuaalinen, Kytkin
Katkaisukyky 120 kA
Koko NH1
Max. jännite AC 500 V
Nimellisvirta 100 A
Ominaisuus aM
Pakkauskoko 3 kpl
Valmistajan osanumero D232510

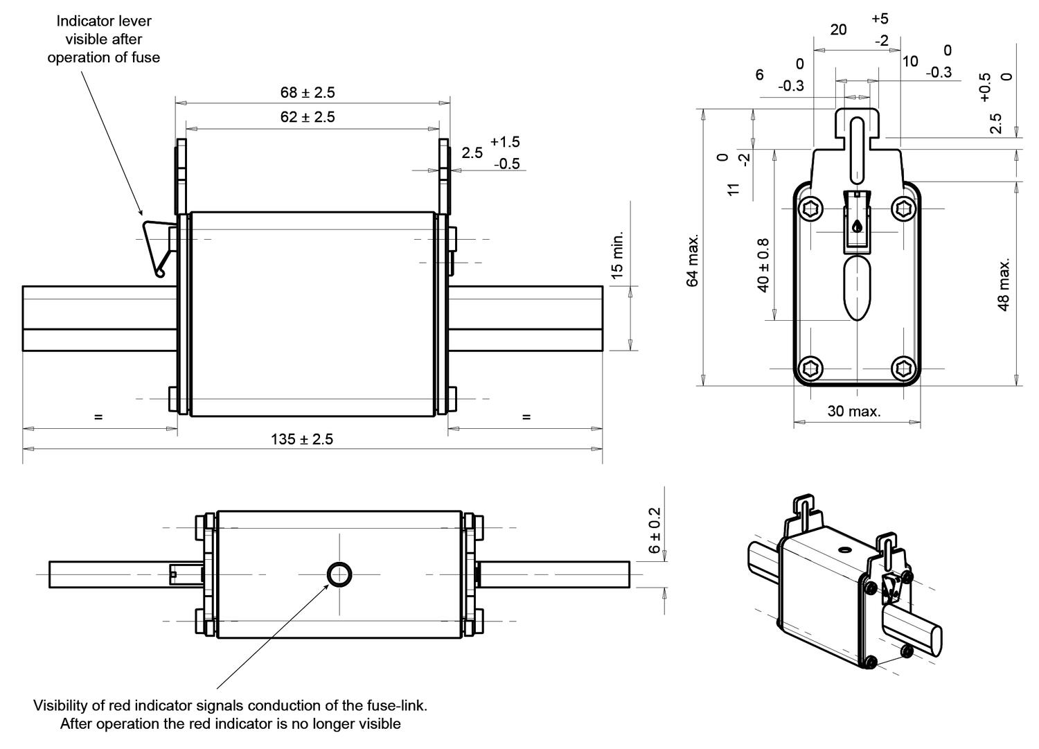
Mitat ja kytkennät

Tuotekuvaus

Mersen/Ferraz Shawmut "aM" tyypin NH-sulakkeet ovat osittaisen katkaisualueen sulakkeita, joita käytetään moottorien virtapiirien suojaukseen.

Ne pystyvät katkaisemaan virrat 6,3xIn:stä maksimi katkaisukykyyn asti ja siksi soveltuvat vain oikosulkusuojaukseen.

Ne on liitettävä muihin järjestelmiin ylikuormitussuojauksen toteuttamiseksi. Näiden sulakkeiden nimellisvirta voi olla sama kuin moottorin nimellisvirta.

 

Ominaisuudet

  • Mitat DIN 43 620 parts 1 to 4 mukaan
  • Eristämättömät kiinnityskorvakkeet
  • Kaksoisindikointi
  • Lyijyttömät liittimet

0 % kadmium

Tarvikkeet



Äänitiedostot

Lisää luettavaa

DF Electric
Tuoteuutiset

DF Electric – uusi kumppanimme sulakeratkaisuihin

DF Electric on erikoistunut sulakkeisiin, sulakepesiin ja muuntajiin vuodesta 1987 lähtien. Barcelonasta käsin toimiva yritys on Espanjan markkinajohtaja ja tunnettu kansainvälisesti kilpailukykyisestä tuotevalikoimastaan.

Delcon releet referenssi
Asiakascase

Oikea relevalinta säästi aikaa ja rahaa

Ratkaisimme jatkuvat relehaasteet korkealaatuisen koneenrakennusteräksen valmistajan Ovakon tehtaassa. Lue jutustamme miten se tehtiin!

Uudet F-kaasuvaatimukset jäähdytyslaitteille
Tuki

F-kaasuasetus (EU) 2024/573 – Uudet vaatimukset jäähdytyslaitteille

Uusi F-kaasuasetus (EU) 2024/573 muuttaa jäähdytys- ja ilmastointijärjestelmien edellytyksiä teollisissa sovelluksissa. Tiukennetut vaatimukset fluoratuille kasvihuonekaasuille tarkoittavat, että monet nykyiset ratkaisut poistetaan asteittain käytöstä – samalla kun väärän teknologian valinta voi tulla kalliiksi tulevaisuudessa.

Conta-Clip kaapeliläpiviennit elintarviketeollisuuteen
Tuoteuutiset

CONTA-CLIP - FDA-yhteensopivat kaapeliläpivientiratkaisut elintarviketeollisuuteen

CONTA-CLIP tarjoaa elintarviketeollisuuden vaatimuksiin suunniteltuja kaapeliläpivientiratkaisuja, jotka on valmistettu FDA-yhteensopivista materiaaleista.

Advantech paneeli-PC
Tuoteuutiset

Advantech Panel PC - ratkaisut – Tehokkuutta, luotettavuutta ja automaation hallintaa

Advantechin paneeli PC:t toimivat keskeisenä käyttöliittymänä erilaisissa automaatiojärjestelmissä. Lue lisää!

Turva-aidat teollisuuteen: autamme suunnittelussa ja mitoituksessa
Tuoteuutiset

Turva-aidat teollisuuteen: autamme suunnittelussa ja mitoituksessa

Teollisuusympäristöissä turvallisuus ja tehokkuus kulkevat käsi kädessä. Autamme turva-aitojen mitoituksessa ja oikean ratkaisun valinnassa.

Suosikit Tilausnumero: Hyväksynnät Katkaisukyky Max. jännite AC Nimellisvirta Valmistajan osanumero Hinta
BV, CB, CE, DNV, KEMA KEUR, Lloyd´s, VDE
120 kA
500 V
100 A
D232510
BV, CB, CE, DNV, KEMA KEUR, Lloyd´s, VDE
120 kA
500 V
125 A
E232511
BV, CB, CE, DNV, KEMA KEUR, Lloyd´s, VDE
120 kA
500 V
160 A
F232512
BV, CB, CE, DNV, KEMA KEUR, Lloyd´s, VDE
120 kA
500 V
200 A
G232513
BV, CB, CE, DNV, KEMA KEUR, Lloyd´s, VDE
120 kA
500 V
224 A
H232514
BV, CB, CE, DNV, KEMA KEUR, Lloyd´s, VDE
120 kA
500 V
250 A
J232515
BV, CB, CE, DNV, KEMA KEUR, Lloyd´s, VDE
120 kA
500 V
315 A
K227962
BV, CE, Lloyd´s
80 kA
690 V
16 A
B227885
BV, CE, Lloyd´s
80 kA
690 V
20 A
C227886
BV, CE, Lloyd´s
80 kA
690 V
25 A
D227887
BV, CE, Lloyd´s
80 kA
690 V
32 A
E227888
BV, CE, Lloyd´s
80 kA
690 V
35 A
F227889
BV, CE, Lloyd´s
80 kA
690 V
40 A
G227890
BV, CE, Lloyd´s
80 kA
690 V
50 A
H227891
BV, CE, Lloyd´s
80 kA
690 V
63 A
J227892
BV, CE, Lloyd´s
80 kA
690 V
80 A
K227893
BV, CE, Lloyd´s
80 kA
690 V
100 A
L227894
BV, CE, Lloyd´s
80 kA
690 V
125 A
M227895
BV, CE, Lloyd´s
80 kA
690 V
160 A
N227896
BV, CE, Lloyd´s
80 kA
690 V
200 A
P227897
BV, CE, Lloyd´s
80 kA
690 V
224 A
Q227898
BV, CE, Lloyd´s
80 kA
690 V
250 A
R227899

Valittu tuote

Valitse tuote listalta.

Teknisiä neuvoja

Iida Haapanen

Tuotepäällikkö

Asiakaspalvelu
Asiakaspalvelumme vastaa kysymyksiin ja etsii ratkaisut ongelmiin. Heille voit jättää myös tilauksesi.
FAQ
+ Miten tullaan asiakkaaksenne?
+ Olen sopinut puskurivarastosta, voinko tilata verkkokaupan kautta?
+ Voiko samalla tilillä olla useita käyttäjiä?
+ Voiko samassa tilauksessa olla useampia toimituspäiviä?
+ Voiko tilauksen toimittaa väliaikaiseen toimitusosoitteeseen?
Chatti
Tarvitsetko apua?
Logo

Evästeet oem.fi sivustolla

Evästeiden avulla voimme palvella sinua paremmin ja varmistamme sivuston sujuvan toiminnan. Voit hallinnoida evästeasetuksia koska tahansa.

Toiminnalliset evästeet

Nämä evästeet ovat välttämättömiä verkkosivuston toimimiseksi, eikä niitä voi poistaa käytöstä järjestelmissämme. Niitä käytetään yleensä vain vastauksena toimiin, jotka olet tehnyt palvelupyynnön yhteydessä, esimerkiksi henkilökohtaisten asetusten määrittämisen, kirjautumisen tai lomakkeen täyttämisen yhteydessä.

Tilastolliset evästeet

Tilastollisten evästeiden avulla seuraamme verkkosivustomme kävijöiden toimintaa ja teemme analyyseja, joiden avulla voimme optimoida verkkosivustoamme. Tämä tarkoittaa, että voimme kehittää sivustoamme toimivammaksi ja palvelemaan kävijöitä paremmin. Jos et hyväksy näitä evästeitä, emme tiedä, milloin olet käynyt sivustollamme. Voit kuitenkin käyttää sivustoamme normaalisti.

Markkinointievästeet

Markkinointievästeiden avulla voimme kohdentaa sinulle mainoksia eri verkkosivustoilla tai sisältöä sosiaalisessa mediassa. Näitä evästeitä asettavat kolmannen osapuolen mainonta- ja kohdistustyökalut. Evästeiden kautta nämä toimijat voivat muodostaa profiilin kiinnostuksesi kohteista. Jos et hyväksy näitä evästeitä, et näe kohdennettua markkinointia etkä mahdollisesti voi käyttää sosiaalisen median jakotyökaluja.