DF ELECTRIC
| Hyväksynnät | CE |
|---|---|
| Katkaisukyky | 100 kA |
| Koko | NH2 |
| Käyttölämpötila | -40°C ... 80°C |
| Max. jännite DC | 1500 V |
| Nimellisvirta | 200 A |
| Ominaisuus | gPV |
|---|---|
| Paino | 990 g |
| Pakkauskoko | 1 kpl |
| Standardit | IEC/EN 60269-1, UL248-1, UL248-19, RoHS |
| Varastointilämpötila | -40°C ... 90°C |
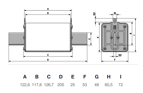
DF Electricin NH2 1500 V gPV-kahvasulakkeet on suunniteltu aurinkosähköjärjestelmien ja invertterien DC-tulojen suojaukseen. Keraaminen runko kestää hyvin sisäistä painetta ja lämpöshokkeja. Saatavana myös pulttikiinnitteiset versiot.
DF Electric on erikoistunut sulakkeisiin, sulakepesiin ja muuntajiin vuodesta 1987 lähtien. Barcelonasta käsin toimiva yritys on Espanjan markkinajohtaja ja tunnettu kansainvälisesti kilpailukykyisestä tuotevalikoimastaan.
Ratkaisimme jatkuvat relehaasteet korkealaatuisen koneenrakennusteräksen valmistajan Ovakon tehtaassa. Lue jutustamme miten se tehtiin!
Uusi F-kaasuasetus (EU) 2024/573 muuttaa jäähdytys- ja ilmastointijärjestelmien edellytyksiä teollisissa sovelluksissa. Tiukennetut vaatimukset fluoratuille kasvihuonekaasuille tarkoittavat, että monet nykyiset ratkaisut poistetaan asteittain käytöstä – samalla kun väärän teknologian valinta voi tulla kalliiksi tulevaisuudessa.
CONTA-CLIP tarjoaa elintarviketeollisuuden vaatimuksiin suunniteltuja kaapeliläpivientiratkaisuja, jotka on valmistettu FDA-yhteensopivista materiaaleista.
Advantechin paneeli PC:t toimivat keskeisenä käyttöliittymänä erilaisissa automaatiojärjestelmissä. Lue lisää!
Teollisuusympäristöissä turvallisuus ja tehokkuus kulkevat käsi kädessä. Autamme turva-aitojen mitoituksessa ja oikean ratkaisun valinnassa.
|
|
|
|
|
|
||
|---|---|---|---|---|---|---|
|
|
|
|
|
|
||
|
|
|
|
|
|
||
|
|
|
|
|
|
||
|
|
|
|
|
|
||
|
|
|
|
|
|
||
|
|
|
|
|
|
| Suosikit | Tilausnumero: | Nimellisvirta | Paino | Hinta | |
|---|---|---|---|---|---|
|
Kahvasulake NH2 XL, gPV, 200A, 1500 VDC
Tuotenumero:
DF372350
Kopioitu!
|
200 A
|
990 g
|
|
||
|
Kahvasulake NH2 XL, gPV, 250A, 1500 VDC
Tuotenumero:
DF372360
Kopioitu!
|
250 A
|
990 g
|
|
||
|
Kahvasulake NH2 XL, gPV, 200A, 1500VDC
Tuotenumero:
DF372350B
Kopioitu!
|
200 A
|
980 g
|
|
||
|
Kahvasulake NH2 XL, gPV, 250A, 1500VDC
Tuotenumero:
DF372360B
Kopioitu!
|
250 A
|
980 g
|
|
Valitse tuote listalta.