PULS

Dimension DC/DC-muunnin 600/24 V DC

600/24 V DC, 20 A

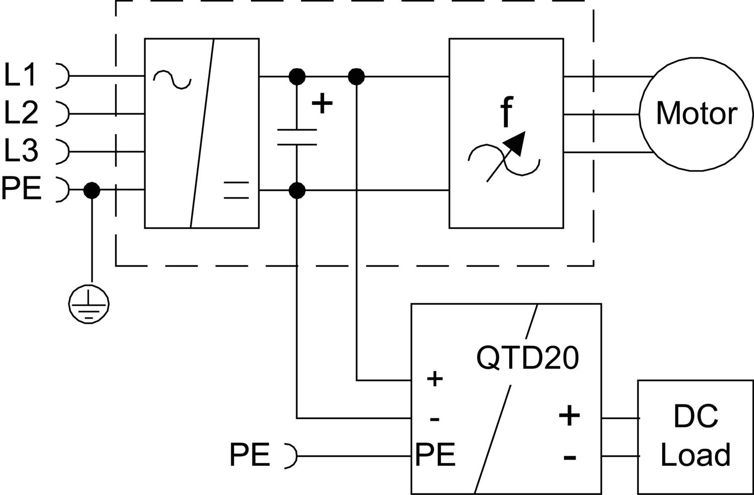
Nykyaikaiset koneet käyttävät tyypillisesti huoltovapaita AC-moottoreita, joita ohjaavat taajuusmuuttajat tai servovahvistimet. Tällaisissa laitteissa on DC-välipiiri, johon kaikki yksittäiset laitteet on kytketty.

QTD20 DC/DC-muunnin voidaan kytkeä suoraan DC-välipiiriin. Jos verkkovirta on katkennut, QTD20 käyttää DC-väyläkondensaattoreiden tehoa, joka ladataan moottorin kineettisestä energiasta, kunnes moottori on pysähtynyt kokonaan.

 

DC-välipiirit ovat tavallisesti suodattamattomia ja niissä on suuri EMI-kohina, tämän vuoksi QTD20 on varustettu tulosuodattimella. Lisäksi QTD20 on UL508 hyväksytty ja siinä on integroidut tulosulakkeet, jotka on mitoitettu ja testattu 600 V DC sovelluksiin.

Lue lisää
  • Leveys 65 mm
  • Hyötysuhde 95 %
  • 25 % Bonuspower 4 s
  • Optimoitu taajuusmuuttajien DC-välipiiriin

Valitse tuote

QTD20.241-teholähde

DC/DC-muunnin 480-840 V DC/24 V DC, 20 A

Tuotenumero:

Valitse tuote

Tekniset tiedot

Sisääntulo

Syöttöjännite DC 600 V
Min. syöttöjännite DC 480 V DC
Max. syöttöjännite DC 840 V DC
Syöksyvirta Typ. 1,6 A @ 600 V DC
Max. syöttö ripple 50 V pp
Ensiösulake Ilman etusulaketta max. 16 A -järjestelmässä (15 A UL). Katso datasivu.
Virrankulutus Typ. 0,8 A @ 600 V DC
Syöttövirran tyyppi DC-DC
Käynnistysviive 350 ms

Ulostulo

Ulostulojännite 24 V DC
Min. ulostulojännite 24 V DC
Max. ulostulojännite 28 V DC
Ulostulovirta 20 A
Teho 480 W
Tehoreservi 25 % Bonuspower 4 s ajan +60 ºC asti
Tehonlasku +60 °C...+70 °C 12 W/°C
Max. Ripple 100 mV pp
Syöttöjänniteregulointi <10 mV (480-840 V DC)
Kuormaregulointi <100 mV (0-20 A)
Min. lämpötila ilman tehonlaskua -25 °C
Max. lämpötila ilman tehonlaskua 60 °C

Hyötysuhde/elinikä/MTBF

Hyötysuhde 95 %

*Invisible Heading*

Elinikä 42000 h @ 24 V DC, 20 A, 40 °C
MTBF (IEC 61709) 446000 h @ 24 V DC, 20 A, 40 °C

Mitat

Leveys 65 mm
Korkeus 124 mm
Syvyys 127 mm
Paino 0,89 kg

Liittimet

Liittimet Jousivoima
Liitäntä Monisäikeinen max. 4 mm², yksisäikeinen max. 6 mm²

Muuta

Sarja Dimension Q
Standardit Selv: EN62477-1, Pelv: EN60204-1, IEC62103, IEC62477-1, IEC60364-4-41
Hyväksynnät CE, CSA, UL
DC-OK rele Kyllä
Kotelon materiaali Alumiini
Rinnankytkentä Kyllä, katso datasivu
Sarjakytkentä Kyllä, katso datasivu
Hold-up time Typ. 22 ms @ 600 V DC
IP-luokka IP20
Releulostulo Rele avautuu, jos aseteltu jännite laskee yli 10 % (>1 ms )
Ylijännitevaroitus Kyllä, katso datasivu
Aktiivinen transienttisuodatin Kyllä

Tuotekuvaus

Nykyaikaiset koneet käyttävät tyypillisesti huoltovapaita AC-moottoreita, joita ohjaavat taajuusmuuttajat tai servovahvistimet. Tällaisissa laitteissa on DC-välipiiri, johon kaikki yksittäiset laitteet on kytketty.

QTD20 DC/DC-muunnin voidaan kytkeä suoraan DC-välipiiriin. Jos verkkovirta on katkennut, QTD20 käyttää DC-väyläkondensaattoreiden tehoa, joka ladataan moottorin kineettisestä energiasta, kunnes moottori on pysähtynyt kokonaan.

 

DC-välipiirit ovat tavallisesti suodattamattomia ja niissä on suuri EMI-kohina, tämän vuoksi QTD20 on varustettu tulosuodattimella. Lisäksi QTD20 on UL508 hyväksytty ja siinä on integroidut tulosulakkeet, jotka on mitoitettu ja testattu 600 V DC sovelluksiin.

Tarvikkeet

Saatat olla kiinnostunut näistä



Äänitiedostot

Lisää luettavaa

Teknisiä neuvoja

Iida Haapanen

Tuotepäällikkö

Asiakaspalvelu
Asiakaspalvelumme vastaa kysymyksiin ja etsii ratkaisut ongelmiin. Heille voit jättää myös tilauksesi.
FAQ
+ Miten tullaan asiakkaaksenne?
+ Olen sopinut puskurivarastosta, voinko tilata verkkokaupan kautta?
+ Voiko samalla tilillä olla useita käyttäjiä?
+ Voiko samassa tilauksessa olla useampia toimituspäiviä?
+ Voiko tilauksen toimittaa väliaikaiseen toimitusosoitteeseen?
Chatti
Tarvitsetko apua?
Logo

Evästeet oem.fi sivustolla

Evästeiden avulla voimme palvella sinua paremmin ja varmistamme sivuston sujuvan toiminnan. Voit hallinnoida evästeasetuksia koska tahansa.

Toiminnalliset evästeet

Nämä evästeet ovat välttämättömiä verkkosivuston toimimiseksi, eikä niitä voi poistaa käytöstä järjestelmissämme. Niitä käytetään yleensä vain vastauksena toimiin, jotka olet tehnyt palvelupyynnön yhteydessä, esimerkiksi henkilökohtaisten asetusten määrittämisen, kirjautumisen tai lomakkeen täyttämisen yhteydessä.

Tilastolliset evästeet

Tilastollisten evästeiden avulla seuraamme verkkosivustomme kävijöiden toimintaa ja teemme analyyseja, joiden avulla voimme optimoida verkkosivustoamme. Tämä tarkoittaa, että voimme kehittää sivustoamme toimivammaksi ja palvelemaan kävijöitä paremmin. Jos et hyväksy näitä evästeitä, emme tiedä, milloin olet käynyt sivustollamme. Voit kuitenkin käyttää sivustoamme normaalisti.

Markkinointievästeet

Markkinointievästeiden avulla voimme kohdentaa sinulle mainoksia eri verkkosivustoilla tai sisältöä sosiaalisessa mediassa. Näitä evästeitä asettavat kolmannen osapuolen mainonta- ja kohdistustyökalut. Evästeiden kautta nämä toimijat voivat muodostaa profiilin kiinnostuksesi kohteista. Jos et hyväksy näitä evästeitä, et näe kohdennettua markkinointia etkä mahdollisesti voi käyttää sosiaalisen median jakotyökaluja.