PULS

Dimension erotusmoduuli 12-28 V DC

12-28 V DC, 2x20 A ja 2x40 A

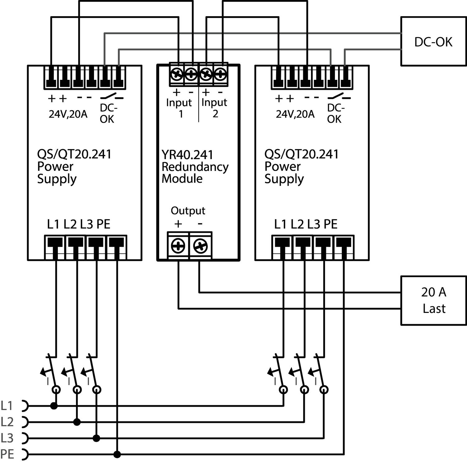
YR40 ja YR80 ovat redundantti-/erotusmoduuleja, joita käytetään varmentamaan järjestelmien katkoton syöttö. Ne ovat varustettu kahdella sisääntulolla ja yhdellä ulostulolla. Sisääntulot on erotettu toisistaan MOSFET-tekniikalla, joka vähentää diodeihin nähden teho- ja jännitehäviöitä. YR40 max. sisääntulovirta 2x20 A (2x32,5 A 5s ajan) ja YR80 max. sisääntulovirta  2x40 A (2x65 A 5s ajan).

 

YR40.241 ja YR80.241 soveltuvat käytettäväksi kaikkien teholähteiden kanssa.

Kustannustehokkaat YR40.242 ja YR80.242 soveltuvat käytettäväksi Pulsin Dimension sarjan teholähteiden kanssa, paitsi QT20, QTD20 ja QT40.

 

Pienten tehohäviöiden ansiosta yksiköt ovat erittäin kapeita, YR40 vain 36 mm ja YR80 vain 46 mm. Suuret liittimet mahdollistavat nopean ja turvallisen asennuksen. Laajan hyväksyntäpaketin ansiosta se soveltuu lähes kaikkiin sovelluksiin.

 

Erotusmoduulissa on kaksi erillistä sisääntuloa, jotka voivat kumpikin ottaa puolet maksimivirrasta. Jos syöttävän teholähteen numero 1 lähdössä tapahtuu oikosulku, niin erotusmoduuli erottaa viallisen teholähteen, ja estää teholähdettä numero 2 ylikuormittumasta. N+1 varmennuksissa voidaan käyttää useampaa erotusmoduulia. Periaatteena on, että yhden teholähteeen vioittumisen jälkeenkin jäljelle jäävien teholähteiden teho riittää kuorman syöttämiseen.  

Lue lisää
  • N+1 ja 1+1 varmennukseen
  • MOSFET erotusmoduuli
  • Erittäin pienet häviöt

Valitse tuote

Valitse tuote

Valitse tuote

Tekniset tiedot

Sisääntulo

Syöttöjännite DC 12-28 V
Min. syöttöjännite DC 8,4 V DC
Max. syöttöjännite DC 36,4 V DC
Max. syöttövirta per kanava 20 A
Max. syöttövirta jatkuvalla kuormituksella tai oikosulussa 2x32,5 A
Syöttövirran tyyppi Redundanssimoduulit

Ulostulo

Ulostulojännite 24 V DC
Ulostulovirta 40 A
Max. ulostulovirta 65 A
Min. lämpötila ilman tehonlaskua -40 °C
Max. lämpötila ilman tehonlaskua 70 °C

Hyötysuhde/elinikä/MTBF

Elinikä 246000 h @ 2x 20 A, 24 V DC, 40 °C

*Invisible Heading*

MTBF (IEC 61709) 2706000 h @ 2x 20 A, 24 V DC, 40 °C

Mitat

Leveys 36 mm
Korkeus 124 mm
Syvyys 127 mm
Paino 0,34 kg

Muuta

Sarja Dimension Y
Hyväksynnät ABS, ATEX, CB, CE, CSA, CSA US, GL, IECEx, UL
Kotelon materiaali Alumiini
IP-luokka IP20
Jännitehäviö 140 mV

Mitat ja kytkennät

di_yr40_241_en.jpg

222877_812.eps

1+1 20 A redundattijärjestelmä vaatii kaksi 20 A teholähdettä ja yhden YR40.241 erotusmoduulin

222878_812.eps

N+1 60 A redundattijärjestelmä vaatii neljä 20 A teholähdettä ja kaksi YR40.241 erotusmoduulia

Tekniset kuvat

Tuotekuvaus

YR40 ja YR80 ovat redundantti-/erotusmoduuleja, joita käytetään varmentamaan järjestelmien katkoton syöttö. Ne ovat varustettu kahdella sisääntulolla ja yhdellä ulostulolla. Sisääntulot on erotettu toisistaan MOSFET-tekniikalla, joka vähentää diodeihin nähden teho- ja jännitehäviöitä. YR40 max. sisääntulovirta 2x20 A (2x32,5 A 5s ajan) ja YR80 max. sisääntulovirta  2x40 A (2x65 A 5s ajan).

 

YR40.241 ja YR80.241 soveltuvat käytettäväksi kaikkien teholähteiden kanssa.

Kustannustehokkaat YR40.242 ja YR80.242 soveltuvat käytettäväksi Pulsin Dimension sarjan teholähteiden kanssa, paitsi QT20, QTD20 ja QT40.

 

Pienten tehohäviöiden ansiosta yksiköt ovat erittäin kapeita, YR40 vain 36 mm ja YR80 vain 46 mm. Suuret liittimet mahdollistavat nopean ja turvallisen asennuksen. Laajan hyväksyntäpaketin ansiosta se soveltuu lähes kaikkiin sovelluksiin.

 

Erotusmoduulissa on kaksi erillistä sisääntuloa, jotka voivat kumpikin ottaa puolet maksimivirrasta. Jos syöttävän teholähteen numero 1 lähdössä tapahtuu oikosulku, niin erotusmoduuli erottaa viallisen teholähteen, ja estää teholähdettä numero 2 ylikuormittumasta. N+1 varmennuksissa voidaan käyttää useampaa erotusmoduulia. Periaatteena on, että yhden teholähteeen vioittumisen jälkeenkin jäljelle jäävien teholähteiden teho riittää kuorman syöttämiseen.  

Tarvikkeet

Saatat olla kiinnostunut näistä



Äänitiedostot

Lisää luettavaa

Suosikit Tilausnumero: Ulostulojännite Syöttöjännite DC Ulostulovirta Hinta
24 V DC
12-28 V
40 A
24 V DC
12-28 V
40 A
24 V DC
12-28 V
80 A
24 V DC
12-28 V
80 A

Valittu tuote

Valitse tuote listalta.

Teknisiä neuvoja

Henri Suikkanen

Teknisen Osaston päällikkö

Asiakaspalvelu
Asiakaspalvelumme vastaa kysymyksiin ja etsii ratkaisut ongelmiin. Heille voit jättää myös tilauksesi.
FAQ
+ Miten tullaan asiakkaaksenne?
+ Olen sopinut puskurivarastosta, voinko tilata verkkokaupan kautta?
+ Voiko samalla tilillä olla useita käyttäjiä?
+ Voiko samassa tilauksessa olla useampia toimituspäiviä?
+ Voiko tilauksen toimittaa väliaikaiseen toimitusosoitteeseen?
Chatti
Tarvitsetko apua?
Logo

Evästeet oem.fi sivustolla

Evästeiden avulla voimme palvella sinua paremmin ja varmistamme sivuston sujuvan toiminnan. Voit hallinnoida evästeasetuksia koska tahansa.

Toiminnalliset evästeet

Nämä evästeet ovat välttämättömiä verkkosivuston toimimiseksi, eikä niitä voi poistaa käytöstä järjestelmissämme. Niitä käytetään yleensä vain vastauksena toimiin, jotka olet tehnyt palvelupyynnön yhteydessä, esimerkiksi henkilökohtaisten asetusten määrittämisen, kirjautumisen tai lomakkeen täyttämisen yhteydessä.

Tilastolliset evästeet

Tilastollisten evästeiden avulla seuraamme verkkosivustomme kävijöiden toimintaa ja teemme analyyseja, joiden avulla voimme optimoida verkkosivustoamme. Tämä tarkoittaa, että voimme kehittää sivustoamme toimivammaksi ja palvelemaan kävijöitä paremmin. Jos et hyväksy näitä evästeitä, emme tiedä, milloin olet käynyt sivustollamme. Voit kuitenkin käyttää sivustoamme normaalisti.

Markkinointievästeet

Markkinointievästeiden avulla voimme kohdentaa sinulle mainoksia eri verkkosivustoilla tai sisältöä sosiaalisessa mediassa. Näitä evästeitä asettavat kolmannen osapuolen mainonta- ja kohdistustyökalut. Evästeiden kautta nämä toimijat voivat muodostaa profiilin kiinnostuksesi kohteista. Jos et hyväksy näitä evästeitä, et näe kohdennettua markkinointia etkä mahdollisesti voi käyttää sosiaalisen median jakotyökaluja.