PULS

Dimension erotusmoduuli 12-28 V DC

12-28 V DC, 2x10 A

YR20.242 on redundantti-/erotusmoduuli, jota käytetään varmentamaan järjestelmien katkoton syöttö. Se on varustettu kahdella sisääntulolla ja yhdellä ulostulolla. Sisääntulot on erotettu toisistaan MOSFET-tekniikalla, joka vähentää diodeihin nähden teho- ja jännitehäviöitä. Max. sisääntulovirta 2x10 A (2x16 A 5s ajan), kun käytetätään molempia sisääntuloja ja 1x20 A kun vain toinen sisääntulo käytössä.

 

Pienten tehohäviöiden ansiosta yksikkö on erittäin kapea, vain 32 mm. Suuret liittimet mahdollistavat nopean ja turvallisen asennuksen. Laajan hyväksyntäpaketin ansiosta se soveltuu lähes kaikkiin sovelluksiin.

 

Erotusmoduulissa on kaksi erillistä sisääntuloa, jotka voivat kumpikin ottaa puolet maksimivirrasta. Jos syöttävän teholähteen numero 1 lähdössä tapahtuu oikosulku, niin erotusmoduuli erottaa viallisen teholähteen, ja estää teholähdettä numero 2 ylikuormittumasta. N+1 varmennuksissa voidaan käyttää useampaa erotusmoduulia. Periaatteena on, että yhden teholähteeen vioittumisen jälkeenkin jäljelle jäävien teholähteiden teho riittää kuorman syöttämiseen.

Lue lisää
  • N+1 ja 1+1 varmennukseen
  • MOSFET erotusmoduuli
  • Erittäin pienet häviöt

Valitse tuote

Dimension erotusmoduuli 12-28 V DC

MOSFET erotusmoduuli 12-28 V DC, 20 A

Tuotenumero:

Valitse tuote

Tekniset tiedot

Sisääntulo

Syöttöjännite DC 12-28 V
Min. syöttöjännite DC 8,4 V DC
Max. syöttöjännite DC 36,4 V DC
Max. syöttövirta per kanava 20 A
Max. syöttövirta jatkuvalla kuormituksella tai oikosulussa 2x24 A
Syöttövirran tyyppi Redundanssimoduulit

Ulostulo

Ulostulojännite 24 V DC
Ulostulovirta 20 A
Max. ulostulovirta 26 A
Min. lämpötila ilman tehonlaskua -40 °C
Max. lämpötila ilman tehonlaskua 70 °C

Hyötysuhde/elinikä/MTBF

Elinikä 355000 h @ 2x 20 A, 24 V DC, 40 °C

*Invisible Heading*

MTBF (IEC 61709) 7895000 h @ 2x 20 A, 24 V DC, 40 °C

Mitat

Leveys 32 mm
Korkeus 124 mm
Syvyys 127 mm
Paino 0,25 kg

Muuta

Sarja Dimension Y
Hyväksynnät ATEX, CB, CE, CSA, CSA US, UL
Kotelon materiaali Alumiini
IP-luokka IP20
Jännitehäviö 110 mV

Mitat ja kytkennät

YR20_242_Dimesnions_1.eps

YR20_242_Dimensions_2.eps

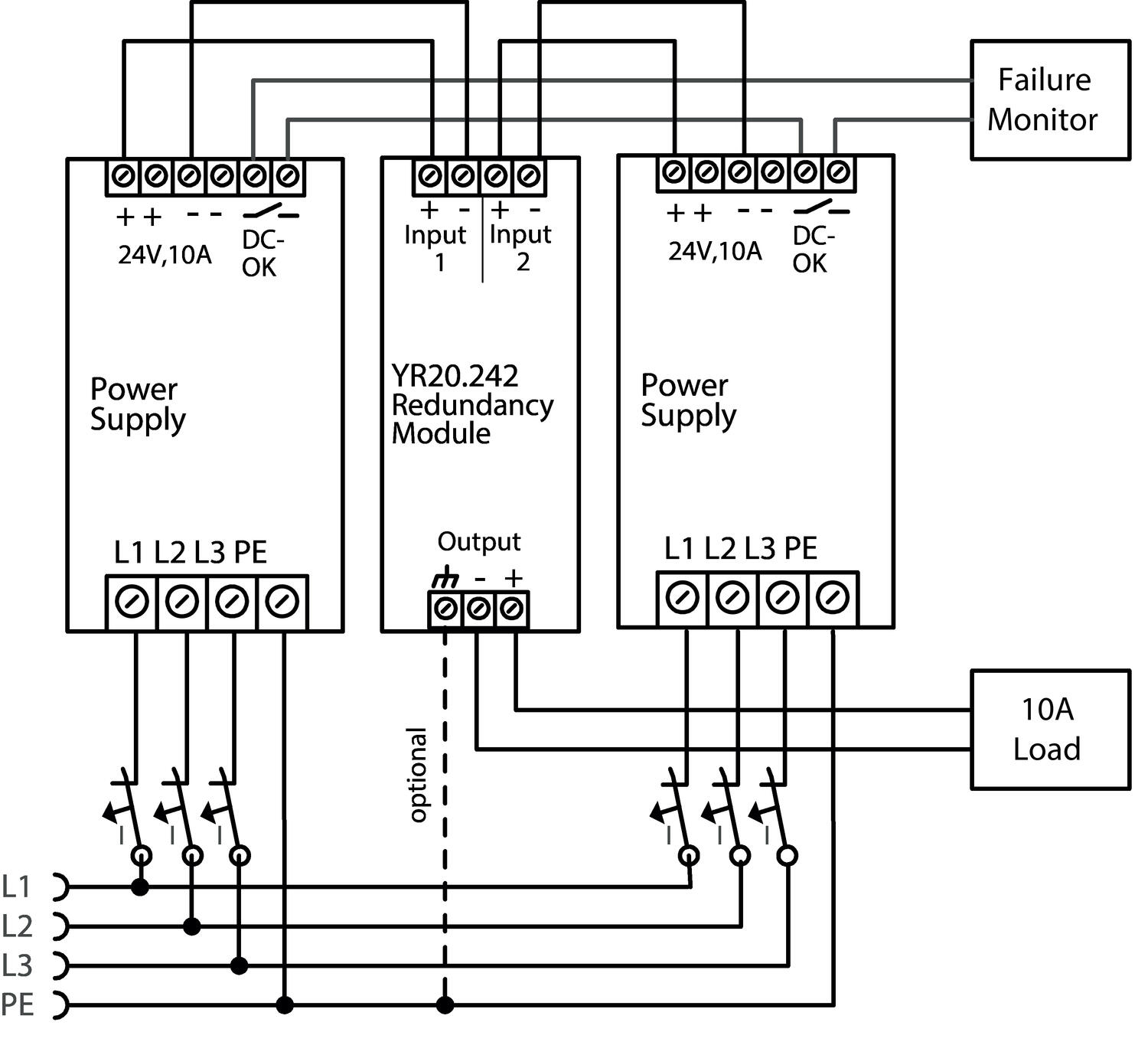
YR20_242_wiring_10A.eps

1+1 10 A redundattijärjestelmä vaatii kaksi 10 A teholähdettä ja yhden YR20.242 erotusmoduulin

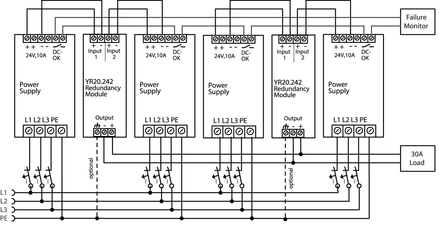
YR20_242_wiring_30A.eps

N+1 30 A redundattijärjestelmä vaatii neljä 10 A teholähdettä ja kaksi YR20.242 erotusmoduulia

Tekniset kuvat

Tuotekuvaus

YR20.242 on redundantti-/erotusmoduuli, jota käytetään varmentamaan järjestelmien katkoton syöttö. Se on varustettu kahdella sisääntulolla ja yhdellä ulostulolla. Sisääntulot on erotettu toisistaan MOSFET-tekniikalla, joka vähentää diodeihin nähden teho- ja jännitehäviöitä. Max. sisääntulovirta 2x10 A (2x16 A 5s ajan), kun käytetätään molempia sisääntuloja ja 1x20 A kun vain toinen sisääntulo käytössä.

 

Pienten tehohäviöiden ansiosta yksikkö on erittäin kapea, vain 32 mm. Suuret liittimet mahdollistavat nopean ja turvallisen asennuksen. Laajan hyväksyntäpaketin ansiosta se soveltuu lähes kaikkiin sovelluksiin.

 

Erotusmoduulissa on kaksi erillistä sisääntuloa, jotka voivat kumpikin ottaa puolet maksimivirrasta. Jos syöttävän teholähteen numero 1 lähdössä tapahtuu oikosulku, niin erotusmoduuli erottaa viallisen teholähteen, ja estää teholähdettä numero 2 ylikuormittumasta. N+1 varmennuksissa voidaan käyttää useampaa erotusmoduulia. Periaatteena on, että yhden teholähteeen vioittumisen jälkeenkin jäljelle jäävien teholähteiden teho riittää kuorman syöttämiseen.

Tarvikkeet

Saatat olla kiinnostunut näistä



Äänitiedostot

Lisää luettavaa

Teknisiä neuvoja

Iida Haapanen

Tuotepäällikkö

Asiakaspalvelu
Asiakaspalvelumme vastaa kysymyksiin ja etsii ratkaisut ongelmiin. Heille voit jättää myös tilauksesi.
FAQ
+ Miten tullaan asiakkaaksenne?
+ Olen sopinut puskurivarastosta, voinko tilata verkkokaupan kautta?
+ Voiko samalla tilillä olla useita käyttäjiä?
+ Voiko samassa tilauksessa olla useampia toimituspäiviä?
+ Voiko tilauksen toimittaa väliaikaiseen toimitusosoitteeseen?
Chatti
Tarvitsetko apua?
Logo

Evästeet oem.fi sivustolla

Evästeiden avulla voimme palvella sinua paremmin ja varmistamme sivuston sujuvan toiminnan. Voit hallinnoida evästeasetuksia koska tahansa.

Toiminnalliset evästeet

Nämä evästeet ovat välttämättömiä verkkosivuston toimimiseksi, eikä niitä voi poistaa käytöstä järjestelmissämme. Niitä käytetään yleensä vain vastauksena toimiin, jotka olet tehnyt palvelupyynnön yhteydessä, esimerkiksi henkilökohtaisten asetusten määrittämisen, kirjautumisen tai lomakkeen täyttämisen yhteydessä.

Tilastolliset evästeet

Tilastollisten evästeiden avulla seuraamme verkkosivustomme kävijöiden toimintaa ja teemme analyyseja, joiden avulla voimme optimoida verkkosivustoamme. Tämä tarkoittaa, että voimme kehittää sivustoamme toimivammaksi ja palvelemaan kävijöitä paremmin. Jos et hyväksy näitä evästeitä, emme tiedä, milloin olet käynyt sivustollamme. Voit kuitenkin käyttää sivustoamme normaalisti.

Markkinointievästeet

Markkinointievästeiden avulla voimme kohdentaa sinulle mainoksia eri verkkosivustoilla tai sisältöä sosiaalisessa mediassa. Näitä evästeitä asettavat kolmannen osapuolen mainonta- ja kohdistustyökalut. Evästeiden kautta nämä toimijat voivat muodostaa profiilin kiinnostuksesi kohteista. Jos et hyväksy näitä evästeitä, et näe kohdennettua markkinointia etkä mahdollisesti voi käyttää sosiaalisen median jakotyökaluja.