PULS

Dimension erotusmoduuli 24-28 V DC

24-28 V DC, 2x10 A

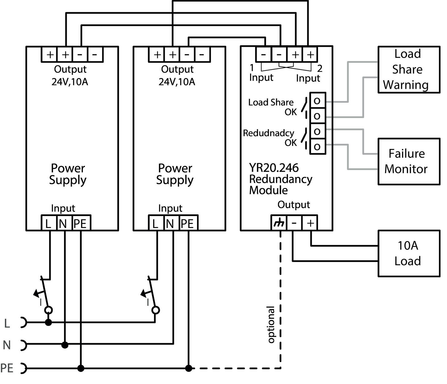
YR20.246 on redundantti-/erotusmoduuli, jota käytetään varmentamaan järjestelmien katkoton syöttö. Se on varustettu kahdella sisääntulolla ja yhdellä ulostulolla. Sisääntulot on erotettu toisistaan MOSFET-tekniikalla, joka vähentää diodeihin nähden teho- ja jännitehäviöitä. Max. sisääntulovirta 2x10 A (2x17 A 5s ajan), kun käytetätään molempia sisääntuloja ja 1x20 A kun vain toinen sisääntulo käytössä.

 

YR20.246 on varustettu automaattisella kuomanjaolla, joka kompensoi syöttävien teholähteiden pienet jännite-erot. Se myös valvoo redundattipiirin toimintaa ja antaa signaalitiedon vikatilanteessa. Myös kuormanjakoa valvotaan ja erotusmoduuli antaa signaalitiedon, mikäli kuormanjako ei toimi.

 

Pienten tehohäviöiden ansiosta yksikkö on erittäin kapea, vain 32 mm. Suuret liittimet mahdollistavat nopean ja turvallisen asennuksen. Laajan hyväksyntäpaketin ansiosta se soveltuu lähes kaikkiin sovelluksiin.

 

Erotusmoduulissa on kaksi erillistä sisääntuloa, jotka voivat kumpikin ottaa puolet maksimivirrasta. Jos syöttävän teholähteen numero 1 lähdössä tapahtuu oikosulku, niin erotusmoduuli erottaa viallisen teholähteen, ja estää teholähdettä numero 2 ylikuormittumasta.

Lue lisää
  • 1+1 varmennukseen
  • MOSFET erotusmoduuli
  • Erittäin pienet häviöt
  • Kuormanjako

Valitse tuote

Erotusmoduulit

MOSFET erotusmoduuli 24-28 V DC, 20 A

Tuotenumero:

Valitse tuote

Tekniset tiedot

Sisääntulo

Syöttöjännite DC 24-28 V
Min. syöttöjännite DC 18 V DC
Max. syöttöjännite DC 35 V DC
Max. syöttövirta per kanava 12 A
Max. syöttövirta jatkuvalla kuormituksella tai oikosulussa 24 A
Syöttövirran tyyppi Redundanssimoduulit

Ulostulo

Ulostulojännite 24 V DC
Ulostulovirta 20 A
Max. ulostulovirta 26 A
Min. lämpötila ilman tehonlaskua -40 °C
Max. lämpötila ilman tehonlaskua 70 °C

Hyötysuhde/elinikä/MTBF

Elinikä 182000 h @ 2x 20 A, 24 V DC, 40 °C

*Invisible Heading*

MTBF (IEC 61709) 1954000 h @ 2x 20 A, 24 V DC, 40 °C

Mitat

Leveys 32 mm
Korkeus 124 mm
Syvyys 127 mm
Paino 0,31 kg

Muuta

Sarja Dimension Y
Hyväksynnät ATEX, CB, CE, CSA, CSA US, UL
Kotelon materiaali Alumiini
IP-luokka IP20
Jännitehäviö 500 mV

Mitat ja kytkennät

YR20_246_dimensions1.eps

YR20_246_dimensions2.eps

Erotusmoduulit

1+1 10 A redundattijärjestelmä vaatii kaksi 10 A teholähdettä ja yhden YR20.246 erotusmoduulin

Tekniset kuvat

YR20_246_load_charing.eps

Tasaisesti jaetulla virralla vältetään tilanne, jossa toinen teholähde kuumenee enemmän kuin toinen. Tämä lisää järjestelmän käyttöikää.
YR20.246 erotusmoduuli on varustettu automaattisella kuormanjaolla, joka kompensoi teholähteiden pienet jännite-erot.
Erotusmoduuliin kytkettyjen teholähteiden jännitteet tulisi kuitenkin asettaa mahdollisimman lähelle toisiaan.

YR20_246_output_current.eps

Tuotekuvaus

YR20.246 on redundantti-/erotusmoduuli, jota käytetään varmentamaan järjestelmien katkoton syöttö. Se on varustettu kahdella sisääntulolla ja yhdellä ulostulolla. Sisääntulot on erotettu toisistaan MOSFET-tekniikalla, joka vähentää diodeihin nähden teho- ja jännitehäviöitä. Max. sisääntulovirta 2x10 A (2x17 A 5s ajan), kun käytetätään molempia sisääntuloja ja 1x20 A kun vain toinen sisääntulo käytössä.

 

YR20.246 on varustettu automaattisella kuomanjaolla, joka kompensoi syöttävien teholähteiden pienet jännite-erot. Se myös valvoo redundattipiirin toimintaa ja antaa signaalitiedon vikatilanteessa. Myös kuormanjakoa valvotaan ja erotusmoduuli antaa signaalitiedon, mikäli kuormanjako ei toimi.

 

Pienten tehohäviöiden ansiosta yksikkö on erittäin kapea, vain 32 mm. Suuret liittimet mahdollistavat nopean ja turvallisen asennuksen. Laajan hyväksyntäpaketin ansiosta se soveltuu lähes kaikkiin sovelluksiin.

 

Erotusmoduulissa on kaksi erillistä sisääntuloa, jotka voivat kumpikin ottaa puolet maksimivirrasta. Jos syöttävän teholähteen numero 1 lähdössä tapahtuu oikosulku, niin erotusmoduuli erottaa viallisen teholähteen, ja estää teholähdettä numero 2 ylikuormittumasta.

Tarvikkeet

Saatat olla kiinnostunut näistä



Äänitiedostot

Lisää luettavaa

Teknisiä neuvoja

Iida Haapanen

Tuotepäällikkö

Asiakaspalvelu
Asiakaspalvelumme vastaa kysymyksiin ja etsii ratkaisut ongelmiin. Heille voit jättää myös tilauksesi.
FAQ
+ Miten tullaan asiakkaaksenne?
+ Olen sopinut puskurivarastosta, voinko tilata verkkokaupan kautta?
+ Voiko samalla tilillä olla useita käyttäjiä?
+ Voiko samassa tilauksessa olla useampia toimituspäiviä?
+ Voiko tilauksen toimittaa väliaikaiseen toimitusosoitteeseen?
Chatti
Tarvitsetko apua?
Logo

Evästeet oem.fi sivustolla

Evästeiden avulla voimme palvella sinua paremmin ja varmistamme sivuston sujuvan toiminnan. Voit hallinnoida evästeasetuksia koska tahansa.

Toiminnalliset evästeet

Nämä evästeet ovat välttämättömiä verkkosivuston toimimiseksi, eikä niitä voi poistaa käytöstä järjestelmissämme. Niitä käytetään yleensä vain vastauksena toimiin, jotka olet tehnyt palvelupyynnön yhteydessä, esimerkiksi henkilökohtaisten asetusten määrittämisen, kirjautumisen tai lomakkeen täyttämisen yhteydessä.

Tilastolliset evästeet

Tilastollisten evästeiden avulla seuraamme verkkosivustomme kävijöiden toimintaa ja teemme analyyseja, joiden avulla voimme optimoida verkkosivustoamme. Tämä tarkoittaa, että voimme kehittää sivustoamme toimivammaksi ja palvelemaan kävijöitä paremmin. Jos et hyväksy näitä evästeitä, emme tiedä, milloin olet käynyt sivustollamme. Voit kuitenkin käyttää sivustoamme normaalisti.

Markkinointievästeet

Markkinointievästeiden avulla voimme kohdentaa sinulle mainoksia eri verkkosivustoilla tai sisältöä sosiaalisessa mediassa. Näitä evästeitä asettavat kolmannen osapuolen mainonta- ja kohdistustyökalut. Evästeiden kautta nämä toimijat voivat muodostaa profiilin kiinnostuksesi kohteista. Jos et hyväksy näitä evästeitä, et näe kohdennettua markkinointia etkä mahdollisesti voi käyttää sosiaalisen median jakotyökaluja.