PULS
FIEPOS perussarja tarjoaa yhden DC-lähdön 300 tai 500 W:n teholla. IP54, IP65 ja IP67 teholähteet ovat täydellinen ratkaisu hajautettuun syöttöön 1- ja 3- vaiheisissa järjestelmissä ja laitteissa.
Joustavuus
Kompaktikoko korkealla kotelointiluokalla (IP54, IP65 tai IP67) ja useat liitinvaihtoehdot mahdollistavat FIEPOS teholähteiden asentamisen kytkentäkaapin ulkopuolelle, suoraan laitteeseen.
Kustannussäästöt
FIEPOS teholähteet mahdollistavat lyhyempien kaapeleiden ja pienempien poikkipinta-alojen käyttämisen. Tämä säästää niin kuparin kustannuksissa kuin asennustyössä. Lisäksi all-in-one laitetta voidaan käyttää useiden komponenttien sijaan.
| Sisääntulo | |
|---|---|
| Vaiheiden määrä | 3 | 
| Syöttöjännite AC | 380-480 | 
| Min. syöttöjännite AC | 323 V AC | 
| Max. syöttöjännite AC | 552 V AC | 
| Syöksyvirta 400 V AC, tyypillinen | 2 A | 
| Tehokerroin 400 V AC täydellä kuormalla, tyypillinen | 0,9 | 
| Verkon taajuus | 50-60 Hz ±6 % | 
| Ensiösulake | Ilman etusulaketta max. 32 A -järjestelmässä (20 A UL). Katso datasivu. | 
| Virrankulutus 400 V AC | 0,5 A | 
| Ulostulo | |
| Ulostulojännite | 24 V DC | 
| Min. ulostulojännite | 24 V DC | 
| Max. ulostulojännite | 24 V DC | 
| Ulostulovirta | 12,5 A | 
| Max. ulostulovirta | 25 A | 
| Teho | 300 W | 
| Kokonaisteho <+45°C | 360 W | 
| Kokonaisteho <+55°C | 300 W | 
| Kokonaisteho <+70°C | 150 W | 
| Kokonaisteho <1 s | 640 W | 
| Kokonaisteho <1 min | 484 W | 
| Kokonaisteho <5 s, <+55°C | 600 W | 
| Tehonlasku +55°C…+70°C | 10 W/°C | 
| Max. Ripple | 100 mV pp | 
| Syöttöjänniteregulointi | <10 mV (3x 323-552 V AC) | 
| Kuormaregulointi | <100 mV (0-12,5 A) | 
| Min. lämpötila ilman tehonlaskua | -25 °C | 
| *Invisible Heading* | |
|---|---|
| Max. lämpötila ilman tehonlaskua | 55 °C | 
| Takaisinkytkentä kuormat | 35V / 4,3 J | 
| Hyötysuhde/elinikä/MTBF | |
| Hyötysuhde 400 V AC, keskimääräinen | 93,6 % | 
| Hyötysuhde 400 V AC, täydellä kuormalla, tyypillinen | 95 % | 
| Elinikä 400 V AC, täydellä kuormalla +40 °C | 235000 h | 
| MTBF (IEC 61709) täydellä kuormalla 400 V AC, +40 °C | 838000 h | 
| Mitat | |
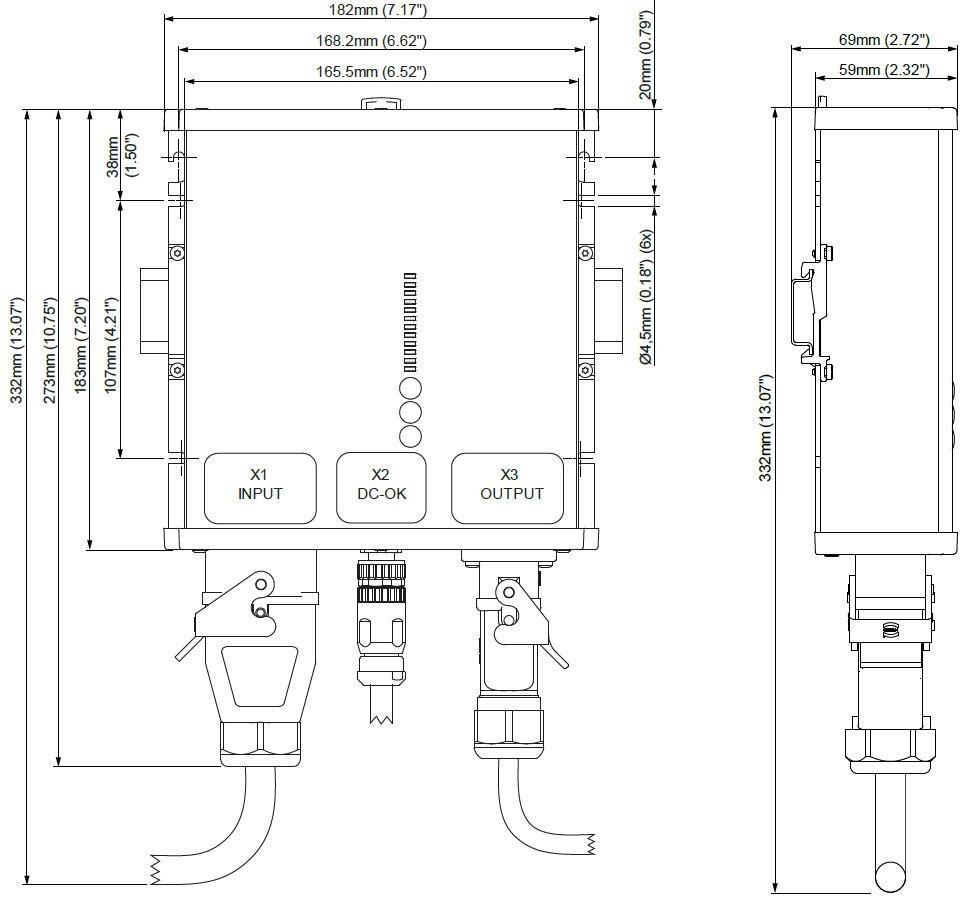
| Leveys | 182 mm | 
| Korkeus | 183 mm | 
| Syvyys | 59 mm | 
| Paino | 1,2 kg | 
| Liittimet | |
| Lähtöpuolen liittimet | 1x HAN Q4/0 | 
| DC-OK/IO-link liitin | M12-A | 
| Syöttöpuolen liitin | HAN Q4/2 | 
| Muuta | |
| Sarja | FIEPOS Basic | 
| Hyväksynnät | CB, CE, cULus | 
| DC-OK rele | Kyllä | 
| IO-Link | Ei | 
| Kotelon materiaali | Alumiini | 
| Rinnankytkentä | Ei sallittu | 
| Hold-up time 400 V AC, täydellä kuormalla, tyypillinen | 25 ms | 
| IP-luokka | IP65, IP67 | 
| PFC (EN61000-3-2) | Kyllä, aktiivinen PFC | 
| Releulostulo | Rele avautuu, jos jännite laskee alle 22 V DC. | 
| Aktiivinen transienttisuodatin | Kyllä | 
 
                  
                    Teholähde on suunniteltu antamaan 600 W bonusteho 1 sekunnin ajan vielä +70 °C:ssa sekä 450 W bonusteho 60 sekunnin ajan alle +55 °C:ssa. Tästä on etua moottori- ja venttiilikuormissa sekä yleensä, kun kuormitus on jaksottaista.
                  
 
                  
                    Teholähde on suunniteltu antamaan 600 W bonusteho 1 sekunnin ajan vielä +70 °C:ssa sekä 450 W bonusteho 60 sekunnin ajan alle +55 °C:ssa. Tästä on etua moottori- ja venttiilikuormissa sekä yleensä, kun kuormitus on jaksottaista.
                  
 
                  Lyhytaikainen kuormitettavuus
 
                  Hyötysuhde
 
                  Tehohäviöt
 
                  Jos teholähdettä kuormitetaan voimakkaasti, esim. DC-moottorin käynnistyksessä, tyhjällä akulla tai oikosululla, ja lähtöjännite laskee alle 13 V, niin 2 s kuluttua teholähde menee ns. Hiccup-moodiin. Tällöin lähtö kytkeytyy pois 18 s ajaksi. Tämän jälkeen teholähde antaa taas 2 s ajan noin 27 A virtaa, mutta jos ylikuormitustilanne jatkuu, lähtö kytkeytyy taas pois 18 s ajaksi. Tämä jatkuu niin kauan, kunnes ylikuormitustilanne on poistunut. Ongelman poistuttua teholähde toimii normaalisti. Näin vältetään teholähteen ylikuormittuminen ja esim. kaapeleiden ylikuumeneminen.
FIEPOS perussarja tarjoaa yhden DC-lähdön 300 tai 500 W:n teholla. IP54, IP65 ja IP67 teholähteet ovat täydellinen ratkaisu hajautettuun syöttöön 1- ja 3- vaiheisissa järjestelmissä ja laitteissa.
Joustavuus
Kompaktikoko korkealla kotelointiluokalla (IP54, IP65 tai IP67) ja useat liitinvaihtoehdot mahdollistavat FIEPOS teholähteiden asentamisen kytkentäkaapin ulkopuolelle, suoraan laitteeseen.
Kustannussäästöt
FIEPOS teholähteet mahdollistavat lyhyempien kaapeleiden ja pienempien poikkipinta-alojen käyttämisen. Tämä säästää niin kuparin kustannuksissa kuin asennustyössä. Lisäksi all-in-one laitetta voidaan käyttää useiden komponenttien sijaan.
 
              OEM laajentaa teholähdetarjontaansa yhteistyöllä Eforen kanssa Suomessa ja Baltian maissa
 
              Delta Electronics on julkaissut uudet Chrome II -teholähteet. Chrome II -sarjan teholähteet on suunniteltu moduulikoteloasennuksiin ja ne sopivat DIN-aukkoon. Lue lisää!
 
              PISA-M on markkinoiden pienin nelikanavainen elektroninen ylivirtasuoja, jonka leveys on vain 22,5 mm – se sopii siis käytännössä mihin tahansa järjestelmään.
 
              Puls on laajentanut valikoimaansa 1-vaiheisilla 24 V DC 10 ja 20 A näytöllisillä teholähteillä.
 
              PISA-B on tehokkain elektroninen ylivirtasuoja. Se jakaa virran, suojaa kuormia ylivirroilta sekä oikosuluilta ja valvoo 24 VDC -järjestelmän tilaa.
 
              Hajautetut FIEPOS-teholähteet (FIEld POwer Supply) korkealla kotelointiluokalla IP54, IP65 tai IP67 on kehitetty joustavaan käyttöön suoraan kentällä. Helpon asennuksen lisäksi, ne ovat joustavia vastaamaan eri sovellusten ainutlaatuisia vaatimuksia.
|  |  |  |  |  | ||
|---|---|---|---|---|---|---|
|  |  |  |  |  | ||
|  |  |  |  |  | ||
|  |  |  |  |  | ||
|  |  |  |  |  | ||
|  |  |  |  |  | ||
|  |  |  |  |  | 
| Suosikit | Tilausnumero: | Ulostulojännite | Syöttöjännite AC | Teho | Ulostulovirta | Hinta | |
|---|---|---|---|---|---|---|---|
|   
      
        IP65/IP67 Teholähde 3x380-480 V AC/24 V DC, 300 W
      
      
       
        Tuotenumero:
         
          
            FPT300.242-002-101
          
          Kopioitu!
         | 
            24 V DC
            
            
           | 
            380-480 
            
            
           | 
            300 W
            
            
           | 
            12,5 A
            
            
           |  | ||
|   
      
        IP65/IP67 Teholähde 3x380-480 V AC/24 V DC, 500 W
      
      
       
        Tuotenumero:
         
          
            FPT500.241-002-101
          
          Kopioitu!
         | 
            24 V DC
            
            
           | 
            380-480 
            
            
           | 
            500 W
            
            
           | 
            20,8 A
            
            
           |  | ||
|   
      
        IP65/IP67 Teholähde 3x380-480 V AC/24 V DC, 500 W
      
      
       
        Tuotenumero:
         
          
            FPT500.241-006-104
          
          Kopioitu!
         | 
            24 V DC
            
            
           | 
            380-480 
            
            
           | 
            500 W
            
            
           | 
            20,8 A
            
            
           |  | ||
|   
      
        IP65/IP67 Teholähde 3x380-480 V AC/24 V DC, 500 W
      
      
       
        Tuotenumero:
         
          
            FPT500.241-010-108
          
          Kopioitu!
         | 
            24 V DC
            
            
           | 
            380-480 
            
            
           | 
            500 W
            
            
           | 
            20,8 A
            
            
           |  | 
Valitse tuote listalta.
 
            
        Henri Suikkanen