PULS
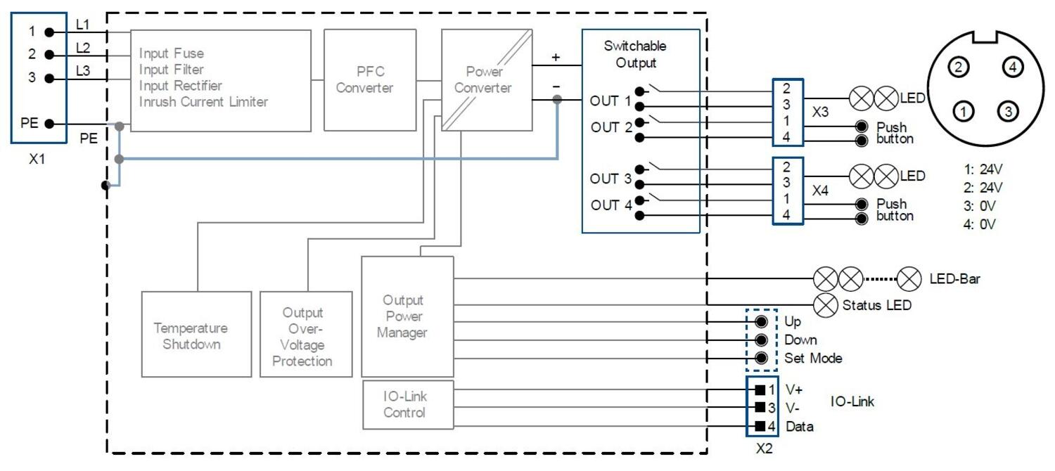
FIEPOS eFuse sarjan teholähteissä jopa 4 virranrajoitettua lähtöä. eFuse malleilla on helppoa toteuttaa selektiivinen virranjako, suojaus ja valvonta suoraan kentällä. Se on todellinen vaihtoehto erilliselle teholähteelle ja elektroniselle sulakkeelle.
Joustavuus
Kompaktikoko korkealla kotelointiluokalla (IP54, IP65 tai IP67) ja useat liitinvaihtoehdot mahdollistavat FIEPOS teholähteiden asentamisen kytkentäkaapin ulkopuolelle, suoraan laitteeseen.
Helppokäyttöisyys
Lähtöjännitettä ja virranrajoitettuja lähtöjä voidaan valvoa ja asettaa suoraan teholähteen etupaneelista tai etänä IO-linkin kautta.
Kustannussäästöt
FIEPOS teholähteet mahdollistavat lyhyempien kaapeleiden ja pienempien poikkipinta-alojen käyttämisen. Tämä säästää niin kuparin kustannuksissa kuin asennustyössä. Lisäksi all-in-one laitetta voidaan käyttää useiden komponenttien sijaan.
Tilan säästö
eFuse sarjan integroitujen elektronisten sulakkeiden ansiosta erillistä suojausmoduulia ei enää tarvita. Lisäksi keskitettyjä ohjauskeskuksia voidaan pienentää ja kentällä olevia ohjauskoteloita vähentää tai poistaa kokonaan.
Sisääntulo |
|
|---|---|
| Vaiheiden määrä | 3 |
| Syöttöjännite AC | 380-480 |
| Min. syöttöjännite AC | 323 V AC |
| Max. syöttöjännite AC | 552 V AC |
| Syöksyvirta 400 V AC, tyypillinen | 2 A |
| Tehokerroin 400 V AC täydellä kuormalla, tyypillinen | 0,94 |
| Verkon taajuus | 50-60 Hz ±6 % |
| Ensiösulake | Ilman etusulaketta max. 32 A -järjestelmässä (20 A UL). Katso datasivu. |
| Virrankulutus 400 V AC | 0,8 A |
Ulostulo |
|
| Ulostulojännite | 24 V DC |
| Min. ulostulojännite | 24 V DC |
| Max. ulostulojännite | 28 V DC |
| Ulostulovirta | 20,8 A |
| Max. ulostulovirta | 41,7 A |
| Max. virta per ulostulo | 10 A |
| Teho | 500 W |
| Kokonaisteho <+45°C | 600 W |
| Kokonaisteho <+55°C | 500 W |
| Kokonaisteho <+70°C | 350 W |
| Kokonaisteho <5 s, <+55°C | 1000 W |
| Kokonaisteho <5 s, <+70°C | 700 W |
| Tehonlasku +55°C…+70°C | 10 W/°C |
| Max. Ripple | 100 mV pp |
| Syöttöjänniteregulointi | <10 mV (3x 323-552 V AC) |
| Kuormaregulointi | <100 mV (0-600 W) |
| Min. lämpötila ilman tehonlaskua | -25 °C |
*Invisible Heading* |
|
|---|---|
| Max. lämpötila ilman tehonlaskua | 55 °C |
| Takaisinkytkentä kuormat | 35V / 4 J |
Hyötysuhde/elinikä/MTBF |
|
| Hyötysuhde 400 V AC, keskimääräinen | 94,2 % |
| Hyötysuhde 400 V AC, täydellä kuormalla, tyypillinen | 95,8 % |
| Elinikä 400 V AC, täydellä kuormalla +40 °C | 43000 h |
| MTBF (IEC 61709) täydellä kuormalla 400 V AC, +40 °C | 253000 h |
Mitat |
|
| Leveys | 182 mm |
| Korkeus | 183 mm |
| Syvyys | 59 mm |
| Paino | 1,2 kg |
Liittimet |
|
| Lähtöpuolen liittimet | 2x 7/8" |
| DC-OK/IO-link liitin | M12-A |
| Syöttöpuolen liitin | M12-S |
Muuta |
|
| Sarja | FIEPOS eFuse |
| Hyväksynnät | CB, CE, cULus |
| DC-OK rele | Ei |
| IO-Link | Kyllä |
| Kotelon materiaali | Alumiini |
| Rinnankytkentä | Ei sallittu |
| Hold-up time 400 V AC, täydellä kuormalla, tyypillinen | 24 ms |
| IP-luokka | IP65, IP67 |
| PFC (EN61000-3-2) | Kyllä, aktiivinen PFC |
| Releulostulo | Rele avautuu, jos jännite laskee alle 22 V DC. |
| Aktiivinen transienttisuodatin | Kyllä |
FIEPOS eFuse sarjan teholähteissä jopa 4 virranrajoitettua lähtöä. eFuse malleilla on helppoa toteuttaa selektiivinen virranjako, suojaus ja valvonta suoraan kentällä. Se on todellinen vaihtoehto erilliselle teholähteelle ja elektroniselle sulakkeelle.
Joustavuus
Kompaktikoko korkealla kotelointiluokalla (IP54, IP65 tai IP67) ja useat liitinvaihtoehdot mahdollistavat FIEPOS teholähteiden asentamisen kytkentäkaapin ulkopuolelle, suoraan laitteeseen.
Helppokäyttöisyys
Lähtöjännitettä ja virranrajoitettuja lähtöjä voidaan valvoa ja asettaa suoraan teholähteen etupaneelista tai etänä IO-linkin kautta.
Kustannussäästöt
FIEPOS teholähteet mahdollistavat lyhyempien kaapeleiden ja pienempien poikkipinta-alojen käyttämisen. Tämä säästää niin kuparin kustannuksissa kuin asennustyössä. Lisäksi all-in-one laitetta voidaan käyttää useiden komponenttien sijaan.
Tilan säästö
eFuse sarjan integroitujen elektronisten sulakkeiden ansiosta erillistä suojausmoduulia ei enää tarvita. Lisäksi keskitettyjä ohjauskeskuksia voidaan pienentää ja kentällä olevia ohjauskoteloita vähentää tai poistaa kokonaan.
Enedo suunnittelee ja kehittää lääkinnälliseen käyttöön tarkoitettuja AC–DC-teholähteitä vaativimpiin terveydenhuollon sovelluksiin.
OEM laajentaa teholähdetarjontaansa yhteistyöllä Eforen kanssa Suomessa ja Baltian maissa
ADEL Systemin CBI60W ja CBI600W ovat älykkäitä DC-UPS-ratkaisuja Ethernet-integraatiolla. Lue lisää!
Adel Systemsin luotettavat energianjatkuvuusratkaisut auttavat yrityksiä varautumaan sähkökatkoksiin ennakolta. Varmistamalla kriittisten järjestelmien ja prosessien jatkuvuuden vältät yllättävät keskeytykset, suojaat liiketoimintasi tuloksen ja säästyt piilokustannuksilta, jotka muuten jäisivät helposti huomaamatta.
PULS on esitellyt uuden sukupolven PLANET-teholähdesarjan, joka asettaa uudet standardit teollisuuden DIN-kiskovirtalähteille yhdistämällä ennätyskorkean hyötysuhteen ja erittäin kompaktin koon.
Delta Electronics on julkaissut uudet Chrome II -teholähteet. Chrome II -sarjan teholähteet on suunniteltu moduulikoteloasennuksiin ja ne sopivat DIN-aukkoon. Lue lisää!
|
|
|
|
|
|
||
|---|---|---|---|---|---|---|
|
|
|
|
|
|
||
|
|
|
|
|
|
||
|
|
|
|
|
|
||
|
|
|
|
|
|
||
|
|
|
|
|
|
||
|
|
|
|
|
|
| Suosikit | Tilausnumero: | Ulostulojännite | Syöttöjännite AC | Teho | Ulostulovirta | Hinta | |
|---|---|---|---|---|---|---|---|
IP65/IP67 Teholähde 3x380-480 V AC/24 V DC, 500 W
Tuotenumero:
FPT500.245-018-103
Kopioitu!
|
24 V DC
|
380-480
|
500 W
|
20,8 A
|
|
||
IP65/IP67 Teholähde 3x380-480 V AC/24 V DC, 500 W
Tuotenumero:
FPT500.245-034-105
Kopioitu!
|
24 V DC
|
380-480
|
500 W
|
20,8 A
|
|
Valitse tuote listalta.