KÄYTTÖALUEET
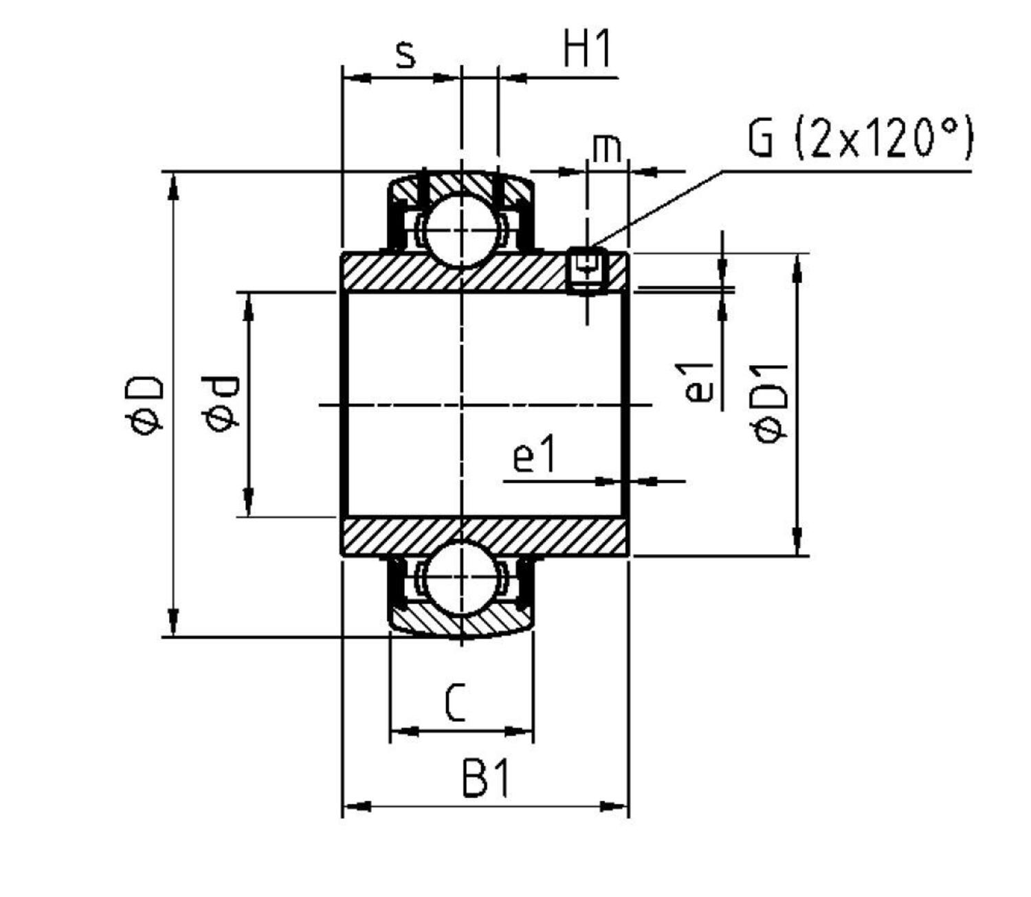
Laakeriyksiköiden laakerit ovat samaa tyyppiä kuin urakuulalaakerit. Erona on pallomainen ulkopinta sekä pidempi sisäkehä. Pallomaisella ulkopinnalla saadaan laakeriyksikkö itseasemoituvaksi. Laakeri on myös helpompi asentaa akselille plus-sovitteen ansiosta. Laakeri kiristetään akseliin epäkeskoholkilla, stop-ruuvilla tai kiristysholkilla.
Laakeri on molemmin puolin suojattu metallisuojalla.
Laakeri on vakiona C3-välyksinen ja kestää -20°C...+100°C astetta.
Mikäli lämpötila on alle vakion, NTN/SNR:llä on vaihtoehtona tähän L04, joka kestää -40°C.
Jos taas lämpötila on yli vakion, jälkimerkintä on T20, joka kestää +200°C astetta.
Yksikön laakereita löytyy 200- ja 300-sarjoissa
NTN/SNR laakereiden jälkimerkinnät
• L3 3-huulitiiviste likaiseen tilaan
• T04 käyttölämpötila -40°C
• T20 käyttölämpötila aina +200°C asti
• G2 mahdollisuus uudelleenvoiteluun (SNR)
Kaapeleiden valmistuksessa on olemassa useampia erilaisia tapoja jolla jolla johtimet kierretään. Datakaapeleiden valmistuksessa käytetään kolme erilaista tapaa : kerroksittain kierretyt johtimet, parikierretyt johtimet (twisted pair) sekä nelikierre (star-quad).
Olemme mukana Pohjoinen Teollisuus -messuilla! Tule juttelemaan ja tutustumaan uutuuksiin osastolle 849!
Tutustu koneturvallisuuden keskeisiin komponentteihin, kuten turva-aitoihin, valoverhoihin ja turvalaserskannereihin. Löydä oikeat ratkaisut meiltä!
Mikä oikeastaan on servo- ja moottorikaapelin välinen ero? Voiko servokaapelia käyttää tavallisen kolmivaihemoottorin liittämiseen?
Wöhner määrittelee uudelleen, kuinka helppokäyttöinen, turvallinen ja tehokas tehonjakelujärjestelmä voi olla. Lue lisää!
Oikean RAM-kiinnikkeen valinta tarkoittaa oikeaa mitoitusta alusta alkaen. Ajoneuvoissa ja koneissa pelkkä laitteen paino ei ratkaise – myös tärinä, iskut, nopeus ja asennuskulma vaikuttavat.
|
|
|
|
|
|
||
|---|---|---|---|---|---|---|
|
|
|
|
|
|
||
|
|
|
|
|
|
||
|
|
|
|
|
|
||
|
|
|
|
|
|
||
|
|
|
|
|
|
||
|
|
|
|
|
|
| Suosikit | Tilausnumero: | B1 | C | D1 | Dynaaminen laakerin kestävyys DYN | Kierre | Paino | Sisämitta d | Staattinen kantokyky DYN | Ulkomitta D | Hinta | |
|---|---|---|---|---|---|---|---|---|---|---|---|---|
Laakeripesän irtolaakeri SNR
Tuotenumero:
UC201
Kopioitu!
|
31 mm
|
16 mm
|
29 mm
|
12.8
|
M6x1
|
0,21 kg
|
12 mm
|
6.65
|
47 mm
|
|
||
Laakeripesän irtolaakeri SNR
Tuotenumero:
UC202
Kopioitu!
|
31 mm
|
16 mm
|
29 mm
|
12.8
|
M6x1
|
0,2 kg
|
15 mm
|
6.65
|
47 mm
|
|
||
Laakeripesän irtolaakeri SNR
Tuotenumero:
UC203
Kopioitu!
|
31 mm
|
16 mm
|
29 mm
|
12.8
|
M6x1
|
0,18 kg
|
17 mm
|
6.65
|
47 mm
|
|
||
Laakeripesän irtolaakeri SNR
Tuotenumero:
UC204
Kopioitu!
|
31 mm
|
16 mm
|
29 mm
|
12.8
|
M6x1
|
0,17 kg
|
20 mm
|
6.65
|
47 mm
|
|
||
Laakeripesän irtolaakeri SNR
Tuotenumero:
UC205
Kopioitu!
|
34 mm
|
17 mm
|
34 mm
|
14
|
M6x1
|
0,21 kg
|
25 mm
|
7.88
|
52 mm
|
|
||
Laakeripesän irtolaakeri SNR
Tuotenumero:
UC305
Kopioitu!
|
38 mm
|
21 mm
|
35,4 mm
|
22.36
|
M6x1
|
0,35 kg
|
25 mm
|
11.5
|
62 mm
|
|
||
Laakeripesän irtolaakeri SNR
Tuotenumero:
UC206
Kopioitu!
|
38,1 mm
|
19 mm
|
40,3 mm
|
19.5
|
M6x1
|
0,32 kg
|
30 mm
|
11.2
|
62 mm
|
|
||
Laakeripesän irtolaakeri SNR
Tuotenumero:
UC306
Kopioitu!
|
43 mm
|
24 mm
|
44,6 mm
|
27
|
M6x1
|
0,56 kg
|
30 mm
|
15.2
|
72 mm
|
|
||
Laakeripesän irtolaakeri SNR
Tuotenumero:
UC207
Kopioitu!
|
42,9 mm
|
20 mm
|
48 mm
|
25.7
|
M8x1
|
0,47 kg
|
35 mm
|
15.2
|
72 mm
|
|
||
Laakeripesän irtolaakeri SNR
Tuotenumero:
UC307
Kopioitu!
|
48 mm
|
25 mm
|
48,9 mm
|
33.5
|
M8x1
|
0,71 kg
|
35 mm
|
19.2
|
80 mm
|
|
||
Laakeripesän irtolaakeri SNR
Tuotenumero:
UC208
Kopioitu!
|
49,2 mm
|
21 mm
|
53 mm
|
29.6
|
M8x1
|
0,64 kg
|
40 mm
|
18.2
|
80 mm
|
|
||
Laakeripesän irtolaakeri SNR
Tuotenumero:
UC308
Kopioitu!
|
52 mm
|
28 mm
|
56,5 mm
|
40.56
|
M10x1,25
|
0,96 kg
|
40 mm
|
24
|
90 mm
|
|
||
Laakeripesän irtolaakeri SNR
Tuotenumero:
UC209
Kopioitu!
|
49,2 mm
|
22 mm
|
57,2 mm
|
31.85
|
M8x1
|
0,68 kg
|
45 mm
|
20.8
|
85 mm
|
|
||
Laakeripesän irtolaakeri SNR
Tuotenumero:
UC309
Kopioitu!
|
57 mm
|
30 mm
|
61,8 mm
|
53
|
M10x1,25
|
1,28 kg
|
45 mm
|
31.8
|
100 mm
|
|
||
Laakeripesän irtolaakeri SNR
Tuotenumero:
UC210
Kopioitu!
|
51,6 mm
|
23 mm
|
61,8 mm
|
35.1
|
M10x1,25
|
0,8 kg
|
50 mm
|
23.2
|
90 mm
|
|
||
Laakeripesän irtolaakeri SNR
Tuotenumero:
UC310
Kopioitu!
|
61 mm
|
32 mm
|
68,7 mm
|
62
|
M12x1,25
|
1,65 kg
|
50 mm
|
37.799999999999997
|
110 mm
|
|
||
Laakeripesän irtolaakeri SNR
Tuotenumero:
UC211
Kopioitu!
|
55,6 mm
|
25 mm
|
69 mm
|
43.55
|
M10x1,25
|
1,12 kg
|
55 mm
|
29.2
|
100 mm
|
|
||
Laakeripesän irtolaakeri SNR
Tuotenumero:
UC311
Kopioitu!
|
66 mm
|
34 mm
|
74,9 mm
|
71.5
|
M12x1,25
|
1,9 kg
|
55 mm
|
44.8
|
120 mm
|
|
||
Laakeripesän irtolaakeri SNR
Tuotenumero:
UC212
Kopioitu!
|
65,1 mm
|
27 mm
|
74,9 mm
|
52.5
|
M10x1,25
|
1,53 kg
|
60 mm
|
32.799999999999997
|
110 mm
|
|
||
Laakeripesän irtolaakeri SNR
Tuotenumero:
UC312
Kopioitu!
|
71 mm
|
36 mm
|
81 mm
|
81.599999999999994
|
M12x1,25
|
2,6 kg
|
60 mm
|
51.8
|
130 mm
|
|
||
Laakeripesän irtolaakeri SNR
Tuotenumero:
UC213
Kopioitu!
|
65,1 mm
|
28 mm
|
82 mm
|
57.2
|
M12x1,25
|
1,86 kg
|
65 mm
|
4
|
120 mm
|
|
||
Laakeripesän irtolaakeri SNR
Tuotenumero:
UC313
Kopioitu!
|
75 mm
|
38 mm
|
87,5 mm
|
93.86
|
M12x1,25
|
3,25 kg
|
65 mm
|
60.5
|
140 mm
|
|
||
Laakeripesän irtolaakeri SNR
Tuotenumero:
UC214
Kopioitu!
|
74,6 mm
|
30 mm
|
86,5 mm
|
62
|
M12x1,25
|
2,05 kg
|
70 mm
|
45
|
125 mm
|
|
||
Laakeripesän irtolaakeri SNR
Tuotenumero:
UC314
Kopioitu!
|
78 mm
|
40 mm
|
94 mm
|
104.26
|
M12x1,25
|
3,95 kg
|
70 mm
|
68
|
150 mm
|
|
||
Laakeripesän irtolaakeri SNR
Tuotenumero:
UC215
Kopioitu!
|
77,8 mm
|
30 mm
|
91,5 mm
|
66
|
M12x1,25
|
2,21 kg
|
75 mm
|
49.5
|
130 mm
|
|
||
Laakeripesän irtolaakeri SNR
Tuotenumero:
UC315
Kopioitu!
|
82 mm
|
42 mm
|
10,5 mm
|
113.36
|
M14x1,5
|
4,33 kg
|
75 mm
|
76.8
|
160 mm
|
|
||
Laakeripesän irtolaakeri SNR
Tuotenumero:
UC216
Kopioitu!
|
82,6 mm
|
33 mm
|
98 mm
|
72.5
|
M12x1,25
|
2,79 kg
|
80 mm
|
54.2
|
140 mm
|
|
||
Laakeripesän irtolaakeri SNR
Tuotenumero:
UC316
Kopioitu!
|
86 mm
|
44 mm
|
107,9 mm
|
122.85
|
M14x1,5
|
5,57 kg
|
80 mm
|
86.5
|
170 mm
|
|
||
Laakeripesän irtolaakeri SNR
Tuotenumero:
UC217
Kopioitu!
|
85,7 mm
|
35 mm
|
105,1 mm
|
83.2
|
M12x1,25
|
3,38 kg
|
85 mm
|
63.8
|
150 mm
|
|
||
Laakeripesän irtolaakeri SNR
Tuotenumero:
UC317
Kopioitu!
|
96 mm
|
46 mm
|
114 mm
|
132.6
|
M16x1,5
|
6,84 kg
|
85 mm
|
96.5
|
180 mm
|
|
||
Laakeripesän irtolaakeri SNR
Tuotenumero:
UC218
Kopioitu!
|
96 mm
|
37 mm
|
111 mm
|
96
|
M12x1,25
|
4,45 kg
|
90 mm
|
71.5
|
160 mm
|
|
||
Laakeripesän irtolaakeri SNR
Tuotenumero:
UC318
Kopioitu!
|
96 mm
|
48 mm
|
120 mm
|
143
|
M16x1,5
|
7,87 kg
|
90 mm
|
108
|
190 mm
|
|
||
Laakeripesän irtolaakeri SNR
Tuotenumero:
UC319
Kopioitu!
|
103 mm
|
50 mm
|
126,5 mm
|
156
|
M16x1,5
|
8,91 kg
|
95 mm
|
122
|
200 mm
|
|
||
Laakeripesän irtolaakeri SNR
Tuotenumero:
UC320
Kopioitu!
|
108 mm
|
54 mm
|
134,5 mm
|
171.6
|
M18x1,5
|
11,2 kg
|
100 mm
|
140
|
215 mm
|
|
||
Laakeripesän irtolaakeri SNR
Tuotenumero:
UC321
Kopioitu!
|
112 mm
|
57 mm
|
140,5 mm
|
182
|
M18x1,5
|
12,2 kg
|
105 mm
|
155
|
225 mm
|
|
||
Laakeripesän irtolaakeri SNR
Tuotenumero:
UC322
Kopioitu!
|
117 mm
|
60 mm
|
149 mm
|
205
|
M18x1,5
|
14,3 kg
|
110 mm
|
178
|
240 mm
|
|
||
Laakeripesän irtolaakeri SNR
Tuotenumero:
UC324
Kopioitu!
|
126 mm
|
64 mm
|
163 mm
|
228
|
M18x1,5
|
18,5 kg
|
120 mm
|
208
|
260 mm
|
|
||
Laakeripesän irtolaakeri SNR
Tuotenumero:
UC326
Kopioitu!
|
135 mm
|
68 mm
|
177 mm
|
252
|
M20x1,5
|
23 kg
|
130 mm
|
242
|
280 mm
|
|
||
Laakeripesän irtolaakeri SNR
Tuotenumero:
UC328
Kopioitu!
|
145 mm
|
73 mm
|
190 mm
|
275
|
M20x1,5
|
28,5 kg
|
140 mm
|
272
|
300 mm
|
|
Valitse tuote listalta.