NTN Europe
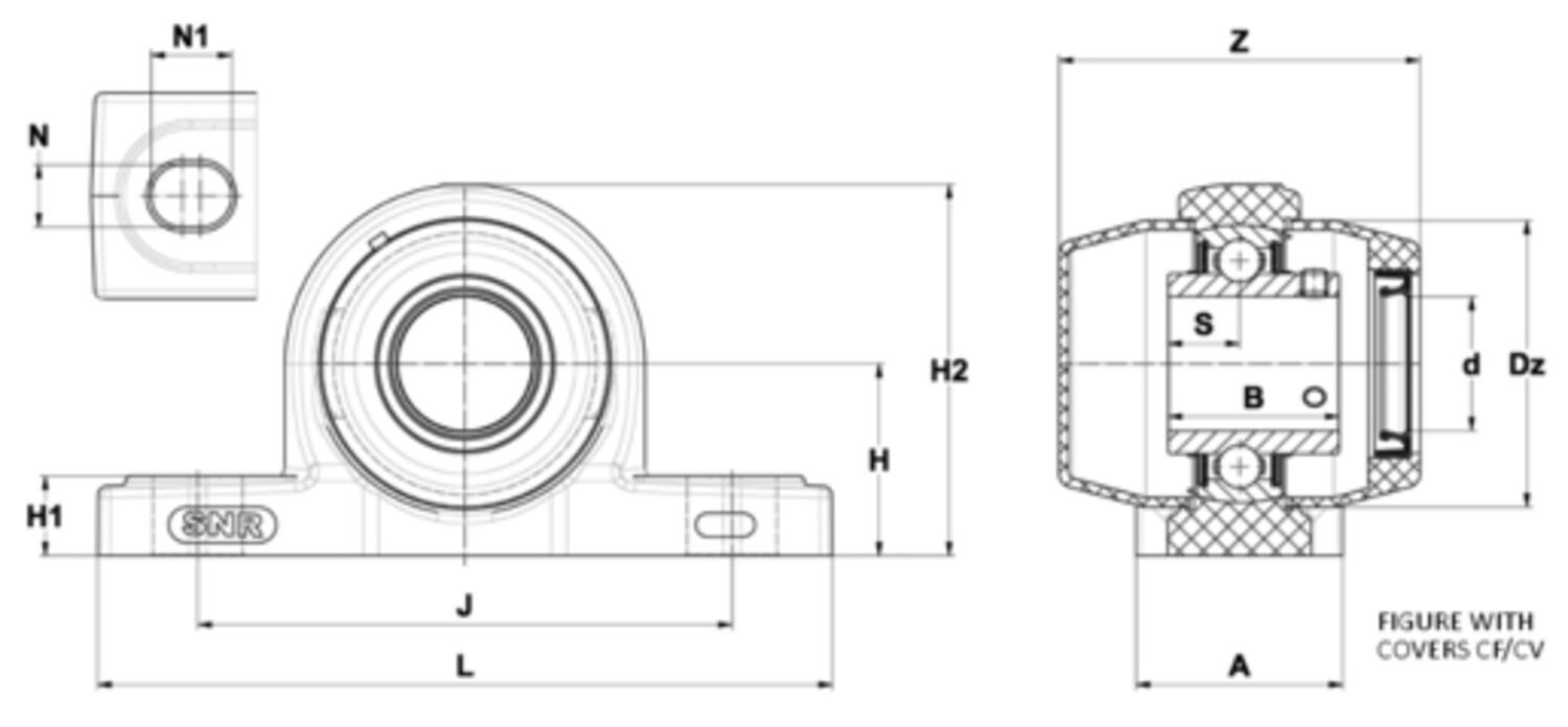
| H | 33,3 mm | 
|---|---|
| H2 | 65 mm | 
| J | 95 mm | 
| L | 126 mm | 
|---|---|
| N | 13 mm | 
SNR:n komposiittilaakeripesät ovat hyvä ja edullisempi tuote elintarvike-, lääke- ja kemiateollisuuteen. Pesärakenne on kehitetty niin ettei siinä ole ylimääräisiä rakoja eikä taskuja johon lika voi jäädä pesusta huolimatta.
Suurimmat edut ovat
Tasaiset kotelot – estävät homeen ja bakteerien tarttumisen
Ruostumattomat voitelunipat
Ruostumattomat hylsyt pulttireikiin – lisäävät luotettavuutta, korroosionkestävyys
Elintarvikehyväksytty voiteluaine (FDA)
Sekä avoimet että suljetut päätykannet laitteen lisäsuojaksi
Mahdollisuus asentaa pyörivät akselitapit
 
              
                  Olemme laajentaneet tuotevalikoimaamme ja aloittaneet yhteistyön NTF Aalborg A/S:n kanssa.  Lue lisää!
                
 
              Turun Eläinsuojeluyhdistys auttaa Turun sekä lähialueiden kodittomia lemmikkejä sekä luonnonvaraisia eläimiä.
 
              Teollisuusympäristöissä tapahtuvat räjähdykset voivat aiheuttaa vakavia vahinkoja sekä ihmisille että omaisuudelle. ATEX varmistaa, että sekä laitteet että työprosessit on suunniteltu minimoimaan nämä riskit ja luomaan turvallinen työympäristö.
 
              Yli 70 vuoden kokemuksellaan Akapp-Stemmann (Wabtec Netherlands) on yksi maailman tunnetuimmista virtakiskostojen valmistajista.
 
              OEM:n järjestää ensiapukoulutuksen kolmen vuoden välein ryhmälle työntekijöitä eri puolita organisaatiota.
 
              Tunnustus myönnettiin ansiokkaasta ja pitkäjänteisestä yhteistyöstä ammattiopisto Spesian kanssa.
|  |  |  |  |  | ||
|---|---|---|---|---|---|---|
|  |  |  |  |  | ||
|  |  |  |  |  | ||
|  |  |  |  |  | ||
|  |  |  |  |  | ||
|  |  |  |  |  | ||
|  |  |  |  |  | 
| Suosikit | Tilausnumero: | H | H2 | J | L | N | Hinta | |
|---|---|---|---|---|---|---|---|---|
|   
      
        Pystylaakeriyksikkö elintarvikerasvalla
      
      
       
        Tuotenumero:
         
          
            SUCPPL204FG1
          
          Kopioitu!
         | 
            33,3 mm
            
            
           | 
            65 mm
            
            
           | 
            95 mm
            
            
           | 
            126 mm
            
            
           | 
            13 mm
            
            
           |  | ||
|   
      
        Pystylaakeriyksikkö elintarvikerasvalla
      
      
       
        Tuotenumero:
         
          
            SUCPPL205FG1
          
          Kopioitu!
         | 
            36,5 mm
            
            
           | 
            70 mm
            
            
           | 
            105 mm
            
            
           | 
            140 mm
            
            
           | 
            13 mm
            
            
           |  | ||
|   
      
        Pystylaakeriyksikkö elintarvikerasvalla
      
      
       
        Tuotenumero:
         
          
            SUCPPL206FG1
          
          Kopioitu!
         | 
            42,9 mm
            
            
           | 
            83 mm
            
            
           | 
            121 mm
            
            
           | 
            165 mm
            
            
           | 
            17 mm
            
            
           |  | ||
|   
      
        Pystylaakeriyksikkö elintarvikerasvalla
      
      
       
        Tuotenumero:
         
          
            SUCPPL207FG1
          
          Kopioitu!
         | 
            47,6 mm
            
            
           | 
            94 mm
            
            
           | 
            127 mm
            
            
           | 
            167 mm
            
            
           | 
            17 mm
            
            
           |  | ||
|   
      
        Pystylaakeriyksikkö elintarvikerasvalla
      
      
       
        Tuotenumero:
         
          
            SUCPPL208FG1
          
          Kopioitu!
         | 
            49,2 mm
            
            
           | 
            100 mm
            
            
           | 
            136 mm
            
            
           | 
            184 mm
            
            
           | 
            17 mm
            
            
           |  | 
Valitse tuote listalta.
 
            
        Mikko Railonvirta