NTN Europe

SNR PF-sarjan peltipesät

Pyöreä laakeriyksikkö

Pyöreä kaksiosainen pesä on sinkittyä terästä. Pesä muodostuu kahdesta osasta ja yksikköön tulee lisäksi laakeri.
  • Pyöreä laakeriyksikkö
  • Kolme- tai neljäpulttinen kiinnitys, riippuen yksikön koosta
  • Kevyt muotoiltu peltipesä kestovoidellulla sisälaakerilla

Valitse tuote

Valitse tuote

Valitse tuote

Tekniset tiedot

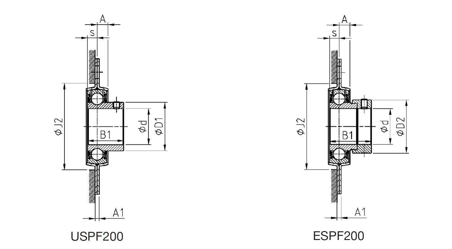
A 6,7 mm
A1 4 mm
B1 28,6 mm
D2 28,6 mm
Dynaaminen laakerin kestävyys DYN 9.5500000000000007
H 81 mm
J 63,5 mm
J2 49 mm
Laakeripesän no PF203
N 7,1 mm
Paino 0,2 kg
s 6,5 mm
Sisämitta d 12 mm
Staattinen kantokyky DYN 4.78

Mitat ja kytkennät

Tuotekuvaus

Pyöreä kaksiosainen pesä on sinkittyä terästä. Pesä muodostuu kahdesta osasta ja yksikköön tulee lisäksi laakeri. Kiinnitys on kolmella tai neljällä pultilla, riippuen yksikön koosta. Laakeripesä on helppo ja nopea asentaa paikalleen. Myöskin laakerin asentaminen akselille on helppoa ja nopeaa koska laakerin sisäreikä on plus-mittainen. Laakeri on saatavana stop-ruuvilla ja epäkeskoholkklukituksella.

 

KÄYTTÖALUEET

Tyypillisiä käyttökohteita ovat kuljettimet, maatalous-, rakennus-, elintarvike- ja puutarhalaitteet. 

 

TUOTTEEN EDUT

• Helppo asentaa muutamalla kiinnitysruuvilla

• Helppo asentaa akselille plus-toleranssin ansiosta

• Itseasemoituva

 

Laakeriyksiköt ovat kestovoideltuja mutta saattavat tietyissä olosuhteissa vaatia lisävoitelua. Esimerkkeinä normaalia korkeampi käyttölämpötila, suuri nopeus, ympäristö jne., jolloin laakeriyksikköä kannattaa voidella rasvanipan kautta tarpeen vaatiessa. Laakeriyksiköihin saa erillisiä suojakuppeja ja joihinkin jopa erilliset lisätiivisteet. Yksikön pesään saatavana voitelunippoja tuuma- ja millimitoituksella automaattivoitelua varten. Laakerivaihtoehtoina on epäkeskoholkki kiristeinen sekä stop-ruuvi kiristeinen laakeri. Molempia saa lisäksi sekä leveällä että kapealla sisäkehällä.

 

• ES - epäkeskoholkkikiristys

• US - stop-ruuvikiristys 

 

 

 

 

 

 

 

 

 

 

 

 

 

 

 

 

 

 

 

 

 

 

 

 

 

 

 

 

 

 

 

 

 

 

 

 

 

 

 

 

 

 

 

 

 

 

 

 

 

 

 

 

 

 

 

 

 

 

 

 

 

 

 

 

 

 

 

 

 

 

 

 

 

 

 

 

 

 

 

 

 

 

 

 

 

 

 

 

 

 

 

 

 

 

 

 

 

 

 

 

 

 

 

 

 

 

 

 

 

 

 

 

 

 

 

 

 

 

 

 

 

 

 

 

 

 

 

 

Tarvikkeet

Saatat olla kiinnostunut näistä



Äänitiedostot

Lisää luettavaa

Suosikit Tilausnumero: A A1 B1 D2 Dynaaminen laakerin kestävyys DYN H J J2 Laakeripesän no N Paino s Sisämitta d Staattinen kantokyky DYN Hinta
6,7 mm
4 mm
28,6 mm
28,6 mm
9.5500000000000007
81 mm
63,5 mm
49 mm
PF203
7,1 mm
0,2 kg
6,5 mm
12 mm
4.78
6,7 mm
4 mm
28,6 mm
28,6 mm
9.5500000000000007
81 mm
63,5 mm
49 mm
PF203
7,1 mm
0,2 kg
6,5 mm
15 mm
4.78
6,7 mm
4 mm
28,6 mm
28,6 mm
9.5500000000000007
81 mm
63,5 mm
49 mm
PF203
7,1 mm
0,2 kg
6,5 mm
17 mm
4.78
7,7 mm
4 mm
30,9 mm
33,3 mm
12.8
90,5 mm
71,5 mm
55 mm
PF204
8,7 mm
0,3 kg
7,5 mm
20 mm
6.65
8,7 mm
4 mm
30,9 mm
38,1 mm
14
95,5 mm
76 mm
60 mm
PF205
8,7 mm
0,4 kg
7,5 mm
25 mm
7.88
9 mm
5 mm
35,7 mm
44,5 mm
19.5
112,7 mm
90,5 mm
71 mm
PF206
10,5 mm
0,7 kg
9 mm
30 mm
11.2
10 mm
5 mm
38,9 mm
55,6 mm
25.7
122,2 mm
100 mm
81 mm
PF207
10,5 mm
1 kg
9,5 mm
35 mm
15.2
10 mm
7 mm
43,7 mm
60,3 mm
29.6
147,8 mm
119 mm
91 mm
PF208
13,5 mm
1,6 kg
11 mm
40 mm
18.2
10 mm
7 mm
43,7 mm
63,5 mm
31.85
149,2 mm
120,5 mm
97 mm
PF209
13,5 mm
1,7 kg
11 mm
45 mm
20.8
10,5 mm
8 mm
43,7 mm
69,9 mm
35.1
155,6 mm
127 mm
102 mm
PF210
13,5 mm
1,8 kg
11 mm
50 mm
23.2
10,7 mm
8 mm
48,4 mm
76,2 mm
43.55
166,6 mm
138 mm
113 mm
PF211
13,5 mm
2 kg
12 mm
55 mm
29.2
11,9 mm
8 mm
49,3 mm
84,2 mm
52.5
176,2 mm
147,6 mm
122 mm
PF212
13,5 mm
2,3 kg
12 mm
60 mm
32.200000000000003

Valittu tuote

Valitse tuote listalta.

Teknisiä neuvoja

Mikko Railonvirta

Tuotepäällikkö

Asiakaspalvelu
Asiakaspalvelumme vastaa kysymyksiin ja etsii ratkaisut ongelmiin. Heille voit jättää myös tilauksesi.
FAQ
+ Miten tullaan asiakkaaksenne?
+ Olen sopinut puskurivarastosta, voinko tilata verkkokaupan kautta?
+ Voiko samalla tilillä olla useita käyttäjiä?
+ Voiko samassa tilauksessa olla useampia toimituspäiviä?
+ Voiko tilauksen toimittaa väliaikaiseen toimitusosoitteeseen?
Chatti
Tarvitsetko apua?
Logo

Evästeet oem.fi sivustolla

Evästeiden avulla voimme palvella sinua paremmin ja varmistamme sivuston sujuvan toiminnan. Voit hallinnoida evästeasetuksia koska tahansa.

Toiminnalliset evästeet

Nämä evästeet ovat välttämättömiä verkkosivuston toimimiseksi, eikä niitä voi poistaa käytöstä järjestelmissämme. Niitä käytetään yleensä vain vastauksena toimiin, jotka olet tehnyt palvelupyynnön yhteydessä, esimerkiksi henkilökohtaisten asetusten määrittämisen, kirjautumisen tai lomakkeen täyttämisen yhteydessä.

Tilastolliset evästeet

Tilastollisten evästeiden avulla seuraamme verkkosivustomme kävijöiden toimintaa ja teemme analyyseja, joiden avulla voimme optimoida verkkosivustoamme. Tämä tarkoittaa, että voimme kehittää sivustoamme toimivammaksi ja palvelemaan kävijöitä paremmin. Jos et hyväksy näitä evästeitä, emme tiedä, milloin olet käynyt sivustollamme. Voit kuitenkin käyttää sivustoamme normaalisti.

Markkinointievästeet

Markkinointievästeiden avulla voimme kohdentaa sinulle mainoksia eri verkkosivustoilla tai sisältöä sosiaalisessa mediassa. Näitä evästeitä asettavat kolmannen osapuolen mainonta- ja kohdistustyökalut. Evästeiden kautta nämä toimijat voivat muodostaa profiilin kiinnostuksesi kohteista. Jos et hyväksy näitä evästeitä, et näe kohdennettua markkinointia etkä mahdollisesti voi käyttää sosiaalisen median jakotyökaluja.