TR

TR PFL-sarjan peltipesät

Ovaali laakeriyksikkö

Ovaalin muotoinen sinkitty TR:n valmistama pesä sopii ahtaisiin kohteisiin.
  • Ovaali laakeriyksikkö
  • Kaksi kiinnitysreikää
  • Kevyt, muotoiltu peltipesä kestovoidellulla sisälaakerilla

Valitse tuote

Valitse tuote

Valitse tuote

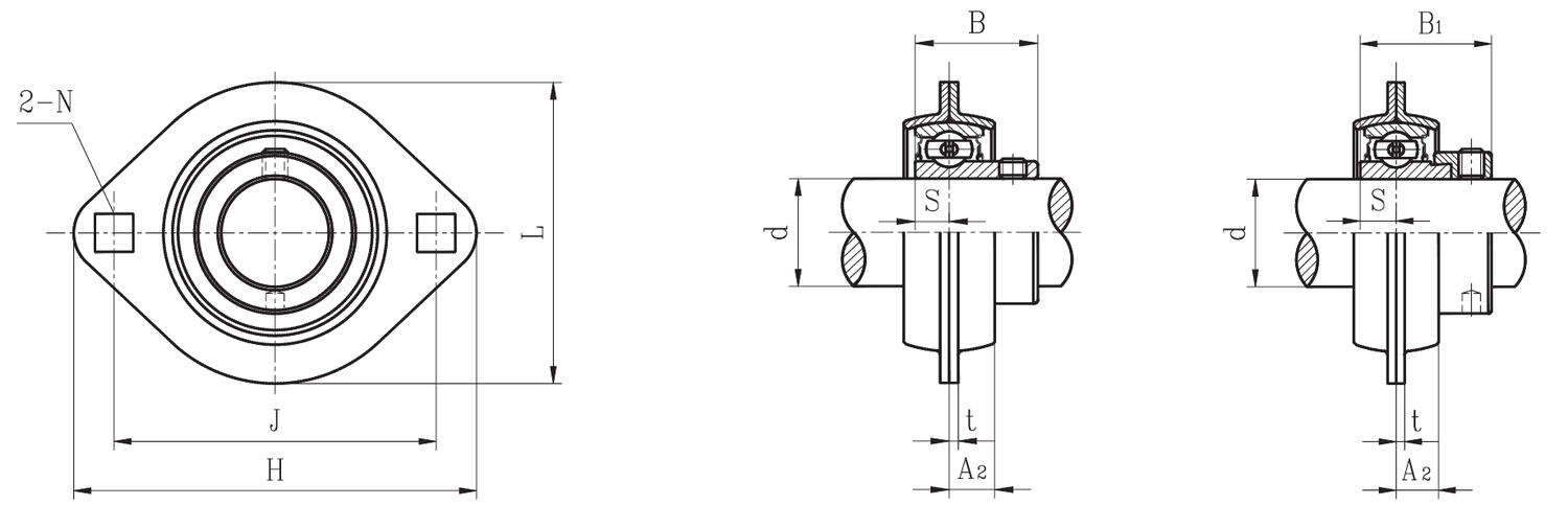
Tekniset tiedot

A2 7 mm
B 22 mm
H 81 mm
J 63,5 mm
Kiinnityspultin koko M6
L 59 mm
Laakeripesän no PFL203
N 7,5 mm
Paino 0,2 kg
S 6 mm
Sisämitta d 12 mm
t 2 mm
Tilausnumero SB201

Mitat ja kytkennät

Tuotekuvaus

Ovaalin muotoinen sinkitty TR:n valmistama pesä sopii ahtaisiin kohteisiin. Pesä on pieni ja kiinnitys vain kahdella pultilla. Laakeripesä on helppo ja nopea asentaa paikalleen. Myöskin laakerin asentaminen akselille on helppoa ja nopeaa koska laakerin sisäreikä on plus-mittainen. Laakeri on saatavana stop-ruuvilla ja epäkeskoholkkilukituksella.

Laakeriyksikkö teräspesällä on edullinen ja pieneen tilaan mahtuva kaksiosainen laakeripesä. Laakeriyksikköön kuuluu teräspesä, ala- ja yläosa, sekä kuulalaakeri pallomaisella ulkokehällä. Laakeri sallii ±5° aksiaalisen vinouman ennen pesän kiristämistä runkoon. Teräspesä kestää vähemmän kuormitusta ja kierroksia kuin valurautainen yksikkö. Laakerit ovat kestovoideltuja, eivätkä tarvitse lisävoitelua. Sinkityksen ansiosta laakeripesät kestävät korroosiota.

 

KÄYTTÖALUEET

Tyypillisiä käyttökohteita ovat kuljettimet, maatalous-, rakennus-, elintarvike- ja puutarhalaitteet.

 

TUOTTEEN EDUT

• Helppo asentaa muutamalla kiinnitysruuvilla

• Helppo asentaa akselille plus-toleranssin ansiosta

• Itseasemoituva

 

Laakeriyksiköt ovat kestovoideltuja mutta saattavat tietyissä olosuhteissa vaatia lisävoitelua. Esimerkkeinä

normaalia korkeampi käyttölämpötila, suuri nopeus, ympäristö jne., jolloin laakeriyksikköä kannattaa voidella rasvanipan kautta tarpeen vaatiessa. Laakeriyksiköihin saa erillisiä suojakuppeja ja joihinkin jopa erilliset lisätiivisteet. Yksikön pesään saatavana voitelunippoja tuuma- ja millimitoituksella automaattivoitelua varten. Laakerivaihtoehtoina on epäkeskoholkki kiristeinen sekä stop-ruuvi kiristeinen laakeri. Molempia saa lisäksi sekä leveällä että kapealla sisäkehällä.

 

• SB - stop-ruuvikiristys

• SA - epäkeskoholkkikiristys 

 

Tarvikkeet

Saatat olla kiinnostunut näistä



Äänitiedostot

Lisää luettavaa

TFT-LCD näytöt ja ohjausratkaisut
Tuoteuutiset

TFT-LCD-näytöt ja ohjausratkaisut teollisiin tuotteisiin

Tarjoamme TFT-LCD-näyttöjä ja niihin liittyviä näyttökomponentteja teollisuusasiakkaille, jotka kehittävät ja valmistavat omia tuotteitaan. Lue lisää!

OndoSense tutka-anturit
Yleistä

OEM yhteistyössä saksalaisen tutka-anturien valmistajan kanssa

OndoSense on vuonna 2018 perustettu saksalainen teknologiayritys, joka kehittää ja valmistaa tutka-antureita teollisuuden tarpeisiin.

igus kaapelin vaippamateriaali
Tuki

Kaapelien vaippamateriaalit

Suojauksen lisäksi kaapeli on päällystetty ulkovaipalla, jonka tehtävänä on suojata kaapelin sisäosia. Eri vaippamateriaalit suojaavat esimerkiksi mekaaniselta rasitukselta, lämpötilavaihteluilta ja kemiallisilta aineilta.

igus readychain on nopea ja luotettava energiansiirtoratkaisu teollisuuteen
Tuoteuutiset

igus readychain – Nopea ja luotettava energiansiirtoratkaisu teollisuuteen

Teollisuuden automaatio ja koneenrakennus vaativat nopeutta, luotettavuutta ja kustannustehokkuutta. igus readychain on heti käyttövalmis energiansiirtojärjestelmä näihin tarpeisiin.

Uudet F-kaasuvaatimukset jäähdytyslaitteille
Tuki

F-kaasuasetus (EU) 2024/573 – Uudet vaatimukset jäähdytyslaitteille

Uusi F-kaasuasetus (EU) 2024/573 muuttaa jäähdytys- ja ilmastointijärjestelmien edellytyksiä teollisissa sovelluksissa. Tiukennetut vaatimukset fluoratuille kasvihuonekaasuille tarkoittavat, että monet nykyiset ratkaisut poistetaan asteittain käytöstä – samalla kun väärän teknologian valinta voi tulla kalliiksi tulevaisuudessa.

Conta-Clip kaapeliläpiviennit elintarviketeollisuuteen
Tuoteuutiset

CONTA-CLIP - FDA-yhteensopivat kaapeliläpivientiratkaisut elintarviketeollisuuteen

CONTA-CLIP tarjoaa elintarviketeollisuuden vaatimuksiin suunniteltuja kaapeliläpivientiratkaisuja, jotka on valmistettu FDA-yhteensopivista materiaaleista.

Suosikit Tilausnumero: A2 B H J Kiinnityspultin koko L Laakeripesän no N Paino S Sisämitta d t Tilausnumero Hinta
7 mm
22 mm
81 mm
63,5 mm
M6
59 mm
PFL203
7,5 mm
0,2 kg
6 mm
12 mm
2 mm
SB201
7 mm
22 mm
81 mm
63,5 mm
M6
59 mm
PFL203
7,5 mm
0,2 kg
6 mm
15 mm
2 mm
SB202
7 mm
22 mm
81 mm
63,5 mm
M6
59 mm
PFL203
7,5 mm
0,2 kg
6 mm
17 mm
2 mm
SB203
8 mm
25 mm
90 mm
71,5 mm
M8
67 mm
PFL204
9 mm
0,2 kg
7 mm
20 mm
2 mm
SB204
9 mm
27 mm
95 mm
76 mm
M8
71 mm
PFL205
9 mm
0,4 kg
7,5 mm
25 mm
2 mm
SB205
9 mm
29 mm
113 mm
90,5 mm
M10
84 mm
PFL206
10,5 mm
0,4 kg
8 mm
30 mm
2,5 mm
SB206
10 mm
32 mm
122 mm
100 mm
M10
94 mm
PFL207
10,5 mm
0,6 kg
9 mm
35 mm
2,5 mm
SB207
12 mm
34 mm
148 mm
119 mm
M12
100 mm
PFL208
13,5 mm
0,8 kg
9 mm
40 mm
3,5 mm
SB208

Valittu tuote

Valitse tuote listalta.

Teknisiä neuvoja

Mikko Railonvirta

Tuotepäällikkö

Asiakaspalvelu
Asiakaspalvelumme vastaa kysymyksiin ja etsii ratkaisut ongelmiin. Heille voit jättää myös tilauksesi.
FAQ
+ Miten tullaan asiakkaaksenne?
+ Olen sopinut puskurivarastosta, voinko tilata verkkokaupan kautta?
+ Voiko samalla tilillä olla useita käyttäjiä?
+ Voiko samassa tilauksessa olla useampia toimituspäiviä?
+ Voiko tilauksen toimittaa väliaikaiseen toimitusosoitteeseen?
Chatti
Tarvitsetko apua?
Logo

Evästeet oem.fi sivustolla

Evästeiden avulla voimme palvella sinua paremmin ja varmistamme sivuston sujuvan toiminnan. Voit hallinnoida evästeasetuksia koska tahansa.

Toiminnalliset evästeet

Nämä evästeet ovat välttämättömiä verkkosivuston toimimiseksi, eikä niitä voi poistaa käytöstä järjestelmissämme. Niitä käytetään yleensä vain vastauksena toimiin, jotka olet tehnyt palvelupyynnön yhteydessä, esimerkiksi henkilökohtaisten asetusten määrittämisen, kirjautumisen tai lomakkeen täyttämisen yhteydessä.

Tilastolliset evästeet

Tilastollisten evästeiden avulla seuraamme verkkosivustomme kävijöiden toimintaa ja teemme analyyseja, joiden avulla voimme optimoida verkkosivustoamme. Tämä tarkoittaa, että voimme kehittää sivustoamme toimivammaksi ja palvelemaan kävijöitä paremmin. Jos et hyväksy näitä evästeitä, emme tiedä, milloin olet käynyt sivustollamme. Voit kuitenkin käyttää sivustoamme normaalisti.

Markkinointievästeet

Markkinointievästeiden avulla voimme kohdentaa sinulle mainoksia eri verkkosivustoilla tai sisältöä sosiaalisessa mediassa. Näitä evästeitä asettavat kolmannen osapuolen mainonta- ja kohdistustyökalut. Evästeiden kautta nämä toimijat voivat muodostaa profiilin kiinnostuksesi kohteista. Jos et hyväksy näitä evästeitä, et näe kohdennettua markkinointia etkä mahdollisesti voi käyttää sosiaalisen median jakotyökaluja.