TR
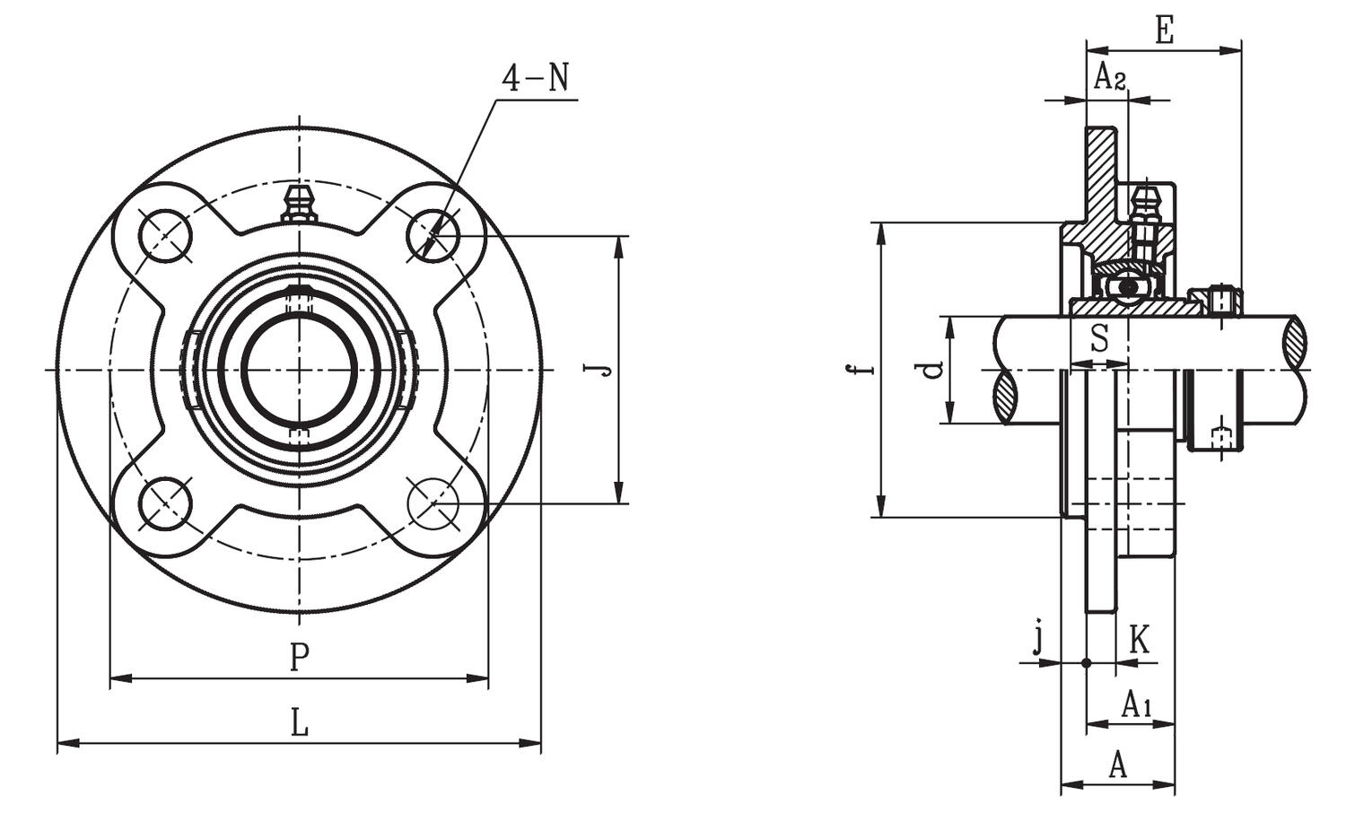
Pyöreä laippalaakeri neljällä kiinnitysreiällä. Laakerin pohjalla on olake keskittämisen helpottamiseksi.
Vakiona UC-laakeri, saatavana vaihtoehtoja.
KÄYTTÖALUEET
Tyypillisiä käyttökohteita ovat kuljettimet, maatalous-, rakennus-, elintarvike- ja puutarhalaitteet.
TUOTTEEN EDUT
- Helppo asentaa muutamalla kiinnitysruuvilla
- Helppoa asentaa akselille plus-toleranssin ansiosta
- Itseasemoituva
- Kestää iskukuormituksia
Laakeriyksiköt ovat kestovoideltuja, mutta saattavat tietyissä olosuhteissa vaatia lisävoitelua. Esimerkkeinä normaalia korkeampi käyttölämpötila, suuri nopeus, ympäristö jne., jolloin laakeriyksikköä kannattaa voidella rasvanipan kautta tarpeen vaatiessa. Laakeriyksiköihin saa erillisiä suojakuppeja ja joihinkin jopa erilliset lisätiivisteet. Yksikön pesään on saatavana voitelunippoja tuuma- ja millimitoituksella automaattivoitelua varten. Laakerivaihtoehtoina on epäkeskoholkkikiristeinen sekä stop-ruuvikiristeinen laakeri. Molempia saa lisäksi sekä leveällä että kapealla sisäkehällä.
- UC/US - stop-ruuvikiristeinen
- SA - epäkeskoholkki
- UK - kiristysholkki
Ylitäytetyt energiansiirtoketjut ovat yleinen näky monissa teollisuuden sovelluksissa. Tutustu artikkelissa, mitä haittoja tästä aiheutuu.
iguksen ainutlaatuinen DNV GL -hyväksyntäjärjestelmä elektroniikkakaapeleille tarjoaa käyttäjälle monenlaisia etuja.
Kaapeleiden valmistuksessa on olemassa useampia erilaisia tapoja jolla jolla johtimet kierretään. Datakaapeleiden valmistuksessa käytetään kolme erilaista tapaa : kerroksittain kierretyt johtimet, parikierretyt johtimet (twisted pair) sekä nelikierre (star-quad).
Olemme mukana Pohjoinen Teollisuus -messuilla! Tule juttelemaan ja tutustumaan uutuuksiin osastolle 849!
Tutustu koneturvallisuuden keskeisiin komponentteihin, kuten turva-aitoihin, valoverhoihin ja turvalaserskannereihin. Löydä oikeat ratkaisut meiltä!
Mikä oikeastaan on servo- ja moottorikaapelin välinen ero? Voiko servokaapelia käyttää tavallisen kolmivaihemoottorin liittämiseen?
|
|
|
|
|
|
||
|---|---|---|---|---|---|---|
|
|
|
|
|
|
||
|
|
|
|
|
|
||
|
|
|
|
|
|
||
|
|
|
|
|
|
||
|
|
|
|
|
|
||
|
|
|
|
|
|
| Suosikit | Tilausnumero: | A | A1 | A2 | E | f | i | J | K | Kiinnityspultin koko | L | Laakeripesän no | N | P | Paino | S | Sisämitta d | Tilausnumero | Hinta | |
|---|---|---|---|---|---|---|---|---|---|---|---|---|---|---|---|---|---|---|---|---|
|
Pyöreä laakeriyksikkö
Tuotenumero:
UCFC202#
Kopioitu!
|
23 mm
|
19 mm
|
10 mm
|
25,9 mm
|
55 mm
|
4 mm
|
49,5 mm
|
5 mm
|
M8
|
90 mm
|
FC203
|
10 mm
|
70 mm
|
0,6 kg
|
11,5 mm
|
15 mm
|
UC202
|
|
||
|
Pyöreä laakeriyksikkö
Tuotenumero:
UCFC203#
Kopioitu!
|
23 mm
|
19 mm
|
10 mm
|
25,9 mm
|
55 mm
|
4 mm
|
49,5 mm
|
5 mm
|
M10
|
90 mm
|
FC203
|
10 mm
|
70 mm
|
0,5 kg
|
11,5 mm
|
17 mm
|
UC203
|
|
||
|
Pyöreä laakeriyksikkö
Tuotenumero:
UCFC204#
Kopioitu!
|
25,5 mm
|
20,5 mm
|
10 mm
|
28,3 mm
|
62 mm
|
5 mm
|
55,1 mm
|
6 mm
|
M10
|
100 mm
|
FC204
|
12 mm
|
78 mm
|
0,8 kg
|
12,7 mm
|
20 mm
|
UC204
|
|
||
|
Pyöreä laakeriyksikkö
Tuotenumero:
UCFC205#
Kopioitu!
|
27 mm
|
21 mm
|
10 mm
|
29,7 mm
|
70 mm
|
6 mm
|
63,6 mm
|
7 mm
|
M10
|
115 mm
|
FC205
|
12 mm
|
90 mm
|
1 kg
|
14,3 mm
|
25 mm
|
UC205
|
|
||
|
Pyöreä laakeriyksikkö
Tuotenumero:
UCFC206#
Kopioitu!
|
31 mm
|
23 mm
|
10 mm
|
32,2 mm
|
80 mm
|
8 mm
|
70,7 mm
|
8 mm
|
M12
|
125 mm
|
FC206
|
12 mm
|
100 mm
|
1,4 kg
|
15,9 mm
|
30 mm
|
UC206
|
|
||
|
Pyöreä laakeriyksikkö
Tuotenumero:
UCFC207#
Kopioitu!
|
34 mm
|
26 mm
|
11 mm
|
36,4 mm
|
90 mm
|
8 mm
|
77,8 mm
|
9 mm
|
M12
|
135 mm
|
FC207
|
14 mm
|
110 mm
|
1,7 kg
|
17,5 mm
|
35 mm
|
UC207
|
|
||
|
Pyöreä laakeriyksikkö
Tuotenumero:
UCFC208#
Kopioitu!
|
36 mm
|
26 mm
|
11 mm
|
41,2 mm
|
100 mm
|
10 mm
|
84,8 mm
|
9 mm
|
M14
|
145 mm
|
FC208
|
14 mm
|
120 mm
|
2 kg
|
19 mm
|
40 mm
|
UC208
|
|
||
|
Pyöreä laakeriyksikkö
Tuotenumero:
UCFC209#
Kopioitu!
|
38 mm
|
26 mm
|
10 mm
|
40,2 mm
|
105 mm
|
12 mm
|
93,3 mm
|
10 mm
|
M14
|
160 mm
|
FC209
|
16 mm
|
132 mm
|
3 kg
|
19 mm
|
45 mm
|
UC209
|
|
||
|
Pyöreä laakeriyksikkö
Tuotenumero:
UCFC210#
Kopioitu!
|
40 mm
|
28 mm
|
10 mm
|
42,6 mm
|
110 mm
|
12 mm
|
97,6 mm
|
14 mm
|
M16
|
165 mm
|
FC210
|
16 mm
|
138 mm
|
3 kg
|
19 mm
|
50 mm
|
UC210
|
|
||
|
Pyöreä laakeriyksikkö
Tuotenumero:
UCFC211#
Kopioitu!
|
42 mm
|
30 mm
|
13 mm
|
46,4 mm
|
125 mm
|
12 mm
|
106,1 mm
|
13 mm
|
M16
|
185 mm
|
FC211
|
19 mm
|
150 mm
|
4 kg
|
22,2 mm
|
55 mm
|
UC211
|
|
||
|
Pyöreä laakeriyksikkö
Tuotenumero:
UCFC212#
Kopioitu!
|
48 mm
|
36 mm
|
17 mm
|
56,7 mm
|
135 mm
|
12 mm
|
113 mm
|
15 mm
|
M16
|
195 mm
|
FC212
|
19 mm
|
160 mm
|
5 kg
|
25,4 mm
|
60 mm
|
UC212
|
|
||
|
Pyöreä laakeriyksikkö
Tuotenumero:
UCFC213#
Kopioitu!
|
49 mm
|
35 mm
|
16 mm
|
55,7 mm
|
145 mm
|
14 mm
|
120 mm
|
15 mm
|
M16
|
205 mm
|
FC213
|
19 mm
|
170 mm
|
6 kg
|
25,4 mm
|
65 mm
|
UC213
|
|
||
|
Pyöreä laakeriyksikkö
Tuotenumero:
UCFC214#
Kopioitu!
|
52 mm
|
38 mm
|
17 mm
|
61,4 mm
|
150 mm
|
14 mm
|
125 mm
|
16 mm
|
M16
|
215 mm
|
FC214
|
19 mm
|
177 mm
|
6,8 kg
|
30,2 mm
|
70 mm
|
UC214
|
|
||
|
Pyöreä laakeriyksikkö
Tuotenumero:
UCFC215#
Kopioitu!
|
55 mm
|
39 mm
|
18 mm
|
62,5 mm
|
160 mm
|
16 mm
|
130,1 mm
|
17 mm
|
M16
|
220 mm
|
FC215
|
19 mm
|
184 mm
|
7,2 kg
|
33,3 mm
|
75 mm
|
UC215
|
|
||
|
Pyöreä laakeriyksikkö
Tuotenumero:
UCFC216#
Kopioitu!
|
58 mm
|
42 mm
|
18 mm
|
67,3 mm
|
170 mm
|
16 mm
|
141,4 mm
|
18 mm
|
M20
|
240 mm
|
FC216
|
23 mm
|
200 mm
|
8,7 kg
|
33,3 mm
|
80 mm
|
UC216
|
|
||
|
Pyöreä laakeriyksikkö
Tuotenumero:
UCFC217#
Kopioitu!
|
63 mm
|
45 mm
|
18 mm
|
70 mm
|
180 mm
|
18 mm
|
147,1 mm
|
20 mm
|
M20
|
250 mm
|
FC217
|
23 mm
|
208 mm
|
10 kg
|
34 mm
|
85 mm
|
UC217
|
|
||
|
Pyöreä laakeriyksikkö
Tuotenumero:
UCFC218#
Kopioitu!
|
68 mm
|
50 mm
|
22 mm
|
78 mm
|
190 mm
|
18 mm
|
156 mm
|
20 mm
|
M20
|
265 mm
|
FC218
|
23 mm
|
220 mm
|
14 kg
|
40 mm
|
90 mm
|
UC218
|
|
Valitse tuote listalta.