NTN Europe
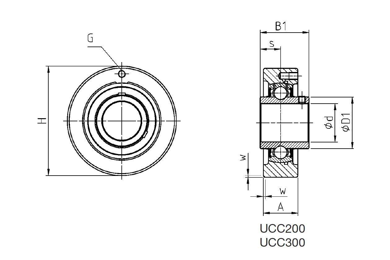
Valurautainen yksikkö laakeripesällä ilman kiinnitysreikiä sekä vakiolaakerilla . Rasvanippa mahdollistaa jälkivoitelun.
Vakiona UC-laakeri, saatavana vaihtoehtoja.
KÄYTTÖALUEET
Tyypillisiä käyttökohteita ovat kuljettimet, maatalous-, rakennus-, elintarvike- ja puutarhalaitteet.
TUOTTEEN EDUT
- Helppoa asentaa muutamalla kiinnitysruuvilla
- Helppoa asentaa akselille plus-toleranssin ansiosta
- Itseasemoituva
- Kestää iskukuormituksia
Laakeriyksiköt ovat kestovoideltuja, mutta saattavat tietyissä olosuhteissa vaatia lisävoitelua. Esimerkkeinä normaalia korkeampi käyttölämpötila, suuri nopeus, ympäristö jne., jolloin laakeriyksikköä kannattaa voidella rasvanipan kautta tarpeen vaatiessa. Laakeriyksiköihin saa erillisiä suojakuppeja ja joihinkin jopa erilliset lisätiivisteet. Yksikön pesään on saatavana voitelunippoja tuuma- ja millimitoituksella automaattivoitelua varten. Laakerivaihtoehtoina on epäkeskoholkkikiristeinen sekä stop-ruuvikiristeinen laakeri. Molempia saa lisäksi sekä leveällä että kapealla sisäkehällä.
- UC/US - stop-ruuvikiristeinen
- ES/EX - epäkeskoholkki
- UK - kiristysholkki
 
              
                  Olemme laajentaneet tuotevalikoimaamme ja aloittaneet yhteistyön NTF Aalborg A/S:n kanssa.  Lue lisää!
                
 
              Turun Eläinsuojeluyhdistys auttaa Turun sekä lähialueiden kodittomia lemmikkejä sekä luonnonvaraisia eläimiä.
 
              Teollisuusympäristöissä tapahtuvat räjähdykset voivat aiheuttaa vakavia vahinkoja sekä ihmisille että omaisuudelle. ATEX varmistaa, että sekä laitteet että työprosessit on suunniteltu minimoimaan nämä riskit ja luomaan turvallinen työympäristö.
 
              Yli 70 vuoden kokemuksellaan Akapp-Stemmann (Wabtec Netherlands) on yksi maailman tunnetuimmista virtakiskostojen valmistajista.
 
              OEM:n järjestää ensiapukoulutuksen kolmen vuoden välein ryhmälle työntekijöitä eri puolita organisaatiota.
 
              Tunnustus myönnettiin ansiokkaasta ja pitkäjänteisestä yhteistyöstä ammattiopisto Spesian kanssa.
|  |  |  |  |  | ||
|---|---|---|---|---|---|---|
|  |  |  |  |  | ||
|  |  |  |  |  | ||
|  |  |  |  |  | ||
|  |  |  |  |  | ||
|  |  |  |  |  | ||
|  |  |  |  |  | 
| Suosikit | Tilausnumero: | A | B1 | Dynaaminen laakerin kestävyys DYN | H | Laakeripesän no | Paino | Sisämitta d | Staattinen kantokyky DYN | Tilausnumero | Ulkomitat | Hinta | |
|---|---|---|---|---|---|---|---|---|---|---|---|---|---|
|   
      
        Pyöreä laakeriyksikkö SNR
      
      
       
        Tuotenumero:
         
          
            UCC201
          
          Kopioitu!
         | 
            20 mm
            
            
           | 
            31 mm
            
            
           | 
            12.8 
            
            
           | 
            72 mm
            
            
           | 
            C204 
            
            
           | 
            0,5 kg
            
            
           | 
            12 mm
            
            
           | 
            6.65 
            
            
           | 
            UC201 
            
            
           | 
            1,5 mm
            
            
           |  | ||
|   
      
        Pyöreä laakeriyksikkö SNR
      
      
       
        Tuotenumero:
         
          
            UCC202
          
          Kopioitu!
         | 
            20 mm
            
            
           | 
            31 mm
            
            
           | 
            12.8 
            
            
           | 
            72 mm
            
            
           | 
            C204 
            
            
           | 
            0,5 kg
            
            
           | 
            15 mm
            
            
           | 
            6.65 
            
            
           | 
            UC202 
            
            
           | 
            1,5 mm
            
            
           |  | ||
|   
      
        Pyöreä laakeriyksikkö SNR
      
      
       
        Tuotenumero:
         
          
            UCC203
          
          Kopioitu!
         | 
            20 mm
            
            
           | 
            31 mm
            
            
           | 
            12.8 
            
            
           | 
            72 mm
            
            
           | 
            C204 
            
            
           | 
            0,5 kg
            
            
           | 
            17 mm
            
            
           | 
            6.65 
            
            
           | 
            UC203 
            
            
           | 
            1,5 mm
            
            
           |  | ||
|   
      
        Pyöreä laakeriyksikkö SNR
      
      
       
        Tuotenumero:
         
          
            UCC204
          
          Kopioitu!
         | 
            20 mm
            
            
           | 
            31 mm
            
            
           | 
            12.8 
            
            
           | 
            72 mm
            
            
           | 
            C204 
            
            
           | 
            0,5 kg
            
            
           | 
            20 mm
            
            
           | 
            6.65 
            
            
           | 
            UC204 
            
            
           | 
            1,5 mm
            
            
           |  | ||
|   
      
        Pyöreä laakeriyksikkö SNR
      
      
       
        Tuotenumero:
         
          
            UCC205
          
          Kopioitu!
         | 
            22 mm
            
            
           | 
            34 mm
            
            
           | 
            14 
            
            
           | 
            80 mm
            
            
           | 
            C205 
            
            
           | 
            0,7 kg
            
            
           | 
            25 mm
            
            
           | 
            7.88 
            
            
           | 
            UC205 
            
            
           | 
            1,5 mm
            
            
           |  | ||
|   
      
        Pyöreä laakeriyksikkö SNR
      
      
       
        Tuotenumero:
         
          
            UCC206
          
          Kopioitu!
         | 
            27 mm
            
            
           | 
            38,1 mm
            
            
           | 
            19.5 
            
            
           | 
            85 mm
            
            
           | 
            C206 
            
            
           | 
            1 kg
            
            
           | 
            30 mm
            
            
           | 
            11.2 
            
            
           | 
            UC206 
            
            
           | 
            1,5 mm
            
            
           |  | ||
|   
      
        Pyöreä laakeriyksikkö SNR
      
      
       
        Tuotenumero:
         
          
            UCC207
          
          Kopioitu!
         | 
            28 mm
            
            
           | 
            42,9 mm
            
            
           | 
            25.7 
            
            
           | 
            90 mm
            
            
           | 
            C207 
            
            
           | 
            1,1 kg
            
            
           | 
            35 mm
            
            
           | 
            15.2 
            
            
           | 
            UC207 
            
            
           | 
            2 mm
            
            
           |  | ||
|   
      
        Pyöreä laakeriyksikkö SNR
      
      
       
        Tuotenumero:
         
          
            UCC208
          
          Kopioitu!
         | 
            30 mm
            
            
           | 
            49,2 mm
            
            
           | 
            40.56 
            
            
           | 
            100 mm
            
            
           | 
            C208 
            
            
           | 
            1,3 kg
            
            
           | 
            40 mm
            
            
           | 
            24 
            
            
           | 
            UC208 
            
            
           | 
            2 mm
            
            
           |  | ||
|   
      
        Pyöreä laakeriyksikkö SNR
      
      
       
        Tuotenumero:
         
          
            UCC209
          
          Kopioitu!
         | 
            31 mm
            
            
           | 
            49,2 mm
            
            
           | 
            31.85 
            
            
           | 
            110 mm
            
            
           | 
            C209 
            
            
           | 
            1,5 kg
            
            
           | 
            45 mm
            
            
           | 
            20.8 
            
            
           | 
            UC209 
            
            
           | 
            2 mm
            
            
           |  | ||
|   
      
        Pyöreä laakeriyksikkö SNR
      
      
       
        Tuotenumero:
         
          
            UCC210
          
          Kopioitu!
         | 
            33 mm
            
            
           | 
            51,6 mm
            
            
           | 
            35.1 
            
            
           | 
            120 mm
            
            
           | 
            C210 
            
            
           | 
            1,9 kg
            
            
           | 
            50 mm
            
            
           | 
            23.2 
            
            
           | 
            UC210 
            
            
           | 
            2 mm
            
            
           |  | ||
|   
      
        Pyöreä laakeriyksikkö SNR
      
      
       
        Tuotenumero:
         
          
            UCC211
          
          Kopioitu!
         | 
            35 mm
            
            
           | 
            55,6 mm
            
            
           | 
            43.55 
            
            
           | 
            125 mm
            
            
           | 
            C211 
            
            
           | 
            2,3 kg
            
            
           | 
            55 mm
            
            
           | 
            29.2 
            
            
           | 
            UC211 
            
            
           | 
            2,5 mm
            
            
           |  | ||
|   
      
        Pyöreä laakeriyksikkö SNR
      
      
       
        Tuotenumero:
         
          
            UCC212
          
          Kopioitu!
         | 
            38 mm
            
            
           | 
            65,1 mm
            
            
           | 
            52.5 
            
            
           | 
            130 mm
            
            
           | 
            C212 
            
            
           | 
            2,7 kg
            
            
           | 
            60 mm
            
            
           | 
            32.799999999999997 
            
            
           | 
            UC212 
            
            
           | 
            2,5 mm
            
            
           |  | ||
|   
      
        Pyöreä laakeriyksikkö SNR
      
      
       
        Tuotenumero:
         
          
            UCC213
          
          Kopioitu!
         | 
            40 mm
            
            
           | 
            65,1 mm
            
            
           | 
            57.2 
            
            
           | 
            140 mm
            
            
           | 
            C213 
            
            
           | 
            3,2 kg
            
            
           | 
            65 mm
            
            
           | 
            40 
            
            
           | 
            UC213 
            
            
           | 
            2,5 mm
            
            
           |  | ||
|   
      
        Pyöreä laakeriyksikkö SNR
      
      
       
        Tuotenumero:
         
          
            UCC214
          
          Kopioitu!
         | 
            44 mm
            
            
           | 
            74,6 mm
            
            
           | 
            62 
            
            
           | 
            150 mm
            
            
           | 
            C214 
            
            
           | 
            5,3 kg
            
            
           | 
            70 mm
            
            
           | 
            45 
            
            
           | 
            UC214 
            
            
           | 
            2 mm
            
            
           |  | ||
|   
      
        Pyöreä laakeriyksikkö SNR
      
      
       
        Tuotenumero:
         
          
            UCC215
          
          Kopioitu!
         | 
            44 mm
            
            
           | 
            77,8 mm
            
            
           | 
            66 
            
            
           | 
            160 mm
            
            
           | 
            C215 
            
            
           | 
            5,6 kg
            
            
           | 
            75 mm
            
            
           | 
            49.5 
            
            
           | 
            UC215 
            
            
           | 
            2 mm
            
            
           |  | ||
|   
      
        Pyöreä laakeriyksikkö SNR
      
      
       
        Tuotenumero:
         
          
            UCC216
          
          Kopioitu!
         | 
            48 mm
            
            
           | 
            82,6 mm
            
            
           | 
            72.5 
            
            
           | 
            170 mm
            
            
           | 
            C216 
            
            
           | 
            6,4 kg
            
            
           | 
            80 mm
            
            
           | 
            54.2 
            
            
           | 
            UC216 
            
            
           | 
            2 mm
            
            
           |  | 
Valitse tuote listalta.
 
            
        Mikko Railonvirta