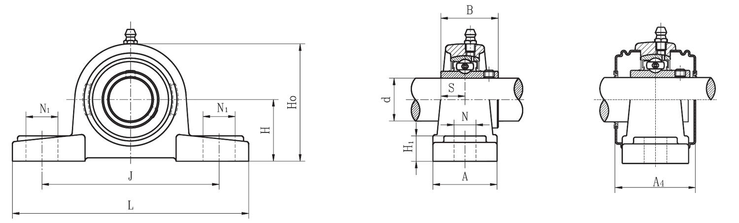
Valurautayksikkö pystymallisella valurautapesällä ja laakerilla. Yleisin malli yksiköistä. Laakeriyksikkö voidaan jälkivoidella.
Vakiona UC-laakeri, saatavana vaihtoehtoja.
KÄYTTÖALUEET
Tyypillisiä käyttökohteita ovat kuljettimet, maatalous-, rakennus-, elintarvike- ja puutarhalaitteet.
TUOTTEEN EDUT
- Helppoa asentaa akselille plus-toleranssin ansiosta
- Helppo asentaa muutamalla kiinnitysruuvilla
- Itseasemoituva
- Kestää iskukuormituksia
Laakeriyksiköt ovat kestovoideltuja, mutta saattavat tietyissä olosuhteissa vaatia lisävoitelua. Esimerkkeinä normaalia korkeampi käyttölämpötila, suuri nopeus, ympäristö jne., jolloin laakeriyksikköä kannattaa voidella rasvanipan kautta tarpeen vaatiessa. Laakeriyksiköihin saa erillisiä suojakuppeja ja joihinkin jopa erilliset lisätiivisteet. Yksikön pesään on saatavana voitelunippoja tuuma- ja millimitoituksella automaattivoitelua varten. Laakerivaihtoehtoina on epäkeskoholkkikiristeinen sekä stop-ruuvikiristeinen laakeri. Molempia saa lisäksi sekä leveällä että kapealla sisäkehällä.
- UC/US - stop-ruuvikiristeinen
- ES/EX - epäkeskoholkki
- UK - kiristysholkki
 
              
                  Olemme laajentaneet tuotevalikoimaamme ja aloittaneet yhteistyön NTF Aalborg A/S:n kanssa.  Lue lisää!
                
 
              Turun Eläinsuojeluyhdistys auttaa Turun sekä lähialueiden kodittomia lemmikkejä sekä luonnonvaraisia eläimiä.
 
              Teollisuusympäristöissä tapahtuvat räjähdykset voivat aiheuttaa vakavia vahinkoja sekä ihmisille että omaisuudelle. ATEX varmistaa, että sekä laitteet että työprosessit on suunniteltu minimoimaan nämä riskit ja luomaan turvallinen työympäristö.
 
              Yli 70 vuoden kokemuksellaan Akapp-Stemmann (Wabtec Netherlands) on yksi maailman tunnetuimmista virtakiskostojen valmistajista.
 
              OEM:n järjestää ensiapukoulutuksen kolmen vuoden välein ryhmälle työntekijöitä eri puolita organisaatiota.
 
              Tunnustus myönnettiin ansiokkaasta ja pitkäjänteisestä yhteistyöstä ammattiopisto Spesian kanssa.
|  |  |  |  |  | ||
|---|---|---|---|---|---|---|
|  |  |  |  |  | ||
|  |  |  |  |  | ||
|  |  |  |  |  | ||
|  |  |  |  |  | ||
|  |  |  |  |  | ||
|  |  |  |  |  | 
| Suosikit | Tilausnumero: | A | B | H | H0 | H1 | J | Kiinnityspultin koko | L | Laakeripesän no | N | N1 | Paino | S | Sisämitta d | Tilausnumero | Hinta | |
|---|---|---|---|---|---|---|---|---|---|---|---|---|---|---|---|---|---|---|
|   
      
        Laakeriyksikkö
      
      
       
        Tuotenumero:
         
          
            UCP202#
          
          Kopioitu!
         | 
            32 mm
            
            
           | 
            27,4 mm
            
            
           | 
            30,2 mm
            
            
           | 
            57 mm
            
            
           | 
            13 mm
            
            
           | 
            96 mm
            
            
           | 
            M10 
            
            
           | 
            125 mm
            
            
           | 
            P202 
            
            
           | 
            12 mm
            
            
           | 
            16 mm
            
            
           | 
            0,6 kg
            
            
           | 
            11,5 mm
            
            
           | 
            15 mm
            
            
           | 
            UC202 
            
            
           |  | ||
|   
      
        Laakeriyksikkö
      
      
       
        Tuotenumero:
         
          
            UCP203#
          
          Kopioitu!
         | 
            32 mm
            
            
           | 
            27,4 mm
            
            
           | 
            30,2 mm
            
            
           | 
            57 mm
            
            
           | 
            13 mm
            
            
           | 
            96 mm
            
            
           | 
            M10 
            
            
           | 
            125 mm
            
            
           | 
            P203 
            
            
           | 
            12 mm
            
            
           | 
            16 mm
            
            
           | 
            0,6 kg
            
            
           | 
            11,5 mm
            
            
           | 
            17 mm
            
            
           | 
            UC203 
            
            
           |  | ||
|   
      
        Laakeriyksikkö
      
      
       
        Tuotenumero:
         
          
            UCP204#
          
          Kopioitu!
         | 
            37 mm
            
            
           | 
            31 mm
            
            
           | 
            33,3 mm
            
            
           | 
            63,8 mm
            
            
           | 
            14 mm
            
            
           | 
            96 mm
            
            
           | 
            M10 
            
            
           | 
            127 mm
            
            
           | 
            P204 
            
            
           | 
            13 mm
            
            
           | 
            16 mm
            
            
           | 
            0,65 kg
            
            
           | 
            12,7 mm
            
            
           | 
            20 mm
            
            
           | 
            UC204 
            
            
           |  | ||
|   
      
        Laakeriyksikkö
      
      
       
        Tuotenumero:
         
          
            UCP205#
          
          Kopioitu!
         | 
            38 mm
            
            
           | 
            34 mm
            
            
           | 
            36,5 mm
            
            
           | 
            69,5 mm
            
            
           | 
            15 mm
            
            
           | 
            105 mm
            
            
           | 
            M10 
            
            
           | 
            140 mm
            
            
           | 
            P205 
            
            
           | 
            13 mm
            
            
           | 
            19 mm
            
            
           | 
            0,72 kg
            
            
           | 
            14,3 mm
            
            
           | 
            25 mm
            
            
           | 
            UC205 
            
            
           |  | ||
|   
      
        Laakeriyksikkö
      
      
       
        Tuotenumero:
         
          
            UCP206#
          
          Kopioitu!
         | 
            44 mm
            
            
           | 
            38,1 mm
            
            
           | 
            42,9 mm
            
            
           | 
            82 mm
            
            
           | 
            16 mm
            
            
           | 
            121 mm
            
            
           | 
            M12 
            
            
           | 
            160 mm
            
            
           | 
            P206 
            
            
           | 
            14 mm
            
            
           | 
            19 mm
            
            
           | 
            1,15 kg
            
            
           | 
            15,9 mm
            
            
           | 
            30 mm
            
            
           | 
            UC206 
            
            
           |  | ||
|   
      
        Laakeriyksikkö
      
      
       
        Tuotenumero:
         
          
            UCP207#
          
          Kopioitu!
         | 
            48 mm
            
            
           | 
            42,9 mm
            
            
           | 
            47,6 mm
            
            
           | 
            92 mm
            
            
           | 
            17 mm
            
            
           | 
            126 mm
            
            
           | 
            M12 
            
            
           | 
            167 mm
            
            
           | 
            P207 
            
            
           | 
            15 mm
            
            
           | 
            19 mm
            
            
           | 
            1,53 kg
            
            
           | 
            17,5 mm
            
            
           | 
            35 mm
            
            
           | 
            UC207 
            
            
           |  | ||
|   
      
        Laakeriyksikkö
      
      
       
        Tuotenumero:
         
          
            UCP208#
          
          Kopioitu!
         | 
            52 mm
            
            
           | 
            49,2 mm
            
            
           | 
            49,2 mm
            
            
           | 
            98 mm
            
            
           | 
            18 mm
            
            
           | 
            136 mm
            
            
           | 
            M12 
            
            
           | 
            180 mm
            
            
           | 
            P208 
            
            
           | 
            15 mm
            
            
           | 
            21 mm
            
            
           | 
            1,88 kg
            
            
           | 
            19 mm
            
            
           | 
            40 mm
            
            
           | 
            UC208 
            
            
           |  | ||
|   
      
        Laakeriyksikkö
      
      
       
        Tuotenumero:
         
          
            UCP209#
          
          Kopioitu!
         | 
            54 mm
            
            
           | 
            49,2 mm
            
            
           | 
            54 mm
            
            
           | 
            105,5 mm
            
            
           | 
            20 mm
            
            
           | 
            146 mm
            
            
           | 
            M12 
            
            
           | 
            189 mm
            
            
           | 
            P209 
            
            
           | 
            15 mm
            
            
           | 
            21 mm
            
            
           | 
            2,1 kg
            
            
           | 
            19 mm
            
            
           | 
            45 mm
            
            
           | 
            UC209 
            
            
           |  | ||
|   
      
        Laakeriyksikkö
      
      
       
        Tuotenumero:
         
          
            UCP210#
          
          Kopioitu!
         | 
            57 mm
            
            
           | 
            51,6 mm
            
            
           | 
            57,2 mm
            
            
           | 
            112,2 mm
            
            
           | 
            21 mm
            
            
           | 
            159 mm
            
            
           | 
            M16 
            
            
           | 
            204 mm
            
            
           | 
            P210 
            
            
           | 
            19 mm
            
            
           | 
            22 mm
            
            
           | 
            2,5 kg
            
            
           | 
            19 mm
            
            
           | 
            50 mm
            
            
           | 
            UC210 
            
            
           |  | ||
|   
      
        Laakeriyksikkö
      
      
       
        Tuotenumero:
         
          
            UCP211#
          
          Kopioitu!
         | 
            60 mm
            
            
           | 
            55,6 mm
            
            
           | 
            63,5 mm
            
            
           | 
            124,5 mm
            
            
           | 
            22 mm
            
            
           | 
            172 mm
            
            
           | 
            M16 
            
            
           | 
            217 mm
            
            
           | 
            P211 
            
            
           | 
            19 mm
            
            
           | 
            22 mm
            
            
           | 
            3,3 kg
            
            
           | 
            22,2 mm
            
            
           | 
            55 mm
            
            
           | 
            UC211 
            
            
           |  | ||
|   
      
        Laakeriyksikkö
      
      
       
        Tuotenumero:
         
          
            UCP212#
          
          Kopioitu!
         | 
            66 mm
            
            
           | 
            65,1 mm
            
            
           | 
            69,9 mm
            
            
           | 
            137 mm
            
            
           | 
            24 mm
            
            
           | 
            186 mm
            
            
           | 
            M16 
            
            
           | 
            238 mm
            
            
           | 
            P212 
            
            
           | 
            19 mm
            
            
           | 
            25 mm
            
            
           | 
            5,5 kg
            
            
           | 
            25,4 mm
            
            
           | 
            60 mm
            
            
           | 
            UC212 
            
            
           |  | ||
|   
      
        Laakeriyksikkö
      
      
       
        Tuotenumero:
         
          
            UCP213#
          
          Kopioitu!
         | 
            70 mm
            
            
           | 
            65,1 mm
            
            
           | 
            76,2 mm
            
            
           | 
            149 mm
            
            
           | 
            26 mm
            
            
           | 
            203 mm
            
            
           | 
            M20 
            
            
           | 
            262 mm
            
            
           | 
            P213 
            
            
           | 
            23 mm
            
            
           | 
            29 mm
            
            
           | 
            5,6 kg
            
            
           | 
            25,4 mm
            
            
           | 
            65 mm
            
            
           | 
            UC213 
            
            
           |  | ||
|   
      
        Laakeriyksikkö
      
      
       
        Tuotenumero:
         
          
            UCP214#
          
          Kopioitu!
         | 
            72 mm
            
            
           | 
            74,6 mm
            
            
           | 
            79,4 mm
            
            
           | 
            155 mm
            
            
           | 
            27 mm
            
            
           | 
            210 mm
            
            
           | 
            M20 
            
            
           | 
            266 mm
            
            
           | 
            P214 
            
            
           | 
            23 mm
            
            
           | 
            29 mm
            
            
           | 
            6,6 kg
            
            
           | 
            30,2 mm
            
            
           | 
            70 mm
            
            
           | 
            UC214 
            
            
           |  | ||
|   
      
        Laakeriyksikkö
      
      
       
        Tuotenumero:
         
          
            UCP215#
          
          Kopioitu!
         | 
            74 mm
            
            
           | 
            77,8 mm
            
            
           | 
            82,6 mm
            
            
           | 
            161,6 mm
            
            
           | 
            28 mm
            
            
           | 
            217 mm
            
            
           | 
            M20 
            
            
           | 
            274 mm
            
            
           | 
            P215 
            
            
           | 
            25 mm
            
            
           | 
            29 mm
            
            
           | 
            7,3 kg
            
            
           | 
            33,3 mm
            
            
           | 
            75 mm
            
            
           | 
            UC215 
            
            
           |  | ||
|   
      
        Laakeriyksikkö
      
      
       
        Tuotenumero:
         
          
            UCP216#
          
          Kopioitu!
         | 
            78 mm
            
            
           | 
            82,6 mm
            
            
           | 
            88,9 mm
            
            
           | 
            174 mm
            
            
           | 
            30 mm
            
            
           | 
            232 mm
            
            
           | 
            M20 
            
            
           | 
            292 mm
            
            
           | 
            P216 
            
            
           | 
            25 mm
            
            
           | 
            30 mm
            
            
           | 
            8,3 kg
            
            
           | 
            33,3 mm
            
            
           | 
            80 mm
            
            
           | 
            UC216 
            
            
           |  | ||
|   
      
        Laakeriyksikkö
      
      
       
        Tuotenumero:
         
          
            UCP217#
          
          Kopioitu!
         | 
            83 mm
            
            
           | 
            85,7 mm
            
            
           | 
            95,2 mm
            
            
           | 
            186 mm
            
            
           | 
            32 mm
            
            
           | 
            247 mm
            
            
           | 
            M20 
            
            
           | 
            310 mm
            
            
           | 
            P217 
            
            
           | 
            25 mm
            
            
           | 
            30 mm
            
            
           | 
            10,8 kg
            
            
           | 
            34,1 mm
            
            
           | 
            85 mm
            
            
           | 
            UC217 
            
            
           |  | ||
|   
      
        Laakeriyksikkö
      
      
       
        Tuotenumero:
         
          
            UCP218#
          
          Kopioitu!
         | 
            88 mm
            
            
           | 
            96 mm
            
            
           | 
            101,6 mm
            
            
           | 
            198 mm
            
            
           | 
            33 mm
            
            
           | 
            262 mm
            
            
           | 
            M22 
            
            
           | 
            326 mm
            
            
           | 
            P218 
            
            
           | 
            27 mm
            
            
           | 
            30 mm
            
            
           | 
            13 kg
            
            
           | 
            39,7 mm
            
            
           | 
            90 mm
            
            
           | 
            UC218 
            
            
           |  | 
Valitse tuote listalta.
 
            
        Mikko Railonvirta