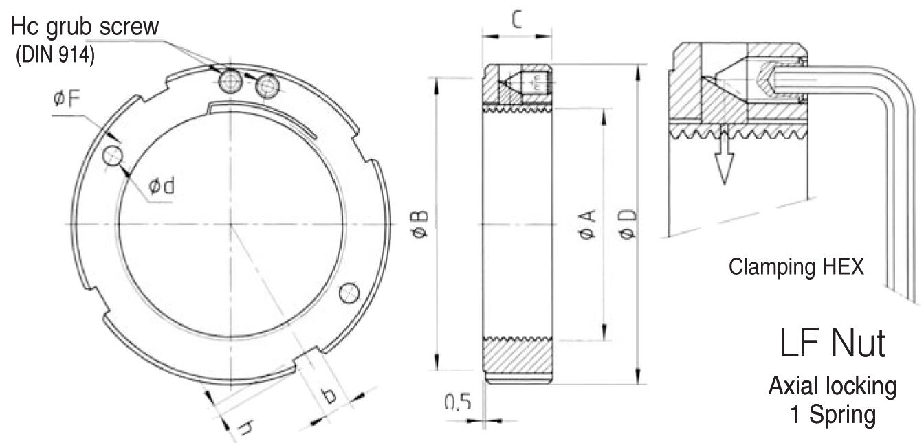
LF on mutteri, joka lukitaan edestä, käytetään silloin kun asennuksessa on ahtaat tilat ja kiristystä ei ole mahdollista tehdä päältä. Helppo, varma ja uudelleenkäytettävä malli.
LUKITUSMUTTERI SOPII OIKEIN HYVIN SEURAAVIIN KÄYTTÖIHIN
• Kiinnitykseen ja säätöihin laakerikohteissa
• Palloruuvien asennukseen
• Korkeille kierroksille
• Suunnanvaihtokohteisiin
• Jousijärjestelmän kalibrointiin
• Kestää korkeita lämpötiloja ja tärinää
• Uudelleenasennettavissa
MUUTA HUOMIOITAVAA
• Mutterit on valmistettu korkean vetolujuuden ja venymän kestävästä teräksestä (20MV6)
• H4 toleranssi
• Urat ovat laserleikattuja
• Viimeistelty pinta
• Neljä kiristyskohtaa
• Musta eloksoitu
• Saatavana myös eri kierteillä ja materiaaleilla
Ruuvien kiristysmomentit:
M4 ruuvi 2,5 Nm
M5 ruuvi 5 Nm
M6 ruuvi 8 Nm
M8 ruuvi 18 Nm
M10 ruuvi 36 Nm
Huomioithan, että ruuveja ei voi säätää kun mutteria ei ole asennettu akselille!
OEM:n järjestää ensiapukoulutuksen kolmen vuoden välein ryhmälle työntekijöitä eri puolita organisaatiota.
Tunnustus myönnettiin ansiokkaasta ja pitkäjänteisestä yhteistyöstä ammattiopisto Spesian kanssa.
Laadukas valaistus ei ole pelkästään riittävä määrä valoa, vaan siihen liittyy useita teknisiä ja kokemuksellisia tekijöitä, kuten mm. värintoisto, häikäisy, energiatehokkuus ja käyttöikä.
Olemme mukana Teknologia-messuilla, osastolla 6d60! Tule haistelemaan messutunnelmaa ja juttelemaan. Nähdään Helsingissä 4.–6.11.2025!
SNR:n ruostumattomasta teräksestä valmistettu yksikönlaakeri on täytetty elintarvikehyväksytyllä LUBSOLID “Full Pack” -voiteluaineella. Yksiköitä on saatavana joko ruostumattomalla tai muovisella laakeripesällä, ja myös sisälaakerit ovat saatavilla erikseen.
LED-valaistuksesta puhuttaessa käytetään paljon erilaisia lyhenteitä, sekä valaistukselle ominaisia termejä ja mittayksiköitä. Tutustu yleisimpiin termeihin!
|
|
|
|
|
||
---|---|---|---|---|---|---|
|
|
|
|
|
||
|
|
|
|
|
||
|
|
|
|
|
||
|
|
|
|
|
||
|
|
|
|
|
||
|
|
|
|
|
Suosikit | Tilausnumero: | Avausmomentti | b+h | Halkaisija B | Halkaisija d | Halkaisija F | Kierre | Leveys C | Max. aksiaalinenkuorma | Paino | Stop ruuvi | Ulkohalkaisija D | Hinta | |
---|---|---|---|---|---|---|---|---|---|---|---|---|---|---|
![]()
Edestä lukittava lukitusmutteri
Tuotenumero:
LF01
Kopioitu!
|
4
|
4 x 2
|
22 mm
|
3,2 mm
|
20 mm
|
12x1,00
|
15 mm
|
36200 N
|
0,05 kg
|
1xM4
|
28 mm
|
| ||
![]()
Edestä lukittava lukitusmutteri
Tuotenumero:
LF02
Kopioitu!
|
6
|
4 x 2
|
25 mm
|
3,2 mm
|
22 mm
|
14x1,00
|
15 mm
|
42600 N
|
0,055 kg
|
1xM4
|
30 mm
|
| ||
![]()
Edestä lukittava lukitusmutteri
Tuotenumero:
LF03
Kopioitu!
|
6
|
4 x 2
|
26 mm
|
3,2 mm
|
23 mm
|
15x1,00
|
15 mm
|
51500 N
|
0,06 kg
|
1xM4
|
31 mm
|
| ||
![]()
Edestä lukittava lukitusmutteri
Tuotenumero:
LF04
Kopioitu!
|
7
|
4 x 2
|
28 mm
|
3,2 mm
|
26 mm
|
17x1,00
|
15 mm
|
58700 N
|
0,065 kg
|
1xM4
|
33 mm
|
| ||
![]()
Edestä lukittava lukitusmutteri
Tuotenumero:
LF05
Kopioitu!
|
9
|
4 x 2
|
29 mm
|
3,2 mm
|
26 mm
|
18x1,00
|
15 mm
|
55400 N
|
0,07 kg
|
2xM4
|
34 mm
|
| ||
![]()
Edestä lukittava lukitusmutteri
Tuotenumero:
LF06
Kopioitu!
|
10
|
4 x 2
|
32 mm
|
3,2 mm
|
29 mm
|
20x1,00
|
15 mm
|
61800 N
|
0,08 kg
|
2xM4
|
37 mm
|
| ||
![]()
Edestä lukittava lukitusmutteri
Tuotenumero:
LF07
Kopioitu!
|
12
|
4 x 2
|
34 mm
|
3,2 mm
|
30 mm
|
22x1,50
|
15 mm
|
64700 N
|
0,09 kg
|
2xM4
|
39 mm
|
| ||
![]()
Edestä lukittava lukitusmutteri
Tuotenumero:
LF09
Kopioitu!
|
20
|
5 x 2
|
43 mm
|
4,2 mm
|
39 mm
|
30x1,50
|
15 mm
|
100600 N
|
0,12 kg
|
2xM5
|
48 mm
|
| ||
![]()
Edestä lukittava lukitusmutteri
Tuotenumero:
LF11
Kopioitu!
|
29
|
5 x 2
|
48 mm
|
4,2 mm
|
44 mm
|
35x1,50
|
15 mm
|
118500 N
|
0,14 kg
|
2xM5
|
53 mm
|
| ||
![]()
Edestä lukittava lukitusmutteri
Tuotenumero:
LF12
Kopioitu!
|
35
|
5 x 2
|
51 mm
|
4,2 mm
|
47 mm
|
38x1,50
|
15 mm
|
124500 N
|
0,145 kg
|
2xM5
|
56 mm
|
| ||
![]()
Edestä lukittava lukitusmutteri
Tuotenumero:
LF14
Kopioitu!
|
45
|
6 x 2,5
|
56 mm
|
4,2 mm
|
52 mm
|
42x1,50
|
15 mm
|
131300 N
|
0,175 kg
|
2xM5
|
62 mm
|
| ||
![]()
Edestä lukittava lukitusmutteri
Tuotenumero:
LF15
Kopioitu!
|
55
|
6 x 2,5
|
59 mm
|
4,2 mm
|
55 mm
|
45x1,50
|
15 mm
|
143400 N
|
0,185 kg
|
2xM5
|
65 mm
|
| ||
![]()
Edestä lukittava lukitusmutteri
Tuotenumero:
LF17
Kopioitu!
|
85
|
6 x 2,5
|
66 mm
|
4,2 mm
|
62 mm
|
52x1,50
|
15 mm
|
171900 N
|
0,215 kg
|
2xM5
|
72 mm
|
| ||
![]()
Edestä lukittava lukitusmutteri
Tuotenumero:
LF18
Kopioitu!
|
105
|
7 x 3
|
68 mm
|
4,2 mm
|
65 mm
|
55x2,00
|
15 mm
|
241300 N
|
0,23 kg
|
2xM5
|
75 mm
|
| ||
![]()
Edestä lukittava lukitusmutteri
Tuotenumero:
LF19
Kopioitu!
|
130
|
7 x 3
|
73 mm
|
4,2 mm
|
72 mm
|
60x2,00
|
20 mm
|
263800 N
|
0,33 kg
|
2xM5
|
80 mm
|
| ||
![]()
Edestä lukittava lukitusmutteri
Tuotenumero:
LF21
Kopioitu!
|
200
|
8 x 3,5
|
82 mm
|
4,2 mm
|
81 mm
|
70x2,00
|
20 mm
|
313900 N
|
0,36 kg
|
2xM5
|
90 mm
|
| ||
![]()
Edestä lukittava lukitusmutteri
Tuotenumero:
LF22
Kopioitu!
|
220
|
8 x 3,5
|
87 mm
|
4,2 mm
|
86 mm
|
75x2,00
|
20 mm
|
347800 N
|
0,39 kg
|
2xM5
|
95 mm
|
| ||
![]()
Edestä lukittava lukitusmutteri
Tuotenumero:
LF23
Kopioitu!
|
240
|
8 x 3,5
|
97 mm
|
5,2 mm
|
93 mm
|
80x2,00
|
20 mm
|
371300 N
|
0,55 kg
|
2xM6
|
105 mm
|
| ||
![]()
Edestä lukittava lukitusmutteri
Tuotenumero:
LF24
Kopioitu!
|
250
|
8 x 3,5
|
102 mm
|
5,2 mm
|
98 mm
|
85x2,00
|
20 mm
|
394900 N
|
0,57 kg
|
2xM6
|
110 mm
|
| ||
![]()
Edestä lukittava lukitusmutteri
Tuotenumero:
LF26
Kopioitu!
|
295
|
10 x 4
|
111 mm
|
5,2 mm
|
107 mm
|
95x2,00
|
20 mm
|
446300 N
|
0,63 kg
|
2xM6
|
120 mm
|
| ||
![]()
Edestä lukittava lukitusmutteri
Tuotenumero:
LF27
Kopioitu!
|
325
|
10 x 4
|
116 mm
|
5,2 mm
|
114 mm
|
100x2,00
|
20 mm
|
470200 N
|
0,65 kg
|
2xM6
|
125 mm
|
| ||
![]()
Edestä lukittava lukitusmutteri
Tuotenumero:
LF28
Kopioitu!
|
365
|
12 x 5
|
119 mm
|
5,2 mm
|
118 mm
|
105x2,00
|
20 mm
|
494000 N
|
0,68 kg
|
2xM6
|
130 mm
|
| ||
![]()
Edestä lukittava lukitusmutteri
Tuotenumero:
LF29
Kopioitu!
|
405
|
12 x 5
|
124 mm
|
5,2 mm
|
122 mm
|
110x2,00
|
20 mm
|
517800 N
|
0,72 kg
|
2xM6
|
135 mm
|
| ||
![]()
Edestä lukittava lukitusmutteri
Tuotenumero:
LF31
Kopioitu!
|
500
|
12 x 5
|
134 mm
|
5,2 mm
|
132 mm
|
120x2,00
|
20 mm
|
574300 N
|
0,78 kg
|
2xM6
|
145 mm
|
| ||
![]()
Edestä lukittava lukitusmutteri
Tuotenumero:
LF32
Kopioitu!
|
560
|
12 x 5
|
139 mm
|
5,2 mm
|
137 mm
|
125x2,00
|
20 mm
|
598500 N
|
0,8 kg
|
2xM6
|
150 mm
|
| ||
![]()
Edestä lukittava lukitusmutteri
Tuotenumero:
LF33
Kopioitu!
|
635
|
12 x 5
|
144 mm
|
5,2 mm
|
142 mm
|
130x2,00
|
20 mm
|
626600 N
|
0,85 kg
|
2xM6
|
155 mm
|
| ||
![]()
Edestä lukittava lukitusmutteri
Tuotenumero:
LF34
Kopioitu!
|
680
|
14 x 6
|
152 mm
|
6,2 mm
|
150 mm
|
135x2,00
|
22 mm
|
723300 N
|
1,15 kg
|
2xM8
|
165 mm
|
| ||
![]()
Edestä lukittava lukitusmutteri
Tuotenumero:
LF35
Kopioitu!
|
1065
|
14 x 6
|
157 mm
|
6,2 mm
|
155 mm
|
140x2,00
|
22 mm
|
761900 N
|
1,2 kg
|
2xM8
|
170 mm
|
| ||
![]()
Edestä lukittava lukitusmutteri
Tuotenumero:
LF36
Kopioitu!
|
1065
|
14 x 6
|
162 mm
|
6,2 mm
|
160 mm
|
145x2,00
|
22 mm
|
789300 N
|
1,25 kg
|
2xM8
|
175 mm
|
| ||
![]()
Edestä lukittava lukitusmutteri
Tuotenumero:
LF37
Kopioitu!
|
1065
|
14 x 6
|
167 mm
|
6,2 mm
|
165 mm
|
150x2,00
|
22 mm
|
821700 N
|
1,3 kg
|
2xM8
|
180 mm
|
| ||
![]()
Edestä lukittava lukitusmutteri
Tuotenumero:
LF13
Kopioitu!
|
41
|
6 x 2,5
|
52 mm
|
4,2 mm
|
50 mm
|
40x1,50
|
15 mm
|
127100 N
|
0,15 kg
|
2xM5
|
58 mm
|
| ||
![]()
Edestä lukittava lukitusmutteri
Tuotenumero:
LF16
Kopioitu!
|
70
|
6 x 2,5
|
63 mm
|
4,2 mm
|
59 mm
|
50x1,50
|
15 mm
|
165200 N
|
0,19 kg
|
2xM5
|
69 mm
|
| ||
![]()
Edestä lukittava lukitusmutteri
Tuotenumero:
LF25
Kopioitu!
|
265
|
10 x 4
|
106 mm
|
5,2 mm
|
104 mm
|
90x2,00
|
20 mm
|
422500 N
|
0,6 kg
|
2xM6
|
115 mm
|
| ||
![]()
Edestä lukittava lukitusmutteri
Tuotenumero:
LF10
Kopioitu!
|
24
|
5 x 2
|
45 mm
|
4,2 mm
|
41 mm
|
32x1,50
|
15 mm
|
113500 N
|
0,125 kg
|
2xM5
|
50 mm
|
| ||
![]()
Edestä lukittava lukitusmutteri
Tuotenumero:
LF20
Kopioitu!
|
160
|
7 x 3
|
78 mm
|
4,2 mm
|
76 mm
|
65x2,00
|
20 mm
|
291000 N
|
0,35 kg
|
2xM5
|
85 mm
|
| ||
![]()
Edestä lukittava lukitusmutteri
Tuotenumero:
LF30
Kopioitu!
|
450
|
12 x 5
|
129 mm
|
5,2 mm
|
127 mm
|
115x2,00
|
20 mm
|
545000 N
|
0,75 kg
|
2xM6
|
140 mm
|
|
Valitse tuote listalta.
Mikko Railonvirta