| Käyttöjännite | 230 V AC | 
|---|---|
| Max. virrantarve | 200 mA | 
| Mitat | 67x86x30 mm | 
| Ohjaus | 0-5V, 0-10V tai 4-20mA | 
|---|---|
| Paino | 80 g | 
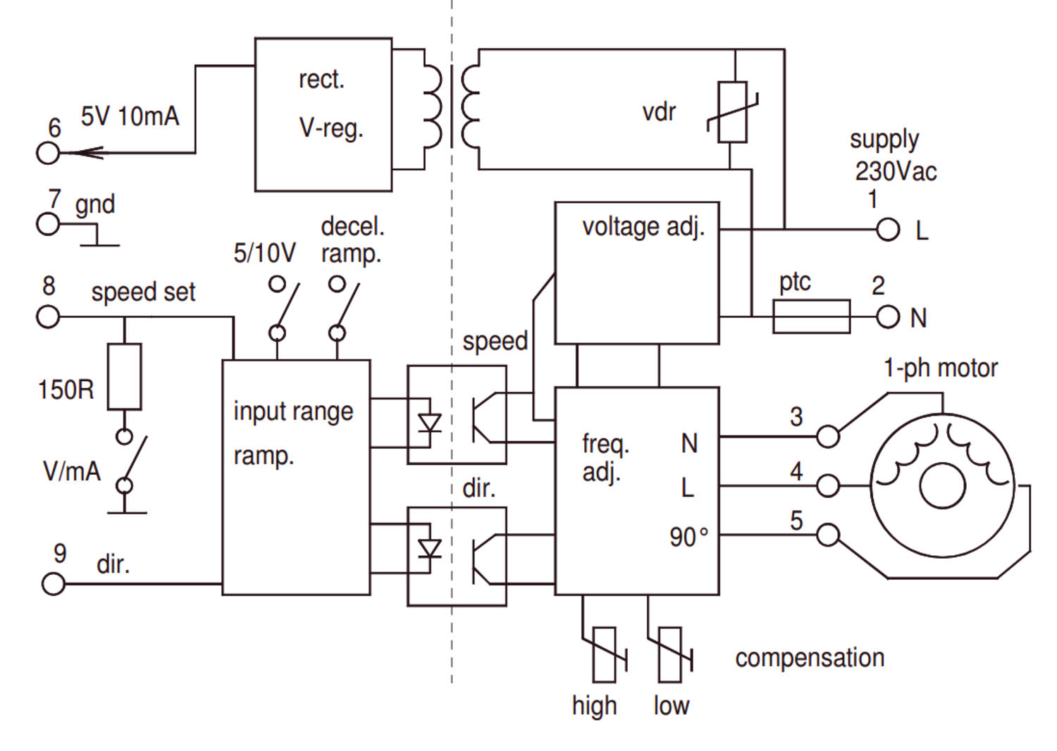
EM-217B on pienille yksivaihemoottoreille suunniteltu nopeudensäädin. Säätö toimii PAM-periaatteella, ja on siksi erittäin pienihäiriöinen. Nopeuden säätöalue on lähes nollasta 150% asti. Hitaiden nopeuksien säätöä parantaa jättämän kompensointi. Yksivaiheinen induktiomoottori ei tarvitse kondensaattoria, koska laite tuottaa apuvaiheen itse. Ohjausviesti voi olla jännite- tai mA-viesti. Ohjaukseen voi käyttää myös potentiometria. Ohjauspiirin ja moottoripiirin välillä on galvaaninen erotus. Ohjausasteessa on n. 1s kiihdytysramppi, jonka ansiosta käynnistys on pehmeä. Hidastusramppi on mahdollista kytkeä päälle ja pois. Suunnanvaihto on pehmeä jos ramppi on päällä ja terävämpi kun hidastusramppi on pois päältä. Laite on EMC-testattu teollisuus- ja kotitalousympäristöön. Verkkojänniteen piikkien varalle laitteessa on ylijännitesuoja ja itsetoipuva sulake.
 
              Moottoriohjain on välttämätön komponentti, kun halutaan hallita sähkömoottorin toimintaa tarkasti ja tehokkaasti.
 
              EM-241 on pienikokoinen, mutta erittäin monipuolinen ohjelmoitava DC-moottoriohjain lähes kaikkiin mahdollisiin teollisuuden sovelluksiin. Siinä on säädettävät virtarajat, startti- ja pysäytysrampit sekä kaksi esiaseteltavaa nopeutta.
 
              
                  Olemme laajentaneet tuotevalikoimaamme ja aloittaneet yhteistyön NTF Aalborg A/S:n kanssa.  Lue lisää!
                
 
              Turun Eläinsuojeluyhdistys auttaa Turun sekä lähialueiden kodittomia lemmikkejä sekä luonnonvaraisia eläimiä.
 
              Teollisuusympäristöissä tapahtuvat räjähdykset voivat aiheuttaa vakavia vahinkoja sekä ihmisille että omaisuudelle. ATEX varmistaa, että sekä laitteet että työprosessit on suunniteltu minimoimaan nämä riskit ja luomaan turvallinen työympäristö.
 
              Yli 70 vuoden kokemuksellaan Akapp-Stemmann (Wabtec Netherlands) on yksi maailman tunnetuimmista virtakiskostojen valmistajista.
|  |  |  |  |  | ||
|---|---|---|---|---|---|---|
|  |  |  |  |  | ||
|  |  |  |  |  | ||
|  |  |  |  |  | ||
|  |  |  |  |  | ||
|  |  |  |  |  | ||
|  |  |  |  |  | 
| Suosikit | Tilausnumero: | Mitat | Paino | Hinta | |
|---|---|---|---|---|---|
|   
      
        Inverteri 230 VAC 1-vaihe moottorille, pelkkä kortti
      
      
       
        Tuotenumero:
         
          
            EM-217B
          
          Kopioitu!
         | 
            67x86x30 mm 
            
            
           | 
            80 g
            
            
           |  | ||
|   
      
        Inverteri 230 VAC 1-vaihe moottorille, koteloitu
      
      
       
        Tuotenumero:
         
          
            EM-217B-H
          
          Kopioitu!
         | 
            72x90x60 mm 
            
            
           | 
            100 g
            
            
           |  | 
Valitse tuote listalta.
 
            
        Andreas Lyrintzis